Lenovo Thinkpad T495 FA495 NM-C131

Collapse
X
 
  • Time
  • Show
Clear All
new posts
  • onizzbox
    Banned
    • Nov 2018
    • 604
    • Brazil

    #1

    Lenovo Thinkpad T495 FA495 NM-C131

    Please, does anyone have this schematic?
    Lenovo Thinkpad T495 FA495 NM-C131
  • onizzbox
    Banned
    • Nov 2018
    • 604
    • Brazil

    #2
    Re: Lenovo Thinkpad T495 FA495 NM-C131

    Originally posted by onizzbox
    Please, does anyone have this schematic?
    Lenovo Thinkpad T495 FA495 NM-C131
    Nobody?

    Comment

    • mon2
      Badcaps Legend
      • Dec 2019
      • 14662
      • Canada

      #3
      Re: Lenovo Thinkpad T495 FA495 NM-C131

      See attached about the keyboard / jtag pinout for T495.
      Attached Files
      Last edited by mon2; 04-12-2022, 10:42 AM.

      Comment

      • onizzbox
        Banned
        • Nov 2018
        • 604
        • Brazil

        #4
        Re: Lenovo Thinkpad T495 FA495 NM-C131

        Originally posted by mon2
        See attached about the keyboard / jtag pinout for T495.
        Thank you, very grateful! Count on me for any help!

        Comment

        • echow2001
          Member
          • Dec 2016
          • 44
          • USA

          #5
          Re: Lenovo Thinkpad T495 FA495 NM-C131

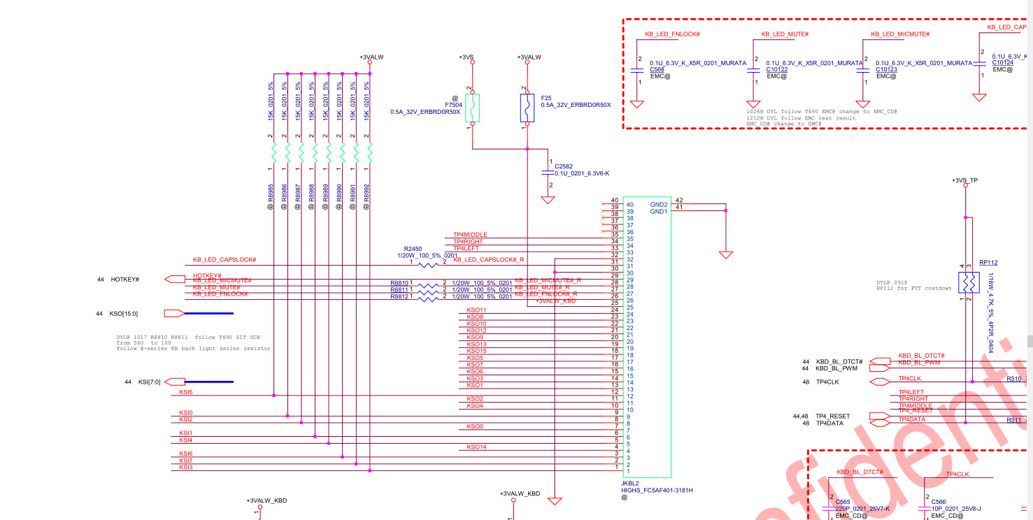
          mainboard and sub board schematic boardview. some of the sub board might be useful for other models cross compatible t480s t480 t490 t485 etc
          Attached Files
          Last edited by echow2001; 05-25-2023, 04:45 PM.

          Comment

          • echow2001
            Member
            • Dec 2016
            • 44
            • USA

            #6
            Re: Lenovo Thinkpad T495 FA495 NM-C131

            Originally posted by echow2001
            mainboard and sub board schematic boardview. some of the sub board might be useful for other models cross compatible t480s t480 t490 t485 etc
            schematic watermark removed
            Last edited by echow2001; 05-25-2023, 04:59 PM.

            Comment

            • dqtech
              Badcaps
              • Jul 2018
              • 639
              • N/A

              #7
              thank you

              Comment

              • adysan
                Member
                • Jan 2017
                • 11
                • Romania

                #8
                Thank you!

                Comment

                Related Topics

                Collapse

                • Document Archive
                  Lenovo ThinkPad T495 Notebook T Specification for Upgrade or Repair
                  by Document Archive
                  This specification for the Lenovo ThinkPad T495 Notebook can be useful for upgrading or repairing a laptop that is not working. As a community we are working through our specifications to add valuable data like the T495 boardview and T495 schematic. Our users have donated over 1 million documents which are being added to the site. This page will be updated soon with additional information. Alternatively you can request additional help from our users directly on the relevant badcaps forum. Please note that we offer no warranties that any specification, datasheet, or download for Lenovo ThinkPad...
                  09-06-2024, 04:10 PM
                • Document Archive
                  Lenovo ThinkPad T495 Notebook T Specification for Upgrade or Repair
                  by Document Archive
                  This specification for the Lenovo ThinkPad T495 Notebook can be useful for upgrading or repairing a laptop that is not working. As a community we are working through our specifications to add valuable data like the T495 boardview and T495 schematic. Our users have donated over 1 million documents which are being added to the site. This page will be updated soon with additional information. Alternatively you can request additional help from our users directly on the relevant badcaps forum. Please note that we offer no warranties that any specification, datasheet, or download for Lenovo ThinkPad...
                  09-06-2024, 03:30 PM
                • Document Archive
                  Lenovo ThinkPad T495 Notebook T Specification for Upgrade or Repair
                  by Document Archive
                  This specification for the Lenovo ThinkPad T495 Notebook can be useful for upgrading or repairing a laptop that is not working. As a community we are working through our specifications to add valuable data like the T495 boardview and T495 schematic. Our users have donated over 1 million documents which are being added to the site. This page will be updated soon with additional information. Alternatively you can request additional help from our users directly on the relevant badcaps forum. Please note that we offer no warranties that any specification, datasheet, or download for Lenovo ThinkPad...
                  09-06-2024, 03:30 PM
                • Document Archive
                  Lenovo ThinkPad T495 Notebook T Specification for Upgrade or Repair
                  by Document Archive
                  This specification for the Lenovo ThinkPad T495 Notebook can be useful for upgrading or repairing a laptop that is not working. As a community we are working through our specifications to add valuable data like the T495 boardview and T495 schematic. Our users have donated over 1 million documents which are being added to the site. This page will be updated soon with additional information. Alternatively you can request additional help from our users directly on the relevant badcaps forum. Please note that we offer no warranties that any specification, datasheet, or download for Lenovo ThinkPad...
                  09-06-2024, 03:30 PM
                • Document Archive
                  Lenovo ThinkPad T495 Notebook T Specification for Upgrade or Repair
                  by Document Archive
                  This specification for the Lenovo ThinkPad T495 Notebook can be useful for upgrading or repairing a laptop that is not working. As a community we are working through our specifications to add valuable data like the T495 boardview and T495 schematic. Our users have donated over 1 million documents which are being added to the site. This page will be updated soon with additional information. Alternatively you can request additional help from our users directly on the relevant badcaps forum. Please note that we offer no warranties that any specification, datasheet, or download for Lenovo ThinkPad...
                  09-06-2024, 03:30 PM
                • Loading...
                • No more items.
                Working...