Hello, friends, i need your help,
I have a hp dag31amb6d0 rev d motherboard, when connected to the power source, it turns on, but njo gives me an image, install a bios from this website, check and the fan does not turn, nothing
In summary :
I have light on the power jack, 3v on the power button
I do not have 3v always nor 5v always, i turn on the laptop with the start button but i do not have amperage consumption for me it is very strange, this happened after they tried to change the hard drive for an ssd then it did not turn on anymore
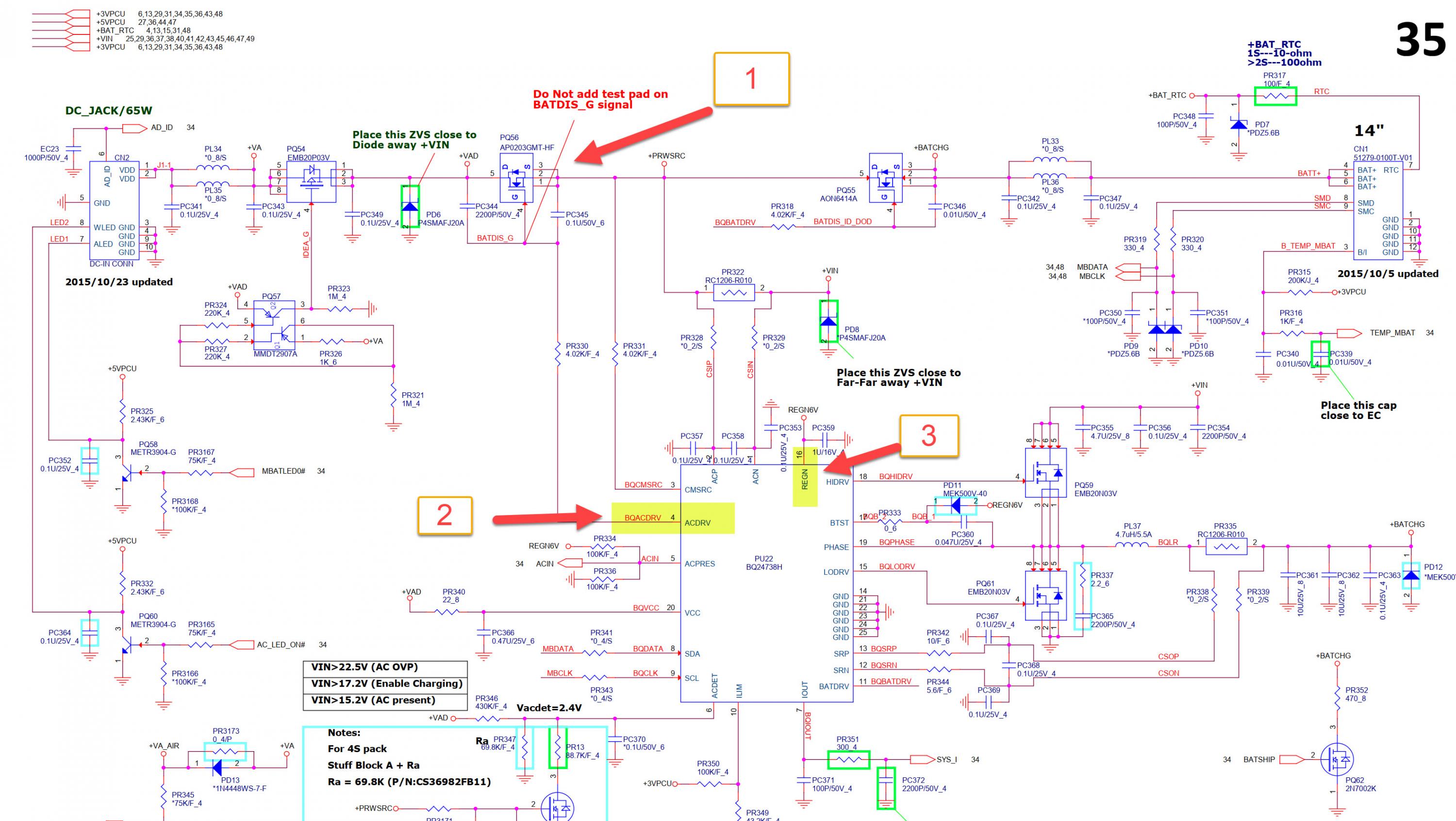
I leave the schematic in case someone helps me solve this dilemma 
		
							
						
					I have a hp dag31amb6d0 rev d motherboard, when connected to the power source, it turns on, but njo gives me an image, install a bios from this website, check and the fan does not turn, nothing
In summary :
I have light on the power jack, 3v on the power button
I do not have 3v always nor 5v always, i turn on the laptop with the start button but i do not have amperage consumption for me it is very strange, this happened after they tried to change the hard drive for an ssd then it did not turn on anymore
I leave the schematic in case someone helps me solve this dilemma
 
		
							
						
Comment