Asus Vivobook s510u - not charging

Collapse
X
 
  • Time
  • Show
Clear All
new posts
  • samstown
    Senior Member
    • Mar 2021
    • 122
    • Switzerland

    #1

    Asus Vivobook s510u - not charging

    Hello,

    I got this Asus Vivobook with 10% battery left, so it was working on battery (now battery is empty). When pluging power supply it was not charging. Power supply is working, I get 19.4V. When connected I can measure 19V until MOSFET.

    I tought replacing MOSFET would do the trick... but it doesn't. Exact same behavior with a new MOSFET, not same model.. maybe that's why ?

    The original MOSFET (on the pictures) is M3056M and I replaced with AON6414A.

    Thanks for your help.
    Attached Files
  • mon2
    Badcaps Legend
    • Dec 2019
    • 14677
    • Canada

    #2
    Re: Asus Vivobook s510u - not charging

    Hi. Will trade services for some of your chocolate

    Near these mosfets, locate the charger IC - what are the topside markings? Most likely will be the 'BQ' series from Texas Instruments. Post the full markings and if possible a clear close picture of the area for a review.

    Comment

    • samstown
      Senior Member
      • Mar 2021
      • 122
      • Switzerland

      #3
      Re: Asus Vivobook s510u - not charging

      Thank you for your help, I am lucky that you always reply to my post.

      I have some friends in Canada, next time I see them, I'll gave them some chocolate, so they can post it from Canada to your place

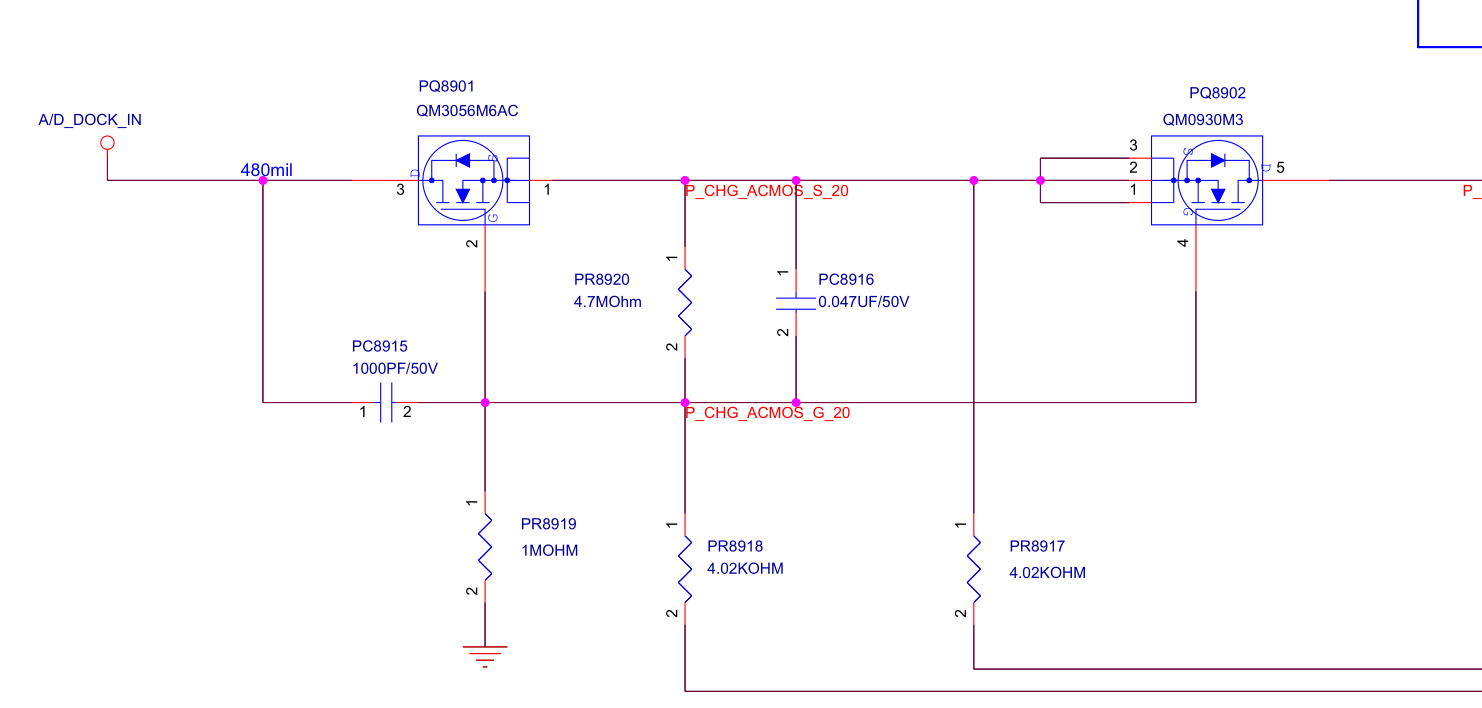
      Near the mosfet, I see
      M0930M
      D82046
      Attached Files

      Comment

      • mon2
        Badcaps Legend
        • Dec 2019
        • 14677
        • Canada

        #4
        Re: Asus Vivobook s510u - not charging

        Hi

        While the original mosfet is able to handle higher peak currents, the replacement is fine to use as a replacement.

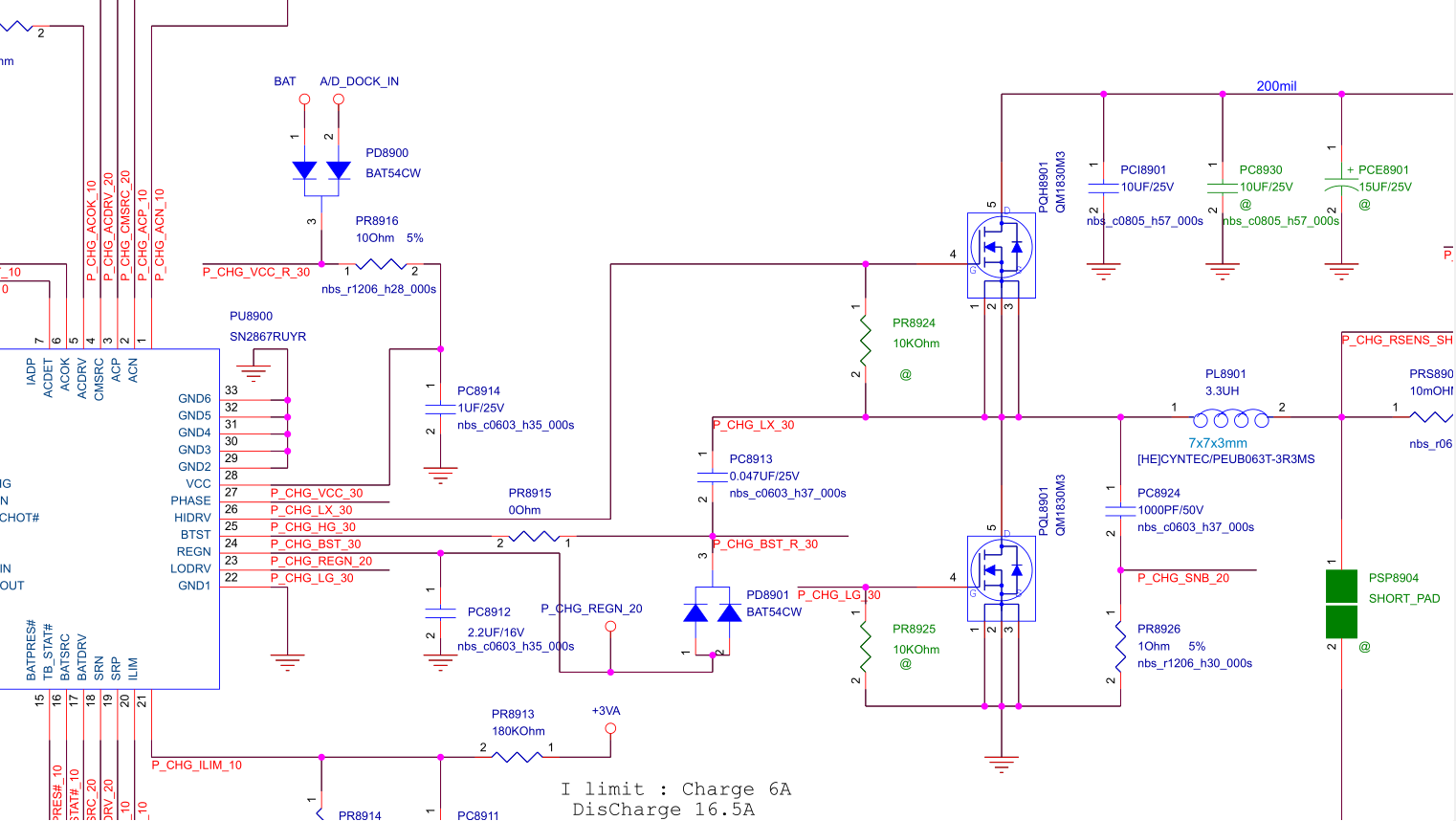
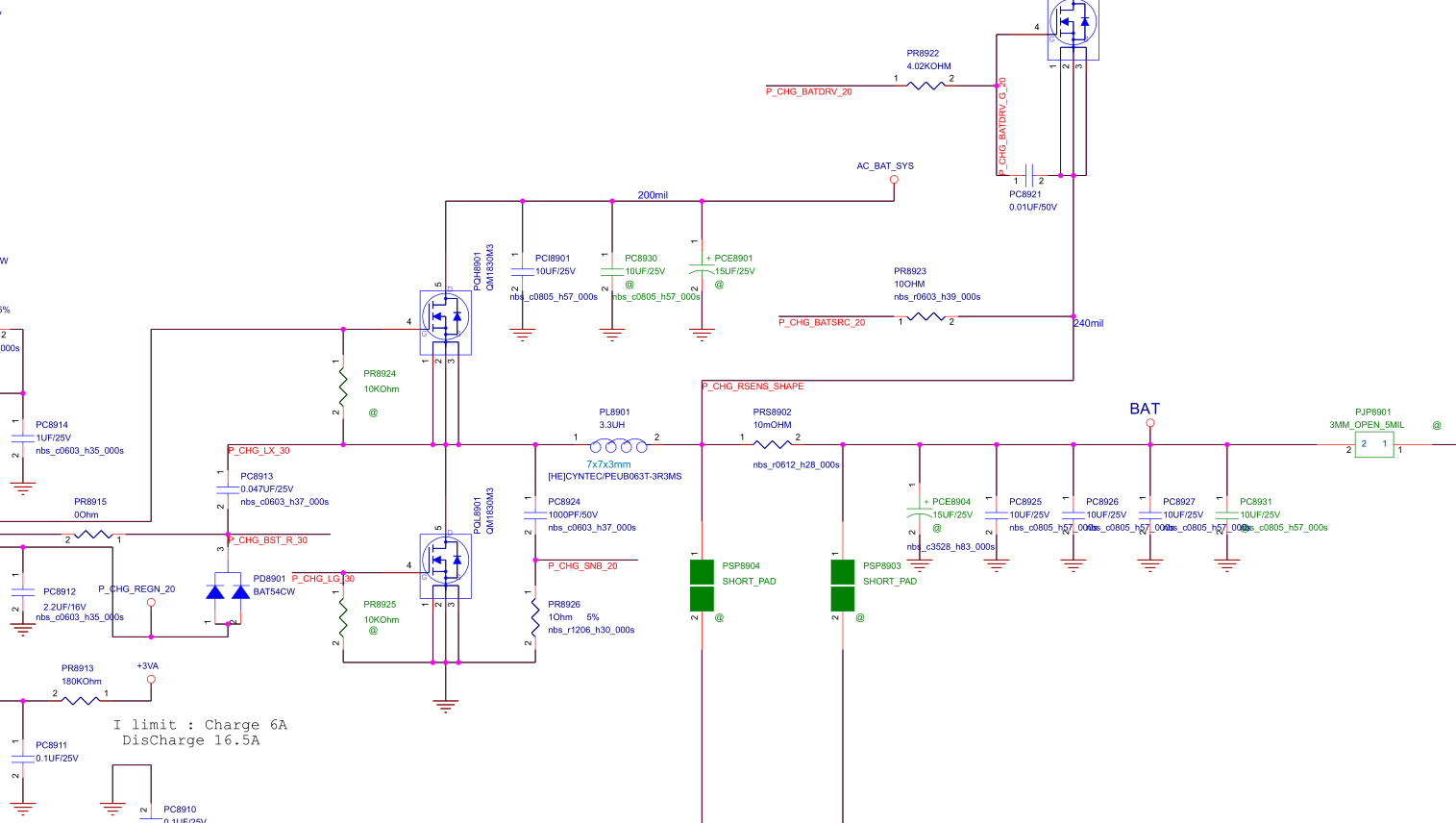
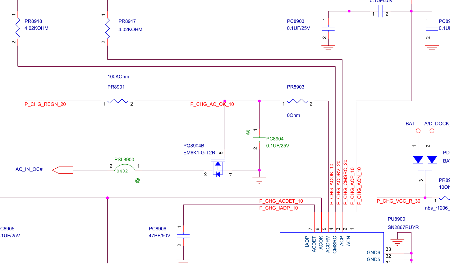
        Review the logic board for a square ic that should be near the dcin connector area. Topside markings should be 'BQ' or similar. The same charger IC will drive these mosfets linked to the battery charging circuit. That is, the gate pin #4 of the mosfet will feature a series resistor and the other side of the series resistor will be to the charger IC.

        We need to know the charger IC markings or a schematic of this board. Being Asus, doubt the schematic is available. Will check my database of schematics once at the office.

        Comment

        • piernov
          Super Moderator
          • Jan 2016
          • 4439
          • France

          #5
          Re: Asus Vivobook s510u - not charging

          https://www.badcaps.net/forum/showthread.php?t=90356
          OpenBoardView — https://github.com/OpenBoardView/OpenBoardView

          Comment

          • mon2
            Badcaps Legend
            • Dec 2019
            • 14677
            • Canada

            #6
            Re: Asus Vivobook s510u - not charging

            See attached.

            From:
            https://www.badcaps.net/forum/showthread.php?t=70050

            your logic board is or should be close to this one:

            Mainboard is ASUS X510UNR REV 3
            Can you confirm ?
            Attached Files

            Comment

            • koby058
              Badcaps Veteran
              • Jan 2017
              • 387
              • israel

              #7
              Re: Asus Vivobook s510u - not charging

              mon2 you made me lough with the chocolate it reminded me the jaffa oranges.

              you are great

              Comment

              • samstown
                Senior Member
                • Mar 2021
                • 122
                • Switzerland

                #8
                Re: Asus Vivobook s510u - not charging

                Thank you.

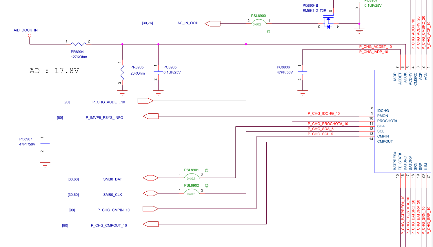
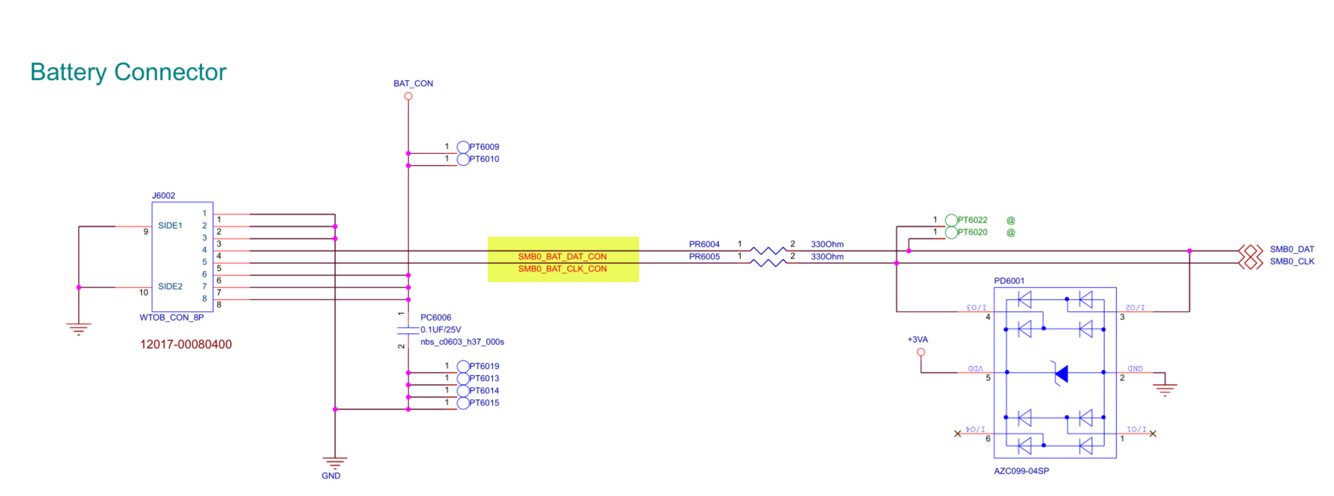
                ok, I located BK chip near battery connector.
                BK24780S

                I can measure various volatage to that BK chip. I've check caps and fuse, can't find culprit.

                unfortunately, I need to go for now... I won't be online until tomorrow.
                Attached Files
                Last edited by samstown; 12-07-2022, 08:30 AM.

                Comment

                • mon2
                  Badcaps Legend
                  • Dec 2019
                  • 14677
                  • Canada

                  #9
                  Re: Asus Vivobook s510u - not charging

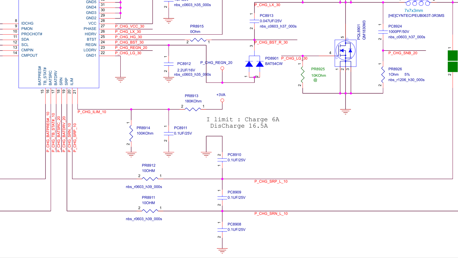
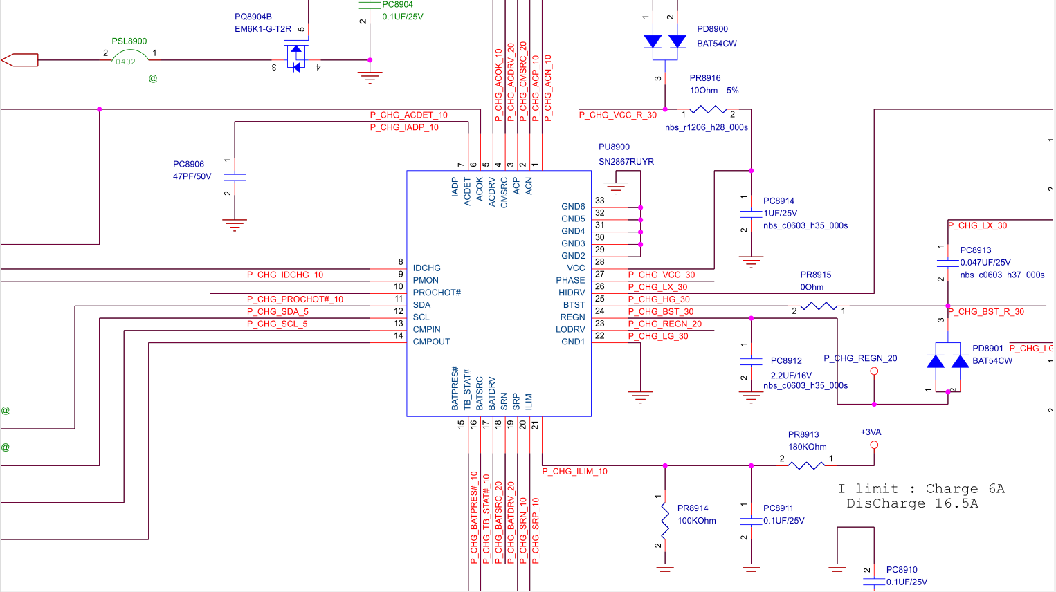
                  Review the voltage to ground of

                  REGN pin
                  ACDRV pin

                  If ACDRV is not ~25v then remove the 4k series resistor and test again if the ACDRV is at the required ~25v.

                  Comment

                  • samstown
                    Senior Member
                    • Mar 2021
                    • 122
                    • Switzerland

                    #10
                    Re: Asus Vivobook s510u - not charging

                    Thanks.

                    I don't get 25V on acdrv . ok I am looking for resistor 4K PR8918 probably on the other side.


                    REGN pin 24 = 6.0V
                    ACDRV pin 4 = not stable, 0, then peak for 1, then 0 then peak to 15... o
                    Attached Files
                    Last edited by samstown; 12-08-2022, 05:18 AM.

                    Comment

                    • mon2
                      Badcaps Legend
                      • Dec 2019
                      • 14677
                      • Canada

                      #11
                      Re: Asus Vivobook s510u - not charging

                      Remove the 4k resistor on ACDRV. This is to disconnect the load which are the gate pins of the 2*dcin mosfets.

                      Test again the ACDRV voltage with the 4k removed.

                      It is not that the 4k resistor will be defective but that the mosfets are. They are pulling down the ACDRV voltage.

                      Post the ACDRV voltage without the 4k resistor.

                      Comment

                      • samstown
                        Senior Member
                        • Mar 2021
                        • 122
                        • Switzerland

                        #12
                        Re: Asus Vivobook s510u - not charging

                        I think I found the problem. Pin 3 and 4 were touching each other. I've clean it and now it's charging !! I'll duoble check and let you know. Thank you

                        Comment

                        • samstown
                          Senior Member
                          • Mar 2021
                          • 122
                          • Switzerland

                          #13
                          Re: Asus Vivobook s510u - not charging

                          Hmmm.... almost there...Laptop is booting but battery doesn't charge.... Works fine with power supply but shutdown after 10 seconds if I unplug. The battery was ok when I got it so there must be something missing. I will open it again tomorrow to make sure all cables are plugged correctly.

                          Comment

                          • mon2
                            Badcaps Legend
                            • Dec 2019
                            • 14677
                            • Canada

                            #14
                            Re: Asus Vivobook s510u - not charging

                            Check ACOK, ACDRV pins on the charger IC (voltage to ground).

                            The battery pack will have SMBUS pins (aka I2C) with SCL & SDA interconnect.

                            Measure the voltage to ground of each pin on the battery connector. If the charger IC is unable to communicate with the BMS (battery management system) inside the battery pack, the charging will not proceed.
                            Attached Files
                            Last edited by mon2; 12-08-2022, 03:19 PM.

                            Comment

                            • samstown
                              Senior Member
                              • Mar 2021
                              • 122
                              • Switzerland

                              #15
                              Re: Asus Vivobook s510u - not charging

                              With your help, problem identifed. Mosfet M1830 was short. When I removed it, PC boot but doesn't charge. I've tried to repalce it with what I have AON7410 or AON7702A, it boots but after 2 min PC goes into standby and doesn't boot anymore... i need to remove mosfet and then it boots again.

                              I've looked at datasheet for M1830 but can't find good data.
                              I have also the following that I could use.

                              AO7408 QFN-8 MOSFET
                              AON6414AQFN-8 MOSFET
                              FDMC8884 8884 QFN-8 Chipset

                              What would work the best ?
                              Attached Files

                              Comment

                              • mon2
                                Badcaps Legend
                                • Dec 2019
                                • 14677
                                • Canada

                                #16
                                Re: Asus Vivobook s510u - not charging

                                Review the path of the gate pin #4 of this mosfet. Where does the series resistor connect to on the charger IC?

                                How do you know if this part is defective? Low resistance reading

                                Comment

                                • samstown
                                  Senior Member
                                  • Mar 2021
                                  • 122
                                  • Switzerland

                                  #17
                                  Re: Asus Vivobook s510u - not charging

                                  Originally posted by mon2
                                  Review the path of the gate pin #4 of this mosfet. Where does the series resistor connect to on the charger IC?

                                  How do you know if this part is defective? Low resistance reading
                                  Thermal camera show that ic flashing. When I remove it, it works.
                                  If I measure it, all pins are short from one site to the other.

                                  Comment

                                  • samstown
                                    Senior Member
                                    • Mar 2021
                                    • 122
                                    • Switzerland

                                    #18
                                    Re: Asus Vivobook s510u - not charging

                                    Originally posted by mon2
                                    Review the path of the gate pin #4 of this mosfet. Where does the series resistor connect to on the charger IC?

                                    How do you know if this part is defective? Low resistance reading
                                    From PIN4 (Gate) it goes to pin2 (ACP) of charging IC trough a filter, pics attached.

                                    Do you think the problem is not the mosfet but something else ?
                                    Attached Files

                                    Comment

                                    • mon2
                                      Badcaps Legend
                                      • Dec 2019
                                      • 14677
                                      • Canada

                                      #19
                                      Re: Asus Vivobook s510u - not charging

                                      Please review carefully and check figure 17 of the attachment datasheet. ACP pin should not be connected to the mosfet gate pin.
                                      Attached Files

                                      Comment

                                      • samstown
                                        Senior Member
                                        • Mar 2021
                                        • 122
                                        • Switzerland

                                        #20
                                        Re: Asus Vivobook s510u - not charging

                                        Sorry, I am unable to find where pin 4 (Gate) is going. I can find it on side B but there's no componenent on that "line" and after this i don't know where it goes.

                                        When I remove mosfet it works but doesn't charge. If I place a new mosfet, it gets hot and die after 10 seconds, PIN4 is probably shorted but I can't find where.
                                        Attached Files

                                        Comment

                                        Related Topics

                                        Collapse

                                        • Document Archive
                                          ASUS VivoBook ASUS VivoBook 15 S513 FHD i5 16GB/512GB G3 SSD Notebook 15 Specification for Upgrade or Repair
                                          by Document Archive
                                          This specification for the ASUS VivoBook ASUS VivoBook 15 S513 FHD i5 16GB/512GB G3 SSD Notebook can be useful for upgrading or repairing a laptop that is not working. As a community we are working through our specifications to add valuable data like the ASUS VivoBook 15 S513 FHD i5 16GB/512GB G3 SSD boardview and ASUS VivoBook 15 S513 FHD i5 16GB/512GB G3 SSD schematic. Our users have donated over 1 million documents which are being added to the site. This page will be updated soon with additional information. Alternatively you can request additional help from our users directly on the relevant...
                                          09-07-2024, 02:50 AM
                                        • Document Archive
                                          ASUS VivoBook VivoBook 14 Notebook 14 Specification for Upgrade or Repair
                                          by Document Archive
                                          This specification for the ASUS VivoBook VivoBook 14 Notebook can be useful for upgrading or repairing a laptop that is not working. As a community we are working through our specifications to add valuable data like the VivoBook 14 boardview and VivoBook 14 schematic. Our users have donated over 1 million documents which are being added to the site. This page will be updated soon with additional information. Alternatively you can request additional help from our users directly on the relevant badcaps forum. Please note that we offer no warranties that any specification, datasheet, or download...
                                          09-07-2024, 04:10 AM
                                        • Patriarxis
                                          asus vivobook X1052Z not charging
                                          by Patriarxis
                                          Hello

                                          At an Asus vivobook x1052z battery not chargig .

                                          at the battery connector i have 19V and the charging light is always on.

                                          Any ideas what to check?

                                          Thanks...
                                          02-10-2025, 06:19 AM
                                        • Document Archive
                                          ASUS VivoBook S512FB-BR052T Notebook S15 Specification for Upgrade or Repair
                                          by Document Archive
                                          This specification for the ASUS VivoBook S512FB-BR052T Notebook can be useful for upgrading or repairing a laptop that is not working. As a community we are working through our specifications to add valuable data like the S512FB-BR052T boardview and S512FB-BR052T schematic. Our users have donated over 1 million documents which are being added to the site. This page will be updated soon with additional information. Alternatively you can request additional help from our users directly on the relevant badcaps forum. Please note that we offer no warranties that any specification, datasheet, or download...
                                          09-06-2024, 07:58 AM
                                        • Document Archive
                                          ASUS VivoBook S512UB-BR044T Notebook S15 Specification for Upgrade or Repair
                                          by Document Archive
                                          This specification for the ASUS VivoBook S512UB-BR044T Notebook can be useful for upgrading or repairing a laptop that is not working. As a community we are working through our specifications to add valuable data like the S512UB-BR044T boardview and S512UB-BR044T schematic. Our users have donated over 1 million documents which are being added to the site. This page will be updated soon with additional information. Alternatively you can request additional help from our users directly on the relevant badcaps forum. Please note that we offer no warranties that any specification, datasheet, or download...
                                          09-06-2024, 07:53 AM
                                        • Loading...
                                        • No more items.
                                        Working...