Macbook Air A1465 - 820-00164-A , No reaction to power button

Collapse
X
 
  • Time
  • Show
Clear All
new posts
  • modtool
    Senior Member
    • Jul 2015
    • 63
    • Italy

    #1

    Macbook Air A1465 - 820-00164-A , No reaction to power button

    Dear colleagues, they brought to me this Apple Macbook Air, that has no signs of liquid spilling externally nor internally, no burned component, no wasted spots on the mainboard, no oxydations (even seeing with a big magnifier lens) and no signs of scratches or falling shocks.
    Owner said that one morning it didn't start anymore.
    If you connect the MagSafe, light is first green then orange, and that remains for the time being, no fan spin neither an impulse of a spin.
    I heated gradually to 199°C most spots on the mainboard (even CPU, RAM, SMC etc) but nothing changed.
    I unsoldered and resoldered the U6100 and many components around it, but nothing changed.
    No component is heating even if the power is applied for many minutes.

    I've made some measurements:

    Code:
    P3V3_S5 3.27
    P3V3S5_EN 3.35
    P5VP3V3_VREG3 3.23
    
    
    PPDCIN_G3H 14.80
    PPBUS_G3H 116 8.39 "shouldn't this be around 8,60v"?
    PP3V42_G3H 277 3.36
    PPRTC_G3H 414 3.26
    PP5V_S5 430 4.94
    PP5V_S4RS3 399 jumps 1 time 
    PP3V3_S4 468 0.00 jumps 1 time 
    PM_SLP_S4_L jumps 1 time - 460 ***
    RTC_RST_L 3.26
    
    PM_DSW_PWRGD 3.35
    SMC_RESET_L 486 3.32
    PLT_RESET_L 509 0.00
    SMC_ONOFF_L 675 3.34
    SMC_BC_ACOK 470 3.23
    SMC_PM_G2_EN 519 3.36
    S5_PWRGD 564 3.32
    PM_PCH_SYS_PWROK 742 0.00
    SMC_ADAPTER_EN 548 3.35
    PM_SYSRST_L 706 jumps 1 time *** 0.01
    PM_PCH_PWROK 950 jumps 1 time *** 0.00
    PCH_DSWVRMEN 792 3.16
    PM_DSW_PWRGD 746 3.35
    PCH_INTVRMEN_L 3.16
    PM_PWRBTN_L 527 3.35 (->0.35 when SMC_ONOFF_L to 0)
    PM_BATLOW_L 531 3.26
    PP3V3_S5_AVREF_SMC 590 3.22
    PM_RSMRST_L 627 3.23
    PP1V2_S5_SMC_VDDC 482 1.18
    PP3V3_S5_SMC_VDDA 280 3.35
    
    ALL_SYSTEM_PWRGD 416 jumps 1 time 0.00
    
    U1950
    
    1 ALL_SYSTEM_PWRGD 402 pulse
    2 CPUVR_PGOOD_R 735 pulse
    3 SYS_PWROK_R 694 NO pulse
    4 GND
    5 PM_S0_PGOOD 675 pulse
    6 SMC_DELAYED_PWRGD 722 pulse
    7 PM_S0_PGOOD 675 pulse
    8 PP3V42G3H 280 3.36
    
    U1900
    
    1 PPVRTC_G3H 433 3.26
    2 PP3V3_S5 335 3.27
    3 SYSCLK_CLK25M_X2_R 434 0.00
    4 SYSCLK_CLK25M_X1 430 ~0.54
    5 PP3V3_S5RS3RS0_SYSCLKGEN 327 3.27
    6 PP1V2_CAM_XTALPCIEVDD 315 0.00
    7 GND
    8 SYSCLK_CLK25M_CAMERA 438 0.00
    9 NC 438 0.00
    10 GND
    11 GND
    12 PCH_CLK32K_RTCX1 442 ~0.39
    13 PP3V42_G3H 285 3.36
    14 PP3V3_TBLC 390 0.24
    15 SYSCLK_CLK25M_TBT 426 0.00
    16 GND
    What I see from these measurements is that, after having connected the (original working Apple, 45 60 and also 85 watt) MagSafe most "after S5" signals make 1 jump and then they stay at 0 volts (I waited 5 minutes and no other jump occurs), you can see PM_SLP_S4_L , PM_SYSRST_L , PM_PCH_PWROK , most of signals from U1950, etc...
    If I close SMC_ONOFF_L to GND , those same signals make another jump and they go to zero again.
    If you see the measurements, shouldn't PPBUS_G3H be around 8,60v ?

    The entire line measures 116 mV, in diode-test mode with red probe to GND.
    I tracked it down, unsoldered F7140 and L7130 and found that a low value was due to Q7130 (it's measuring the same 116 with red probe to source and black probe to "output"), maybe its double-diode between CHGR_PHASE and GND causes this value...can someone please measure this value and tell me if it is normal or not?
    I've also unsoldered and measured C7141, C7143 and C7140 but only this last one had some inconsistent value swapping terminals on an ESD tester, giving me sometimes 11% of Vloss but similar ESD, I've changed it with a new one but again nothing changed...
    Should PPBUS_G3H be 8.6 and not 8.39?
    I know that if it was lower, around 8 volt, there may be a problem in the SMC, but on this board it' 8.39 stable

    Can someone please suggest something?
    Last edited by SMDFlea; 07-10-2022, 10:58 AM.
  • mon2
    Badcaps Legend
    • Dec 2019
    • 14675
    • Canada

    #2
    Re: Macbook Air A1465 - 820-00164-A , No reaction to power button

    PPBUS_G3H 116 8.39 "shouldn't this be around 8,60v"?
    Yes.

    Reference:
    https://www.logi.wiki/index.php?title=PPBus_G3H

    Check the voltage of the SMBUS lines (SDA & SCL) which are used to communicate with the ISL regulator to dial up the boost voltage.

    What is the voltage of each SMBUS (I2C) line ?

    Next, remove all power -> meter in resistance mode -> check the resistance to ground of the same SMBUS lines. Checking to see if there is damage on the interface lines.

    Update:

    PP3V42_G3H 277 3.36
    To me, this looks low and should be 3v42. Remove all power and check the resistance to ground of this rail @ L7095, pin # 2.
    Last edited by mon2; 06-29-2022, 07:35 AM.

    Comment

    • modtool
      Senior Member
      • Jul 2015
      • 63
      • Italy

      #3
      Re: Macbook Air A1465 - 820-00164-A , No reaction to power button

      Hi Mon2, thank you for your quick suggestions!

      (Meter with red probe to GND in diode-mode - Meter in 20k mode - voltage)
      SMBUS_SMC_5_G3_SDA 503 - 10.28k - 3.34
      SMBUS_SMC_5_G3_SCL 508 - 10.33k - 3.35

      I observe little changes (i.e. 3.32~3.35) around that voltage readings, every couple of seconds.

      Regarding PP3V42_G3H, 277 is the value measured with red probe to GND and diode-mode, if measured in 20k R-mode, it gives 7.41k.

      The voltage of 3.36 seems like too low for 3v42 rail, but I think it's a problem with my meter, because I've never read 3.42 volt on this rail on any Apple device by this multimeter

      I've made other measurements that I forgot to add in the firt post, here they are:

      Code:
      U7501
      1 P5V_S4RS3_DRVH 1100 0.00
      2 PP5V_S4RS3 399 0.00
      3 P3V3_S5_RF 588 1.23
      4 P5VS4RS3_EN_R 457 0.00
      5 P5VS4RS3_PGOOD 470 0.00
      6 P5VP3V3_SKIPSEL 466 1.93
      7 P5V_S4RS3_CSP1 1466 0.00
      8 P5V_S4RS3_CSN1 400 0.00
      9 P5V_S4RS3_VFB1 582 0.00
      10 P5V_S4RS3_COMP1 784 1.96
      11 P5V_S4RS3_FUNC 000 0.00
      12 SMC_PM_G2_EN 523 3.35
      13 P5P3V3_VREF2 466 1.96
      14 PP5V_S5 423 4.92
      15 P3V3_S5_COMP2 781 1.92
      16 P3V3_S5_VFB2 578 0.99
      17 P3V3_S5_CSN2 331 3.26
      18 P3V3_S5_CSP2 1563 3.26
      19 P5VP3V3_SKIPSEL 466 1.96
      20 S5_PWRGD 570 3.32
      21 P3V3S5_EN_R 526 3.35
      22 P5VP3V3_VREG3 550 3.22
      23 PPBUS_S5_HS_OTHER_ISNS 111 8.39
      24 P3V3_S5_DRVH 994 3.28
      25 P3V3_S5_LL 331 3.26
      26 P3V3_S5_VBST 630 8.17
      27 P3V3_S5_DRVL 504 0.02
      28 GND
      29 PP5V_S5 417 4.92
      30 P5V_S4RS3_DRVL 504 0.00
      31 P5V_S4RS3_VBST 631 4.71
      32 P5V_S4RS3_LL 400 0.00
      
      U7100
      1 CHGR_AGATE 664 0.00
      2 CHGR_DCIN 634 14.83
      3 CHGR_ACIN 513 3.83
      4 CHGR_VFRQ 455 3.25
      5 CHGR_ICOMP 767 1.14
      6 CHGR_CELL 100 0.00
      7 CHGR_VCOMP 765 0.62~0.74
      8 CHGR_VNEG 516 1.48
      9 CHGR_AMON 758 0.03
      10 SMBUS_SMC_5_G3_SDA 503 3.34
      11 SMBUS_SMC_5_G3_SCL 508 3.35
      12 PP3V42_G3H 283 3.34
      13 CHGR_RST_L 486 3.32
      14 SMC_BA_ACOK 458 3.33
      15 CHGR_BMON 766 0.06
      16 CHGR_BGATE 688 1.37
      17 CHGR_CSO_N 112 8.39
      18 CHGR_CSO_P 114 8.39
      19 PP5V1_CHGR_VDD 426 4.94
      20 PP5V1_CHGR_VDDP 427 4.90
      21 CHGR_LGATE 425 0.55
      22 GND
      23 CHGR_PHASE 112 9.02
      24 CHGR_UGATE 575 9.56
      25 CHGR_BOOT 574 13.54
      26 CHGR_SGATE 668 14.06 
      27 CHGR_CSI_N 628 14.26
      28 CHGR_CSI_P 617 14.26
      Do you see something wrong?
      Can the Q7130 be in a bad shape and not being able to reach 8.60v?
      Last edited by SMDFlea; 07-10-2022, 10:59 AM.

      Comment

      • reformatt
        Badcaps Legend
        • Feb 2020
        • 1509
        • Australia

        #4
        Re: Macbook Air A1465 - 820-00164-A , No reaction to power button

        PPBUS_G3H should be measured with battery disconnected. Check for corrosion or evidence of liquid ingress (especially around the SMC). Usually if you get a single pulse of voltages up to Vcore it's typically SMC related. Reflow with flux of the SMC is where I usually start.

        Comment

        • modtool
          Senior Member
          • Jul 2015
          • 63
          • Italy

          #5
          Re: Macbook Air A1465 - 820-00164-A , No reaction to power button

          Hi @reformatt, excuse me for this late reply, and thank you for your suggestion.
          All measures are taken with battery disconnected.
          I can't find a single trace of liquid or corrosion on the board nor on the outside of the body of the macbook.
          I've already heated till 199°C the area around the SMC and taken off the glue around it and have seen that zone with a great magnifier lens, no liquid signs or other similar issues.
          Maybe under the SMC there could be some oxydized balls that I can't see from the outside (without an x-ray machine) and heating it up I may have caused more oxydization, so I should try to reball it.
          If there are no other suggestion, I would do that

          Comment

          • reformatt
            Badcaps Legend
            • Feb 2020
            • 1509
            • Australia

            #6
            Re: Macbook Air A1465 - 820-00164-A , No reaction to power button

            PPBUS_G3H will be around 8.3V with no SMC comms to the ISL, otherwise should be 8.6V. When the board is out of the chassis and no battery connected, the board should start up when power is applied. Single pulse and incorrect PPBUS_G3H voltage tends to point to the SMC. Reflow it and see what happens.

            Comment

            • modtool
              Senior Member
              • Jul 2015
              • 63
              • Italy

              #7
              Re: Macbook Air A1465 - 820-00164-A , No reaction to power button

              Hi @reformatt,
              I followed your suggestion and reballed (with fresh SnPb balls) the SMC, veryfing prior to soldering it back that the spots for SMBUS_SMC_5_G3_SDA and SMBUS_SMC_5_G3_SCL had direct connection with other points on the board, but there is still the exact same problem
              Since the IC to which the SMC communicates is the ISL6259, should I change it with a new one?
              Or should I change the SMC ?
              Last edited by modtool; 07-10-2022, 05:30 AM.

              Comment

              • mon2
                Badcaps Legend
                • Dec 2019
                • 14675
                • Canada

                #8
                Re: Macbook Air A1465 - 820-00164-A , No reaction to power button

                Still suggest that you correct the reading of PP3V42_G3H. It is too low. This has to be ~3v42.

                If your meter is not accurate, consider a new one from Amazon or similar. A good enough one should be < $50 USD. Check the reviews of multimeters on EEVBLOG that has the thorough details on the features.

                See attached.

                What is the voltage reading for the FB pin on U7090 ?

                What are the voltage readings for the following points of interest ?

                PPBUS_G3H

                D7005, pin # 1
                D7005, pin # 2
                D7005, pin # 3

                PP5V_S4RS3

                PP3V3_S5_REG_R
                Attached Files

                Comment

                • modtool
                  Senior Member
                  • Jul 2015
                  • 63
                  • Italy

                  #9
                  Re: Macbook Air A1465 - 820-00164-A , No reaction to power button

                  Hi @mon2, thank you for your suggestions.
                  I will bring a multimeter from a friend just to compare the measures, but I never had a problem with mine even if I didn't ever read 3,42v on any (working) Mac machine but always 3.35/3.37v.

                  Here are my measures:

                  U7090
                  1 P3V42G3H_FB 1.23
                  2 PP3V42G3H 3.37
                  3 P3V42G3H_BOOST 7.13
                  4 P3V42G3H_SW 3.36
                  5 GND
                  6 PPVIN_G3H_P3V42G3H 14.52
                  7 NC
                  8 P3V42G3H_SHDN_L 14.52

                  PPBUSG3H (F7140 pin2) 8.40

                  D7005
                  1 PPBUSG3H_R 8.40
                  2 PP18V5_DCIN_ISOL_R 14.57
                  3 PPVIN_G3H_P3V42G3H 14.52

                  PP5V_S4RS3 0.00

                  PP3V3_S5_REG_R 3.27

                  Comment

                  • mon2
                    Badcaps Legend
                    • Dec 2019
                    • 14675
                    • Canada

                    #10
                    Re: Macbook Air A1465 - 820-00164-A , No reaction to power button

                    What is the voltage of EN1 (pin #4) = P5VS4RS3_EN_R of U7501 ?

                    Do you have a donor board for spare parts ?

                    Can you replace L7095 ?
                    Last edited by mon2; 07-10-2022, 09:41 AM.

                    Comment

                    • modtool
                      Senior Member
                      • Jul 2015
                      • 63
                      • Italy

                      #11
                      Re: Macbook Air A1465 - 820-00164-A , No reaction to power button

                      Yes I have some Apple dead boards from which I can take some components.

                      As in my 8th message before, P5VS4RS3_EN_R = 0.00 , but it shows a single pulse (as all "after-S5 signals) some seconds after the magsafe is connected, and if I close SMC_ONOFF_L to GND.

                      As thought before, the fact that those signals make a single jump makes me think about a short somewhere, but I have tested every S4 - S3 -S0 main rails and found no shorts...

                      Could it be some voltage/current sensing circuit that is working bad and reporting it to the SMC , who doens't let start the board?

                      Comment

                      • mon2
                        Badcaps Legend
                        • Dec 2019
                        • 14675
                        • Canada

                        #12
                        Re: Macbook Air A1465 - 820-00164-A , No reaction to power button

                        found no shorts...
                        Resistance to ground is a one important check but so are also the checks for the current loop for each rail.

                        That is, be sure that the proper current loop circuits are present and reaching the controller under test. If there is a disconnect in this leg of the circuit, the switching regulator will believe there is a high current draw and shut the rail down immediately.

                        Comment

                        • mon2
                          Badcaps Legend
                          • Dec 2019
                          • 14675
                          • Canada

                          #13
                          Re: Macbook Air A1465 - 820-00164-A , No reaction to power button

                          P5VS4RS3_EN_R = 0.00
                          Remove R7551 and see if you get your PP5V_S4RS3 back.

                          Comment

                          • modtool
                            Senior Member
                            • Jul 2015
                            • 63
                            • Italy

                            #14
                            Re: Macbook Air A1465 - 820-00164-A , No reaction to power button

                            Originally posted by mon2
                            Resistance to ground is a one important check but so are also the checks for the current loop for each rail.

                            That is, be sure that the proper current loop circuits are present and reaching the controller under test. If there is a disconnect in this leg of the circuit, the switching regulator will believe there is a high current draw and shut the rail down immediately.
                            Hi @mon2, thank you fro the suggestions, I will verify that every controller has proper connection with its current fb loop.

                            I desoldered R7551 , PP5V_S4RS3 is up at 5.03v , but P5VS4RS3_EN still makes 1 pulse on pin 2 of R7551...
                            I verified good soldering, no corrosions and zero Ohms on R8179 and R8175, does this mean that the SMC has some fault or maybe it senses something wrong and doesn't output PM_SLP_S4_L ?
                            Last edited by modtool; 07-11-2022, 03:45 PM.

                            Comment

                            • mon2
                              Badcaps Legend
                              • Dec 2019
                              • 14675
                              • Canada

                              #15
                              Re: Macbook Air A1465 - 820-00164-A , No reaction to power button

                              Here is an excellent website that details the operation of the same logic board:

                              https://www.it-tech.com.au/mac-q-a/p...UpSRHo5U09qOGk.

                              Comment

                              • modtool
                                Senior Member
                                • Jul 2015
                                • 63
                                • Italy

                                #16
                                Re: Macbook Air A1465 - 820-00164-A , No reaction to power button

                                Thank you mon2 for the nice link, I knew it before and already followed all the general advices given.
                                If you see my previous messages, you can find that all the 11+1 basic signals before PM_SLP_S4_L are present and stable, and that PM_PWRBTN_L is going to 0.35 when i close SMC_ONOFF_L to GND.

                                I had a suspect about the EFI spot, or the EFI content, so I unsoldered it, read it with an external programmer and compared its binaries with other working files found in this forum, but I found no appreciable differences.
                                I checked every resistor in that area and resoldered them to be sure, then I unsoldered even U6101 and soldered back it and U6100, but nothing changed.

                                What I can't understand is why PM_SLP_S4_L makes a single pulse, it's not pulsing every 4 seconds or similar as seen in other cases, and that makes me think that the problem could be the PCH itself, because from what I see, it is not "answering" to the request of the SMC that says to it "resume from reset and start" (PM_RSMRST_L + PM_PWRBTN_, but it is not outputting the PM_SLP_S4_L .
                                In similar cases, the PCH shoots PM_SLP_S4_L every some second tring to read the efi bios when something is wrong in that area

                                Comment

                                • mon2
                                  Badcaps Legend
                                  • Dec 2019
                                  • 14675
                                  • Canada

                                  #17
                                  Re: Macbook Air A1465 - 820-00164-A , No reaction to power button

                                  Review this thread:

                                  https://logi.wiki/index.php/PM_SLP_S...roubleshooting
                                  If PM_SLP_S4_L missing, we need to check these before replacing the CPU/PCH.

                                  1. PPVRTC_G3H (VCCRTC) real-time clock circuit power supply. 3.3V ok
                                  2. RTC_RESET_L (RTCRST#) real-time clock circuit reset. 3.3V ok
                                  3. PCH_SRTCRST_L (SRTCRST#) secondary real-time clock circuit reset. 3.3V ok
                                  4. PCH_INTVRMEN_L (INTVRMEN) internal voltage regulators 1.05V and 1.5V enable. 3.3V ok
                                  5. PCH_DSWVRMEN_L (DSWVRMEN) deep sleep well(power) voltage regulator enable. 3.3V ok
                                  6. SYSCLK_CLK32K_RTCX1 (RTCX1) 32khz clock for RTC circuit. Measured by an oscilloscope.
                                  7. PP3V3_S5 (VCCDSW3-3) deep sleep well (power rail) present. 3.3V ok
                                  8. PM_DSW_PWRGD (DPWROK) deep sleep well not only present but also stable(OK). 3.3V ok
                                  9. PP3V3_SUS (VCCSUS3) suspended mode(shallow sleep mode) power rail present. 3.3V ok
                                  10. PM_BATLOW_L (BATLOW#) if the battery voltage is NOT low, or no battery is connected, SMC will output 3.3V to inform CPU/PCH. 3.3V ok
                                  11. PM_RSMRST_L (RSMRST#) stands for “resume reset”, the system is ready for resuming from suspended mode (from shallow sleep mode to wake up). 3.3V ok
                                  12. PM_PWRBTN_L (PWRBTN#) power button on/off. If the logic board is connected to the battery only, you need to press the power button on the keyboard to send a high-low-high pulse to the CPU/PCH (via SMC). If you connect the logic board to the charger only without connecting the battery, once SMC receives the SMC_BC_ACOK from charging circuit power management IC u7100, SMC will output SMC_ADAPTER_EN (ACPRESENT). In this case, the signal SMC_ADAPTER_EN will act as the same as PM_PWRBTN_L. In other words, the PM_PWRBTN_L is not always a “must" in some situation. It is why we call it “+1" condition. When the 11 prerequisites are met, once you press the power button (PM_PWRBTN_L) or connect a charger to the logic board (SMC_ADAPTER_EN), CPU/PCH will shoot out PM_SLP_S5_L, PM_SLP_S4_L and PM_SLP_S3_L to enable S4, S3 and S0 state power rails.

                                  In most models, Apple does not utilise PM_SLP_S5_L, just feedback this signal to SMC and that is all. PM_SLP_S4_L will enable the S3 state power rails including the memory module power rail. PM_SLP_S3_L will enable the rest S0 state power rails.
                                  Would you have the proper voltage reading of 3v42 now with the new multimeter ?
                                  Last edited by mon2; 07-14-2022, 05:35 AM.

                                  Comment

                                  • mon2
                                    Badcaps Legend
                                    • Dec 2019
                                    • 14675
                                    • Canada

                                    #18
                                    Re: Macbook Air A1465 - 820-00164-A , No reaction to power button

                                    See attached.

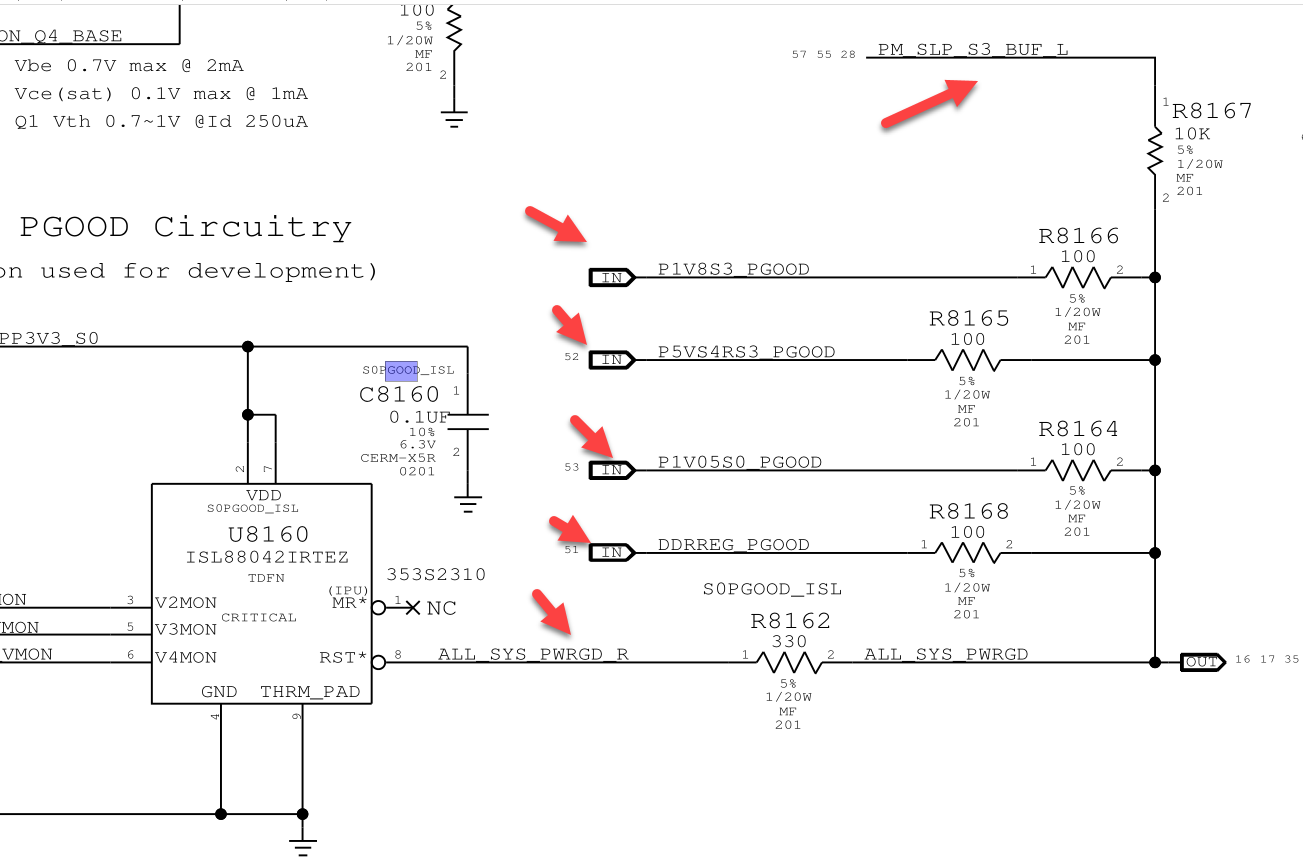
                                    Review the ALL_SYS_PWRGD signal rail and inspect each rail that is OR'd together onto this line.

                                    Which power rail is preventing this line from remaining HIGH rather than the single pulse ?

                                    That power rail may have a current loop fault causing this event.

                                    PS: Please use the same net names as used by the Apple / Foxconn drawing - it will make it much easier to trace for the reader. ALL_SYSTEM_PWRGD was not found in my 820-00164 schematic.

                                    Update - wish to clarify on this ALL_SYS_PWRGD,

                                    a) confirm that PM_SLP_S3_BUF_L is stable and ON.

                                    b) the balance of the lines on this combined signal rail are OPEN DRAIN. So for this reason, the pull-up to PM_SLP_S3_BUF_L is required.

                                    c) remove resistors R8165, R8164, R8168, R8162 -> power up again and confirm that this single rail is now HIGH = confirms that P1V8S3_PGOOD is OK (power rail is GOOD since it remains HIGH).

                                    Then proceed to remove R8166 (confirmed to be OK) and stuff only the next resistor @ R8165. Confirm it is OK with the stable HIGH logic level, and so on till you find the bad power rail.
                                    Attached Files
                                    Last edited by mon2; 07-14-2022, 06:23 AM.

                                    Comment

                                    • modtool
                                      Senior Member
                                      • Jul 2015
                                      • 63
                                      • Italy

                                      #19
                                      Re: Macbook Air A1465 - 820-00164-A , No reaction to power button

                                      Hi mon2, excuse this delay but I had other urgent works to review...
                                      With a multimeter borrowed from my friend, the PP3V42_G3H is 3.417, so I think it is a correct value, only my multimeter takes it in a different value.
                                      I've rewrited U6100 with a known working EFI file but still the same behaviour.

                                      I've reviewed ALL_SYS_PWRGD signal and found continuity in every spot, pad, component and IC, but I couldn't make the last steps you suggested because the owner of the Macbook Air decided to take it back

                                      I have to thank every one who gave his bit of knowledge to help me, I really appreciated all your help

                                      Comment

                                      Related Topics

                                      Collapse

                                      • Document Archive
                                        MSI Gaming Pulse GL66 12UGK-470CA Notebook GL Specification for Upgrade or Repair
                                        by Document Archive
                                        This specification for the MSI Gaming Pulse GL66 12UGK-470CA Notebook can be useful for upgrading or repairing a laptop that is not working. As a community we are working through our specifications to add valuable data like the Pulse GL66 12UGK-470CA boardview and Pulse GL66 12UGK-470CA schematic. Our users have donated over 1 million documents which are being added to the site. This page will be updated soon with additional information. Alternatively you can request additional help from our users directly on the relevant badcaps forum. Please note that we offer no warranties that any specification,...
                                        09-07-2024, 06:40 AM
                                      • Document Archive
                                        MSI Gaming PULSE GL66 12UGSZOK-1096 Notebook GL Specification for Upgrade or Repair
                                        by Document Archive
                                        This specification for the MSI Gaming PULSE GL66 12UGSZOK-1096 Notebook can be useful for upgrading or repairing a laptop that is not working. As a community we are working through our specifications to add valuable data like the PULSE GL66 12UGSZOK-1096 boardview and PULSE GL66 12UGSZOK-1096 schematic. Our users have donated over 1 million documents which are being added to the site. This page will be updated soon with additional information. Alternatively you can request additional help from our users directly on the relevant badcaps forum. Please note that we offer no warranties that any specification,...
                                        09-07-2024, 06:38 AM
                                      • Document Archive
                                        MSI Gaming PULSE GL76 12UEOK-692FR Notebook GL Specification for Upgrade or Repair
                                        by Document Archive
                                        This specification for the MSI Gaming PULSE GL76 12UEOK-692FR Notebook can be useful for upgrading or repairing a laptop that is not working. As a community we are working through our specifications to add valuable data like the PULSE GL76 12UEOK-692FR boardview and PULSE GL76 12UEOK-692FR schematic. Our users have donated over 1 million documents which are being added to the site. This page will be updated soon with additional information. Alternatively you can request additional help from our users directly on the relevant badcaps forum. Please note that we offer no warranties that any specification,...
                                        09-07-2024, 06:38 AM
                                      • Document Archive
                                        MSI Gaming Pulse GL76 12UEK-426XPT Notebook GL Specification for Upgrade or Repair
                                        by Document Archive
                                        This specification for the MSI Gaming Pulse GL76 12UEK-426XPT Notebook can be useful for upgrading or repairing a laptop that is not working. As a community we are working through our specifications to add valuable data like the Pulse GL76 12UEK-426XPT boardview and Pulse GL76 12UEK-426XPT schematic. Our users have donated over 1 million documents which are being added to the site. This page will be updated soon with additional information. Alternatively you can request additional help from our users directly on the relevant badcaps forum. Please note that we offer no warranties that any specification,...
                                        09-07-2024, 06:21 AM
                                      • Document Archive
                                        MSI Pulse 15 B13VFK-404NEU Notebook 15 Specification for Upgrade or Repair
                                        by Document Archive
                                        This specification for the MSI Pulse 15 B13VFK-404NEU Notebook can be useful for upgrading or repairing a laptop that is not working. As a community we are working through our specifications to add valuable data like the 15 B13VFK-404NEU boardview and 15 B13VFK-404NEU schematic. Our users have donated over 1 million documents which are being added to the site. This page will be updated soon with additional information. Alternatively you can request additional help from our users directly on the relevant badcaps forum. Please note that we offer no warranties that any specification, datasheet, or...
                                        09-07-2024, 07:20 AM
                                      • Loading...
                                      • No more items.
                                      Working...