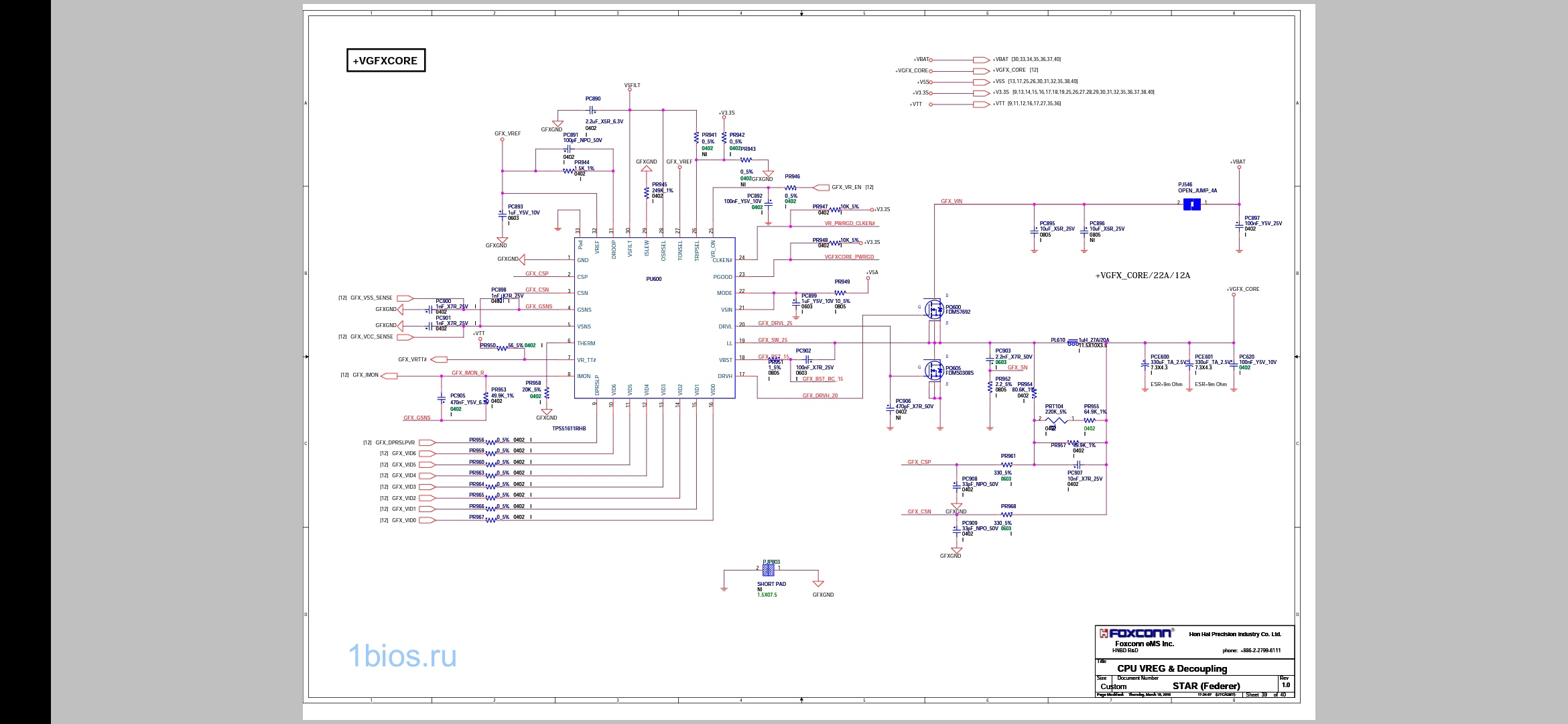
hello everybody i have hp g62 its start power normaly but ther is no data on its lcd or external crt all volts are good but there is no volt on coil number l610
hp g62 no display plz help
Collapse
X
Related Topics
Collapse
-
This specification for the Acer Nitro Nitro 5 AN515-45 - (AMD Ryzen 7 5800H, 8 GB, 512GB PCIe NVMe SSD, NVIDIA GeForce RTX 3060 6G, 15.6" FHD IPS 144Hz Display, Windows 10, Black) Notebook can be useful for upgrading or repairing a laptop that is not working. As a community we are working through our specifications to add valuable data like the Nitro 5 AN515-45 - (AMD Ryzen 7 5800H, 8 GB, 512GB PCIe NVMe SSD, NVIDIA GeForce RTX 3060 6G, 15.6" FHD IPS 144Hz Display, Windows 10, Black) boardview and Nitro 5 AN515-45 - (AMD Ryzen 7 5800H, 8 GB, 512GB PCIe NVMe SSD, NVIDIA GeForce RTX 3060...09-06-2024, 10:20 PM
-
This specification for the Acer Nitro Nitro 5 AN515-45 - (AMD Ryzen 5 5600H, 8 GB, 512GB PCIe NVMe SSD, NVIDIA GeForce RTX 3060 6G, 15.6" FHD IPS 144Hz Display, Windows 10, Black) Notebook can be useful for upgrading or repairing a laptop that is not working. As a community we are working through our specifications to add valuable data like the Nitro 5 AN515-45 - (AMD Ryzen 5 5600H, 8 GB, 512GB PCIe NVMe SSD, NVIDIA GeForce RTX 3060 6G, 15.6" FHD IPS 144Hz Display, Windows 10, Black) boardview and Nitro 5 AN515-45 - (AMD Ryzen 5 5600H, 8 GB, 512GB PCIe NVMe SSD, NVIDIA GeForce RTX 3060...09-06-2024, 10:20 PM
-
This specification for the Acer Swift Swift 1 SF114-33 14 inch Laptop - (Intel Pentium N6000, 4GB RAM, 256GB SSD, Full HD Display, Windows 10 in S Mode, Silver) Notebook can be useful for upgrading or repairing a laptop that is not working. As a community we are working through our specifications to add valuable data like the Swift 1 SF114-33 14 inch Laptop - (Intel Pentium N6000, 4GB RAM, 256GB SSD, Full HD Display, Windows 10 in S Mode, Silver) boardview and Swift 1 SF114-33 14 inch Laptop - (Intel Pentium N6000, 4GB RAM, 256GB SSD, Full HD Display, Windows 10 in S Mode, Silver) schematic. Our...09-06-2024, 09:30 PM
-
This specification for the Acer Swift Swift 1 SF114-33 14 inch Laptop - (Intel Pentium N6000, 4GB RAM, 256GB SSD, Full HD Display, Windows 10 in S Mode, Pink) Notebook can be useful for upgrading or repairing a laptop that is not working. As a community we are working through our specifications to add valuable data like the Swift 1 SF114-33 14 inch Laptop - (Intel Pentium N6000, 4GB RAM, 256GB SSD, Full HD Display, Windows 10 in S Mode, Pink) boardview and Swift 1 SF114-33 14 inch Laptop - (Intel Pentium N6000, 4GB RAM, 256GB SSD, Full HD Display, Windows 10 in S Mode, Pink) schematic. Our users...09-06-2024, 09:30 PM
-
This specification for the Acer Chromebook Acer Chromebook 311 CB311-11H - (MediaTek MT8183, 4GB, 64GB eMMC, 11.6 inch HD Display, Google Chrome OS, Silver) Chromebook can be useful for upgrading or repairing a laptop that is not working. As a community we are working through our specifications to add valuable data like the Acer Chromebook 311 CB311-11H - (MediaTek MT8183, 4GB, 64GB eMMC, 11.6 inch HD Display, Google Chrome OS, Silver) boardview and Acer Chromebook 311 CB311-11H - (MediaTek MT8183, 4GB, 64GB eMMC, 11.6 inch HD Display, Google Chrome OS, Silver) schematic. Our users have donated...09-07-2024, 01:00 AM
- Loading...
- No more items.
Comment