I have Packard Bell - DA0ZE7MB6D0 - that have all voltages and signals, but no video. i go through schematic where is starting diagram. all works but stil no video
Packard Bell - DA0ZE7MB6D0 - have all voltages and signals, but no video
Collapse
X
-
Tags: None
-
Re: Packard Bell - DA0ZE7MB6D0 - have all voltages and signals, but no video
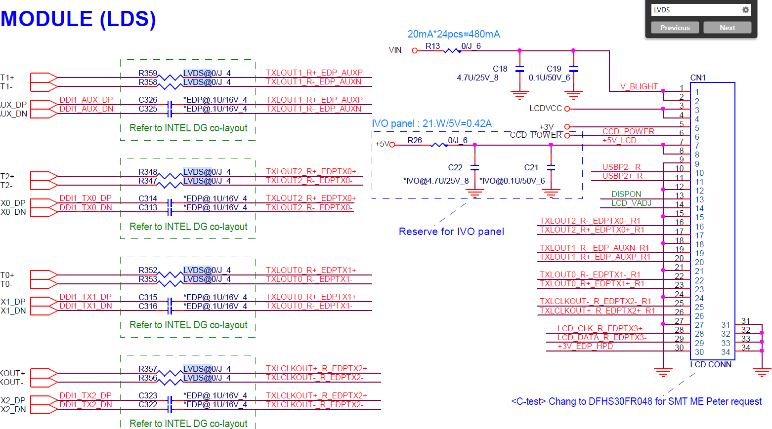
1) Check and post the voltages on CN1 (LVDS connector).
2) Be sure that none of the series caps on the LVDS interconnect are not missing.
3) Do you see a backlight on for the display panel ? If not, the display is not enabled or the backlight voltage is not high enough.
Post the voltages on CN1 for at least:
a) Pins 1&2 V_BLIGHT
b) Pin 6 CCD_POWER
c) Pin 7&8 +5V_LCD
d) Pin 13 DISPON
e) Pin 14 LCD_VADJ
4) Is the display that you are testing a known good display? Is it the proper and compatible one for this logic board ? The schematic notes EDP and LVDS style of display can be supported by this design - which one do you have?
Can you post the markings on your display ?
Related Topics
Collapse
-
by maxlove70Hello, I'm searching Bios for Packard Bell iSTART 2356.
Asus for Packard Bell M2NS-NVM (Boston) 0206 BIOS - 6A69NA01
Manufacturer and model: Asus for Packard Bell M2NS-NVM (Boston)
Chipset: AMD 1100
Part number: 6A69NA01
BIOS ID: 03/05/2007-NF-MCP61-M2NS-NVM-00
BIOS Release date: 2007-03-05
BIOS Revision: 0206
Packard Bell Support for this PC is discontinued.
Please Help Me !!!!
Thanks.-
Channel: BIOS & Schematic Requests!
-
-
by omaryouPLS NEED TO UNLOCK OLD packard bell bios I can't find the File on the website of packard bell for this model
Packard Bell Easynote ALP-Horus G2...-
Channel: BIOS Requests ONLY!
-
-
Packard Bell Easy Note EN TE11BZ Q5WT6 Laptop Schematic
LA-8531P Rev 0.3...-
Channel: Schematics and Boardviews
11-06-2024, 06:29 AM -
-
Packard Bell NAV50 USB Audio Port Board LS-5655P Boardview...
-
Channel: Schematics and Boardviews
10-29-2024, 04:08 AM -
-
Packard Bell EasyNote SB85 SB88 MINOS-GP2W Laptop Schematic...
-
Channel: Schematics and Boardviews
10-17-2024, 08:49 AM -
- Loading...
- No more items.
Comment