Acer Predator PH317-51-58Y2 dead

Collapse
X
 
  • Time
  • Show
Clear All
new posts
  • luckydip
    Senior Member
    • Aug 2016
    • 165
    • uk

    #1

    Acer Predator PH317-51-58Y2 dead

    working on this machine - dead but has 5v and signals on the EC. There is no +3VALWP - no 3V_EN - the bios/EC area are fluxed. Looking at the keyboard connector, the pitch looks off and the flat cable fits very loose. What do you guys think?
    Attached Files
  • mcplslg123
    Badcaps Legend
    • Jun 2015
    • 7262
    • india

    #2
    Re: Acer Predator PH317-51-58Y2 dead

    It seems the kbd connector lock is missing. U can try by cutting some extra tape(remove from bad kbd)

    Comment

    • mcplslg123
      Badcaps Legend
      • Jun 2015
      • 7262
      • india

      #3
      Re: Acer Predator PH317-51-58Y2 dead

      Check by shorting the power on key on kbd connector to gnd. Normally only 1 pin on kbd connector will be gnd and the next pin is the power on key

      Comment

      • luckydip
        Senior Member
        • Aug 2016
        • 165
        • uk

        #4
        Re: Acer Predator PH317-51-58Y2 dead

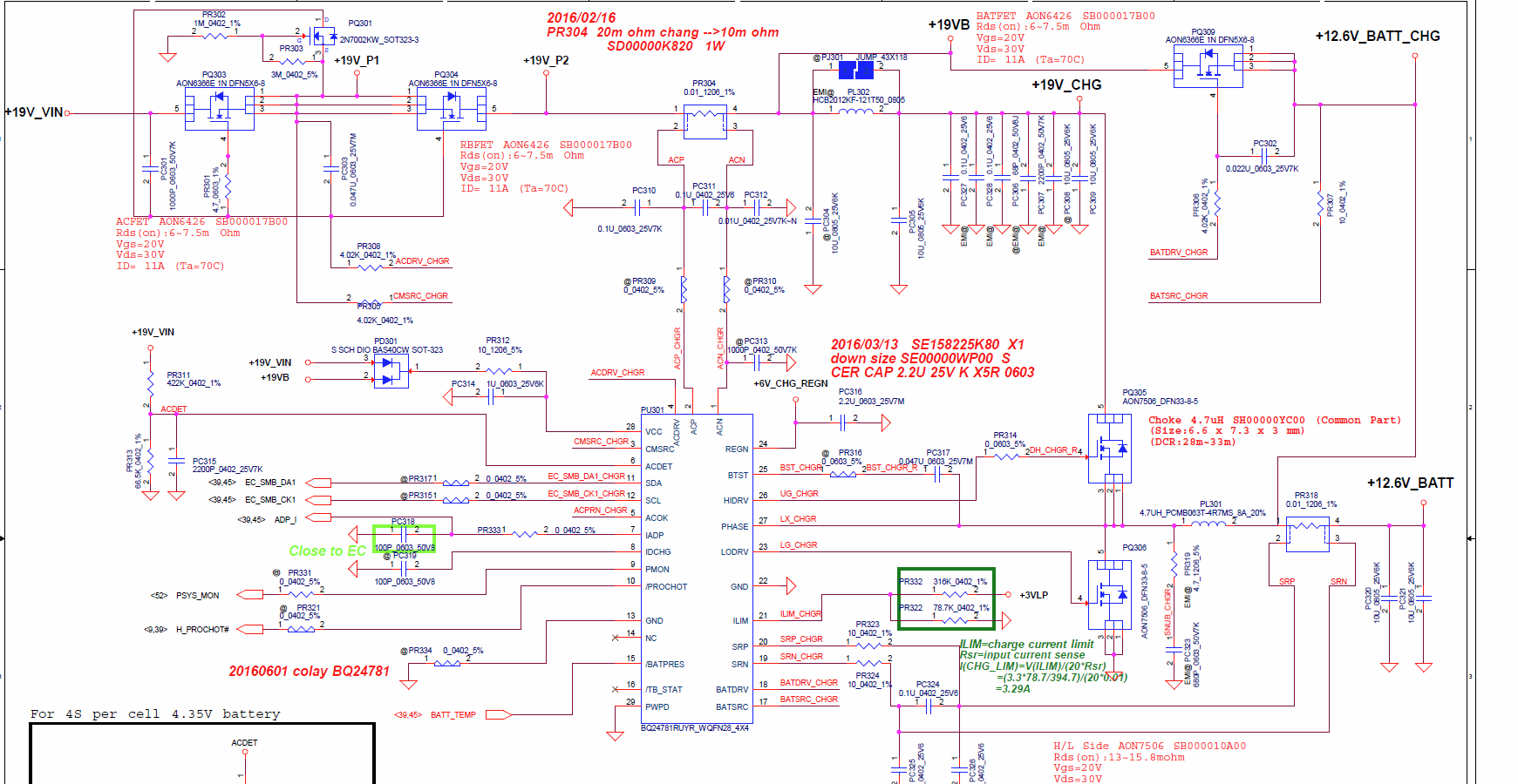
        I tried that but got nothing. So I removed RB14, RB15 and DB1 (then bridged). I've now got +3VALWP but doesn't switch on. I then looked at PU301, all voltages seem ok apart from:

        pin 10 /PROCHOT 0v

        pin 26 HIDRV 200mv

        pin 27 PHASE 200mv

        Is it time to change PU301?
        Attached Files

        Comment

        Related Topics

        Collapse

        Working...