Display problem LA-7902P

Collapse
X
 
  • Time
  • Show
Clear All
new posts
  • A1yn88
    Senior Member
    • Mar 2014
    • 111
    • Romania

    #1

    Display problem LA-7902P

    Hello.
    I have a problem with a LA-7902P motherboard. It does not display anything on the internal display, only on the external display via HDMI. I reballed to PCH because I miss ENVDD_PCH, the same result.
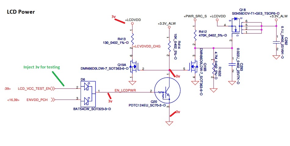
    Can anyone tell me what volts I should have on LCD_VCC_TEST_EN and ENVDD_PHC to know when it works properly and if ENVDD_PHC is missing should the chip be changed?

    Thank you.
    Attached Files
  • Shrimp_Green
    New Member
    • Sep 2018
    • 8
    • Brasil

    #2
    Re: Display problem LA-7902P

    Hello, greetings from Brazil.

    The ENVDD_PHC signal must be 3v.

    The LCD_VCC_TEST_EN signal is for you to inject 3v (to diagnose the defect).
    I'll leave a picture of the correct voltage:

    Attached Files
    Last edited by SMDFlea; 07-31-2020, 02:49 AM.

    Comment

    Related Topics

    Collapse

    Working...