Toshiba satellite L850D not powering up at all!

Collapse
X
 
  • Time
  • Show
Clear All
new posts
  • phoenix_2005
    New Member
    • Oct 2019
    • 5
    • australia

    #1

    Toshiba satellite L850D not powering up at all!

    hi im trying to find a solution to my laptop crisis. The laptop is a Toshiba satellite L850D and it does not power on at all, i have done some investigation and have discovered that a ceramic cap has shorted where the power input is located....i have included a pic of the area of the main board where the issue is and i have removed the suspect component
    Attached Files
  • phoenix_2005
    New Member
    • Oct 2019
    • 5
    • australia

    #2
    Re: Toshiba satellite L850D not powering up at all!

    All i need to know now is the actual value of the part that i have removed as it does not have any markings on the component or does it have any indication of its value on the mainboard, i have posted a pic of the part in question
    Attached Files
    Last edited by phoenix_2005; 10-03-2019, 12:03 AM.

    Comment

    • Techtiger
      Badcaps Legend
      • Oct 2014
      • 1602
      • france

      #3
      Re: Toshiba satellite L850D not powering up at all!

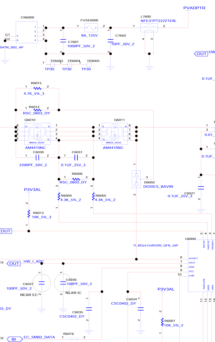
      Most probably you have removed the inductor coil first check whether the first 2 Fets voltage Gate & Drain Voltage, Drain must be +19V , CLR R6000 must be+19V,you can narrow down your search for this pic
      Attached Files
      Last edited by Techtiger; 10-03-2019, 12:45 AM.

      Comment

      • mcplslg123
        Badcaps Legend
        • Jun 2015
        • 7262
        • india

        #4
        Re: Toshiba satellite L850D not powering up at all!

        yeh the signage on the mobo indicates its a inductor coil-so will show continuity in diode mode. Put it back and follow techtiger's advice.

        Comment

        Related Topics

        Collapse

        • Document Archive
          Toshiba Satellite Pro Satellite Pro A40-C-1P5 Notebook Specification for Upgrade or Repair
          by Document Archive
          This specification for the Toshiba Satellite Pro Satellite Pro A40-C-1P5 Notebook can be useful for upgrading or repairing a laptop that is not working. As a community we are working through our specifications to add valuable data like the Satellite Pro A40-C-1P5 boardview and Satellite Pro A40-C-1P5 schematic. Our users have donated over 1 million documents which are being added to the site. This page will be updated soon with additional information. Alternatively you can request additional help from our users directly on the relevant badcaps forum. Please note that we offer no warranties that...
          09-06-2024, 06:10 AM
        • Document Archive
          Toshiba Satellite Pro Satellite Pro R50-C-17C Notebook Specification for Upgrade or Repair
          by Document Archive
          This specification for the Toshiba Satellite Pro Satellite Pro R50-C-17C Notebook can be useful for upgrading or repairing a laptop that is not working. As a community we are working through our specifications to add valuable data like the Satellite Pro R50-C-17C boardview and Satellite Pro R50-C-17C schematic. Our users have donated over 1 million documents which are being added to the site. This page will be updated soon with additional information. Alternatively you can request additional help from our users directly on the relevant badcaps forum. Please note that we offer no warranties that...
          09-06-2024, 05:40 AM
        • Document Archive
          Toshiba Satellite Pro Satellite Pro R50-C-17C Notebook Specification for Upgrade or Repair
          by Document Archive
          This specification for the Toshiba Satellite Pro Satellite Pro R50-C-17C Notebook can be useful for upgrading or repairing a laptop that is not working. As a community we are working through our specifications to add valuable data like the Satellite Pro R50-C-17C boardview and Satellite Pro R50-C-17C schematic. Our users have donated over 1 million documents which are being added to the site. This page will be updated soon with additional information. Alternatively you can request additional help from our users directly on the relevant badcaps forum. Please note that we offer no warranties that...
          09-06-2024, 05:40 AM
        • Document Archive
          Toshiba Satellite Pro C660-1NQ Specification for Upgrade or Repair
          by Document Archive
          This specification for the Toshiba Satellite Pro C660-1NQ can be useful for upgrading or repairing a laptop that is not working. As a community we are working through our specifications to add valuable data like the C660-1NQ boardview and C660-1NQ schematic. Our users have donated over 1 million documents which are being added to the site. This page will be updated soon with additional information. Alternatively you can request additional help from our users directly on the relevant badcaps forum. Please note that we offer no warranties that any specification, datasheet, or download for Toshiba...
          09-06-2024, 05:27 AM
        • Document Archive
          Toshiba Satellite Satellite P50t-C-111 Notebook Specification for Upgrade or Repair
          by Document Archive
          This specification for the Toshiba Satellite Satellite P50t-C-111 Notebook can be useful for upgrading or repairing a laptop that is not working. As a community we are working through our specifications to add valuable data like the Satellite P50t-C-111 boardview and Satellite P50t-C-111 schematic. Our users have donated over 1 million documents which are being added to the site. This page will be updated soon with additional information. Alternatively you can request additional help from our users directly on the relevant badcaps forum. Please note that we offer no warranties that any specification,...
          09-06-2024, 08:10 PM
        • Loading...
        • No more items.
        Working...