AOD260 no display please help

Collapse
X
 
  • Time
  • Show
Clear All
new posts
  • sasser
    Badcaps Veteran
    • Dec 2012
    • 365
    • Malaysia

    #1

    AOD260 no display please help

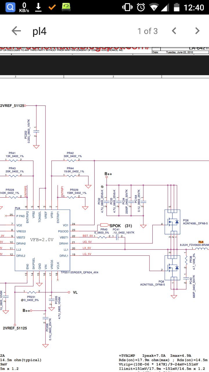
    Hye i got one acer aspire d260 board no LA-6222p. Can on but no display. I have 3.3v and 5v when pressed power button. Without press power button only 3v presented.

    Already flash bios downloaded from acer website file .fd

    Ampere below normal only 0.35v. Im reflow also intel NM10 but still no luck

    Refer to picture im focus on PU4 pin no 2 no 5v and PL4 no 5v .
    Attached Files
  • polytek
    Badcaps Veteran
    • Dec 2013
    • 496
    • TUNISIA

    #2
    Re: AOD260 no display please help

    try to flash with a good dump;
    http://1bios.ru/bios/notebook/acer/aspire-one

    Comment

    Related Topics

    Collapse

    Working...