Vostro 3401 strange problem charge

Collapse
X
 
  • Time
  • Show
Clear All
new posts
  • the Benninger
    Senior Member
    • Nov 2022
    • 189
    • venezulan

    #1

    Vostro 3401 strange problem charge

    if you start the computer with the charger plugged in it charges without problems and everything works as it should
    once started, if you happen to disconnect the charger and reconnect it, it stops charging and feeding the computer; it only works with the battery's charge.
    This also happens when it is turned off. Do you have any idea where to start looking for this fault? I have already checked the power jack, the cable, and the charger,
    but the problem persists.
    Dell Vostro 3401
    ModelREG P132G
    MoBo:FDI55 LA-J081p Rev 1.0
  • mon2
    Badcaps Legend
    • Dec 2019
    • 14727
    • Canada

    #2
    Review what the BIOS reports for the power adapter for both cases.

    Comment

    • the Benninger
      Senior Member
      • Nov 2022
      • 189
      • venezulan

      #3
      I casually use my charger, it's the same machine I use for work, and both chargers are original 65W. This malfunction is really crazy; I've never seen anything like it.
      Attached Files

      if you find these attachements useful please consider making a small donation to the site

      Comment

      • the Benninger
        Senior Member
        • Nov 2022
        • 189
        • venezulan

        #4
        I am currently using the client's charger on my laptop and it works normally.

        Comment

        • mon2
          Badcaps Legend
          • Dec 2019
          • 14727
          • Canada

          #5
          So both chargers you own fail like the video? The client's charger works with the same laptop even if you unplug & plug? Can you clarify?

          Comment

          • the Benninger
            Senior Member
            • Nov 2022
            • 189
            • venezulan

            #6
            same thing, going to need the laboardview of this machine and all the information I can get. I'm afraid it's one of those elusive failures that break head. I'm already starting to take values to see where this takes me.
            Attached Files

            if you find these attachements useful please consider making a small donation to the site

            Comment

            • mon2
              Badcaps Legend
              • Dec 2019
              • 14727
              • Canada

              #7
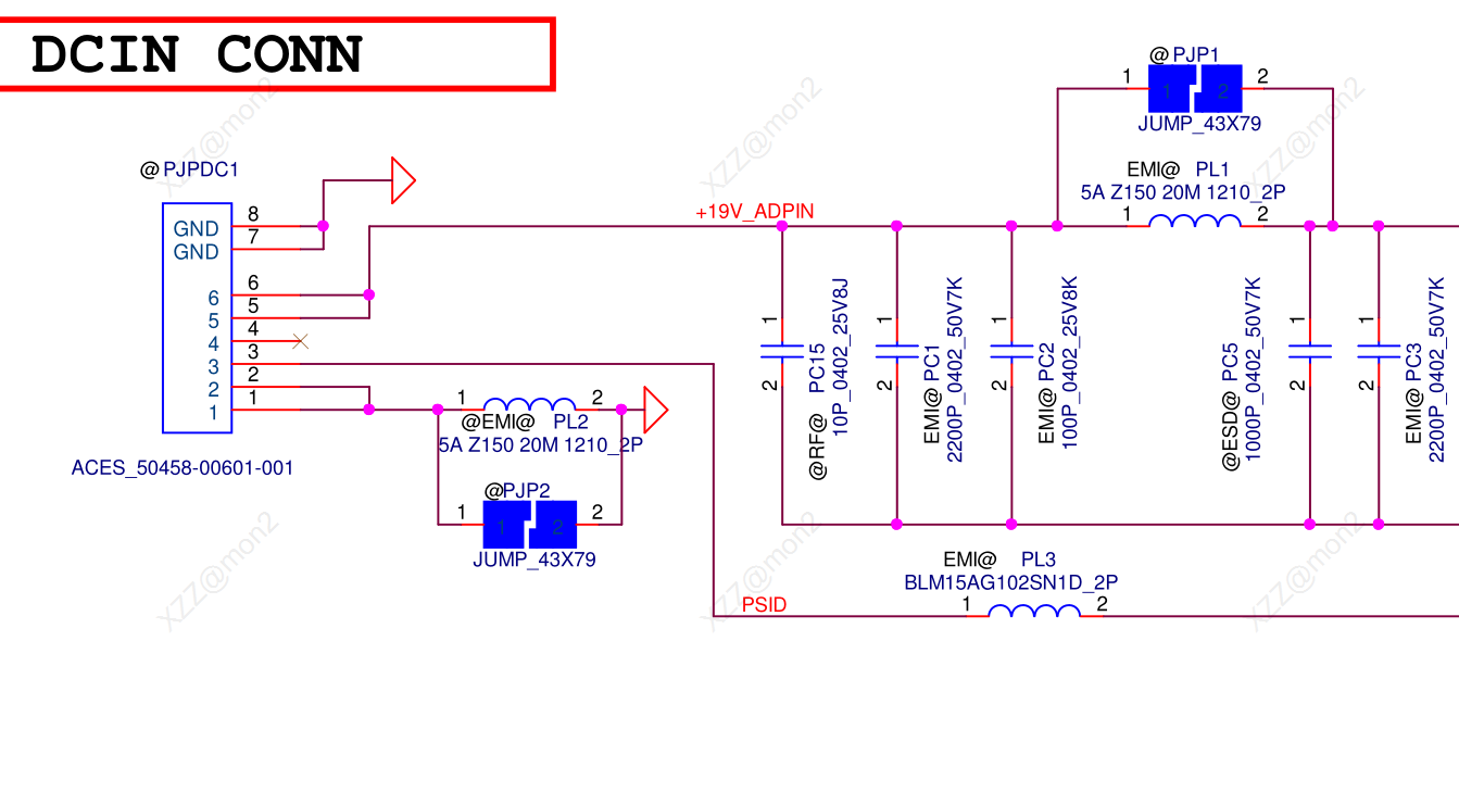
              Remove all power. Meter in resistance mode. Measure the resistance to ground of the PSID (power supply ID pin) on the DCin connector. You can also measure @ PL3 to ground.

              What is the resistance? We are testing if the TVS diode is defective that is used to suppress transients on this communication line.

              Click image for larger version

Name:	DCin.png
Views:	158
Size:	111.9 KB
ID:	3646035

              Comment

              • the Benninger
                Senior Member
                • Nov 2022
                • 189
                • venezulan

                #8
                okay PSID to GND = 115k
                on PL301 =2050k

                Comment

                • the Benninger
                  Senior Member
                  • Nov 2022
                  • 189
                  • venezulan

                  #9
                  I try to enlarge the image you show
                  me and it gets blurry, it's not possible to zoom in.

                  Comment

                  • the Benninger
                    Senior Member
                    • Nov 2022
                    • 189
                    • venezulan

                    #10
                    Connecting the multimeter cables gives a different reading on the two components you requested, which are as follows

                    PSID to GND = 68k
                    PL301 to GND = 5000k

                    Comment

                    • mon2
                      Badcaps Legend
                      • Dec 2019
                      • 14727
                      • Canada

                      #11
                      Measure the resistance from the PSID pin of the DCin connector to each side of PL301. This must be ~0 ohms. If it is not, you are not on PL301 or PL301 is defective.

                      If you are confident that you are measuring on PL301, then use a piece of wire to bridge and bypass PL301. Then test the resistance again and it should be ~0 ohms. Then test your adapter again.

                      Comment

                      • the Benninger
                        Senior Member
                        • Nov 2022
                        • 189
                        • venezulan

                        #12
                        PSID pin on DC in conector to each side of PL301 (RIGHT SIDE124k) (left side 124k)

                        PL301 its two terminals 0.2hom
                        Attached Files

                        if you find these attachements useful please consider making a small donation to the site

                        Comment

                        • the Benninger
                          Senior Member
                          • Nov 2022
                          • 189
                          • venezulan

                          #13
                          I made the bridge as you indicated, and at the moment of connecting the charger, I knew something went wrong.

                          I heard a spark sound and smoke came out of the component above PL301; if I'm not mistaken, it's PU301. I removed the bridge, and now this component overheats, and the computer doesn't turn on now. As we say in my country, we've messed up.
                          Attached Files

                          if you find these attachements useful please consider making a small donation to the site

                          Comment

                          • the Benninger
                            Senior Member
                            • Nov 2022
                            • 189
                            • venezulan

                            #14
                            For today, we will leave it here.tomorrow we will see what we can resolve.

                            Comment

                            • mon2
                              Badcaps Legend
                              • Dec 2019
                              • 14727
                              • Canada

                              #15
                              My very bad. Yes, PL301 is linked to PU301. PL3 is linked to this PSID. Would you have access to SY8286BRAC? If not, Aliexpress or a donor board.

                              https://articulo.mercadolibre.com.ve...wv5-qfn-20-_JM
                              Last edited by mon2; 05-26-2025, 03:09 PM.

                              Comment

                              • the Benninger
                                Senior Member
                                • Nov 2022
                                • 189
                                • venezulan

                                #16
                                There is no problem, it was a small misunderstanding, I am not blaming you, do not perceive bad intentions in what you have said, I am more interested in successfully concluding the repair, life is full of stumbling blocks, the important thing is to go through them and learn.
                                to those that bind us, it will be enough to replace the PU301, I also cannot locate the PL3 on the board, there is no such signaling on mobo
                                I am already buying the component Sy8286brac (Qfn20)
                                I would arrive between Thursday and Friday of this week, and I clarify one thing: I am from Venezuela with Spanish roots, currently living in Sao Paulo, Brazil.
                                Let's move forward, nothing has happened. I'm going to check in the scratch to see if I have any compatible ones i will let you know anything

                                Comment

                                • mon2
                                  Badcaps Legend
                                  • Dec 2019
                                  • 14727
                                  • Canada

                                  #17
                                  Thanks. Yes, do replace the defunct PU301. The part is very inexpensive in Asia (lcsc.com is showing only 1 pc @ $0.50 USD + shipping). I believe the same part should be available local to you in Brazil. There is active electronics manufacturing in Sao Paulo.

                                  Can you post clear pics of the power adapter connector from your board? The PL3 should be nearby. This ferrite bead will be in series with the PSID communication line. On the same line will be the TVS diode and then the OVP (over voltage protection) mosfet that triggers if there is too high of a voltage on the communication line. Since the adapter cannot be detected, suspecting the fault is in the PSID line.

                                  Comment

                                  • the Benninger
                                    Senior Member
                                    • Nov 2022
                                    • 189
                                    • venezulan

                                    #18
                                    some information add
                                    Attached Files

                                    if you find these attachements useful please consider making a small donation to the site

                                    Comment

                                    • mon2
                                      Badcaps Legend
                                      • Dec 2019
                                      • 14727
                                      • Canada

                                      #19
                                      Bad boy PL3 is in the attached location.

                                      Click image for larger version

Name:	PL3.png
Views:	142
Size:	1.10 MB
ID:	3646769

                                      Attached is the pinout of PQ1 N-channel mosfet.

                                      Remove all power. Meter in resistance mode.

                                      Measure the resistance between

                                      source / drain
                                      source / gate
                                      gate / drain


                                      Post each measurement. We are testing if this mosfet is defective or not.

                                      Click image for larger version

Name:	PQ1.png
Views:	141
Size:	152.6 KB
ID:	3646770

                                      Comment

                                      • mon2
                                        Badcaps Legend
                                        • Dec 2019
                                        • 14727
                                        • Canada

                                        #20
                                        Another common point of failure is the series resistor @ PR1 = 33R ohms (normal). Often this resistor will be much higher in resistance and raises issues such as yours.

                                        With no power to the board, measure the resistance across PR1 resistor.

                                        Click image for larger version

Name:	PR1.png
Views:	139
Size:	1.11 MB
ID:	3646779

                                        Comment

                                        Related Topics

                                        Collapse

                                        • Document Archive
                                          DELL Vostro 3401 Notebook 3000 Specification for Upgrade or Repair
                                          by Document Archive
                                          This specification for the DELL Vostro 3401 Notebook can be useful for upgrading or repairing a laptop that is not working. As a community we are working through our specifications to add valuable data like the 3401 boardview and 3401 schematic. Our users have donated over 1 million documents which are being added to the site. This page will be updated soon with additional information. Alternatively you can request additional help from our users directly on the relevant badcaps forum. Please note that we offer no warranties that any specification, datasheet, or download for DELL Vostro 3401 Notebook...
                                          09-07-2024, 12:40 AM
                                        • Document Archive
                                          DELL Vostro 3401 Notebook 3000 Specification for Upgrade or Repair
                                          by Document Archive
                                          This specification for the DELL Vostro 3401 Notebook can be useful for upgrading or repairing a laptop that is not working. As a community we are working through our specifications to add valuable data like the 3401 boardview and 3401 schematic. Our users have donated over 1 million documents which are being added to the site. This page will be updated soon with additional information. Alternatively you can request additional help from our users directly on the relevant badcaps forum. Please note that we offer no warranties that any specification, datasheet, or download for DELL Vostro 3401 Notebook...
                                          09-07-2024, 12:40 AM
                                        • Document Archive
                                          DELL Vostro 3401 Notebook 3000 Specification for Upgrade or Repair
                                          by Document Archive
                                          This specification for the DELL Vostro 3401 Notebook can be useful for upgrading or repairing a laptop that is not working. As a community we are working through our specifications to add valuable data like the 3401 boardview and 3401 schematic. Our users have donated over 1 million documents which are being added to the site. This page will be updated soon with additional information. Alternatively you can request additional help from our users directly on the relevant badcaps forum. Please note that we offer no warranties that any specification, datasheet, or download for DELL Vostro 3401 Notebook...
                                          09-07-2024, 12:40 AM
                                        • Document Archive
                                          DELL Vostro 3401 Notebook 3000 Specification for Upgrade or Repair
                                          by Document Archive
                                          This specification for the DELL Vostro 3401 Notebook can be useful for upgrading or repairing a laptop that is not working. As a community we are working through our specifications to add valuable data like the 3401 boardview and 3401 schematic. Our users have donated over 1 million documents which are being added to the site. This page will be updated soon with additional information. Alternatively you can request additional help from our users directly on the relevant badcaps forum. Please note that we offer no warranties that any specification, datasheet, or download for DELL Vostro 3401 Notebook...
                                          09-07-2024, 12:10 AM
                                        • Document Archive
                                          DELL Vostro 3401 Notebook 3000 Specification for Upgrade or Repair
                                          by Document Archive
                                          This specification for the DELL Vostro 3401 Notebook can be useful for upgrading or repairing a laptop that is not working. As a community we are working through our specifications to add valuable data like the 3401 boardview and 3401 schematic. Our users have donated over 1 million documents which are being added to the site. This page will be updated soon with additional information. Alternatively you can request additional help from our users directly on the relevant badcaps forum. Please note that we offer no warranties that any specification, datasheet, or download for DELL Vostro 3401 Notebook...
                                          09-06-2024, 09:30 PM
                                        • Loading...
                                        • No more items.
                                        Working...