Acer Nitro 5 AN515-57-51G6, GH51GLA-L181P

Collapse
X
 
  • Time
  • Show
Clear All
new posts
  • nhe quan
    Member
    • Apr 2025
    • 35
    • Vietnam

    #1

    Acer Nitro 5 AN515-57-51G6, GH51GLA-L181P

    Hi
    i using Acer Nitro 5 AN515-57-51G6 and my laptop geting like below
    so when i plug battery or power cable ( not press power button) in this componet ( mainboard name UT4 ) getting hot.

    what should i do to diagnose the condition ?



    Click image for larger version

Name:	image.png
Views:	139
Size:	602.9 KB
ID:	3613984


    Click image for larger version

Name:	image.png
Views:	646
Size:	188.6 KB
ID:	3613983
  • nhe quan
    Member
    • Apr 2025
    • 35
    • Vietnam

    #2
    *Update: the UT4 componet is JHL8040R ic

    Comment

    • mon2
      Badcaps Legend
      • Dec 2019
      • 14659
      • Canada

      #3
      Hot or warm? Are you able to measure the temp of this part?

      Comment

      • nhe quan
        Member
        • Apr 2025
        • 35
        • Vietnam

        #4
        i not have a tool for measure temp but i think it warm and the place aroud are warm too. the temp can be detect by touch ( when plug battery only, not press power)
        however when flip the mainboard and the IC UVH! make hot. Measure the cap CVH14: short when i plug batteryClick image for larger version

Name:	image.png
Views:	139
Size:	111.8 KB
ID:	3614472

        Comment

        • nhe quan
          Member
          • Apr 2025
          • 35
          • Vietnam

          #5
          oh sorry but my laptop faulty when my PORT3 plug USB TTL 5V pin and touch with the 12V DC module.

          Comment

          • mon2
            Badcaps Legend
            • Dec 2019
            • 14659
            • Canada

            #6
            Whatever you are suspecting to be the hot component, you can confirm by checking the part in diode mode.

            Remove all power / no battery either.

            Meter in diode mode. Red meter lead, yes red to ground. Black meter lead to the pin to test. Test each part you are suspecting is heating up. Each measurement will be a voltage. If the voltage is very low, then the part is likely to be shorted and is considered to be defective. No power to the board while testing in diode mode.

            Post any value that is low from this process.

            Comment

            • nhe quan
              Member
              • Apr 2025
              • 35
              • Vietnam

              #7
              many thank about that i try again and when set a diode mode (2000)
              UVH1 and CVH14 pin is aroud 400 but CT87 and CT86 cap around 72, UT4 around 600
              ,Click image for larger version

Name:	image.png
Views:	115
Size:	274.9 KB
ID:	3614520
              Click image for larger version

Name:	image.png
Views:	143
Size:	151.2 KB
ID:	3614519

              Comment

              • nhe quan
                Member
                • Apr 2025
                • 35
                • Vietnam

                #8
                i plug power and measure the UVH1 pin 1 and CVH14 pin 1 it 0v
                Click image for larger version

Name:	image.png
Views:	137
Size:	268.7 KB
ID:	3614534

                Comment

                • mon2
                  Badcaps Legend
                  • Dec 2019
                  • 14659
                  • Canada

                  #9
                  CVH14 is +1.2V_HDMI.

                  +1.2V_HDMI rail is an output from LDO @ UVH2.

                  Confirm the VDD voltage which should be +5VALW.

                  Also VIN voltage which should be +3VS.

                  Click image for larger version

Name:	UVH2.png
Views:	157
Size:	86.9 KB
ID:	3614546

                  Comment

                  • nhe quan
                    Member
                    • Apr 2025
                    • 35
                    • Vietnam

                    #10
                    Thanks you very much

                    Confirm the VDD voltage which should be +5VALW. > plug AC in and measure VDD is 5V​

                    Also VIN voltage which should be +3VS. > plug AC in and measure 0V, measure in CVH16 too is 0V

                    Comment

                    • nhe quan
                      Member
                      • Apr 2025
                      • 35
                      • Vietnam

                      #11
                      +3VS is 0V => it relate to UQ1, I measure VOUT1 and VOUT2 and it 0V too , not sure but VIN2 ( +3VALW): 0V, VIN1(+5VALW) : 5V
                      Click image for larger version  Name:	image.png Views:	0 Size:	136.9 KB ID:	3614571
                      Attached Files

                      Comment

                      • nhe quan
                        Member
                        • Apr 2025
                        • 35
                        • Vietnam

                        #12
                        Update*

                        i measure PUV1 pin 5 VCC when plug AC and it show 0v, check PCV137,138,272 has being shorted.

                        Comment

                        • nhe quan
                          Member
                          • Apr 2025
                          • 35
                          • Vietnam

                          #13
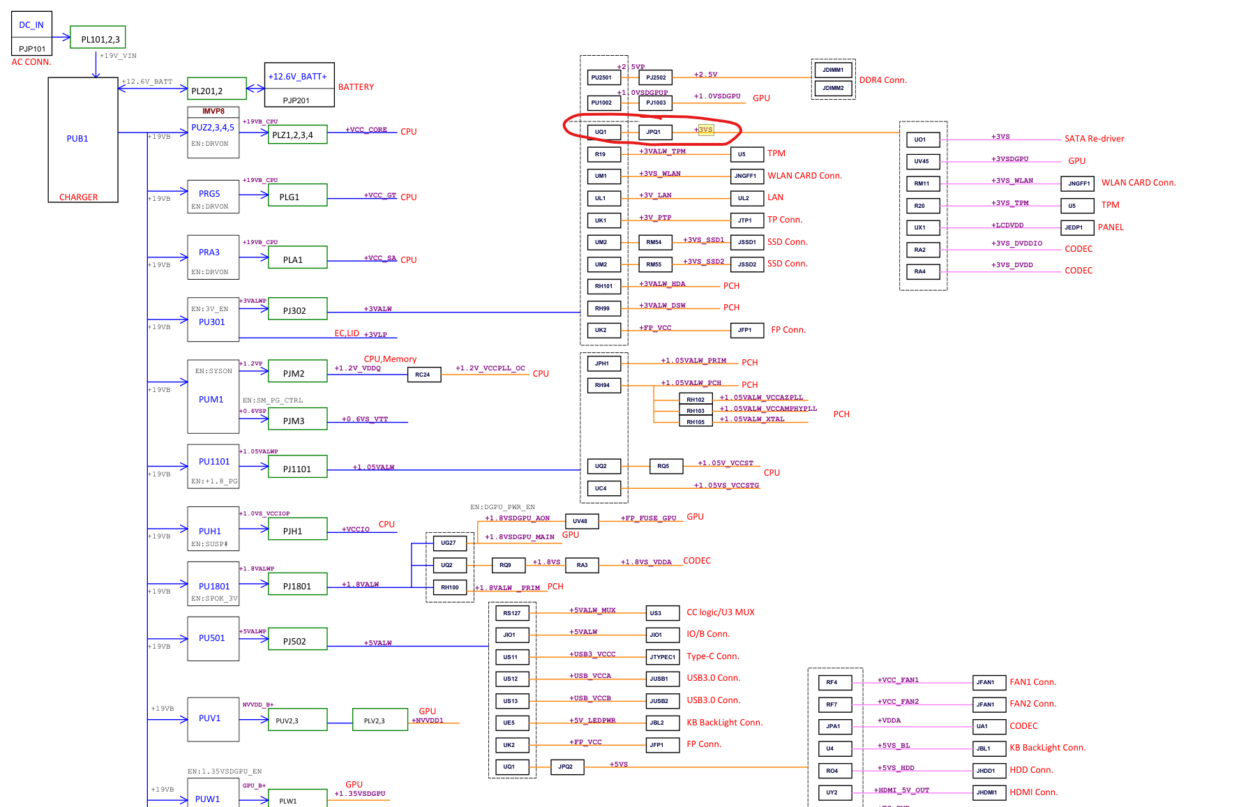
                          mon2 my condition relate to PU301 and should i remove that to check the 3VALW

                          Comment

                          • mon2
                            Badcaps Legend
                            • Dec 2019
                            • 14659
                            • Canada

                            #14
                            If you are missing +3VALW, check:

                            - the resistance to ground @ PL301 - if the resistance is too low then there is a shorted part on this rail
                            - confirm if you have the enable signal @ 3V_EN (pin 12) - this signal enables the +3VALWP rail = +3VALW
                            - confirm if you have the enable signal @ ENLDO_3V5V - this signal enables the LDO regulator inside of PU301 on pin # 17 = +3VLP

                            When checking resistance, remove all power & no battery.


                            Click image for larger version

Name:	PU301.png
Views:	156
Size:	151.8 KB
ID:	3615727

                            Comment

                            • nhe quan
                              Member
                              • Apr 2025
                              • 35
                              • Vietnam

                              #15
                              My result:
                              - the resistance to ground @ PL301: measure with 2000 and it so aroud 400
                              - confirm if you have the enable signal @ 3V_EN (pin 12) : 0v
                              - confirm if you have the enable signal @ ENLDO_3V5V : 3V

                              Comment

                              • mon2
                                Badcaps Legend
                                • Dec 2019
                                • 14659
                                • Canada

                                #16
                                3V_EN (pin 12) : 0v
                                Driven by the EC @ UB1. Confirm the VCC voltage of +3VLP_EC @ LB1. This voltage is required to power the EC so it can provide the 3V_EN signal to enable the voltage on PL301.

                                If the voltage on LB1 is missing, confirm the voltage to ground of +3VLP on pin 17 of PU301. This must be present since the ENLDO_3V5V : 3V = enable the LDO rails.

                                If the voltage on PU301 is missing, remove all power -> measure the resistance to ground on pin 17 of PU301. If there is a low resistance, then something is wrong. It is possible that PU301 is defective if pin 17 is without a stable voltage.

                                Resistance to ground of PL301 is ok and not a short.

                                Comment

                                • nhe quan
                                  Member
                                  • Apr 2025
                                  • 35
                                  • Vietnam

                                  #17
                                  confirm LB1 voltage is 3V
                                  and PU301 pin 17 resistance aroud 500

                                  Comment

                                  • nhe quan
                                    Member
                                    • Apr 2025
                                    • 35
                                    • Vietnam

                                    #18
                                    mon2 now we have
                                    PU301 pin12: 0V,
                                    UVH2: VIN = 0V

                                    what does this mean ? maybe UB1 relate ???

                                    when i plug AC or battery USB, USB type C port, HDMI port is warm up so that do you have any idea

                                    Comment

                                    • nhe quan
                                      Member
                                      • Apr 2025
                                      • 35
                                      • Vietnam

                                      #19
                                      i find the hot part in mainboard it is US12 and when i measure resitance of pin12 it shorted.

                                      Comment

                                      • mon2
                                        Badcaps Legend
                                        • Dec 2019
                                        • 14659
                                        • Canada

                                        #20
                                        Very good find US12 is a Silego USB based battery charger and definitely a good suspect. Flux and remove this part. Confirm that the short is removed and then test again without this part on the board.

                                        Click image for larger version

Name:	US12.png
Views:	134
Size:	100.5 KB
ID:	3616368

                                        Comment

                                        Related Topics

                                        Collapse

                                        Working...