DELL Latitude 5520 - charging only on one side of usb-c

Collapse
X
 
  • Time
  • Show
Clear All
new posts
  • JarzabekPZ
    Member
    • May 2023
    • 20
    • Poland

    #1

    DELL Latitude 5520 - charging only on one side of usb-c

    DELL Latitude 5520
    MB: South Peak 15 MB (DDR4)
    Charging only on one side of usb-c on both ports. I have replaced one of the ports but still the same. Checked for short, nothing is getting hot under thermovision. Usb meter is not coming on one side, on the other is coming on and showing 20V.
    Any sugesstions where to look for fault?
  • mon2
    Badcaps Legend
    • Dec 2019
    • 14836
    • Canada

    #2
    What is the silk screen marking on the motherboard? Is there a schematic available in the schematic forum?

    Suspects are the VBUS line if there is no power to the USB-C meter. Test for shorts here.

    Comment

    • JarzabekPZ
      Member
      • May 2023
      • 20
      • Poland

      #3
      SOUTH PEAK 15 MB
      213253-1
      2TWTT$LA

      Schematic and boardview are available.

      Do you mean these? No short.

      Click image for larger version

Name:	Zrzut ekranu 2025-04-04 171029.png
Views:	53
Size:	62.0 KB
ID:	3607799
      Click image for larger version

Name:	Zrzut ekranu 2025-04-04 171037.png
Views:	44
Size:	66.5 KB
ID:	3607800

      Comment

      • mon2
        Badcaps Legend
        • Dec 2019
        • 14836
        • Canada

        #4
        Attached.

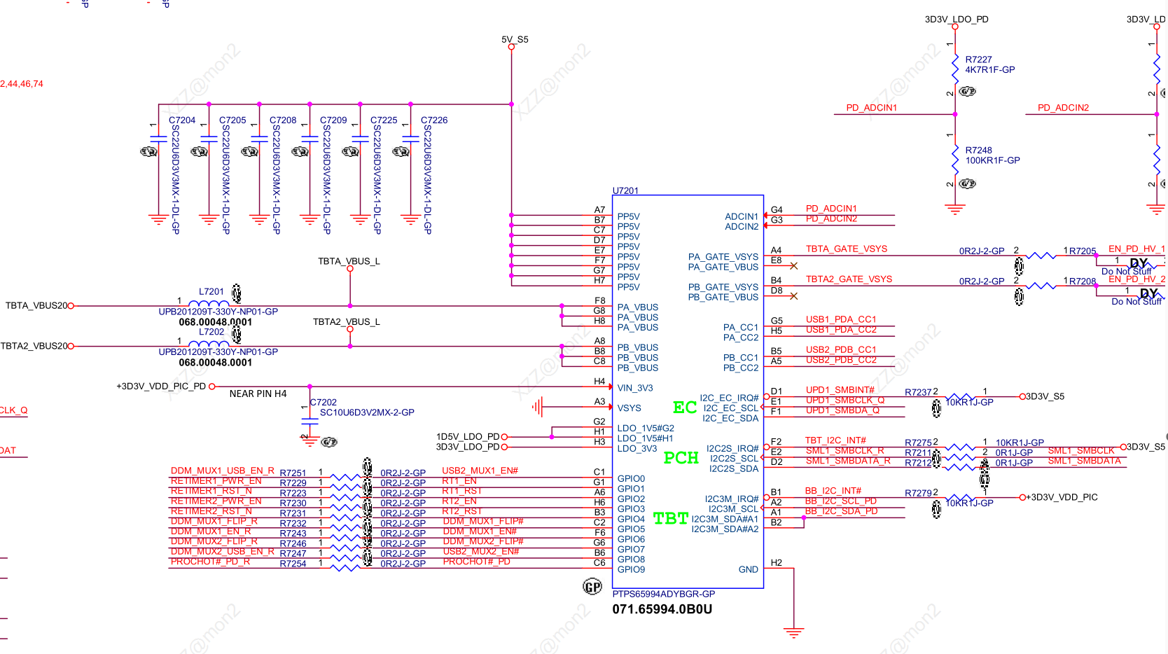
        Locate the 2 x ESD TVS diodes as copied below. Meter in DIODE mode. Remove all power.

        Red meter probe to ground, yes red. Black meter probe to the CCx pin that is being protected by the local ESD TVS diode. Post each measurement.

        What may have happened is that a transient has killed the local ESD TVS diode which is now shunted to ground and preventing the CCx pin from operating so you have only 50% of the USB-C connector working as expected. Flux and remove the ESD part that is showing a low value in diode mode because it is defective.

        Click image for larger version  Name:	ED7329.png Views:	0 Size:	241.5 KB ID:	3607830

        Click image for larger version  Name:	ed7323.png Views:	0 Size:	173.8 KB ID:	3607829

        Click image for larger version  Name:	ESD_TVS.png Views:	0 Size:	93.5 KB ID:	3607827




        Click image for larger versionName:	u7201.pngViews:	0Size:	319.6 KBID:	3607823
        Last edited by mon2; 04-04-2025, 09:37 AM.

        Comment

        • JarzabekPZ
          Member
          • May 2023
          • 20
          • Poland

          #5
          ED7329 no short.
          There is no ED7323 on my board.

          Comment

          • mon2
            Badcaps Legend
            • Dec 2019
            • 14836
            • Canada

            #6
            Post the measurements. Are these diodes linked to the USB-C connector that is not working?

            Comment

            • JarzabekPZ
              Member
              • May 2023
              • 20
              • Poland

              #7
              ED7329 - 0,548V. Both connectors works on only one side.
              ED7307, 7308, 7323 and 7329 have the same readings.
              Click image for larger version

Name:	Zrzut ekranu 2025-04-04 190943.png
Views:	42
Size:	32.0 KB
ID:	3607867

              Comment

              • mon2
                Badcaps Legend
                • Dec 2019
                • 14836
                • Canada

                #8
                So CCx pins are not shorted.

                Test the TBTA_VBUS20 for a possible short since the USB-C meter is not being powered. Even if the PD controller is dead, you must have the power on default voltage of 5v on VBUS pins of the connector (unless there is a short condition).

                Comment

                • JarzabekPZ
                  Member
                  • May 2023
                  • 20
                  • Poland

                  #9
                  No short on TBTA_VBUS20 and TBTA2_VBUS20. When I plug in power on the side where usb meter is not coming on, the voltage on VBUS20 is changing in loop from 0 to 1,1V.

                  Comment

                  • JarzabekPZ
                    Member
                    • May 2023
                    • 20
                    • Poland

                    #10
                    Originally posted by mon2
                    So CCx pins are not shorted.

                    Test the TBTA_VBUS20 for a possible short since the USB-C meter is not being powered. Even if the PD controller is dead, you must have the power on default voltage of 5v on VBUS pins of the connector (unless there is a short condition).
                    Any other ideas?

                    Comment

                    • mon2
                      Badcaps Legend
                      • Dec 2019
                      • 14836
                      • Canada

                      #11
                      Measure the resistance to ground of each pin on the connector side that is failing to operate. Compare the measurements to the side that is working.

                      Comment

                      • Cooped_Up
                        New Member
                        • Oct 2019
                        • 5
                        • United States

                        #12
                        I had an issue with the charger where one didnt turn on my power meter and the other port only got to 5v. the laptop is still broken but replacing the PD controller fixed my issue allowing the both ports to charge regularly.

                        Comment

                        Related Topics

                        Collapse

                        • Document Archive
                          DELL Latitude 5520 Notebook 5000 Specification for Upgrade or Repair
                          by Document Archive
                          This specification for the DELL Latitude 5520 Notebook can be useful for upgrading or repairing a laptop that is not working. As a community we are working through our specifications to add valuable data like the 5520 boardview and 5520 schematic. Our users have donated over 1 million documents which are being added to the site. This page will be updated soon with additional information. Alternatively you can request additional help from our users directly on the relevant badcaps forum. Please note that we offer no warranties that any specification, datasheet, or download for DELL Latitude 5520...
                          09-07-2024, 06:38 AM
                        • Document Archive
                          DELL Latitude 5520 Notebook 5000 Specification for Upgrade or Repair
                          by Document Archive
                          This specification for the DELL Latitude 5520 Notebook can be useful for upgrading or repairing a laptop that is not working. As a community we are working through our specifications to add valuable data like the 5520 boardview and 5520 schematic. Our users have donated over 1 million documents which are being added to the site. This page will be updated soon with additional information. Alternatively you can request additional help from our users directly on the relevant badcaps forum. Please note that we offer no warranties that any specification, datasheet, or download for DELL Latitude 5520...
                          09-07-2024, 06:31 AM
                        • Document Archive
                          DELL Latitude 5520 Notebook 5000 Specification for Upgrade or Repair
                          by Document Archive
                          This specification for the DELL Latitude 5520 Notebook can be useful for upgrading or repairing a laptop that is not working. As a community we are working through our specifications to add valuable data like the 5520 boardview and 5520 schematic. Our users have donated over 1 million documents which are being added to the site. This page will be updated soon with additional information. Alternatively you can request additional help from our users directly on the relevant badcaps forum. Please note that we offer no warranties that any specification, datasheet, or download for DELL Latitude 5520...
                          09-07-2024, 06:31 AM
                        • Document Archive
                          DELL Latitude 5520 Notebook 5000 Specification for Upgrade or Repair
                          by Document Archive
                          This specification for the DELL Latitude 5520 Notebook can be useful for upgrading or repairing a laptop that is not working. As a community we are working through our specifications to add valuable data like the 5520 boardview and 5520 schematic. Our users have donated over 1 million documents which are being added to the site. This page will be updated soon with additional information. Alternatively you can request additional help from our users directly on the relevant badcaps forum. Please note that we offer no warranties that any specification, datasheet, or download for DELL Latitude 5520...
                          09-07-2024, 03:40 AM
                        • Document Archive
                          DELL Latitude 5520 Notebook 5000 Specification for Upgrade or Repair
                          by Document Archive
                          This specification for the DELL Latitude 5520 Notebook can be useful for upgrading or repairing a laptop that is not working. As a community we are working through our specifications to add valuable data like the 5520 boardview and 5520 schematic. Our users have donated over 1 million documents which are being added to the site. This page will be updated soon with additional information. Alternatively you can request additional help from our users directly on the relevant badcaps forum. Please note that we offer no warranties that any specification, datasheet, or download for DELL Latitude 5520...
                          09-07-2024, 03:10 AM
                        • Loading...
                        • No more items.
                        Working...