Dell Latitude 5520 no power

Collapse
X
 
  • Time
  • Show
Clear All
new posts
  • vpower
    Senior Member
    • Sep 2022
    • 112
    • italy

    #1

    Dell Latitude 5520 no power

    I have this motherboard SouthPeak15 TGL MB 8L, no power and no charging light when connected to a working charger. I found the schematic and the boardview in this forum, the laptop is almost now and seems different from older models - charger is type C for example. Any hint? Thanks in advance.
    Attached Files
  • mcplslg123
    Badcaps Legend
    • Jun 2015
    • 7262
    • india

    #2
    No info,no measurements?20V reaches to CLR?
    If you have a usb-c meter,check whether it is stuck at 5V or not .

    Comment

    • vpower
      Senior Member
      • Sep 2022
      • 112
      • italy

      #3
      Originally posted by mcplslg123
      No info,no measurements?20V reaches to CLR?
      If you have a usb-c meter,check whether it is stuck at 5V or not .
      I bought a USB-C meter, no current - 0 ampere when connected to working charger.
      I'm having some troubles in finding the CLR resistor on the motherboard, can you help me with the attached boardview file? I could also attach the schematics if needed
      Thanks in advance

      Comment

      • SMDFlea
        Super Moderator
        • Jan 2018
        • 21841
        • UK

        #4
        Originally posted by vpower

        I bought a USB-C meter, no current - 0 ampere when connected to working charger.
        I'm having some troubles in finding the CLR resistor on the motherboard, can you help me with the attached boardview file? I could also attach the schematics if needed
        Thanks in advance
        Schematics and boardviews should be linked to and not posted in laptop troubleshooting threads

        https://www.badcaps.net/forum/troubl...his-section​
        All donations to badcaps are welcome, click on this link to donate. Thanks to all supporters

        Comment

        • mon2
          Badcaps Legend
          • Dec 2019
          • 14657
          • Canada

          #5
          What is the voltage on the usb C meter? Or is the meter dark?

          Rotate the USB C connector by 180 degrees and test again.

          Comment

          • vpower
            Senior Member
            • Sep 2022
            • 112
            • italy

            #6
            please check photos. rotating the connector or changing the port is the same.
            Attached Files

            Comment

            • vpower
              Senior Member
              • Sep 2022
              • 112
              • italy

              #7
              Originally posted by SMDFlea

              Schematics and boardviews should be linked to and not posted in laptop troubleshooting threads

              https://www.badcaps.net/forum/troubl...his-section​
              here I found schematics and boardview:
              https://www.badcaps.net/forum/troubl...19-1-schematic

              Comment

              • mon2
                Badcaps Legend
                • Dec 2019
                • 14657
                • Canada

                #8
                Next, test the other USB Type C port on the logic board. Same results?

                At 5v, this is the power on default from the external PD (power delivery) adapter. No current is being drawn so there is a fault in the power path from this external power source and the load = logic board.

                You can also power this unit with a standard barrel type power adapter - has that been tested?

                Click image for larger version

Name:	power_path.png
Views:	382
Size:	43.5 KB
ID:	3450337

                Comment

                • vpower
                  Senior Member
                  • Sep 2022
                  • 112
                  • italy

                  #9
                  same result on both type c ports. no standard barrel type power adaptor present - type c charger is the only way to charge the laptop

                  Comment

                  • mon2
                    Badcaps Legend
                    • Dec 2019
                    • 14657
                    • Canada

                    #10
                    Review the voltage to ground on each pin of the S4 and also the S5 mosfets that are in the power path from the Type C connector to the charger IC.

                    Interested in the source / gate / drain voltage measurements. Post each.

                    Comment

                    • vpower
                      Senior Member
                      • Sep 2022
                      • 112
                      • italy

                      #11
                      do you know the name of S4 or S5 MOSFET? the board is different from usual and I cannot find them in boardview diagram
                      edit: found thank you

                      Comment

                      • vpower
                        Senior Member
                        • Sep 2022
                        • 112
                        • italy

                        #12
                        Originally posted by mon2
                        Review the voltage to ground on each pin of the S4 and also the S5 mosfets that are in the power path from the Type C connector to the charger IC.

                        Interested in the source / gate / drain voltage measurements. Post each.
                        sorry, I cannot locate S4 and S5 mosfets on the board or in boardview. Can you help me? Sorry I'm a noob

                        Comment

                        • mon2
                          Badcaps Legend
                          • Dec 2019
                          • 14657
                          • Canada

                          #13
                          Share the topside markings of the attached devices. Or a clear pic to show the markings. These are most likely the PD (power delivery) controllers. One for each USB Type C port.

                          Click image for larger version

Name:	PD_controller.png
Views:	372
Size:	1.38 MB
ID:	3450476

                          Comment

                          • vpower
                            Senior Member
                            • Sep 2022
                            • 112
                            • italy

                            #14
                            Intel JHL8040R
                            Attached Files

                            Comment

                            • mon2
                              Badcaps Legend
                              • Dec 2019
                              • 14657
                              • Canada

                              #15
                              These are the TBT signal redrivers so not what we are after.

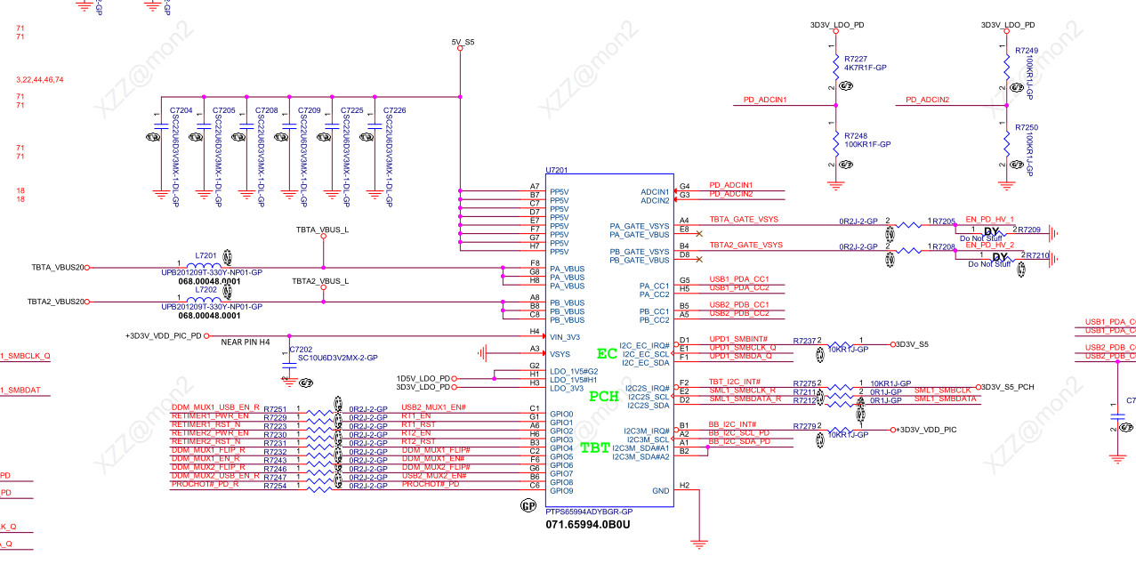
                              Search for Q7407 = 8 pin mosfet used in the power path if using USB Type C connector # 1. Interested in the voltage to ground on each pin of this mosfet when the power adapter is connected.

                              The PD controller is PTPS65994ADYBGR @ U7201. This part is responsible to select the 20V PD contract from the variable power supply you are using to power this logic board. If the power adapter is at 5v, then this PD controller is not negotiating the contracts properly.

                              Click image for larger version

Name:	PD_controller_bv2.png
Views:	383
Size:	101.1 KB
ID:	3451108

                              Click image for larger version  Name:	PD_controller_bv1.png Views:	0 Size:	161.0 KB ID:	3451107

                              Click image for larger version  Name:	Q7407_bv2.png Views:	0 Size:	116.5 KB ID:	3451105

                              Click image for larger version  Name:	Q7407_bv1.png Views:	0 Size:	120.5 KB ID:	3451103

                              Click image for larger version  Name:	Q7407.png Views:	0 Size:	104.3 KB ID:	3451100



                              Click image for larger version  Name:	PD_controller.png Views:	0 Size:	208.2 KB ID:	3451101
                              Last edited by mon2; 09-12-2024, 06:02 AM.

                              Comment

                              • vpower
                                Senior Member
                                • Sep 2022
                                • 112
                                • italy

                                #16
                                [QUOTE=mon2;n3451099]These are the TBT signal redrivers so not what we are after.

                                Search for Q7407 = 8 pin mosfet used in the power path if using USB Type C connector # 1. Interested in the voltage to ground on each pin of this mosfet when the power adapter is connected.

                                Q7407 with charger connected::
                                pin 1-2-3 5v
                                pin 4 0.45v
                                pin 5-6-7-8 5v

                                Comment

                                • mon2
                                  Badcaps Legend
                                  • Dec 2019
                                  • 14657
                                  • Canada

                                  #17
                                  Q7407 is working correctly. Confirm the same voltage to ground measurements on Q7408.

                                  Click image for larger version

Name:	Q7408.png
Views:	320
Size:	117.7 KB
ID:	3451148

                                  Comment

                                  • vpower
                                    Senior Member
                                    • Sep 2022
                                    • 112
                                    • italy

                                    #18
                                    Q7408
                                    pin 1-2-3 4,54v
                                    pin 4 4.19v
                                    pin 5-6-7-8 4.99v

                                    Comment

                                    • mon2
                                      Badcaps Legend
                                      • Dec 2019
                                      • 14657
                                      • Canada

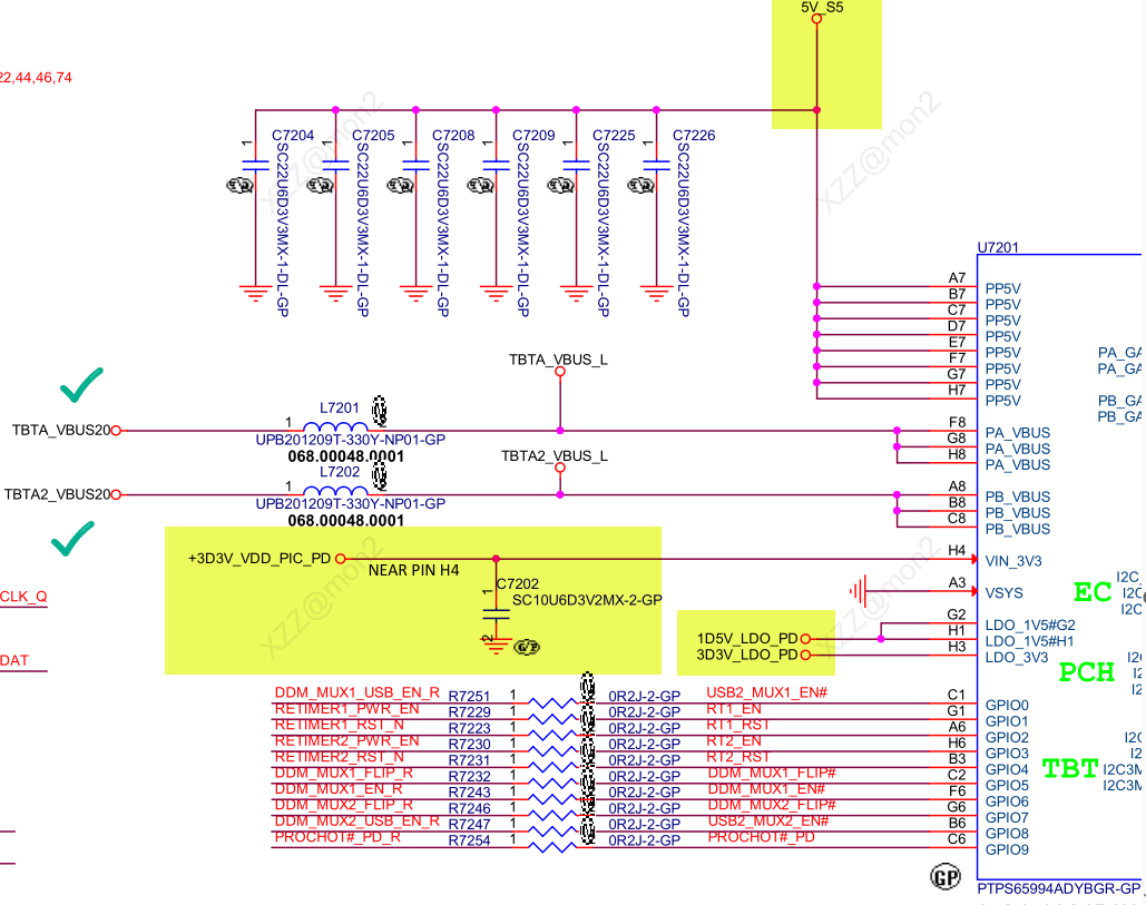
                                      #19
                                      The Texas Instruments PD controller (datasheet is available from their website) has a few power rails that must be present to power this controller. Only if the chip is properly powered + the firmware inside the flash rom @ U7202 is not corrupt will the 20V contract be negotiated. Otherwise, the default power up contract of 5V will be presented to the USB Type C connector.

                                      Check if each of the power rails on the PD controller are present. You can probe at the capacitors that are on each such rail.

                                      Check if the firmware rom has power @ pin # 8 = Vcc.

                                      The green checkmark = these are the PD supplied power rails from your adapter and they are OK. The yellow marked rails are of concern.

                                      Click image for larger version

Name:	firmware_rom.png
Views:	366
Size:	71.9 KB
ID:	3451164

                                      Click image for larger version

Name:	PD_controller_power_rails.png
Views:	406
Size:	188.5 KB
ID:	3451163

                                      Comment

                                      • vpower
                                        Senior Member
                                        • Sep 2022
                                        • 112
                                        • italy

                                        #20
                                        U7202 is factory empty, I checked all solder pins and 5-6 I have 3.42v. others 0v
                                        5v_s5 on c7226 is 0v
                                        3d3v on c7202 is 0v
                                        1d5v_LDO_PD on c7224 is 1.6v

                                        Comment

                                        Related Topics

                                        Collapse

                                        • Document Archive
                                          DELL Latitude 5520 Notebook 5000 Specification for Upgrade or Repair
                                          by Document Archive
                                          This specification for the DELL Latitude 5520 Notebook can be useful for upgrading or repairing a laptop that is not working. As a community we are working through our specifications to add valuable data like the 5520 boardview and 5520 schematic. Our users have donated over 1 million documents which are being added to the site. This page will be updated soon with additional information. Alternatively you can request additional help from our users directly on the relevant badcaps forum. Please note that we offer no warranties that any specification, datasheet, or download for DELL Latitude 5520...
                                          09-07-2024, 06:38 AM
                                        • Document Archive
                                          DELL Latitude 5520 Notebook 5000 Specification for Upgrade or Repair
                                          by Document Archive
                                          This specification for the DELL Latitude 5520 Notebook can be useful for upgrading or repairing a laptop that is not working. As a community we are working through our specifications to add valuable data like the 5520 boardview and 5520 schematic. Our users have donated over 1 million documents which are being added to the site. This page will be updated soon with additional information. Alternatively you can request additional help from our users directly on the relevant badcaps forum. Please note that we offer no warranties that any specification, datasheet, or download for DELL Latitude 5520...
                                          09-07-2024, 06:31 AM
                                        • Document Archive
                                          DELL Latitude 5520 Notebook 5000 Specification for Upgrade or Repair
                                          by Document Archive
                                          This specification for the DELL Latitude 5520 Notebook can be useful for upgrading or repairing a laptop that is not working. As a community we are working through our specifications to add valuable data like the 5520 boardview and 5520 schematic. Our users have donated over 1 million documents which are being added to the site. This page will be updated soon with additional information. Alternatively you can request additional help from our users directly on the relevant badcaps forum. Please note that we offer no warranties that any specification, datasheet, or download for DELL Latitude 5520...
                                          09-07-2024, 06:31 AM
                                        • Document Archive
                                          DELL Latitude 5520 Notebook 5000 Specification for Upgrade or Repair
                                          by Document Archive
                                          This specification for the DELL Latitude 5520 Notebook can be useful for upgrading or repairing a laptop that is not working. As a community we are working through our specifications to add valuable data like the 5520 boardview and 5520 schematic. Our users have donated over 1 million documents which are being added to the site. This page will be updated soon with additional information. Alternatively you can request additional help from our users directly on the relevant badcaps forum. Please note that we offer no warranties that any specification, datasheet, or download for DELL Latitude 5520...
                                          09-07-2024, 03:40 AM
                                        • Document Archive
                                          DELL Latitude 5520 Notebook 5000 Specification for Upgrade or Repair
                                          by Document Archive
                                          This specification for the DELL Latitude 5520 Notebook can be useful for upgrading or repairing a laptop that is not working. As a community we are working through our specifications to add valuable data like the 5520 boardview and 5520 schematic. Our users have donated over 1 million documents which are being added to the site. This page will be updated soon with additional information. Alternatively you can request additional help from our users directly on the relevant badcaps forum. Please note that we offer no warranties that any specification, datasheet, or download for DELL Latitude 5520...
                                          09-07-2024, 03:10 AM
                                        • Loading...
                                        • No more items.
                                        Working...