Acer nitro 5 N20C2 No charge

Collapse
X
 
  • Time
  • Show
Clear All
new posts
  • madjid911
    Badcaps Veteran
    • Dec 2016
    • 404
    • France

    #1

    Acer nitro 5 N20C2 No charge

    hello I have an acer nitro 5 model N20C2 (motherboard FH51M LA-J871P rev 1B) which does not charge, it turns on perfectly but when I plug in the battery, we see the charging indicator and the charged battery logo but it turns off a few seconds later, and there is no way to turn it back on, you must then disconnect the battery and the charger. If I turn it on without the battery it works fine.

    I changed BQ24781 but the result is the same, I put after BQ24800 the same, I then checked all the resistors and mosfets, everything is ok, I bought a new new battery but the result is the same PC does not turn on with battery connected

    here are my measurements :


    PRB7 AND PRB10 = 4 KOHMS
    PRB4 = 4,7 OHMS
    PRB1 = 1 MOHMS
    PRB31 = 10 KOHMS
    PRB27 = 10 KOHMS PIN1 = 6V, pin 2 = 3V3, +6V_CHG_REGN = 6V.
    PRB32 = 11,8KOHMS

    BQ24 :
    ACDET 2V6, REGN 6V, VCC 20v, ACOK 3V3

    PRB5 : 4KOHMS
    PRB6 : 10OHMS
    PR212 : 100KOHMS
    PR202 : 200KOHMS
    PR203 : 1KOHMS
    PR207 : 100OHMS
    PR205: 100OHMS
    PRB14 PRB17: OHMS
    mosfet PQB5 PQB2 AND BPB6 are good
    PCB23 AND PCB22 are good 16V45


    PJP201 with battery :
    Broche n° 3 EC_SMB_DA1 : 3V24
    Broche n° 4 EC_SMB_SK1 : 3V24
    Broche n° 5 BATT_TS : 0V155
    Broche n° 6 BATT_B/I : 0V
    Briche n° 7 AND 8 : 16V44


    PQ201 :
    pin1 : 0V
    pin2 : 2V9
    pin 3 : 0V


    I am not an expert in electrical diagrams if anyone can help me on this, is PQ201 defective? THANKS
    Last edited by madjid911; 04-20-2024, 09:50 AM.
  • madjid911
    Badcaps Veteran
    • Dec 2016
    • 404
    • France

    #2
    PQ201 pin 1 is connected to pin 3 to ground is this normal?

    Comment

    • madjid911
      Badcaps Veteran
      • Dec 2016
      • 404
      • France

      #3
      Originally posted by madjid911
      PQ201 pin 1 is connected to pin 3 to ground is this normal?
      no it was just residual current, pin 1 and pin 3 is not connected
      Last edited by madjid911; 04-20-2024, 08:22 AM.

      Comment

      • mon2
        Badcaps Legend
        • Dec 2019
        • 14631
        • Canada

        #4
        << found the schematics - not required >>

        If possible, share the voltage on each charger pin with adapter and battery. Post in a table format.

        Measure the voltage to ground on the battery connector for:

        Pin # 3 EC_SMB_DA1
        Pin # 4 EC_SMB_SK1


        The above 2 lines are used to communicate with the BMS board that is inside of each battery pack to extract serial #, mfr codes, # of charge cycles, etc. Are these details visible inside of Windows? If yes, these lines are ok.
        Last edited by mon2; 04-20-2024, 08:44 AM.

        Comment

        • madjid911
          Badcaps Veteran
          • Dec 2016
          • 404
          • France

          #5
          PJP101 (charging connector adaptater) :
          pin 1 : 19V89
          pin 4 : 0V (but pqb11 pin 1 acdet : 2V6)

          PRB17 and PRB14 : 3V2

          PJP202 (charging port battery) :
          Broche n° 3 EC_SMB_DA1 : 3V24
          Broche n° 4 EC_SMB_SK1 : 3V24
          Broche n° 5 BATT_TS : 0V155
          Broche n° 6 BATT_B/I : 0V
          Briche n° 7 AND 8 : 16V44


          I can't see the battery information because the pc turns off after a few seconds if I connect the battery

          Comment

          • mon2
            Badcaps Legend
            • Dec 2019
            • 14631
            • Canada

            #6
            PJP101 (charging connector adaptater) :
            pin 1 : 19V89
            pin 4 : 0V (but pqb11 pin 1 acdet : 2V6)
            With pin 4 = 0 volts, then means that PQB11 GATE pin is also @ 0 volts. If the GATE pin of PQB11 is at 0 volts, then this mosfet 2N7002 will remain OFF. If the mosfet is OFF, then the only available power source at pin # 1 will be from the resistor based voltage divider built by PRB11 & PRB13 (the 0 ohm resistors do not count in the equation). These other resistors create a lower and acceptable voltage of 2v6 for the ACDET function.

            If the power adapter is MISSING, then the 0 volts supplied by the adapter (actually a short to ground) will also disappear. Then the voltage created by the 2 resistors @ PRB35 & PRB36 will create a high enough voltage from the power adapter that PQB11 will ENABLE. If PQB11 mosfet is enabled, then pin # 1 will pull down the ACDET voltage to ground. That is, the SOURCE & DRAIN pins will short together to lower the ACDET voltage to 0 volts. This will cause the charger IC to detect that the power adapter is no longer present.

            The EC_SMB lines are ok and not shorted.​

            Comment

            • SMDFlea
              Super Moderator
              • Jan 2018
              • 21597
              • UK

              #7
              Originally posted by madjid911
              hello I have an acer nitro 5 model N20C2 (motherboard FH51M LA-J871P rev 1B) which does not charge
              Post a LINK to the schematic

              Reminder: rules and organization of this section ->
              https://www.badcaps.net/forum/troubl...f-this-section
              If you request/offer BIOS/schematics/boardviews, please post in the appropriate subsection, and you can link to it in the troubleshooting topic.​
              All donations to badcaps are welcome, click on this link to donate. Thanks to all supporters

              Comment

              • madjid911
                Badcaps Veteran
                • Dec 2016
                • 404
                • France

                #8
                Originally posted by mon2

                With pin 4 = 0 volts, then means that PQB11 GATE pin is also @ 0 volts. If the GATE pin of PQB11 is at 0 volts, then this mosfet 2N7002 will remain OFF. If the mosfet is OFF, then the only available power source at pin # 1 will be from the resistor based voltage divider built by PRB11 & PRB13 (the 0 ohm resistors do not count in the equation). These other resistors create a lower and acceptable voltage of 2v6 for the ACDET function.

                If the power adapter is MISSING, then the 0 volts supplied by the adapter (actually a short to ground) will also disappear. Then the voltage created by the 2 resistors @ PRB35 & PRB36 will create a high enough voltage from the power adapter that PQB11 will ENABLE. If PQB11 mosfet is enabled, then pin # 1 will pull down the ACDET voltage to ground. That is, the SOURCE & DRAIN pins will short together to lower the ACDET voltage to 0 volts. This will cause the charger IC to detect that the power adapter is no longer present.

                The EC_SMB lines are ok and not shorted.​
                Thank you for this explanation, but where could the problem come from?

                Comment

                • mon2
                  Badcaps Legend
                  • Dec 2019
                  • 14631
                  • Canada

                  #9
                  As per the above charger sticky by piernov, often the fault is with the 2nd DCin mosfet = PQB4 on your board.

                  Remove all power. Meter in resistance mode. Measure the resistance across the mosfet pins as follows:

                  source (1-2-3) & drain (5-6-7-8)
                  source (1-2-3) & gate (4)
                  gate (4) & drain (5-6-7-8)


                  Post each measurement. Often, this mosfet will be leaky and allows for the logic board to power up but does not behave with the existence of a battery and the external power adapter.

                  Comment

                  • madjid911
                    Badcaps Veteran
                    • Dec 2016
                    • 404
                    • France

                    #10
                    Originally posted by mon2
                    As per the above charger sticky by piernov, often the fault is with the 2nd DCin mosfet = PQB4 on your board.

                    Remove all power. Meter in resistance mode. Measure the resistance across the mosfet pins as follows:

                    source (1-2-3) & drain (5-6-7-8)
                    source (1-2-3) & gate (4)
                    gate (4) & drain (5-6-7-8)


                    Post each measurement. Often, this mosfet will be leaky and allows for the logic board to power up but does not behave with the existence of a battery and the external power adapter.

                    source (1-2-3) et drain (5-6-7-8) : 3,71 MOHMS
                    source (1-2-3) et grille (4) : (red on source) 8,12 MOHMS, and (red on grille) OL
                    grille (4) et drain (5-6-7-8) : (red on drain) 12,2 MOHMS, and (red on grille) : OL

                    I just noticed that the PQB3 mosfet was no longer closed when I plug in the battery, it no longer delivers 20v, I have 16V44 at the output of the PQB4 which corresponds to the battery voltage
                    Last edited by madjid911; 04-21-2024, 07:54 AM.

                    Comment

                    • madjid911
                      Badcaps Veteran
                      • Dec 2016
                      • 404
                      • France

                      #11
                      I again changed the bq24 charging ic with an original BQ24781, but the result is the same, why does bq24 refuse to send the signal to close PQB3 when I connect the battery?

                      Comment

                      • mon2
                        Badcaps Legend
                        • Dec 2019
                        • 14631
                        • Canada

                        #12
                        The mosfet readings are good and the mosfet is not shorted. High resistance readings = not a leaky mosfet.

                        1) Share a close up pic of the reworked battery charger IC for a review.

                        2) The charger IC will enable the DCin power path provided a number of conditions are met. Respectively, it is possible that the DCin power path is enabled but quickly shutdown due to an excessive current draw event. Then this shutdown event will be missed by the time the signals are monitored.

                        3) Can you link the exact schematic you are using? I may be out of sync with my schematic and want to be on the same page.

                        Comment

                        • madjid911
                          Badcaps Veteran
                          • Dec 2016
                          • 404
                          • France

                          #13
                          Originally posted by mon2
                          The mosfet readings are good and the mosfet is not shorted. High resistance readings = not a leaky mosfet.

                          1) Share a close up pic of the reworked battery charger IC for a review.

                          2) The charger IC will enable the DCin power path provided a number of conditions are met. Respectively, it is possible that the DCin power path is enabled but quickly shutdown due to an excessive current draw event. Then this shutdown event will be missed by the time the signals are monitored.

                          3) Can you link the exact schematic you are using? I may be out of sync with my schematic and want to be on the same page.
                          I use the diagram that I attached on the first page (LA-J871P).
                          It seems as you say that this resembles excessive consumption when the battery is connected, so the bq24 goes into safety mode and no longer gives the signal, but where can this consumption come from?

                          for welds I always check under the microscope that everything is well connected​
                          Attached Files

                          Comment

                          • mon2
                            Badcaps Legend
                            • Dec 2019
                            • 14631
                            • Canada

                            #14
                            Soldering looks very clean to me. We have the same schematics.

                            The shutdown can occur if there truly is an excessive current draw on any of the power regulators or from a missing part / bad solder joint linked to the current sensing circuit.

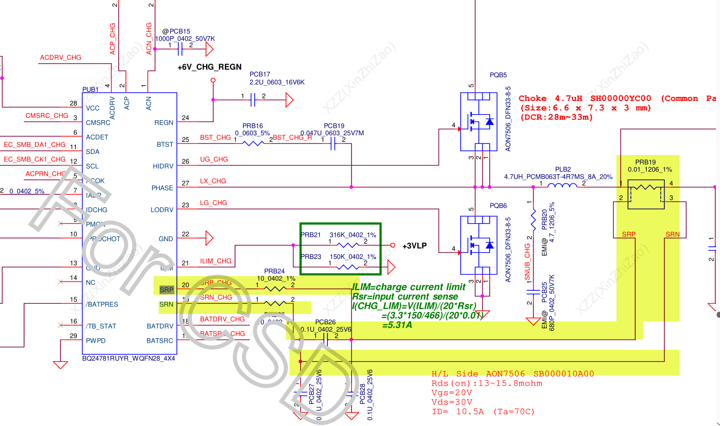
                            Remove all power. Meter in the lowest resistance scale. Measure directly on the charger IC - the resistance between pins 19 & 20. One meter probe on pin # 19; other on pin # 20. You are measuring the current sense path resistance and need to compare this measurement against the schematic. If it is different, the fault is here. Last year, we invested 3 weeks in another case in the forum and the fault was here.

                            You are checking the SRP / SRN path resistance which is used by the battery charge circuit.

                            Click image for larger version

Name:	charge_path.png
Views:	499
Size:	257.6 KB
ID:	3257061

                            Comment

                            • madjid911
                              Badcaps Veteran
                              • Dec 2016
                              • 404
                              • France

                              #15
                              Originally posted by mon2
                              Soldering looks very clean to me. We have the same schematics.

                              The shutdown can occur if there truly is an excessive current draw on any of the power regulators or from a missing part / bad solder joint linked to the current sensing circuit.

                              Remove all power. Meter in the lowest resistance scale. Measure directly on the charger IC - the resistance between pins 19 & 20. One meter probe on pin # 19; other on pin # 20. You are measuring the current sense path resistance and need to compare this measurement against the schematic. If it is different, the fault is here. Last year, we invested 3 weeks in another case in the forum and the fault was here.

                              You are checking the SRP / SRN path resistance which is used by the battery charge circuit.

                              Click image for larger version

Name:	charge_path.png
Views:	499
Size:	257.6 KB
ID:	3257061
                              broches 19 et 20 : 20,2OHMS (résistance PRB26 and PRB24 are good 10HOMS)
                              résistance PRB19 is good 0HOM
                              on the other hand I don't have the PCB24 component, is this normal or is it a missing capacitor?
                              Attached Files

                              Comment

                              • madjid911
                                Badcaps Veteran
                                • Dec 2016
                                • 404
                                • France

                                #16
                                Originally this laptop came with a short circuit on the PCZ70 capacitor, two weeks later it was short circuited again so I had to change it twice, maybe the overconsumption comes from there?

                                The GPU has very low resistance, is it normal to have only 0.3 ohms on the GPU? I disconnected the coils but the result remains the same when I connect the battery the mosfets are no longer closed

                                Attached Files

                                Comment

                                • mcplslg123
                                  Badcaps Legend
                                  • Jun 2015
                                  • 7262
                                  • india

                                  #17
                                  Resistance to GND as low as 0.1 Ohms is very very likely fine on gaming laptop's GPU.

                                  Comment

                                  • madjid911
                                    Badcaps Veteran
                                    • Dec 2016
                                    • 404
                                    • France

                                    #18
                                    Originally posted by mcplslg123
                                    Resistance to GND as low as 0.1 Ohms is very very likely fine on gaming laptop's GPU.
                                    ok thank you, so I checked everything (resistance, soldering, shorts) I can't find anything, I don't see where the problem is coming from

                                    Comment

                                    • mon2
                                      Badcaps Legend
                                      • Dec 2019
                                      • 14631
                                      • Canada

                                      #19
                                      I do believe we had this same case yesterday.

                                      reference:
                                      Acer nitro 5 bq24781 no acdrv - Badcaps

                                      What is the voltage to ground of ACDET ?

                                      Flux and remove PQB11. Test again.
                                      Last edited by mon2; 04-23-2024, 05:04 AM.

                                      Comment

                                      • madjid911
                                        Badcaps Veteran
                                        • Dec 2016
                                        • 404
                                        • France

                                        #20
                                        Originally posted by mon2
                                        I do believe we had this same case yesterday.

                                        reference:
                                        Acer nitro 5 bq24781 no acdrv - Badcaps

                                        What is the voltage to ground of ACDET ?

                                        Flux and remove PQB11. Test again.
                                        ACDET to GND : 177kohms 0V
                                        I removed PQB11 the result is the same when I plug in the battery the mofest no longer sends the 20v
                                        it's not the same subject, mine works perfectly without battery, it's just that once you plug in the battery it goes into safety mode and turns off, there's no way to turn it back on, you have to disconnect the battery
                                        Last edited by madjid911; 04-23-2024, 10:40 AM.

                                        Comment

                                        Related Topics

                                        Collapse

                                        • Document Archive
                                          ACER NITRO Nitro GX50-600 NITRO 50 i5-8400 Specification for Upgrade or Repair
                                          by Document Archive
                                          This specification for the ACER NITRO Nitro GX50-600 can be useful for upgrading or repairing a desktop PC that is not working. As a community we are working through our specifications to add valuable data like the NITRO Nitro GX50-600 boardview and NITRO Nitro GX50-600 schematic. Our users have donated over 1 million documents which are being added to the site. This page will be updated soon with additional information. Alternatively you can request additional help from our users directly on the relevant badcaps forum. Please note that we offer no warranties that any specification, datasheet,...
                                          09-12-2024, 03:28 PM
                                        • Document Archive
                                          ACER NITRO Nitro N50-600 NITRO 50 i7-9700 Specification for Upgrade or Repair
                                          by Document Archive
                                          This specification for the ACER NITRO Nitro N50-600 can be useful for upgrading or repairing a desktop PC that is not working. As a community we are working through our specifications to add valuable data like the NITRO Nitro N50-600 boardview and NITRO Nitro N50-600 schematic. Our users have donated over 1 million documents which are being added to the site. This page will be updated soon with additional information. Alternatively you can request additional help from our users directly on the relevant badcaps forum. Please note that we offer no warranties that any specification, datasheet, or...
                                          09-12-2024, 03:28 PM
                                        • Document Archive
                                          Acer Nitro Acer Nitro 5 Black Notebook 5 Specification for Upgrade or Repair
                                          by Document Archive
                                          This specification for the Acer Nitro Acer Nitro 5 Black Notebook can be useful for upgrading or repairing a laptop that is not working. As a community we are working through our specifications to add valuable data like the Acer Nitro 5 Black boardview and Acer Nitro 5 Black schematic. Our users have donated over 1 million documents which are being added to the site. This page will be updated soon with additional information. Alternatively you can request additional help from our users directly on the relevant badcaps forum. Please note that we offer no warranties that any specification, datasheet,...
                                          09-07-2024, 04:10 AM
                                        • Document Archive
                                          Acer Nitro Nitro 5 AN515-57-775V Notebook 5 Specification for Upgrade or Repair
                                          by Document Archive
                                          This specification for the Acer Nitro Nitro 5 AN515-57-775V Notebook can be useful for upgrading or repairing a laptop that is not working. As a community we are working through our specifications to add valuable data like the Nitro 5 AN515-57-775V boardview and Nitro 5 AN515-57-775V schematic. Our users have donated over 1 million documents which are being added to the site. This page will be updated soon with additional information. Alternatively you can request additional help from our users directly on the relevant badcaps forum. Please note that we offer no warranties that any specification,...
                                          09-07-2024, 04:10 AM
                                        • Document Archive
                                          Acer Nitro Acer Nitro 5 AN515-57 15.6 inch Gaming Laptop - (Intel Core i7-11800H, 16GB, 1TB SSD, NVIDIA RTX 3070, Full HD 144Hz, Windows 10, Black) Notebook 5 Specification for Upgrade or Repair
                                          by Document Archive
                                          This specification for the Acer Nitro Acer Nitro 5 AN515-57 15.6 inch Gaming Laptop - (Intel Core i7-11800H, 16GB, 1TB SSD, NVIDIA RTX 3070, Full HD 144Hz, Windows 10, Black) Notebook can be useful for upgrading or repairing a laptop that is not working. As a community we are working through our specifications to add valuable data like the Acer Nitro 5 AN515-57 15.6 inch Gaming Laptop - (Intel Core i7-11800H, 16GB, 1TB SSD, NVIDIA RTX 3070, Full HD 144Hz, Windows 10, Black) boardview and Acer Nitro 5 AN515-57 15.6 inch Gaming Laptop - (Intel Core i7-11800H, 16GB, 1TB SSD, NVIDIA RTX 3070, Full...
                                          09-07-2024, 03:10 AM
                                        • Loading...
                                        • No more items.
                                        Working...