Acer Predator GH51M LA-K862P NO POWER

Collapse
X
 
  • Time
  • Show
Clear All
new posts
  • mon2
    Badcaps Legend
    • Dec 2019
    • 14779
    • Canada

    #21
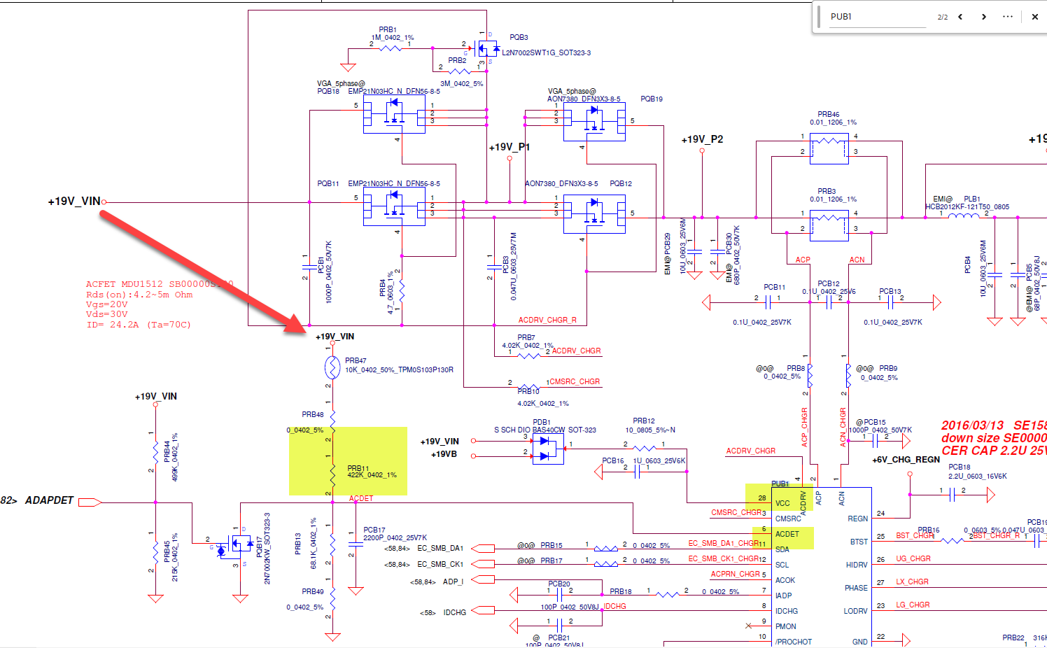
    1) Confirm that pin # 28 (VCC) on the charger IC (PUB1) is receiving the adapter voltage. Otherwise the charger IC is not being powered.

    2) You must also have a voltage present on ACDET pin # 6 on the charger IC since this voltage is based on a resistor based voltage divider where the power adapter is the power feed. Confirm it. Otherwise you have defective resistors or a broken PCB trace / bad soldering from +19V_VIN to ACDET. Suggest to remove all power -> meter in resistance mode. Check the resistance from direct pin #6 on the charger IC (ACDET) to +19V_VIN that is the raw voltage from the power adapter. This measurement should be ~422K ohms.

    3) Update - confirm the voltage to ground of ADAPDET which is from the power adapter. This voltage should be 0 volts - that is, when the power adapter is mated to this logic board, this ADAPDET line should pull the GATE voltage of PQB17 (2N7002) to be low or 0 volts. This in turn will turn OFF PQB17 so that the ACDET pin on the charger IC can receive a valid threshold voltage from the power adapter. If the ADAPDET line is NOT pulling the gate pin to ground then PQB17 will be ON (due to the voltage divider resistors on the same gate pin) and then ACDET will be pulled to 0 volts. PQB17 is acting like a switch to ground for ACDET. Confirm this area.


    Click image for larger version  Name:	power_path.png Views:	0 Size:	208.6 KB ID:	3183044
    Last edited by mon2; 01-21-2024, 08:57 AM.

    Comment

    • madjid911
      Badcaps Veteran
      • Dec 2016
      • 412
      • France

      #22
      my voltage divider with PB11 and PRB13 on ACDET is not good I do not have 0V6, I HAVE 0V, however my resistance is good and I do have 19V arriving on PRB11 (prb11 400K and prb13 68k are good)

      Comment

      • mon2
        Badcaps Legend
        • Dec 2019
        • 14779
        • Canada

        #23
        Appears to be a broken trace between the charger IC's ACDET pin and the 19v rail. Confirm it by removing all power. Meter in DIODE mode. Short your meter probes and the meter should tone beep. Then connect one meter probe onto the ACDET pin directly on the charger IC. For this simple test, the choice of the meter probe color does not matter. The other meter probe to the PRB11 resistor. Check both sides of PRB11. One side must tone beep. Confirm this important detail.

        Comment

        • madjid911
          Badcaps Veteran
          • Dec 2016
          • 412
          • France

          #24
          Originally posted by mon2
          Appears to be a broken trace between the charger IC's ACDET pin and the 19v rail. Confirm it by removing all power. Meter in DIODE mode. Short your meter probes and the meter should tone beep. Then connect one meter probe onto the ACDET pin directly on the charger IC. For this simple test, the choice of the meter probe color does not matter. The other meter probe to the PRB11 resistor. Check both sides of PRB11. One side must tone beep. Confirm this important detail.
          yes I have continuity
          Attached Files

          if you find these attachements useful please consider making a small donation to the site

          Comment

          • mon2
            Badcaps Legend
            • Dec 2019
            • 14779
            • Canada

            #25
            Good. Then you must have voltage as well unless PQB17 is shunting this voltage to ground. Locate PQB17 which should be nearby. We are interested in the voltage to ground of each pin on this part. Specifically interested in the GATE voltage. This will be small 3 legged black color part. In summary, if the GATE voltage is high enough, then PQB17 is ON and if it is ON, this ACDET voltage will be 0 volts.

            Click image for larger version  Name:	PQB17.png Views:	0 Size:	145.9 KB ID:	3183159


            Click image for larger version

Name:	PQB17_ds.png
Views:	421
Size:	105.0 KB
ID:	3183160

            Comment

            • madjid911
              Badcaps Veteran
              • Dec 2016
              • 412
              • France

              #26
              Originally posted by mon2
              1) Confirm that pin # 28 (VCC) on the charger IC (PUB1) is receiving the adapter voltage. Otherwise the charger IC is not being powered.

              2) You must also have a voltage present on ACDET pin # 6 on the charger IC since this voltage is based on a resistor based voltage divider where the power adapter is the power feed. Confirm it. Otherwise you have defective resistors or a broken PCB trace / bad soldering from +19V_VIN to ACDET. Suggest to remove all power -> meter in resistance mode. Check the resistance from direct pin #6 on the charger IC (ACDET) to +19V_VIN that is the raw voltage from the power adapter. This measurement should be ~422K ohms.

              3) Update - confirm the voltage to ground of ADAPDET which is from the power adapter. This voltage should be 0 volts - that is, when the power adapter is mated to this logic board, this ADAPDET line should pull the GATE voltage of PQB17 (2N7002) to be low or 0 volts. This in turn will turn OFF PQB17 so that the ACDET pin on the charger IC can receive a valid threshold voltage from the power adapter. If the ADAPDET line is NOT pulling the gate pin to ground then PQB17 will be ON (due to the voltage divider resistors on the same gate pin) and then ACDET will be pulled to 0 volts. PQB17 is acting like a switch to ground for ACDET. Confirm this area.

              1) Yes 19V5 on PRB12 but PDB1 pin 2 : 0V, PIN 1 3 : 19V5
              2) BQ pin 6 (ACDET) : 6,37kohms, I unsoldered PRB11 and PRB13 to measure them, they are good.
              3) PQB17 pin 1 : 0V, pin 2 :5V25​

              Comment

              • madjid911
                Badcaps Veteran
                • Dec 2016
                • 412
                • France

                #27
                Originally posted by mon2
                Good. Then you must have voltage as well unless PQB17 is shunting this voltage to ground. Locate PQB17 which should be nearby. We are interested in the voltage to ground of each pin on this part. Specifically interested in the GATE voltage. This will be small 3 legged black color part. In summary, if the GATE voltage is high enough, then PQB17 is ON and if it is ON, this ACDET voltage will be 0 volts.

                Click image for larger version Name:	PQB17.png Views:	0 Size:	145.9 KB ID:	3183159


                Click image for larger version

Name:	PQB17_ds.png
Views:	421
Size:	105.0 KB
ID:	3183160
                I understand better why I have zero on ACDET then, because the PQB17 gate has too high a voltage, what is this due to? I tried several chargers, it's the same.

                Comment

                • mon2
                  Badcaps Legend
                  • Dec 2019
                  • 14779
                  • Canada

                  #28
                  Good. This means that the GROUND or adapter inserted pin is not working on the DCin power connector = pin # 4. Review this connector. For now, carefully take a piece of wire and connect one side to ground and the other side to the GATE pin of PQB17 while the power adapter is connected. This procedure will cause PQB17 to turn OFF and the ACDET pin should then be as expected and should be ~2v or higher. Post the results. Need to run out to drop off something in the crazy -17 degree outside temp. BBL.

                  Click image for larger version  Name:	adapter_detect_signal.png Views:	0 Size:	93.0 KB ID:	3183171

                  Comment

                  • madjid911
                    Badcaps Veteran
                    • Dec 2016
                    • 412
                    • France

                    #29
                    Originally posted by mon2
                    Good. This means that the GROUND or adapter inserted pin is not working on the DCin power connector = pin # 4. Review this connector. For now, carefully take a piece of wire and connect one side to ground and the other side to the GATE pin of PQB17 while the power adapter is connected. This procedure will cause PQB17 to turn OFF and the ACDET pin should then be as expected and should be ~2v or higher. Post the results. Need to run out to drop off something in the crazy -17 degree outside temp. BBL.
                    Ok thanks, I put the gate of PQB17 pin 2 to the gnd. My voltage divider works: 0V4 on ACDET but I still don't have my mosfets closed, I will put the BQ24701 chip back because I had put BQ24708S. I think I'll have to order a new charging connector it looks bad​

                    Comment

                    • madjid911
                      Badcaps Veteran
                      • Dec 2016
                      • 412
                      • France

                      #30
                      Originally posted by mon2
                      Good. This means that the GROUND or adapter inserted pin is not working on the DCin power connector = pin # 4. Review this connector. For now, carefully take a piece of wire and connect one side to ground and the other side to the GATE pin of PQB17 while the power adapter is connected. This procedure will cause PQB17 to turn OFF and the ACDET pin should then be as expected and should be ~2v or higher. Post the results. Need to run out to drop off something in the crazy -17 degree outside temp. BBL.
                      I put BQ24701 back, and I finally have my mosfets closed, the whole motherboard is powered by 20v now, the pc starts up perfectly. Is it really necessary to change the charging connector or can I leave PQB17 gate shunted to GND Please ? You are really very strong, thank you very much.
                      Last edited by madjid911; 01-21-2024, 02:08 PM.

                      Comment

                      • mon2
                        Badcaps Legend
                        • Dec 2019
                        • 14779
                        • Canada

                        #31
                        Did I miss the fireworks ? Excellent !! Good job. You can leave the PQB17 shunted to ground OR you can remove PQB17. Either way, the ACDET voltage needs to be in a normal range and above the threshold to properly detect the power adapter. Yes, do believe that the DC power jack was the root cause and then the charger IC being replaced. As Louis would call it - down the rabbit hole to h*ll.

                        Well done.

                        Comment

                        • madjid911
                          Badcaps Veteran
                          • Dec 2016
                          • 412
                          • France

                          #32
                          Originally posted by mon2
                          Did I miss the fireworks ? Excellent !! Good job. You can leave the PQB17 shunted to ground OR you can remove PQB17. Either way, the ACDET voltage needs to be in a normal range and above the threshold to properly detect the power adapter. Yes, do believe that the DC power jack was the root cause and then the charger IC being replaced. As Louis would call it - down the rabbit hole to h*ll.

                          Well done.
                          I had to remove PQB17 because with the PQB17 grounded, the PC faulted the fan blowing very much, since I removed it everything works perfectly, again a big thank you I will not fail to make a donation for the forum

                          Comment

                          • grayfox112
                            New Member
                            • Oct 2023
                            • 3
                            • ITALY

                            #33
                            good morning, sorry to reopen the discussion, I have the same problem, reading it seems to me that the problem is the component BQ24701, correct? ​​​​​ I have to replace it and remove the component PQB17??
                            Thank you

                            Last edited by grayfox112; 09-02-2025, 03:02 AM.

                            Comment

                            • grayfox112
                              New Member
                              • Oct 2023
                              • 3
                              • ITALY

                              #34
                              no one can help me

                              Comment

                              • reformatt
                                Badcaps Legend
                                • Feb 2020
                                • 1544
                                • Australia

                                #35
                                Pretty sure I've highlighted this before on the forum with Acer laptops that the most common fault (apart from the crap power button in their keyboards) is the DC jack. The microswitch (which produces that clicking noise when you insert the jack) fails. In the design above, PQB17 is biased on and thus shorts ACDET to ground. When the switch in the jack is closed, the PQB17 is biased off, and allows the ACDET voltage divider to register at the BQ chip.

                                This is why they sell DC jacks for Acer by the bucket load on Aliexpress. i believe this design is to prevent the laptop from charging the battery until the adaptor is fully inserted. It should still power on though, just not charge the battery.
                                Last edited by reformatt; 09-03-2025, 11:00 PM.

                                Comment

                                • grayfox112
                                  New Member
                                  • Oct 2023
                                  • 3
                                  • ITALY

                                  #36
                                  Now the board is running out of power input jack, I don't know what to do now

                                  Comment

                                  Related Topics

                                  Collapse

                                  Working...