HP Zbook 15 G3 not powering on

Collapse
X
 
  • Time
  • Show
Clear All
new posts
  • BalkanBoy
    Senior Member
    • Feb 2017
    • 69
    • Croatia

    #1

    HP Zbook 15 G3 not powering on

    Hi guys,

    I got Zbook 15 G3, when you plug it in, LED on DC jack comes ON and power button starts flashing, maybe one flash per second. While it's doing flashing thing main 3.3V EC power is also coming ON and OFF, all the time. I got no stable 3.3V anywhere on motherboard.

    Everything I measured looks good, nothing heats up on thermal camera. I didn't know what to do so I changed EC and battery charger IC but nothing changed.

    Does anyone have any idea, what to check, where to look?

    Thanks!
  • mon2
    Badcaps Legend
    • Dec 2019
    • 14662
    • Canada

    #2
    Re: HP Zbook 15 G3 not powering on

    Post full details of the silk screen markings of the logic board.

    If available, post or link the schematic / BV files.

    Comment

    • BalkanBoy
      Senior Member
      • Feb 2017
      • 69
      • Croatia

      #3
      Re: HP Zbook 15 G3 not powering on

      Originally posted by mon2
      Post full details of the silk screen markings of the logic board.

      If available, post or link the schematic / BV files.
      If you mean model number it's LA-C381P, schematics is unavailable.

      I injected 19V to main power rail after input mosfets and board stays on, I have both 3.3 and 5V rails active, power button LED comes on and stays on. If I try to power it off by long pressing it, it goes off just briefly and back on again. Board draws around 20mA.

      Do you mean PCH is bad or something else I could check?
      It doesn't make any sense to me.

      Comment

      • mon2
        Badcaps Legend
        • Dec 2019
        • 14662
        • Canada

        #4
        Re: HP Zbook 15 G3 not powering on

        When you say the board stays on, do you see the graphics and the board boots into your operating system (Windows, Linux, etc.) ?

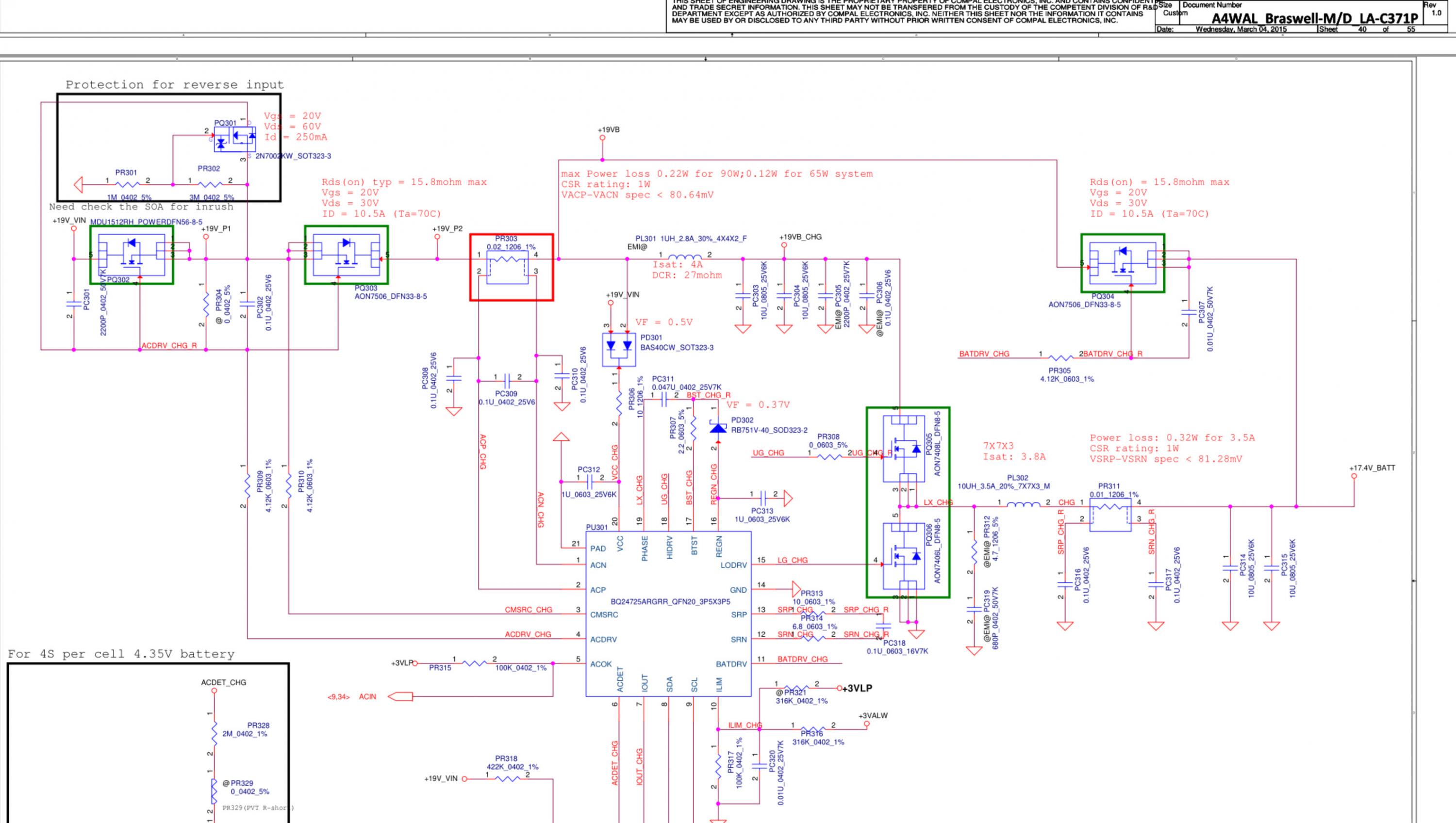
        Attached a partial view of the LA-C371P logic board.

        Do you have the same charger IC onboard? This schematic is probably close to yours?
        Attached Files
        Last edited by mon2; 03-07-2023, 10:14 AM.

        Comment

        • BalkanBoy
          Senior Member
          • Feb 2017
          • 69
          • Croatia

          #5
          Re: HP Zbook 15 G3 not powering on

          Originally posted by mon2
          When you say the board stays on, do you see the graphics and the board boots into your operating system (Windows, Linux, etc.) ?

          Attached a partial view of the LA-C371P logic board.

          Do you have the same charger IC onboard? This schematic is probably close to yours?

          No, nothing happens, CPU doesn't get any power, I told you it draws around 20mA from lab PSU. I don't get why it can't hold voltage with original adapter, it seems like mosfets are going in protection, but if I bypass them with lab supply it draws 20mA, nothing is shorted? That doesn't make any sense. I have changed both mosfets and battery charger IC.

          Comment

          • Sephir0th
            Badcaps Legend
            • Oct 2020
            • 1289
            • Germany

            #6
            Re: HP Zbook 15 G3 not powering on

            You can't simply bypass the DC-IN circuit of a HP device with Adapter Detection and it is also dangerous to try if you're not absolutely sure what you're doing.

            You have to start with a known good charger first and to check the AD_ID circuit. No point to mess with the board before. Now we have the difficulty that there was already work done and since you didn't shared any pictures we don't know anything about the quality of your work. Please show us what you did so far.
            FairRepair on YouTube

            Comment

            • BalkanBoy
              Senior Member
              • Feb 2017
              • 69
              • Croatia

              #7
              Re: HP Zbook 15 G3 not powering on

              Originally posted by Sephir0th
              You can't simply bypass the DC-IN circuit of a HP device with Adapter Detection and it is also dangerous to try if you're not absolutely sure what you're doing.

              You have to start with a known good charger first and to check the AD_ID circuit. No point to mess with the board before. Now we have the difficulty that there was already work done and since you didn't shared any pictures we don't know anything about the quality of your work. Please show us what you did so far.
              Hi, I don't have board near me at the moment, I work from office every now and then.
              I attached example of my work I found in phone gallery so you know you're not talking with complete idiot haha.

              So far I changed EC, BQ24780S and 2 input mosfets. When I plug in charger I got only stable voltage (not completely stable, variating like 0.1V up and down) on dc jack, everything behind input mosfets tries to start and goes in protection and nothing seems to be shorted. I just injected 19V after those mosfets on R005 main power rail resistor and in that case I get stable voltages everywhere but laptop starts itself and cannot be powered off. Of course nothing draws any real current, laptop doesn't boot.

              I asked for opinion because I cannot find any logic, somebody with more experience could find it.
              Attached Files

              Comment

              • Sephir0th
                Badcaps Legend
                • Oct 2020
                • 1289
                • Germany

                #8
                Re: HP Zbook 15 G3 not powering on

                Well, if a removed EC with ripped traces/components at Pin 105 is supposed to calm me down, then you failed completely with that.

                And still, your observations are somehow generalized and confusing. In one sentence you tell, "stable voltages everywhere" and a few lines later "nothing draws real current".

                There is always a logic and it is even pretty similar on each board of same generation. It is just, with this kind of given informations, this device will be troubleshooted till christmas or even longer. Besides the fact that it is very dangerous to inject 19V after the second mosfets when it is not clear with what you're dealing...

                We need a clear, detailed and constructed overview about what is going on on your board and what is not. Voltages and resistances. The more, the better.
                FairRepair on YouTube

                Comment

                • mcplslg123
                  Badcaps Legend
                  • Jun 2015
                  • 7262
                  • india

                  #9
                  Re: HP Zbook 15 G3 not powering on

                  I'll try to fix 19V not reaching CLR first. What is the resistance of dc-in mosfets between??
                  01.pin1-4
                  02.Pin1-8
                  03.Pin4-5

                  Then move on to charging IC measurements
                  01.CMSRC
                  02.ACDRV
                  03.ACOK
                  04.REGN
                  05.VCC
                  06.ACP

                  Lets fix it one step at a time else its likely to go to trash bin. Its definitely wrong to inject 19V on CLR as it may damage other components. Btw, what's the resistance ON CLR??

                  The mb is consuming only 20mA, so no rails other then perhaps 3V/5V is coming up. So you do have multiple issues here to deal with and will require a lot of patience and understanding. That ripped pad near EC is also a concern. Are you sure you bridged the pin at correct place?? The ripped pads near the resistor you have put-was there any component there?? You should've clarified these things.

                  Comment

                  • SMDFlea
                    Super Moderator
                    • Jan 2018
                    • 21869
                    • UK

                    #10
                    Re: HP Zbook 15 G3 not powering on

                    Add a few more bits to check after all the other suggestions
                    Attached Files
                    All donations to badcaps are welcome, click on this link to donate. Thanks to all supporters

                    Comment

                    • Sephir0th
                      Badcaps Legend
                      • Oct 2020
                      • 1289
                      • Germany

                      #11
                      Re: HP Zbook 15 G3 not powering on

                      If I understood correct, the picture of the work with the EC is "just a example about the "quality" of his work. It might be a completely other board.

                      Either way, this "proof" didn't turn out as expected...
                      FairRepair on YouTube

                      Comment

                      • BalkanBoy
                        Senior Member
                        • Feb 2017
                        • 69
                        • Croatia

                        #12
                        Re: HP Zbook 15 G3 not powering on

                        Originally posted by Sephir0th
                        If I understood correct, the picture of the work with the EC is "just a example about the "quality" of his work. It might be a completely other board.

                        Either way, this "proof" didn't turn out as expected...
                        Yeah it was just example, I received board like that with ripped trace and burned EC chip, also one resistor was ripped of the board too. After that "fix" board worked like a charm.
                        It was just example of soldering skills, nothing else, nothing intellectual, and yes, I believe all soldering joints are done properly, maybe you do it even better and my work is shite to you, I don't know

                        I will do some more measurements and won't post anything anymore without more info. Thing is I got no time to deal with those boards, it's not my primary job. I try to fix it and if I fail I just leave it on the table and think about what could be issue until I find more time to deal with it. Basically it's haunting me and that's why I did posted this thread, thought I could get a clue, nothing more.

                        I checked all rails before injecting anything and when I decided to inject of course I checked resistance of main power rail and it was high, don't know how high exactly but probably more than 100kOhms. I started with lower voltage until I got to 19 and I looked it through thermal cam all the time, nothing got hot.

                        Anyway, I will post measurements once I do it, in a couple of days or so.

                        Comment

                        • mcplslg123
                          Badcaps Legend
                          • Jun 2015
                          • 7262
                          • india

                          #13
                          Re: HP Zbook 15 G3 not powering on

                          @balkanboy, no offence intended. You see the mb is on your table, so the person who wants to help you will seek detailed info to make any valuable suggestions. So do check the requirements as asked for and lets get back to solving it. Its no point comparing skills with each other. Some people are professionals, some are not. So it'll differ. Dont take it personal. We'all are here to help you and we dont seek anything in return.

                          Comment

                          • magnus_protector
                            New Member
                            • Mar 2023
                            • 4
                            • Brasil

                            #14
                            Re: HP Zbook 15 G3 not powering on

                            Originally posted by BalkanBoy
                            Hi guys,

                            I got Zbook 15 G3, when you plug it in, LED on DC jack comes ON and power button starts flashing, maybe one flash per second. While it's doing flashing thing main 3.3V EC power is also coming ON and OFF, all the time. I got no stable 3.3V anywhere on motherboard.

                            Everything I measured looks good, nothing heats up on thermal camera. I didn't know what to do so I changed EC and battery charger IC but nothing changed.

                            Does anyone have any idea, what to check, where to look?

                            Thanks!
                            I took 5 Zbook 15 G3 to repair and they all had the same defect reported was exactly this: when plugging in the charger, the power button led blinks. I tested it with my 65W/90W HP font and it blinks whithout press power button.

                            so I got a 120W HewlettPackard power supply and it worked. turned on and charged the battery normally.

                            Comment

                            • piernov
                              Super Moderator
                              • Jan 2016
                              • 4439
                              • France

                              #15
                              Re: HP Zbook 15 G3 not powering on

                              Yes that happens when AC adapter is underpowered and battery is discharged. If battery is not completely dead, you can leave it for a while, it will start charging and then it can be turned on.
                              OpenBoardView — https://github.com/OpenBoardView/OpenBoardView

                              Comment

                              • magnus_protector
                                New Member
                                • Mar 2023
                                • 4
                                • Brasil

                                #16
                                Re: HP Zbook 15 G3 not powering on

                                Originally posted by piernov
                                Yes that happens when AC adapter is underpowered and battery is discharged. If battery is not completely dead, you can leave it for a while, it will start charging and then it can be turned on.
                                if the battery is at 0%, even with any unsupported charger, the notebook flashes the power button. I have 1 notebook like this in front of me and with a common charger the led blinks and does not charge. when placing a charger of at least 120W it is already possible to charge. an option might be to simulate a 120w charger by placing a 190k resistor between the + and the ID.

                                Comment

                                Related Topics

                                Collapse

                                Working...