I'm trying to repair my Panasonic Home Theater SC-BTT490 that endured a lightning strike. Panasonic looked at the unit and informed me the video switch, with part number IC-2501, needs to be replaced but they no longer stock this item. Does anyone have a good recommendation where I could find this part?
Panasonic Home Theater SC-BTT490 Video Switch
Collapse
X
-
Re: Panasonic Home Theater SC-BTT490 Video Switch
I wonder if IC-2501 is a part number or the part location number on the board?I'm trying to repair my Panasonic Home Theater SC-BTT490 that endured a lightning strike. Panasonic looked at the unit and informed me the video switch, with part number IC-2501, needs to be replaced but they no longer stock this item. Does anyone have a good recommendation where I could find this part?
Maybe some pictures of the board or have a look and see what's at ic2501, see if it has markings and go from there -
Re: Panasonic Home Theater SC-BTT490 Video Switch
The main unit is SA-BTT490 and there is a manual
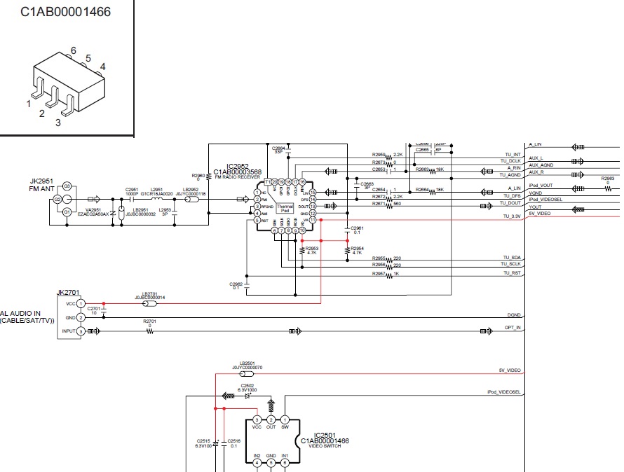
IC-2501 is an 6 pin device on the main AV board. Panasonic number is C1AB00001466 but in order to track this down you need a real number which should be stamped on the top of the IC
i've found a number doing extensive searching for other manuals with that number and found MN1508XNRE and it looks like this could be a panasonic chip which I'm getting nowhere with, not even UTSOURCE.
You could be in trouble.Last edited by tw2005; 10-30-2015, 04:37 PM.Comment
-
Re: Panasonic Home Theater SC-BTT490 Video Switch
FWIW, IC3801 in a Yamaha DVD-S80 is an MN1508XNRE (Yamaha part number AAX44400). Would it be worth asking a Yamaha service agent?
Otherwise ISTM that locating and adding a different 5V, SPDT video switch shouldn't be too hard. In fact a small 5V SPDT relay should do the trick.Last edited by fzabkar; 10-30-2015, 06:26 PM.Comment
Related Topics
Collapse
-
This specification for the Acer Switch Switch V 10 SW5-017P Hybrid (2-in-1) can be useful for upgrading or repairing a laptop that is not working. As a community we are working through our specifications to add valuable data like the Switch V 10 SW5-017P boardview and Switch V 10 SW5-017P schematic. Our users have donated over 1 million documents which are being added to the site. This page will be updated soon with additional information. Alternatively you can request additional help from our users directly on the relevant badcaps forum. Please note that we offer no warranties that any specification,...09-06-2024, 05:30 AM
-
This specification for the HP EliteDesk 800 G3 + GoPro HERO6 Black 4K Ultra HD Video Camera can be useful for upgrading or repairing a desktop PC that is not working. As a community we are working through our specifications to add valuable data like the EliteDesk 800 G3 + GoPro HERO6 Black 4K Ultra HD Video Camera boardview and EliteDesk 800 G3 + GoPro HERO6 Black 4K Ultra HD Video Camera schematic. Our users have donated over 1 million documents which are being added to the site. This page will be updated soon with additional information. Alternatively you can request additional help from our...09-12-2024, 02:00 PM
-
Samsung Blu-ray Home Theater Set HT-F9750W Service Manual...
-
Channel: Schematics and Boardviews
10-14-2024, 04:16 AM -
-
I would like to ask if there is some kind of capacitor lists for motherboards, power supplies, video cards, audio cards, microcontroller powered home appliances, and so, that i could try to find and download. I use to repair those things and i would find it helpful if i could know in advance what parts may i need for common repairs.
-
Channel: General Capacitor Questions & Issues
-
-
This specification for the MEDION AKOYA P15645 + MS Office Home&Student 2019 Notebook can be useful for upgrading or repairing a laptop that is not working. As a community we are working through our specifications to add valuable data like the P15645 + MS Office Home&Student 2019 boardview and P15645 + MS Office Home&Student 2019 schematic. Our users have donated over 1 million documents which are being added to the site. This page will be updated soon with additional information. Alternatively you can request additional help from our users directly on the relevant badcaps forum. Please...09-06-2024, 05:00 PM
- Loading...
- No more items.
Comment