Schematic for MSI GS73 Stealth 8RF-007XES

Collapse
X
 
  • Time
  • Show
Clear All
new posts
  • samolo75
    Senior Member
    • Oct 2020
    • 67
    • spain

    #1

    Schematic for MSI GS73 Stealth 8RF-007XES

    Hi,
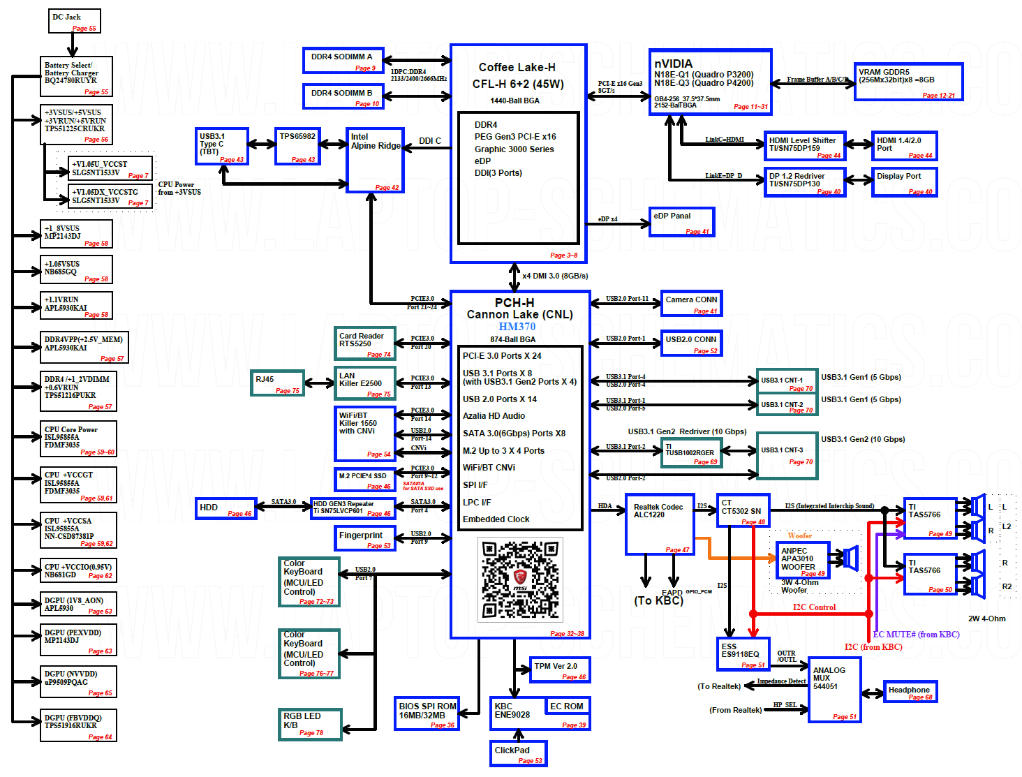
    Please, anyone could share the schematics and boardview for this laptop: MSI GS73 Stealth 8RF-007XES-BB7875H16G1T0DXX
    On the motherboard it is written MS-16K71VER:1.0
    And I attach picture.
    Attached Files
  • SMDFlea
    Super Moderator
    • Jan 2018
    • 21655
    • UK

    #2
    Re: Schematic for MSI GS73 Stealth 8RF-007XES

    Originally posted by samolo75
    Hi,
    Please, anyone could share the schematics and boardview for this laptop: MSI GS73 Stealth 8RF-007XES-BB7875H16G1T0DXX
    On the motherboard it is written MS-16K71VER:1.0
    And I attach picture.
    It isn`t available on any free sites yet, i`ve seen it on 1 paid site
    Attached Files
    Last edited by SMDFlea; 09-09-2021, 03:23 PM.
    All donations to badcaps are welcome, click on this link to donate. Thanks to all supporters

    Comment

    • samolo75
      Senior Member
      • Oct 2020
      • 67
      • spain

      #3
      Re: Schematic for MSI GS73 Stealth 8RF-007XES

      Originally posted by SMDFlea
      It isn`t available on any free sites yet, i`ve seen it on 1 paid site
      Well, I will appreciate if you send me the link to the site if you don't mind, on private if it goes against the rules. Just in case. Thank you!
      Last edited by samolo75; 09-09-2021, 01:49 PM.

      Comment

      Related Topics

      Collapse

      • Document Archive
        MSI Gaming GS73 8RF-026CA Stealth Notebook GS Specification for Upgrade or Repair
        by Document Archive
        This specification for the MSI Gaming GS73 8RF-026CA Stealth Notebook can be useful for upgrading or repairing a laptop that is not working. As a community we are working through our specifications to add valuable data like the GS73 8RF-026CA Stealth boardview and GS73 8RF-026CA Stealth schematic. Our users have donated over 1 million documents which are being added to the site. This page will be updated soon with additional information. Alternatively you can request additional help from our users directly on the relevant badcaps forum. Please note that we offer no warranties that any specification,...
        09-06-2024, 07:18 AM
      • Document Archive
        MSI Gaming GS73 Stealth-012 Notebook GS Specification for Upgrade or Repair
        by Document Archive
        This specification for the MSI Gaming GS73 Stealth-012 Notebook can be useful for upgrading or repairing a laptop that is not working. As a community we are working through our specifications to add valuable data like the GS73 Stealth-012 boardview and GS73 Stealth-012 schematic. Our users have donated over 1 million documents which are being added to the site. This page will be updated soon with additional information. Alternatively you can request additional help from our users directly on the relevant badcaps forum. Please note that we offer no warranties that any specification, datasheet,...
        09-06-2024, 06:45 AM
      • Document Archive
        MSI Gaming GS73 Stealth-016 Notebook GS Specification for Upgrade or Repair
        by Document Archive
        This specification for the MSI Gaming GS73 Stealth-016 Notebook can be useful for upgrading or repairing a laptop that is not working. As a community we are working through our specifications to add valuable data like the GS73 Stealth-016 boardview and GS73 Stealth-016 schematic. Our users have donated over 1 million documents which are being added to the site. This page will be updated soon with additional information. Alternatively you can request additional help from our users directly on the relevant badcaps forum. Please note that we offer no warranties that any specification, datasheet,...
        09-06-2024, 06:42 AM
      • Document Archive
        MSI Gaming GS73 Stealth-014 Notebook GS Specification for Upgrade or Repair
        by Document Archive
        This specification for the MSI Gaming GS73 Stealth-014 Notebook can be useful for upgrading or repairing a laptop that is not working. As a community we are working through our specifications to add valuable data like the GS73 Stealth-014 boardview and GS73 Stealth-014 schematic. Our users have donated over 1 million documents which are being added to the site. This page will be updated soon with additional information. Alternatively you can request additional help from our users directly on the relevant badcaps forum. Please note that we offer no warranties that any specification, datasheet,...
        09-06-2024, 06:40 AM
      • Muntadher diyaa
        Schematic msi stealth 15m b12ue (model MS-15631) or model ( ms-15b11)
        by Muntadher diyaa
        Hello everyone, I need the schematic or boardview for MSI Stealth 15M (model MS-15631). or model ( ms-15b11)
        My laptop has a missing capacitor and resistor in the VRAM power section, and I need the diagram to repair it.

        If anyone has the schematic/boardview, please share or guide me where I can find it.
        Thanks a lot!...
        09-04-2025, 10:05 AM
      • Loading...
      • No more items.
      Working...