Lenovo yoga 920 no power

Collapse
X
 
  • Time
  • Show
Clear All
new posts
  • iveqy
    New Member
    • Jun 2021
    • 5
    • Sweden

    #1

    Lenovo yoga 920 no power

    Hi,
    I've a Yoga 920(DYG60 NM-B291 rev:1.0 that no longer charges. I'm pretty new into electronic repairs and don't really know where to start. But I (think?) I've made some progress.

    The charging won't step up its current (see attached photo) and I've identified that there seems to be a short over the circled resistors.

    There's some threads about the yoga 920 here, but I haven't had any success reading them.
    Attached Files
  • mcplslg123
    Badcaps Legend
    • Jun 2015
    • 7262
    • india

    #2
    Re: Lenovo yoga 920 no power

    Those are capacitors and not resistors as far as my eyes can see.

    Comment

    • iveqy
      New Member
      • Jun 2021
      • 5
      • Sweden

      #3
      Re: Lenovo yoga 920 no power

      @mcplslg123 that might very well be true.

      I'm stuck and need a way forward in how to proceed looking for errors here. What would be the first step to diagnose this?

      Comment

      • mon2
        Badcaps Legend
        • Dec 2019
        • 14668
        • Canada

        #4
        Re: Lenovo yoga 920 no power

        Both, the schematic and boardview files are available on this forum for this logic board.

        Using the boardview file, identify which caps are appearing to be shorted.

        Post the screen portions of each file here for a review.

        With no power and no battery, these caps have a low resistance to ground? What are the exact readings?

        Comment

        • iveqy
          New Member
          • Jun 2021
          • 5
          • Sweden

          #5
          Re: Lenovo yoga 920 no power

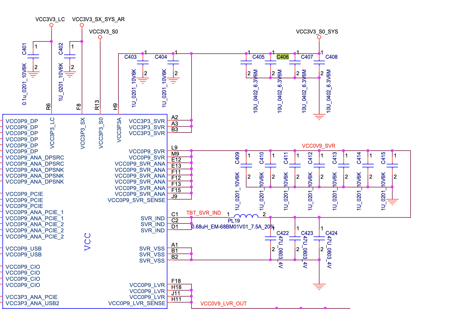
          thanks, it's c405, c406, c408 that seems shorted.

          The exact reading for the caps to the ground is 0.4 Ohm on one side and 0.7 Ohm on the other side (all three have the same).

          Attaching screenshots of the relevant areas
          Attached Files

          Comment

          • mon2
            Badcaps Legend
            • Dec 2019
            • 14668
            • Canada

            #6
            Re: Lenovo yoga 920 no power

            See attached. Locate and lift up one leg of the coil / inductor @ L24.

            This is to isolate the group of caps and the target IC voltage pin.

            After lifting up the leg, check if the low resistance to ground (short) still remains or not.

            Post the resistance readings.
            Attached Files

            Comment

            • iveqy
              New Member
              • Jun 2021
              • 5
              • Sweden

              #7
              Re: Lenovo yoga 920 no power

              thanks. Unfortunately I'm lacking the equipment to do that right now. Will try to borrow it tomorrow.

              Comment

              Related Topics

              Collapse

              • Document Archive
                Lenovo Yoga YOGA Book Hybrid (2-in-1) Book Specification for Upgrade or Repair
                by Document Archive
                This specification for the Lenovo Yoga YOGA Book Hybrid (2-in-1) can be useful for upgrading or repairing a laptop that is not working. As a community we are working through our specifications to add valuable data like the YOGA Book boardview and YOGA Book schematic. Our users have donated over 1 million documents which are being added to the site. This page will be updated soon with additional information. Alternatively you can request additional help from our users directly on the relevant badcaps forum. Please note that we offer no warranties that any specification, datasheet, or download for...
                09-06-2024, 08:10 AM
              • Document Archive
                Lenovo Yoga YOGA Book Hybrid (2-in-1) Book Specification for Upgrade or Repair
                by Document Archive
                This specification for the Lenovo Yoga YOGA Book Hybrid (2-in-1) can be useful for upgrading or repairing a laptop that is not working. As a community we are working through our specifications to add valuable data like the YOGA Book boardview and YOGA Book schematic. Our users have donated over 1 million documents which are being added to the site. This page will be updated soon with additional information. Alternatively you can request additional help from our users directly on the relevant badcaps forum. Please note that we offer no warranties that any specification, datasheet, or download for...
                09-06-2024, 08:10 AM
              • Document Archive
                Lenovo Yoga YOGA Book Hybrid (2-in-1) Book Specification for Upgrade or Repair
                by Document Archive
                This specification for the Lenovo Yoga YOGA Book Hybrid (2-in-1) can be useful for upgrading or repairing a laptop that is not working. As a community we are working through our specifications to add valuable data like the YOGA Book boardview and YOGA Book schematic. Our users have donated over 1 million documents which are being added to the site. This page will be updated soon with additional information. Alternatively you can request additional help from our users directly on the relevant badcaps forum. Please note that we offer no warranties that any specification, datasheet, or download for...
                09-06-2024, 08:10 AM
              • Document Archive
                Lenovo Yoga YOGA Book Hybrid (2-in-1) Book Specification for Upgrade or Repair
                by Document Archive
                This specification for the Lenovo Yoga YOGA Book Hybrid (2-in-1) can be useful for upgrading or repairing a laptop that is not working. As a community we are working through our specifications to add valuable data like the YOGA Book boardview and YOGA Book schematic. Our users have donated over 1 million documents which are being added to the site. This page will be updated soon with additional information. Alternatively you can request additional help from our users directly on the relevant badcaps forum. Please note that we offer no warranties that any specification, datasheet, or download for...
                09-06-2024, 08:10 AM
              • Document Archive
                Lenovo Yoga YOGA Book Hybrid (2-in-1) Book Specification for Upgrade or Repair
                by Document Archive
                This specification for the Lenovo Yoga YOGA Book Hybrid (2-in-1) can be useful for upgrading or repairing a laptop that is not working. As a community we are working through our specifications to add valuable data like the YOGA Book boardview and YOGA Book schematic. Our users have donated over 1 million documents which are being added to the site. This page will be updated soon with additional information. Alternatively you can request additional help from our users directly on the relevant badcaps forum. Please note that we offer no warranties that any specification, datasheet, or download for...
                09-06-2024, 08:10 AM
              • Loading...
              • No more items.
              Working...