820-3330b board with no image

Collapse
X
 
  • Time
  • Show
Clear All
new posts
  • hypergl
    Member
    • Jan 2022
    • 14
    • Slovenia

    #1

    820-3330b board with no image

    Hello everyone.

    My own macbook pro from 2012 just decided it had enough. There is no image on the screen (screen dead, no backlight, no image whatsoever even with a torch behind the apple logo), there is no image on external via thunderbolt/DP adapter.

    There is chime though, there is also all the controls from the keyboard, so it is possible to control the backlighting of the keys.

    I had problems for the past year or two with the display, showing a green line (single pixel) or two, maybe three. But nothing that I took seriously as I had always used an external display.

    The computer is mine since new, I got it with the optional "hires" matte screen.
    Never seen water, always took good care of. A few scratches on the case, no dents, no serious damage.

    So as I was probing the motherboard for voltages it happened that the display got turned up, showing the logo and I got the folder icon (because I removed the SSD), tried to turn off and on a few times, the display lit up like new most of times, the fourth time then it went dead again.

    So the board is not to throw away yet.

    I checked the LVDS connector and i got on the following pins:

    1 - GND
    2+3 - PP3v3_SW_LCD - 0volt (expected 3.3volt)
    4 - PP3v3_S0 - 3.3volt
    5 - NC
    6 - LVDS_DDC_CLK - 3.3volt
    7 - LVDS_DDC_DATA - 3.3volt
    8+9 - LVDS_CON_A_DATA - 0.3volt
    ...
    21 - LVDS_CON_B_DATA - 0.3volt
    ...
    31 to 36 - LED_RET - 0volt (expected 0.5volt)
    ...
    38 to 40 - PPVOut_S0_LCDBKLT - 0v

    I also checked on the U9000 and got this on the following pins:

    1 - 0volt (expected 3.3volt)
    2+3 - 3.3volt
    4+5 - 0volt (expected 3.3volt)
    6+7 - GND

    What should I check next? Can you give me any hint? I really don't want to give up on this machine, it served me well and I am sure it could serve me for at least for another two or three years.

    Thanks in advance...

    Martin
  • mon2
    Badcaps Legend
    • Dec 2019
    • 14675
    • Canada

    #2
    Re: 820-3330b board with no image

    Hi.

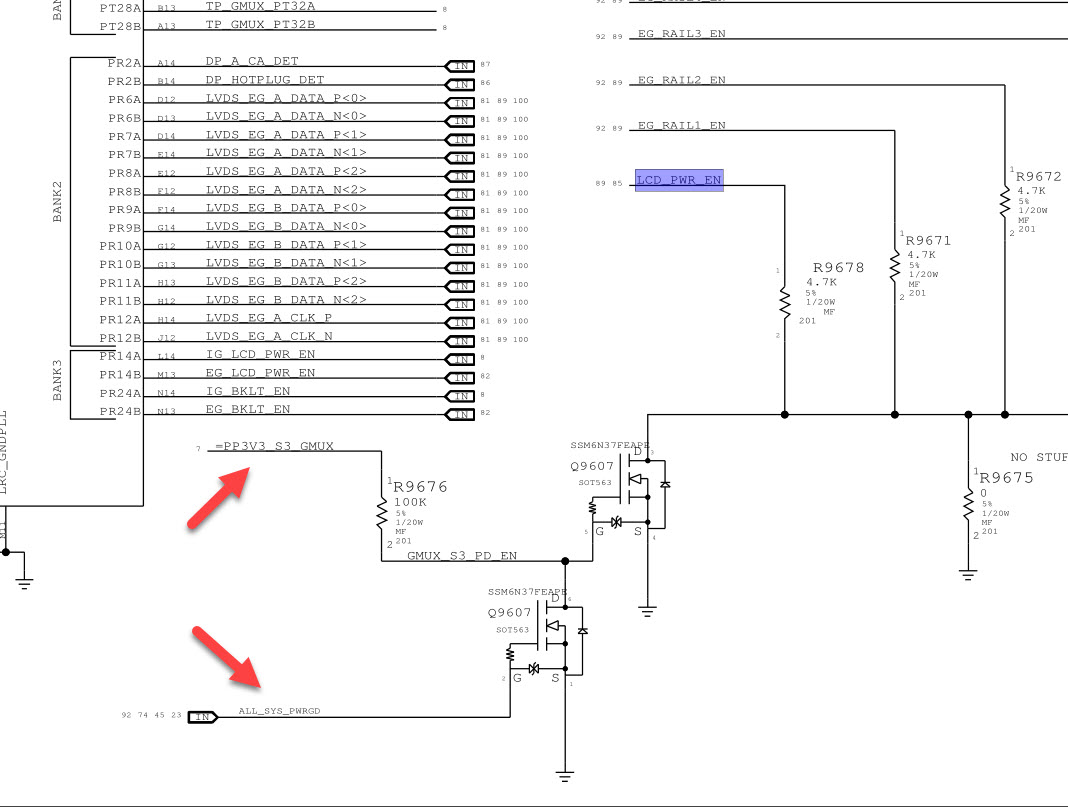
    The enable for your LCD panel is off (pin # 1 of U9000). See attached.

    Post the voltage readings for the MUX selector circuit.

    Next,

    Guessing some power rail may be failing. Start with removing all power / no battery.

    Meter in resistance mode (2k scale). Check and post the resistance to ground of each and every coil. Each coil is linked to bulk caps and a power supply rail. You may be borderline facing a bad cap on one of these rails. Checking for a very low resistance to ground. CPU rail will be low in resistance by design.
    Attached Files

    Comment

    • hypergl
      Member
      • Jan 2022
      • 14
      • Slovenia

      #3
      Re: 820-3330b board with no image

      Originally posted by mon2
      Guessing some power rail may be failing.
      It might just be, since in the last year I could not power a single optical mouse on one of the two USB ports... Can't remember which one, but will try to...

      Comment

      • hypergl
        Member
        • Jan 2022
        • 14
        • Slovenia

        #4
        Re: 820-3330b board with no image

        So, got a little time today and measured the next things.

        Q9607:

        pin 1 - gnd
        pin 2 - 3.3V
        pin 3 - 3.3V
        pin 4 - gnd
        pin 5 - 0V
        pin 6 - 0V

        R9676

        pin 1 - 3.3V
        pin 2 - 0V

        R9678

        pin 1 - 0V
        pin 2 - 2.6V

        R9671 to R9674

        pin 1 - 3.3V
        pin 2 - 3.3V

        L9621

        pin 1 - 0V
        pin 2 - 3.3V

        Comment

        • hypergl
          Member
          • Jan 2022
          • 14
          • Slovenia

          #5
          Re: 820-3330b board with no image

          Finally I found the problem... It was not a Cap or Coil... It was U8900, so the chip delivering the power to the discrete graphics. Found a script on how to disable the Nvidia graphics and I also set Csrutil to disable. Right now I'm using the laptop only on integrated graphics and it's working just fine. Maybe someday, if I have the need to, will get myself on changing the U8900.
          Thanks guys!

          M

          Comment

          Related Topics

          Collapse

          • Document Archive
            HP Elite Slice G2 + Image Load & Asset Tag Elite Slice i5-7500T Specification for Upgrade or Repair
            by Document Archive
            This specification for the HP Elite Slice G2 + Image Load & Asset Tag can be useful for upgrading or repairing a desktop PC that is not working. As a community we are working through our specifications to add valuable data like the Elite Slice G2 + Image Load & Asset Tag boardview and Elite Slice G2 + Image Load & Asset Tag schematic. Our users have donated over 1 million documents which are being added to the site. This page will be updated soon with additional information. Alternatively you can request additional help from our users directly on the relevant badcaps forum. Please...
            09-12-2024, 02:20 PM
          • Jaime Morillo
            Hitachi 32HAE2351 Vestel 17MB171 - Rotate Image
            by Jaime Morillo
            Hitachi 32HAE2351 Vestel 17MB171 - Rotate Image
            Mainboard: VESTEL 17MB171 Chassis: VES315WNGB - 2D - N52
            The TV was stuck on the logo and I couldn't access the update menu.
            I couldn't find the firmware for the Hitachi 32HAE2351 and updated it with the Toshiba 32WA2063DG - Vestel 17MB171 firmware.
            The image result was good, but the image is inverted.
            The image rotation/mirror function doesn't exist in the Menu Server. I can't correct the image.
            Do you have the firmware for the Hitachi 32HAE2351 - Vestel 17MB171 motherboard or a solution to rotate the image in...
            08-18-2025, 11:38 AM
          • Document Archive
            HP ProBook 430 G6 + Image Load & Asset Tag Notebook 400 Specification for Upgrade or Repair
            by Document Archive
            This specification for the HP ProBook 430 G6 + Image Load & Asset Tag Notebook can be useful for upgrading or repairing a laptop that is not working. As a community we are working through our specifications to add valuable data like the 430 G6 + Image Load & Asset Tag boardview and 430 G6 + Image Load & Asset Tag schematic. Our users have donated over 1 million documents which are being added to the site. This page will be updated soon with additional information. Alternatively you can request additional help from our users directly on the relevant badcaps forum. Please note that we...
            09-06-2024, 10:56 AM
          • Document Archive
            HP EliteBook 1050 G1 + Image Load & Asset Tag Notebook 1000 Specification for Upgrade or Repair
            by Document Archive
            This specification for the HP EliteBook 1050 G1 + Image Load & Asset Tag Notebook can be useful for upgrading or repairing a laptop that is not working. As a community we are working through our specifications to add valuable data like the 1050 G1 + Image Load & Asset Tag boardview and 1050 G1 + Image Load & Asset Tag schematic. Our users have donated over 1 million documents which are being added to the site. This page will be updated soon with additional information. Alternatively you can request additional help from our users directly on the relevant badcaps forum. Please note that...
            09-06-2024, 10:56 AM
          • Document Archive
            HP ProBook 450 G6 + Image Load & Asset Tag Notebook 400 Specification for Upgrade or Repair
            by Document Archive
            This specification for the HP ProBook 450 G6 + Image Load & Asset Tag Notebook can be useful for upgrading or repairing a laptop that is not working. As a community we are working through our specifications to add valuable data like the 450 G6 + Image Load & Asset Tag boardview and 450 G6 + Image Load & Asset Tag schematic. Our users have donated over 1 million documents which are being added to the site. This page will be updated soon with additional information. Alternatively you can request additional help from our users directly on the relevant badcaps forum. Please note that we...
            09-06-2024, 10:56 AM
          • Loading...
          • No more items.
          Working...