MacBook Air A1465 820-3435-B chimes but no video

Collapse
X
 
  • Time
  • Show
Clear All
new posts
  • carlucci
    Senior Member
    • Aug 2012
    • 50
    • Moçambique

    #1

    MacBook Air A1465 820-3435-B chimes but no video

    Hi.
    I have a MacBook Air A1465 820-3435-B that gives chimes but doesn't give an image on the screen, i've already tested the backlight and it's ok, any suggestion will be welcome. Thanks.

    regards,

    Carlos
  • mon2
    Badcaps Legend
    • Dec 2019
    • 14662
    • Canada

    #2
    Re: MacBook Air A1465 820-3435-B chimes but no video

    Check and post the following:

    1) voltage readings for I2C_TCON_SDA_R, I2C_TCON_SCL_R.

    2) voltage readings for PP3V3_S0SW_LCD, PP3V3_S0SW_LCD_UF.

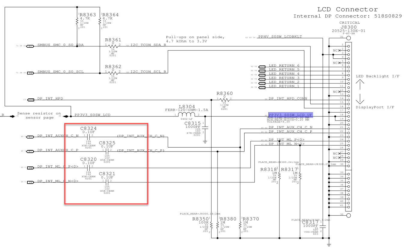
    3) confirm the caps for the lcd interface are present (see attached).

    4) is the display a known good LCD ?
    Attached Files

    Comment

    • carlucci
      Senior Member
      • Aug 2012
      • 50
      • Moçambique

      #3
      Re: MacBook Air A1465 820-3435-B chimes but no video

      Hi,

      This are the readings.

      I2C_TCON_SDA_R - 0.14v
      I2C_TCON_SCL_R - 0.13v
      PP3V3_S0SW_LCD - 0.51v
      PP3V3_S0SW_LCD_UF - 0.18v

      Comment

      • mon2
        Badcaps Legend
        • Dec 2019
        • 14662
        • Canada

        #4
        Re: MacBook Air A1465 820-3435-B chimes but no video

        These are not good readings.

        Is the lcd display connected?

        If yes, remove it and check and post the voltage readings again.

        Comment

        • carlucci
          Senior Member
          • Aug 2012
          • 50
          • Moçambique

          #5
          Re: MacBook Air A1465 820-3435-B chimes but no video

          No it's not connected. I remove the board from the case.

          Comment

          • mon2
            Badcaps Legend
            • Dec 2019
            • 14662
            • Canada

            #6
            Re: MacBook Air A1465 820-3435-B chimes but no video

            Voltage readings for:

            1) EDP_PANEL_PWR ?

            2) PP3V3_S5 ?

            Comment

            • carlucci
              Senior Member
              • Aug 2012
              • 50
              • Moçambique

              #7
              Re: MacBook Air A1465 820-3435-B chimes but no video

              Originally posted by mon2
              Voltage readings for:

              1) EDP_PANEL_PWR ?

              2) PP3V3_S5 ?

              EDP_PANEL_PWR ? 0.6v

              PP3V3_S5 ? 3.30v

              Comment

              • mon2
                Badcaps Legend
                • Dec 2019
                • 14662
                • Canada

                #8
                Re: MacBook Air A1465 820-3435-B chimes but no video

                EDP_PANEL_PWR is the wrong voltage to enable the power rail for the LCD panel.

                Remove all power (no battery / no adapter).

                Meter in resistance mode.

                Check the resistance to ground for EDP_PANEL_PWR. If the resistance is too low then it is shorting to ground. If the resistance is ok then this pin is not being driven to the proper logic level to turn on the load switch @ U8300.

                Post the resistance.

                Comment

                • reformatt
                  Badcaps Legend
                  • Feb 2020
                  • 1496
                  • Australia

                  #9
                  Re: MacBook Air A1465 820-3435-B chimes but no video

                  Check for corrosion under U8005 (1.05V PCH HSIO switch). I had the exact same problem today on a 820-3437 board. It's right at the edge so easy for corrosion to get under that. Such a small IC that it's quite easy to miss.

                  Comment

                  • Lightcap
                    Member
                    • Mar 2022
                    • 11
                    • United Kingdom

                    #10
                    Re: MacBook Air A1465 820-3435-B chimes but no video

                    I cannot seem to start a new thread so i'll add this one please;

                    MacBook Air A1465

                    I have to above laptop, the backlight is on but on image, the start up chime is there and the fan spins.

                    Also when then battery is dead the battery icon appears on the screen so i guess the image in there then.

                    I have also tried another screen which does the same.

                    I'd be greatful of any pointers of what to check next?

                    Thank you

                    Comment

                    • mon2
                      Badcaps Legend
                      • Dec 2019
                      • 14662
                      • Canada

                      #11
                      Re: MacBook Air A1465 820-3435-B chimes but no video

                      try a PRAM reset.

                      Comment

                      • Lightcap
                        Member
                        • Mar 2022
                        • 11
                        • United Kingdom

                        #12
                        Re: MacBook Air A1465 820-3435-B chimes but no video

                        Originally posted by mon2
                        try a PRAM reset.
                        Just tried that but it still the same, thanks.

                        Comment

                        • mon2
                          Badcaps Legend
                          • Dec 2019
                          • 14662
                          • Canada

                          #13
                          Re: MacBook Air A1465 820-3435-B chimes but no video

                          What is the history of your unit ?

                          Liquid damage ? It just stopped working ?

                          See attached. Review the highlighted parts.

                          Any sign of corrosion ? Share pics of the LCD connector on the logic board.

                          Given that you have tested another known good LCD panel, the issue is with the logic board and not the LCD panel (assuming the 2nd tested LCD panel is working).
                          Attached Files

                          Comment

                          • Lightcap
                            Member
                            • Mar 2022
                            • 11
                            • United Kingdom

                            #14
                            Re: MacBook Air A1465 820-3435-B chimes but no video

                            Originally posted by mon2
                            What is the history of your unit ?

                            Liquid damage ? It just stopped working ?

                            See attached. Review the highlighted parts.

                            Any sign of corrosion ? Share pics of the LCD connector on the logic board.

                            Given that you have tested another known good LCD panel, the issue is with the logic board and not the LCD panel (assuming the 2nd tested LCD panel is working).
                            Thanks.

                            As i read your previous answers before i posted, i have checked both the caps, none are short and i have 3v3 on that pin.

                            Is there a resistance map of the lcd connector?

                            I should add that i mostly do board repairs on iphones, for the past 10 years but very little on macs.

                            Comment

                            • reformatt
                              Badcaps Legend
                              • Feb 2020
                              • 1496
                              • Australia

                              #15
                              Re: MacBook Air A1465 820-3435-B chimes but no video

                              You mention that you see a battery icon when battery is low and you get a chime. So display is ok, it's POST'ing, so seems to be a boot issue. If there is no bootable OS, you will get a flashing folder icon on the screen but you need to wait some time for that to appear.

                              Hold the OPTION key on boot up, do you get to the bootpicker menu? Also try recovery mode CMD + R to see if it will get into that.

                              Comment

                              • Lightcap
                                Member
                                • Mar 2022
                                • 11
                                • United Kingdom

                                #16
                                Re: MacBook Air A1465 820-3435-B chimes but no video

                                HI,

                                Both the option key on start and the CMD + R on start make no change, thanks.

                                I'll leave it on and see the the folder icon appears.

                                Comment

                                • mon2
                                  Badcaps Legend
                                  • Dec 2019
                                  • 14662
                                  • Canada

                                  #17
                                  Re: MacBook Air A1465 820-3435-B chimes but no video

                                  Remove all power. Remove the SSD and power up again.

                                  Do you see the flashing folder icon everytime ?

                                  If yes, the video works and your LCD is fine. Confirm this first.

                                  Comment

                                  • Lightcap
                                    Member
                                    • Mar 2022
                                    • 11
                                    • United Kingdom

                                    #18
                                    Re: MacBook Air A1465 820-3435-B chimes but no video

                                    Originally posted by mon2
                                    Remove all power. Remove the SSD and power up again.

                                    Do you see the flashing folder icon everytime ?

                                    If yes, the video works and your LCD is fine. Confirm this first.
                                    Thank you for your help, removed ssd, flashing folder with ? is on screen now.

                                    SSD knackered?

                                    Comment

                                    • mon2
                                      Badcaps Legend
                                      • Dec 2019
                                      • 14662
                                      • Canada

                                      #19
                                      Re: MacBook Air A1465 820-3435-B chimes but no video

                                      Appears to be. Not with much experience on this but recall our techs using an external clamshell (USB housing from OWC) to host this SSD and then erasing / applying new OS onto the drive.

                                      They are cheap on the open market - not a bad idea to test with a known good SSD for this model.

                                      Do update this thread once you have had a chance to test another SSD. In the meantime, check for any possible contact fluff on the PCB for this SSD socket. Clean with IPA - always a good idea.

                                      Comment

                                      • Lightcap
                                        Member
                                        • Mar 2022
                                        • 11
                                        • United Kingdom

                                        #20
                                        Re: MacBook Air A1465 820-3435-B chimes but no video

                                        I'll try another SSD and follow up here, many thanks!

                                        Comment

                                        Related Topics

                                        Collapse

                                        • sdogs
                                          macbook pro M1 a2338 no video on internal display PP3V3_S2 short
                                          by sdogs
                                          Greetings to the entire forum, I ask you for help because I'm going crazy. A dear friend of mine gave me a macbook pro M1 A2338 that only works with an external screen. With the internal one, no backlight or image. Only the external display is detected from the system settings.
                                          First I changed the display flat, then I made a backup with time machine and tried a reset in dfu but nothing to do, always the same problem.
                                          I analyzed the logic board, it shows no sign of liquid or visible damage. I then moved on to examine the logic with the thermal camera and found that the UP701 chip was...
                                          06-27-2025, 01:58 PM
                                        • sdogs
                                          macbook pro M1 a2338 no video on internal display PP3V3_S2 short
                                          by sdogs
                                          Greetings to the entire forum, I ask you for help because I'm going crazy. A dear friend of mine gave me a macbook pro M1 A2338 that only works with an external screen. With the internal one, no backlight or image. Only the external display is detected from the system settings.
                                          First I changed the display flat, then I made a backup with time machine and tried a reset in dfu but nothing to do, always the same problem.
                                          I analyzed the logic board, it shows no sign of liquid or visible damage. I then moved on to examine the logic with the thermal camera and found that the UP701 chip was...
                                          06-27-2025, 11:26 AM
                                        • Document Archive
                                          HP EliteDesk 800 G3 + GoPro HERO6 Black 4K Ultra HD Video Camera EliteDesk 800 i7-7700 Specification for Upgrade or Repair
                                          by Document Archive
                                          This specification for the HP EliteDesk 800 G3 + GoPro HERO6 Black 4K Ultra HD Video Camera can be useful for upgrading or repairing a desktop PC that is not working. As a community we are working through our specifications to add valuable data like the EliteDesk 800 G3 + GoPro HERO6 Black 4K Ultra HD Video Camera boardview and EliteDesk 800 G3 + GoPro HERO6 Black 4K Ultra HD Video Camera schematic. Our users have donated over 1 million documents which are being added to the site. This page will be updated soon with additional information. Alternatively you can request additional help from our...
                                          09-12-2024, 02:00 PM
                                        • envym
                                          MacBook Pro 2018 with Activation Lock
                                          by envym
                                          Hi everyone!

                                          I have a 2018 MacBook Pro (with Sequoia OS) that I've been using for years with no problem. I recently received an M2 MacBook Pro so I'm mostly using it and not the 2018 one, but since a friend of mine needs a computer, I thought I could restore my 2018 and give it brand-new-like to my friend.

                                          I tried using the built-in tool to restore the MacBook (Settings > General > Transfer or restore > Delete) but it got stuck when trying to remove the Find Device configuration (it asked me for the password for my old Apple ID -now I use the same account but...
                                          06-27-2025, 08:54 AM
                                        • Document Archive
                                          Apple MacBook Air 11 A1465 820-3208-A Boardview
                                          by Document Archive
                                          Apple MacBook Air 11 A1465 820-3208-A Boardview...
                                          10-29-2024, 02:02 AM
                                        • Loading...
                                        • No more items.
                                        Working...