Asus x555uj notebook 19v no input.

Collapse
X
 
  • Time
  • Show
Clear All
new posts
  • Sametbey
    Badcaps Veteran
    • Jan 2021
    • 229
    • Turkey

    #1

    Asus x555uj notebook 19v no input.

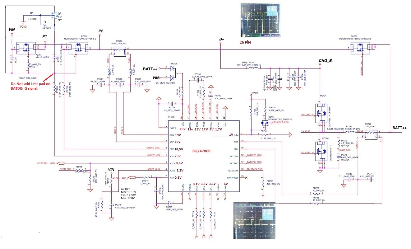
    Asus x555uj notebook 19v no input. With which program I can see the value of PR8929 resistance in the boardview file. charge control BQ24780 AC_DET input is missing. I'm looking for a program.
    I'm not happy to be so strong. because it's not humanly
  • Sametbey
    Badcaps Veteran
    • Jan 2021
    • 229
    • Turkey

    #2
    Re: Asus x555uj notebook 19v no input.

    boardview
    Attached Files

    if you find these attachements useful please consider making a small donation to the site

    I'm not happy to be so strong. because it's not humanly

    Comment

    • mon2
      Badcaps Legend
      • Dec 2019
      • 14761
      • Canada

      #3
      Re: Asus x555uj notebook 19v no input.

      You can try a different boardview file reader which may offer more details.

      Can you post the boardview file here for a review?

      Comment

      • SMDFlea
        Super Moderator
        • Jan 2018
        • 22191
        • UK

        #4
        Re: Asus x555uj notebook 19v no input.

        Originally posted by mon2
        You can try a different boardview file reader which may offer more details.

        Can you post the boardview file here for a review?
        Boardview - https://www.badcaps.net/forum/showthread.php?t=88098

        https://www.badcaps.net/forum/showthread.php?t=91136
        Last edited by SMDFlea; 10-04-2023, 05:12 AM.
        All donations to badcaps are welcome, click on this link to donate. Thanks to all supporters

        Comment

        • Sametbey
          Badcaps Veteran
          • Jan 2021
          • 229
          • Turkey

          #5
          Re: Asus x555uj notebook 19v no input.

          the file here. I am using boardview version 2.1.0. but I can't see the resistance values. Which program do you need?

          https://www.badcaps.net/forum/showthread.php?t=91136
          Last edited by SMDFlea; 10-04-2023, 05:13 AM.
          I'm not happy to be so strong. because it's not humanly

          Comment

          • mon2
            Badcaps Legend
            • Dec 2019
            • 14761
            • Canada

            #6
            Re: Asus x555uj notebook 19v no input.

            Here you go.
            Attached Files

            if you find these attachements useful please consider making a small donation to the site

            Comment

            • Sametbey
              Badcaps Veteran
              • Jan 2021
              • 229
              • Turkey

              #7
              Re: Asus x555uj notebook 19v no input.

              thank you for the answer. I noticed that it is not in *.asc files, but in *.fz files. need to find a different boardview file.
              I'm not happy to be so strong. because it's not humanly

              Comment

              • mon2
                Badcaps Legend
                • Dec 2019
                • 14761
                • Canada

                #8
                Re: Asus x555uj notebook 19v no input.

                I can post this boardview file once at the office.

                Comment

                • Sametbey
                  Badcaps Veteran
                  • Jan 2021
                  • 229
                  • Turkey

                  #9
                  Re: Asus x555uj notebook 19v no input.

                  It was needed for a liquid contact x555uj. Thank you, I found. For PR8929 127K resistor rating.
                  Attached Files

                  if you find these attachements useful please consider making a small donation to the site

                  Last edited by Sametbey; 04-23-2021, 09:25 AM.
                  I'm not happy to be so strong. because it's not humanly

                  Comment

                  • mon2
                    Badcaps Legend
                    • Dec 2019
                    • 14761
                    • Canada

                    #10
                    Re: Asus x555uj notebook 19v no input.

                    Yes, agreed. Posted that yesterday - see above.

                    Comment

                    • webduck
                      New Member
                      • Aug 2021
                      • 5
                      • Germany

                      #11
                      Re: Asus x555uj notebook 19v no input.

                      Hi, If you still have that boardview with more details i would really appreciate if i could get it somehow. I also have a X555UJ that's not charging or turning on without battery and i need to find the specification of the capacitor for the mosfets.

                      Comment

                      • mon2
                        Badcaps Legend
                        • Dec 2019
                        • 14761
                        • Canada

                        #12
                        Re: Asus x555uj notebook 19v no input.

                        Hi. Please see attached. Post back if you have trouble in reading these files with your viewer.

                        https://www.badcaps.net/forum/showthread.php?t=91136
                        .
                        Last edited by SMDFlea; 10-04-2023, 05:13 AM.

                        Comment

                        • webduck
                          New Member
                          • Aug 2021
                          • 5
                          • Germany

                          #13
                          Re: Asus x555uj notebook 19v no input.

                          Thanks a lot for getting back to me! So I've seen that this is a 1000pf 50v MLCC 10% unfortunately stupid as i am i already ordered a 470pf 50v 10% because i had the wrong boardview in the beginning, that was the same setup also for a 19v power rail. Do you by chance know if you could just use the 470pf one or do i need to get 1000pf?

                          Thanks again in advance for your help!

                          Comment

                          • mon2
                            Badcaps Legend
                            • Dec 2019
                            • 14761
                            • Canada

                            #14
                            Re: Asus x555uj notebook 19v no input.

                            Can you post which cap you are referencing ? The voltage of the caps is the same which is good.

                            The capacitance is not that far off and should most likely work ok but need to review how it is used in the design. It could be a filter cap or could be used as a delay, etc.

                            Comment

                            • webduck
                              New Member
                              • Aug 2021
                              • 5
                              • Germany

                              #15
                              Re: Asus x555uj notebook 19v no input.

                              It's "PC8905" It's connecting the gate of the mosfet below it to the input 19v Rail. I've attached pictures for reference.
                              Attached Files

                              if you find these attachements useful please consider making a small donation to the site

                              Comment

                              • webduck
                                New Member
                                • Aug 2021
                                • 5
                                • Germany

                                #16
                                Re: Asus x555uj notebook 19v no input.

                                Hi,
                                I'm pretty lost regarding this. I replaced the cap and it didn't work, now I thought it might be a short to ground, but I tried using current injection to find it and nothing gets hot, instead the thing turns on and works perfectly fine. the only other thing I could think of is that the mosfet right below the cap might be defective but I don't know how I would find out. I think I'll just try to find a replacement for it and if that doesn't work I might just as well try bridging that part and seeing if it works, because if the mainboard breaks I'd need to replace it anyways.

                                Do you have any other ideas?

                                Comment

                                • Sametbey
                                  Badcaps Veteran
                                  • Jan 2021
                                  • 229
                                  • Turkey

                                  #17
                                  Re: Asus x555uj notebook 19v no input.

                                  Probably because the second mosfet is short-circuited, the first mosfet does not open. or there may be a short-circuit in the +B part.
                                  Attached Files

                                  if you find these attachements useful please consider making a small donation to the site

                                  I'm not happy to be so strong. because it's not humanly

                                  Comment

                                  Related Topics

                                  Collapse

                                  • Document Archive
                                    ASUS ZenBook Zenbook 14 Flip OLED UN5401QA-KN144W Notebook Specification for Upgrade or Repair
                                    by Document Archive
                                    This specification for the ASUS ZenBook Zenbook 14 Flip OLED UN5401QA-KN144W Notebook can be useful for upgrading or repairing a laptop that is not working. As a community we are working through our specifications to add valuable data like the Zenbook 14 Flip OLED UN5401QA-KN144W boardview and Zenbook 14 Flip OLED UN5401QA-KN144W schematic. Our users have donated over 1 million documents which are being added to the site. This page will be updated soon with additional information. Alternatively you can request additional help from our users directly on the relevant badcaps forum. Please note that...
                                    09-07-2024, 06:31 AM
                                  • Document Archive
                                    ASUS P1512CEA-EJ0169 Notebook Specification for Upgrade or Repair
                                    by Document Archive
                                    This specification for the ASUS P1512CEA-EJ0169 Notebook can be useful for upgrading or repairing a laptop that is not working. As a community we are working through our specifications to add valuable data like the P1512CEA-EJ0169 boardview and P1512CEA-EJ0169 schematic. Our users have donated over 1 million documents which are being added to the site. This page will be updated soon with additional information. Alternatively you can request additional help from our users directly on the relevant badcaps forum. Please note that we offer no warranties that any specification, datasheet, or download...
                                    09-07-2024, 05:20 AM
                                  • Document Archive
                                    ASUS TUF Gaming FX706HEB-HX170T Notebook F17 Specification for Upgrade or Repair
                                    by Document Archive
                                    This specification for the ASUS TUF Gaming FX706HEB-HX170T Notebook can be useful for upgrading or repairing a laptop that is not working. As a community we are working through our specifications to add valuable data like the FX706HEB-HX170T boardview and FX706HEB-HX170T schematic. Our users have donated over 1 million documents which are being added to the site. This page will be updated soon with additional information. Alternatively you can request additional help from our users directly on the relevant badcaps forum. Please note that we offer no warranties that any specification, datasheet,...
                                    09-07-2024, 05:00 AM
                                  • Document Archive
                                    ASUS FX507ZM-HQ017W Notebook Specification for Upgrade or Repair
                                    by Document Archive
                                    This specification for the ASUS FX507ZM-HQ017W Notebook can be useful for upgrading or repairing a laptop that is not working. As a community we are working through our specifications to add valuable data like the FX507ZM-HQ017W boardview and FX507ZM-HQ017W schematic. Our users have donated over 1 million documents which are being added to the site. This page will be updated soon with additional information. Alternatively you can request additional help from our users directly on the relevant badcaps forum. Please note that we offer no warranties that any specification, datasheet, or download...
                                    09-07-2024, 05:00 AM
                                  • Document Archive
                                    ASUS P1512CEA-EJ0169 Notebook Specification for Upgrade or Repair
                                    by Document Archive
                                    This specification for the ASUS P1512CEA-EJ0169 Notebook can be useful for upgrading or repairing a laptop that is not working. As a community we are working through our specifications to add valuable data like the P1512CEA-EJ0169 boardview and P1512CEA-EJ0169 schematic. Our users have donated over 1 million documents which are being added to the site. This page will be updated soon with additional information. Alternatively you can request additional help from our users directly on the relevant badcaps forum. Please note that we offer no warranties that any specification, datasheet, or download...
                                    09-07-2024, 04:30 AM
                                  • Loading...
                                  • No more items.
                                  Working...