Hi guis,
So wen it must happens... it happens...
I try to change broken display... I don't know way, but after I put the new one /it's not new, its from used laptop/, I burned the MB.

I upload pic from the burned place.
So when I start the laptop at first it's fire the backlight of the screen and there is picture, but next the backlight is fading out, the burning place go hot, and the picture gone away.
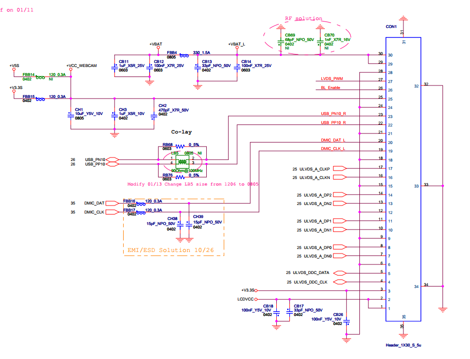
So for now I need electric diagram to see what is burned...
I'm trying to find myself, if I do,I'll write back.
So wen it must happens... it happens...
I try to change broken display... I don't know way, but after I put the new one /it's not new, its from used laptop/, I burned the MB.

I upload pic from the burned place.
So when I start the laptop at first it's fire the backlight of the screen and there is picture, but next the backlight is fading out, the burning place go hot, and the picture gone away.
So for now I need electric diagram to see what is burned...
I'm trying to find myself, if I do,I'll write back.

... I'll try.
Comment