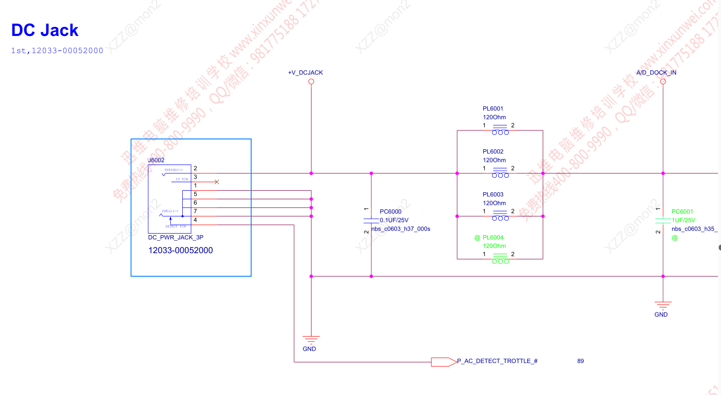
Hi ☀️
I have a my Asus zenbook duo ux481fl and I'm trying to see if anyone has the service repair guide? For the physical repair or testing of the battery and ports.
I have the laptop taken apart but the laptop will not power on to check the internal system to pinpoint the problem.
I have a my Asus zenbook duo ux481fl and I'm trying to see if anyone has the service repair guide? For the physical repair or testing of the battery and ports.
I have the laptop taken apart but the laptop will not power on to check the internal system to pinpoint the problem.
Comment