Xiaomi Mi Notebook Air 12.5 R10-6050A2789401 burnt component

Collapse
X
 
  • Time
  • Show
Clear All
new posts
  • Andri15
    Member
    • Jul 2024
    • 46
    • indonesia

    #1

    Xiaomi Mi Notebook Air 12.5 R10-6050A2789401 burnt component

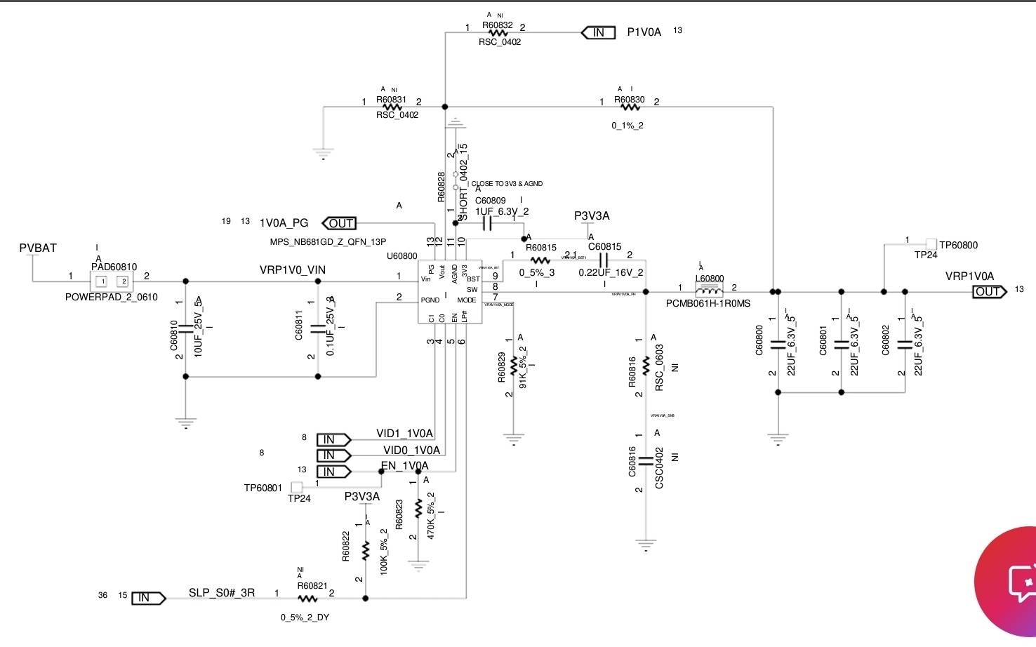
    can someone help me find this burnt component?
  • Sephir0th
    Badcaps Legend
    • Oct 2020
    • 1289
    • Germany

    #2
    I could imagine it being the NB681GD-Z. As far as I can notice it's the only silkscreen code which does not match with its counter-part number on the silkscreen (U60800 instead of U60500).
    Attached Files

    if you find these attachements useful please consider making a small donation to the site

    Last edited by Sephir0th; 06-04-2025, 09:23 AM.
    FairRepair on YouTube

    Comment

    • Andri15
      Member
      • Jul 2024
      • 46
      • indonesia

      #3
      okay thank you, the only problem is I don't know the route

      Comment

      • Andri15
        Member
        • Jul 2024
        • 46
        • indonesia

        #4
        where is the 12 foot path going?

        Comment

        Related Topics

        Collapse

        • Document Archive
          HP ProBook HP ProBook 450 15.6 inch G10 Notebook PC Notebook 400 Specification for Upgrade or Repair
          by Document Archive
          This specification for the HP ProBook HP ProBook 450 15.6 inch G10 Notebook PC Notebook can be useful for upgrading or repairing a laptop that is not working. As a community we are working through our specifications to add valuable data like the HP ProBook 450 15.6 inch G10 Notebook PC boardview and HP ProBook 450 15.6 inch G10 Notebook PC schematic. Our users have donated over 1 million documents which are being added to the site. This page will be updated soon with additional information. Alternatively you can request additional help from our users directly on the relevant badcaps forum. Please...
          09-07-2024, 07:12 AM
        • Document Archive
          HP ProBook HP ProBook 450 15.6 inch G10 Notebook PC Notebook 400 Specification for Upgrade or Repair
          by Document Archive
          This specification for the HP ProBook HP ProBook 450 15.6 inch G10 Notebook PC Notebook can be useful for upgrading or repairing a laptop that is not working. As a community we are working through our specifications to add valuable data like the HP ProBook 450 15.6 inch G10 Notebook PC boardview and HP ProBook 450 15.6 inch G10 Notebook PC schematic. Our users have donated over 1 million documents which are being added to the site. This page will be updated soon with additional information. Alternatively you can request additional help from our users directly on the relevant badcaps forum. Please...
          09-07-2024, 06:40 AM
        • Document Archive
          HP EliteBook EliteBook 860 16 inch G9 Notebook PC Notebook 800 Specification for Upgrade or Repair
          by Document Archive
          This specification for the HP EliteBook EliteBook 860 16 inch G9 Notebook PC Notebook can be useful for upgrading or repairing a laptop that is not working. As a community we are working through our specifications to add valuable data like the EliteBook 860 16 inch G9 Notebook PC boardview and EliteBook 860 16 inch G9 Notebook PC schematic. Our users have donated over 1 million documents which are being added to the site. This page will be updated soon with additional information. Alternatively you can request additional help from our users directly on the relevant badcaps forum. Please note that...
          09-07-2024, 05:50 AM
        • Document Archive
          HP ProBook ProBook Fortis 14 inch G9 Notebook PC Notebook Specification for Upgrade or Repair
          by Document Archive
          This specification for the HP ProBook ProBook Fortis 14 inch G9 Notebook PC Notebook can be useful for upgrading or repairing a laptop that is not working. As a community we are working through our specifications to add valuable data like the ProBook Fortis 14 inch G9 Notebook PC boardview and ProBook Fortis 14 inch G9 Notebook PC schematic. Our users have donated over 1 million documents which are being added to the site. This page will be updated soon with additional information. Alternatively you can request additional help from our users directly on the relevant badcaps forum. Please note...
          09-07-2024, 05:50 AM
        • Document Archive
          HP EliteBook EliteBook 860 16 inch G9 Notebook PC Notebook 800 Specification for Upgrade or Repair
          by Document Archive
          This specification for the HP EliteBook EliteBook 860 16 inch G9 Notebook PC Notebook can be useful for upgrading or repairing a laptop that is not working. As a community we are working through our specifications to add valuable data like the EliteBook 860 16 inch G9 Notebook PC boardview and EliteBook 860 16 inch G9 Notebook PC schematic. Our users have donated over 1 million documents which are being added to the site. This page will be updated soon with additional information. Alternatively you can request additional help from our users directly on the relevant badcaps forum. Please note that...
          09-07-2024, 05:50 AM
        • Loading...
        • No more items.
        Working...