Galaxy Book Pro 360 NP930QDB

Collapse
X
 
  • Time
  • Show
Clear All
new posts
  • Norr9075
    Member
    • Nov 2017
    • 11
    • Canada

    #1

    Galaxy Book Pro 360 NP930QDB

    Good Afternoon friends,

    Can someone please help me, I have attached a picture. This laptop sustained a very small amount of liquid damage. I'm positive the cap seen in the picture ( the cap has been removed ) is short, but could it also by the ( Mostfet ) I think that's what the IC is called. When i put my positive and negative problems on my multimeter, on the shorted cap, it beeps. Im sorry if my explanation is not great.
    Attached Files

    if you find these attachements useful please consider making a small donation to the site

  • mon2
    Badcaps Legend
    • Dec 2019
    • 14802
    • Canada

    #2
    The IC is a SOT23-6 package (with 3 legs on each side). Can you share the topside markings of this component?

    This part may be a local regulator where it takes in a higher voltage and lowers it to another power rail. If needed, pour a bit of IPA alcohol (Costco pharmacy stuff is great) - grab it from the Costco on the 401 This will enhance the markings to make them legible.

    Comment

    • Norr9075
      Member
      • Nov 2017
      • 11
      • Canada

      #3
      The marking are dKDKD

      Comment

      • Norr9075
        Member
        • Nov 2017
        • 11
        • Canada

        #4
        I have been on the phone with Digikey and they couldn't offer much help

        Comment

        • mon2
          Badcaps Legend
          • Dec 2019
          • 14802
          • Canada

          #5
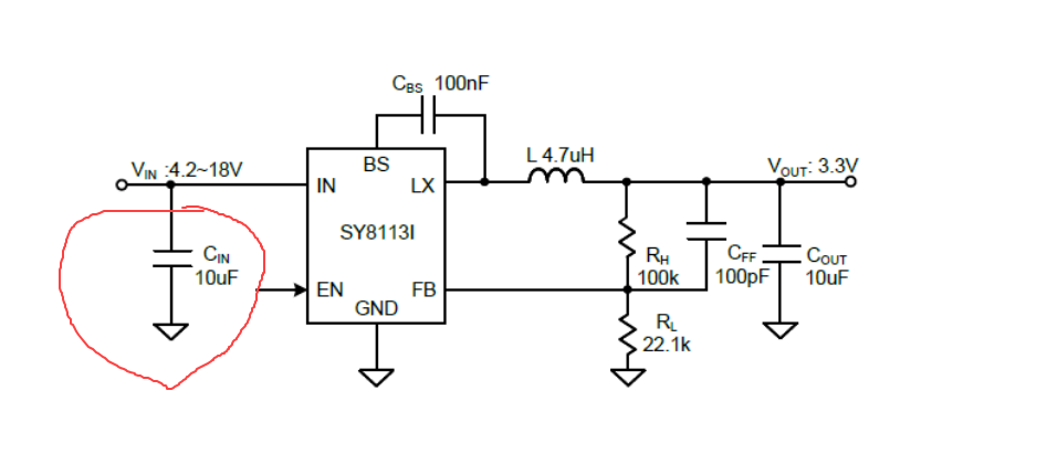
          Suspecting this part to be Silergy SY8113IADC which is a buck switching regulator (confirm the large grey inductor to the left).

          reference:
          https://www.ebay.com/itm/355757606709

          LCSC.com and Aliexpress sell these parts.
          https://lcsc.com/product-detail/DC-D...C_C479075.html

          Will check again after a late lunch...

          Comment

          • Norr9075
            Member
            • Nov 2017
            • 11
            • Canada

            #6
            Is there a way I can test before I go ahead and order, for clarification, there is a capacitor that I removed, when I put my black and red probe on the points, it beeps, That means it shorted correct?

            Comment

            • mon2
              Badcaps Legend
              • Dec 2019
              • 14802
              • Canada

              #7
              Test your capacitor first by using resistance mode. Is your meter auto-ranging or is a manual type?

              Place the meter probes across the removed capacitor. If you see 'OL' = over limit, switch to a higher scale. If auto-ranging type, the meter will auto-adjust. What is the resistance across this capacitor that is on your work bench? If the resistance is low, then the capacitor is likely to be defective and should be replaced.

              Next, we need to study the purpose of this capacitor. By reviewing the datasheet, we can determine if the capacitor is for the input or output of the regulator.

              The removed capacitor was mated to pin #5 = INPUT pin so this was an input filter capacitor. According to the internet, the value is 10uf and the voltage rating for this capacitor should be enough to support the input voltage + a bit of overhead.

              Click image for larger version  Name:	input_cap2.png Views:	0 Size:	24.2 KB ID:	3643190

              Click image for larger version  Name:	input_cap.png Views:	0 Size:	47.8 KB ID:	3643191
              Last edited by mon2; 05-22-2025, 01:44 PM.

              Comment

              • Norr9075
                Member
                • Nov 2017
                • 11
                • Canada

                #8
                Unfortunately the capacitor is long gone, how should I proceed now? I appreciate the help!

                Comment

                • Norr9075
                  Member
                  • Nov 2017
                  • 11
                  • Canada

                  #9
                  When I soldered in a used capacitor from a macbook air logic board that looked the same as the one previously on the motherboard, it still beeps when MM was in continuity mode.

                  Comment

                  • mon2
                    Badcaps Legend
                    • Dec 2019
                    • 14802
                    • Canada

                    #10
                    Can you confirm how you are testing this part?

                    If you are using diode mode, the red meter probe must go to ground. The black meter probe should be to the pin to test.

                    So suggest to test with red meter probe to ground; black meter probe to the pin # 5 shown in yellow (above). This is the input rail to this regulator. Do you have a meter beep? What is the measurement on the meter in DIODE mode?

                    Then confirm this measurement by using resistance mode. Meter in resistance mode. One meter probe (either color is ok) to ground; other meter probe to pin # 5 again. You should not have a low resistance reading here else there is a short on the part / rail under test. If the meter shows 'OL' then switch to a higher resistance scale on your meter.

                    The capacitor being used on this board is important because you will have a high voltage as input to the regulator. Capacitors have a voltage rating that must be respected.

                    According to the Silergy datasheet, the input can be as high as 18v so as a rule of thumb, consider to use a replacement capacitor @ 25v or higher and 10uf capacitance. This is a ceramic part with no polarity so can be soldered in either direction.

                    Not 100% sure of the physical size of the missing capacitor but could be 0603; 0805 in size. Basing this size on the relative size of the SOT23-6 package.

                    The best suggestion is to use a micrometer - a low cost digital one from Princess Auto should work here. They are priceless to measure out small parts.

                    Once you know the length x width, we can quickly confirm a valid replacement from Digikey, Mouser, etc. Digikey is +$8 CAD for shipping for next day to Canada.

                    Before you continue, we need to know why and if you have a valid short condition. The Silergy part is also available but may be from Aliexpress or LCSC.COM (Shenzhen). We work with lcsc.com all the time and are a solid supplier. Kind of like a Digikey for China.

                    Comment

                    • Norr9075
                      Member
                      • Nov 2017
                      • 11
                      • Canada

                      #11
                      Diod mode= .465 and climbing to .480, .501 ect.
                      Resistance mode=.109 and rising using the 2M on resistance mode

                      Let me know what i should do next please. Thank you

                      Obviously battery unplugged from Motherboard!

                      Should there be continuity across the capacitor when I solder in a new one above the tsot23-6? should it beep on continuity mode?

                      Comment

                      • mon2
                        Badcaps Legend
                        • Dec 2019
                        • 14802
                        • Canada

                        #12
                        There is no short on these tested pins. If I am following this thread correctly, with the (now removed) capacitor soldered, there was a short here? If yes, the next step will be to replace this missing input shorted capacitor. As we do not know the input voltage and basing on the datasheet - the max input is 18v so any higher than 18v capacitor is ok to use here. 25V parts are common.

                        Ideally, will be best to measure out the pads on the board with a micrometer. Plan B is to just purchase a few of assorted sizes and solder in the one that fits.

                        For example,

                        https://www.digikey.ca/en/products/d...6MA73J/4905347
                        * 0603 10uf 25v

                        https://www.digikey.ca/en/products/d...250CT/14836836
                        * 0805 10uf 25v

                        https://www.digikey.ca/en/products/d...106KL-T/930689
                        * 1206 10uf 25v

                        If you are in a rush, Digikey is great. For lower cost, Aliexpress is ok but have more faith in DK / Mouser / Arrow for such parts, when they are available.

                        Comment

                        • Norr9075
                          Member
                          • Nov 2017
                          • 11
                          • Canada

                          #13
                          ok, let say I can remove one capacitor from the 100 motherboards I have laying around, how do I test the capacitor removed from the board, can I test it while still on the board, with the regular MM I have ?

                          Comment

                          • mon2
                            Badcaps Legend
                            • Dec 2019
                            • 14802
                            • Canada

                            #14
                            Fair enough. Suggest to review the INPUT side of the charger IC on these motherboards. The reason being that the input voltage will offer parts that are mating with the ~19v range of the power adapter. This capacitor will be of a high enough voltage to serve your purpose.

                            Do you have a capacitance mode on your meter?

                            Comment

                            • Norr9075
                              Member
                              • Nov 2017
                              • 11
                              • Canada

                              #15
                              I successfully removed a Capacitor from a donor board and now I have a working laptop. Thank you for all your assistance sir!

                              Comment

                              Related Topics

                              Collapse

                              • Document Archive
                                Samsung Galaxy Book Pro 360 NP930QDB-KF6DE Hybrid (2-in-1) Specification for Upgrade or Repair
                                by Document Archive
                                This specification for the Samsung Galaxy Book Pro 360 NP930QDB-KF6DE Hybrid (2-in-1) can be useful for upgrading or repairing a laptop that is not working. As a community we are working through our specifications to add valuable data like the NP930QDB-KF6DE boardview and NP930QDB-KF6DE schematic. Our users have donated over 1 million documents which are being added to the site. This page will be updated soon with additional information. Alternatively you can request additional help from our users directly on the relevant badcaps forum. Please note that we offer no warranties that any specification,...
                                09-07-2024, 03:40 AM
                              • Document Archive
                                Samsung Galaxy Book Pro 360 NP930QDB-KE3UK Hybrid (2-in-1) Specification for Upgrade or Repair
                                by Document Archive
                                This specification for the Samsung Galaxy Book Pro 360 NP930QDB-KE3UK Hybrid (2-in-1) can be useful for upgrading or repairing a laptop that is not working. As a community we are working through our specifications to add valuable data like the NP930QDB-KE3UK boardview and NP930QDB-KE3UK schematic. Our users have donated over 1 million documents which are being added to the site. This page will be updated soon with additional information. Alternatively you can request additional help from our users directly on the relevant badcaps forum. Please note that we offer no warranties that any specification,...
                                09-07-2024, 03:10 AM
                              • Document Archive
                                Samsung Galaxy Book Pro NP930QDB-KF5IT Hybrid (2-in-1) Specification for Upgrade or Repair
                                by Document Archive
                                This specification for the Samsung Galaxy Book Pro NP930QDB-KF5IT Hybrid (2-in-1) can be useful for upgrading or repairing a laptop that is not working. As a community we are working through our specifications to add valuable data like the NP930QDB-KF5IT boardview and NP930QDB-KF5IT schematic. Our users have donated over 1 million documents which are being added to the site. This page will be updated soon with additional information. Alternatively you can request additional help from our users directly on the relevant badcaps forum. Please note that we offer no warranties that any specification,...
                                09-07-2024, 02:50 AM
                              • Document Archive
                                Samsung Galaxy Book Pro 360 NP930QDB-KE2US Hybrid (2-in-1) Specification for Upgrade or Repair
                                by Document Archive
                                This specification for the Samsung Galaxy Book Pro 360 NP930QDB-KE2US Hybrid (2-in-1) can be useful for upgrading or repairing a laptop that is not working. As a community we are working through our specifications to add valuable data like the NP930QDB-KE2US boardview and NP930QDB-KE2US schematic. Our users have donated over 1 million documents which are being added to the site. This page will be updated soon with additional information. Alternatively you can request additional help from our users directly on the relevant badcaps forum. Please note that we offer no warranties that any specification,...
                                09-07-2024, 02:50 AM
                              • Document Archive
                                Samsung Galaxy Book Pro 360 NP930QDB-KF1US Hybrid (2-in-1) Specification for Upgrade or Repair
                                by Document Archive
                                This specification for the Samsung Galaxy Book Pro 360 NP930QDB-KF1US Hybrid (2-in-1) can be useful for upgrading or repairing a laptop that is not working. As a community we are working through our specifications to add valuable data like the NP930QDB-KF1US boardview and NP930QDB-KF1US schematic. Our users have donated over 1 million documents which are being added to the site. This page will be updated soon with additional information. Alternatively you can request additional help from our users directly on the relevant badcaps forum. Please note that we offer no warranties that any specification,...
                                09-07-2024, 02:00 AM
                              • Loading...
                              • No more items.
                              Working...