Asus N580VN no backlight lcd. Main X580VN rev 3.0

Collapse
X
 
  • Time
  • Show
Clear All
new posts
  • robgerr
    Senior Member
    • Apr 2012
    • 70
    • Italy

    #1

    Asus N580VN no backlight lcd. Main X580VN rev 3.0

    Good morning forum. , This notebook has problems with the backlight being absent. If I shine a flashlight on the screen, i can see the image. I tried to change several LCDs but the same problem. When I disassembled it, I noticed the LVDS connector was a little burned in the backlight pins. I also found oxide in the LVDS connector on the motherboard. I replaced the LVDS cable, same defect. I replaced the LVDS connector on the motherboard, same problem. I took some measurements on the pins (I used the boardview of the X580VD).

    pin 36,37,38,39 19,40v
    pin 35 no connected
    pin 34 0v
    pin 33 3,28v
    pin 30 3,16v
    pin 26,27,28,29 3,28v
    pin 25 0v
    pin 24 0v

    thank's
  • mon2
    Badcaps Legend
    • Dec 2019
    • 14740
    • Canada

    #2
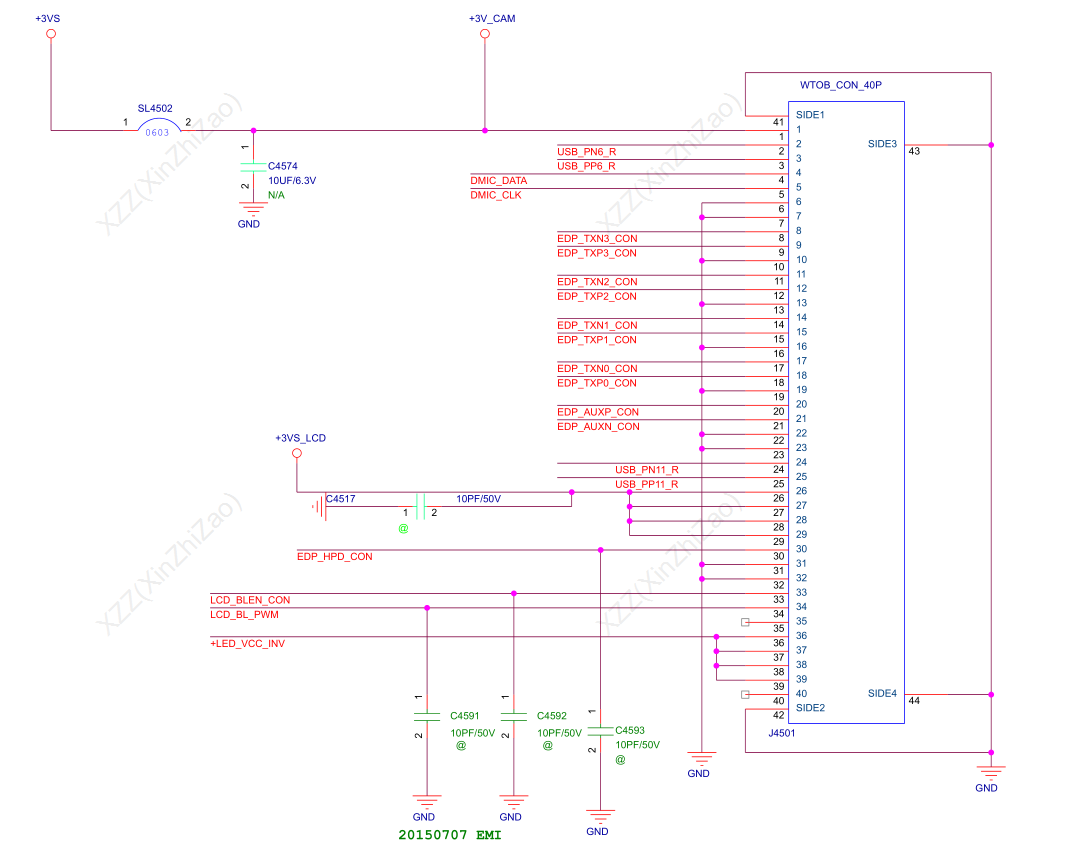
    Sharing the LCD connector pinout using the X580VD schematic. Check the voltage to ground of pin # 32 on the LCD connector = LCD_BLEN_CON.

    Click image for larger version

Name:	lcd_backlight_ctrl.png
Views:	157
Size:	59.5 KB
ID:	3314804

    Click image for larger version  Name:	lcd_connector.png Views:	0 Size:	92.2 KB ID:	3314801
    Last edited by mon2; 07-23-2024, 06:07 AM.

    Comment

    • robgerr
      Senior Member
      • Apr 2012
      • 70
      • Italy

      #3
      Hi mon2, thank's for your reply. Pin 32 is connected to gnd, enabler is on pin33.

      Comment

      • robgerr
        Senior Member
        • Apr 2012
        • 70
        • Italy

        #4
        I think the problem is lcd_bl_pwm because voltage is 0v (pin 34) but i'am not sure

        Comment

        • mon2
          Badcaps Legend
          • Dec 2019
          • 14740
          • Canada

          #5
          Yes, agreed with your corrections of the pin number details.

          The PWM is driven by the PCH. Can you attempt to locate the short on the PCB @ SL4503? Check the voltage to ground on each side of this short. Do check the continuity from this short to the LCD connector to confirm if the trace is ok or not.

          As an idea - consider to remove this short and force feed a 3v3 rail onto the PWM to force the backlight to be on. Be sure the wiring is not feeding the 3v3 INTO the PCH pin but only the LCD connector side.

          BTW - what is the voltage to ground of LCD_BLEN_CON? This is important for the PCH to enable / disable the PWM.




          Click image for larger version  Name:	pwm.png Views:	0 Size:	69.2 KB ID:	3314830

          Click image for larger version  Name:	pwm2.png Views:	0 Size:	40.1 KB ID:	3314831

          Comment

          • robgerr
            Senior Member
            • Apr 2012
            • 70
            • Italy

            #6
            Hi mon, SL4503 not present, only pad. I fix problem, cutted line lcd_bl_pwm and made jumper. Attached photo. Now backlight work at max (no backlight control).


            in any case the customer is fine with this without control




            Click image for larger version

Name:	20240724-162428-8820.jpg
Views:	128
Size:	337.9 KB
ID:	3315518

            Comment

            Related Topics

            Collapse

            Working...