Acer Predator Helios 300 Model: N20C3 PH315-53-71ZR No Power

Collapse
X
 
  • Time
  • Show
Clear All
new posts
  • pilgrimage
    Member
    • Jan 2020
    • 15
    • turkey

    #1

    Acer Predator Helios 300 Model: N20C3 PH315-53-71ZR No Power

    Hello, my laptop was working smoothly, I was getting images via hdmi via the monitor. I ordered a new lcd panel because the LCD screen was broken. After replacing the LCD screen, when I wanted to turn on my laptop, my laptop was dead. Currently, there is no power, no light, no reaction on the laptop, do you think that in this case, could the GPU or CPU of my laptop be burnt? I read in some forums that this kind of error can occur if the LCD screen is replaced while the battery is installed. Unfortunately, when I replaced the LCD panel, my laptop was completely turned off but the battery was installed. When I switch on the laptop and check it, 19V Energy comes to the laptop from the Charging IC (PUB1 in the diagram) but the laptop does not draw current. It is as if the laptop has protected itself to prevent short circuit. Is there something like a fuse in these Acer model laptops?

    Also, the cells in my battery are intact, but the Circuit Board inside does not give charging output from the battery. I think it's self-protected. The battery is not very important. My laptop is enough even if it works with the charging adaptor.

    I need your help in this matter. How should I proceed?

    Link to Shematic : https://www.badcaps.net/forum/troubl...862p-schematic


    My Laptop :
    Acer Predator Helios 300
    Model: N20C3 PH315-53-71ZR
    Motherboard model : GH51M LA-K862P Rev:1.A 23.12.2020

    thankyou for support.
  • mon2
    Badcaps Legend
    • Dec 2019
    • 14659
    • Canada

    #2
    The laptop needs the help of Semavi (Kubra; Netflix). Good show but would have liked a different ending.

    Remove the battery. Attach the power adapter. Carefully measure the voltage to ground on each pin on the DCin mosfets.

    Check source (1-2-3); check gate (4); check (5-6-7-8). Post each measurement.

    The gate voltage should be ~25 volts if the laptop is ON and this boosted voltage will be created by PUB1 charger IC (pin ACDRV). If it is not, check if REGN on PUB1 has a voltage of 6 volts.

    Comment

    • pilgrimage
      Member
      • Jan 2020
      • 15
      • turkey

      #3
      Hello, which mosfets belong to Dc_in(PJP101)?


      When I looked at the schematic, I saw the following.

      PQB1
      PQB2
      PQB11
      PQB12
      PQB13
      PQB18
      PQB19

      Is it true?



      I don't want to tire you out, but this is the first time I've ever tried to read a schematic. I think I really need Semavi (Kübra) along with my laptop. By the way, the series is a Turkish series. I also live in Turkey.

      Thank you for your support and time

      Comment

      • mon2
        Badcaps Legend
        • Dec 2019
        • 14659
        • Canada

        #4
        Have watched numerous shows from Turkey on Netflix. Very good writing. Better than Hollywood. Please introduce me to Merve - maybe she needs her laptop to be repaired???

        Find the charger ic and locate the ACDRV pin. There should be a 4K ohm resistor connected to it. Then on the other side of this resistor will be the 2 * dcin mosfets connecting their gate pins. In the meantime, do study the great article by piernov on charger circuits- see above sticky. It is a must read. We are trying to get him to do house calls.

        Also carefully measure the volts to ground of the REGN pin. It should be ~6 volts.

        Update - see attached. This logic board has 4 * DCin mosfets and they are highlighted. For safety, suggest that you consider to test if they are ok or not in resistance mode.

        Would you have a multimeter? Dial it up to resistance mode (select 200k ohms or higher).

        Remove all power = no adapter / no battery. You will then proceed to test each mosfet to see if it is leaking / shorted. This is through resistance checks. No harm if the probe slips because no power to the board. Just be careful not to scrape off any parts in the process. Hope the probes are somewhat with a point / needle like.

        Locate the mosfets which will be black in body color + 8 pins with 4 silver pins on each side. This is the 8 pin SOIC package in the electronics world. Everything, mean everything has some associated buzzword to it.

        Locate the dimple in the body of the mosfet and the top left of this dimple = pin # 1. You count the pins in a 'U' shape. Top left going down and around to top right.

        So,

        1 8
        2 7
        3 6
        4 5

        Mosfets will have pins 1-2-3 tied together to support higher currents = source pin group.
        Gate pin is the trigger = pin # 4.
        Drain pins = 5-6-7-8

        Meter on source (any pin from the group) + meter probe on drain (any pin). What is the resistance? Color of the probes does not matter in resistance checks.
        Repeat for source & gate
        Then gate & drain.

        Post each measurement and be sure to share the scale on your meter. If the meter reports '1' = over limit -> switch to a higher meter scale in the resistance group.

        For a good mosfet (vs a nasty leaky one); the resistance should be high.

        Yes, from your list - the mosfets of immediate interest are:

        PQB11
        PQB12
        PQB18
        PQB19​




        Click image for larger version  Name:	charger.png Views:	0 Size:	217.8 KB ID:	3208882
        Last edited by mon2; 02-01-2024, 07:54 PM.

        Comment

        • Sephir0th
          Badcaps Legend
          • Oct 2020
          • 1289
          • Germany

          #5
          Since a short-circuited PCH is a common outcome in these cases, it would be efficient to find take a look at the inductors for 3VALW and 1.05ALW too.

          We likely can't do much for this board anymore, so the most important thing now is that you have learned from this "accident".
          FairRepair on YouTube

          Comment

          • pilgrimage
            Member
            • Jan 2020
            • 15
            • turkey

            #6
            Thank you very much for your detailed sharing. I tried to do what you said to the extent of my technical knowledge.

            The results are as follows;


            Results only when the Power Charger adapter is plugged in ;

            PUB1 24 +6V_CHG_REGN : 6.0V
            PUB1 4 ACDRV_CHRG : 25.0V


            I have attached the pictures of PQB11 PQB12 and PQB18 and PQB19 when I turned the back side of the motherboard. When you look at the picture as you specify, I took the U-shaped base and made the measurements as you wrote below.


            1 8
            2 7
            3 6
            4 5


            Code:
            PQB11
            
            1.19.5V
            2.19.5V
            3.19.5V
            4.25.0V
            5.19.5V
            6.19.5V
            7.19.5V
            8.19.5V
            
            PQB12
            
            1.19.5V
            2.19.5V
            3.19.5V
            4.25.0V
            5.19.5V
            6.19.5V
            7.19.5V
            8.19.5V
            
            PQB18
            1.19.5V
            2.19.5V
            3.19.5V
            4.19.5V
            5.19.5V
            6.19.5V
            7.19.5V
            8.25.0V
            
            PQB19
            1.19.5V
            2.19.5V
            3.19.5V
            4.25.0V
            5.19.5V
            6.19.5V
            7.19.5V
            8.19.5V
            Results with the Power Adaptor Unplugged and the Meter in Resistance Mode ;

            In this part, when you look at the picture, I measured it in U shape as I mentioned below.


            1 8
            2 7
            3 6
            4 5
            Code:
            PQB11
            1. 3.6 M OHM
            2. 3.6 M OHM
            3. 3.6 M OHM
            4. 0
            5.284.5 K ohm
            6.284.5 K ohm
            7.284.5 K ohm
            8.284.5 K ohm
            
            PQB12
            1.17.5 K ohm
            2.17.5 K ohm
            3.17.5 K ohm
            4.17.5 K ohm
            5.3.6 M ohm
            6.3.6 M ohm
            7.3.6 M ohm
            8.0
            
            PQB18
            1.284.5 K ohm
            2.284.5 K ohm
            3.284.5 K ohm
            4.284.5 K ohm
            5.3.6 M ohm
            6.3.6 M ohm
            7.3.6 M ohm
            8.0
            
            
            PQB19
            1.3.6 M ohm
            2.3.6 M ohm
            3.3.6 M ohm
            4.0
            5.17.5 K ohm
            6.17.5 K ohm
            7.17.5 K ohm
            8.17.5 K ohm
            I took care to measure correctly and be careful when I could. In the light of the above data and measurement results, what do you think the situation is? Why the motherboard does not come power. How should I proceed after these measurements?

            Thank you very much for your support and help.
            Attached Files

            Comment

            • pilgrimage
              Member
              • Jan 2020
              • 15
              • turkey

              #7
              Originally posted by Sephir0th
              Since a short-circuited PCH is a common outcome in these cases, it would be efficient to find take a look at the inductors for 3VALW and 1.05ALW too.

              We likely can't do much for this board anymore, so the most important thing now is that you have learned from this "accident".

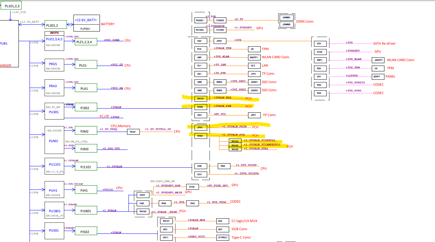
              I have attached a picture of the schematic in the annex, in which I tried to show the 3VALW and 1.05ALW parts you specified. Do I need to measure these parts in the short circuit position with the measuring instrument. I also need to measure the following parts specified in the diagram. Can you help with this issue?

              RH101
              RH99
              JPH1
              RH94
              RH102
              RH103
              RH105

              Attached Files

              Comment

              • mon2
                Badcaps Legend
                • Dec 2019
                • 14659
                • Canada

                #8
                Review again the voltage to ground check on PQB18. The list is out of order. The 25v should be on the gate pin #4.

                Comment

                • pilgrimage
                  Member
                  • Jan 2020
                  • 15
                  • turkey

                  #9
                  Originally posted by mon2
                  Review again the voltage to ground check on PQB18. The list is out of order. The 25v should be on the gate pin #4.
                  When I measure the motherboard as in the picture I attached in the attachment, PQB18 4 Pin comes out 25.0V as you said.


                  How should I proceed from now on? Are the other measurements normal?

                  thankyou.
                  Attached Files

                  Comment

                  • mon2
                    Badcaps Legend
                    • Dec 2019
                    • 14659
                    • Canada

                    #10
                    Just realized now that mosfets @ PQB18 & PQB19 are marked with the '@' symbol so they are not stuffed on the PCB. That is, these are alternate mosfets to be used if the others are not available for locations PQB11 & PQB12.

                    The measurements are good for each here and the mosfets are being enabled to power the board. As suggested in post #5, check the ALW rails. These are low current always on rails to power devices required to power on the main functions of the board.

                    Check the voltage to ground of:

                    +5VLP (PU501; Pin # 15) ; or select a part like PC514)
                    +3VALW ; PU301
                    +5VALW


                    Comment

                    • pilgrimage
                      Member
                      • Jan 2020
                      • 15
                      • turkey

                      #11
                      PQB19 When I measure in the order in the picture, I get the following results.

                      1 8
                      2 7
                      3 6
                      4 5

                      PQB19
                      1.19.5V
                      2.19.5V
                      3.19.5V
                      4.19.5V
                      5.25.0V
                      6.19.5V
                      7.19.5V
                      8.19.5V

                      Attached Files

                      Comment

                      • pilgrimage
                        Member
                        • Jan 2020
                        • 15
                        • turkey

                        #12
                        Originally posted by mon2
                        Just realized now that mosfets @ PQB18 & PQB19 are marked with the '@' symbol so they are not stuffed on the PCB. That is, these are alternate mosfets to be used if the others are not available for locations PQB11 & PQB12.

                        The measurements are good for each here and the mosfets are being enabled to power the board. As suggested in post #5, check the ALW rails. These are low current always on rails to power devices required to power on the main functions of the board.

                        Check the voltage to ground of:

                        +5VLP (PU501; Pin # 15) ; or select a part like PC514)
                        +3VALW ; PU301
                        +5VALW

                        I got the following results when I measured the sections you mentioned. However

                        PU301

                        I couldn't find which pin is +5ALW.​


                        PU501 Pin 15 : +4,89V
                        PU301 14 Pin(+3VALWP) : No Voltage
                        PU301 11 Pin (ENLDO_3V_5V) . +4.5V
                        PU301 +5VALW Which Pin ???

                        Comment

                        • pilgrimage
                          Member
                          • Jan 2020
                          • 15
                          • turkey

                          #13
                          When measuring PU301, a spark came out, I guess I couldn't do this job None of the PQB11 PQB12 19V ACDRV 25V in my previous measurements show any value.

                          However, with your valuable information and guidance, we seemed to be close to failure 19V is no longer coming. Is there still a chance of a fix after this? Or is it rubbish?

                          Comment

                          • mon2
                            Badcaps Legend
                            • Dec 2019
                            • 14659
                            • Canada

                            #14
                            Review the voltage to ground starting with the dcin mosfets. Do you have 19v incoming from the adapter? Gate voltage? Drain pin voltage? Then check next mosfet.

                            Comment

                            • pilgrimage
                              Member
                              • Jan 2020
                              • 15
                              • turkey

                              #15

                              When I check the adapter itself, there is 19V. The measurements I specified below in the message you first sent me no longer exist because a spark came out while measuring the PU301 pins. As of now, there is no 19V. They were all there before measuring PU301. Is there any way to get 19V back? But actually that was not the main fault. We were approaching the fault and the PU301 14Pin +3ALWP you mentioned unfortunately did not appear. I guess I'll have to get professional support from now on. But I'm curious about your opinion. Is there a chance of fixing this motherboard? If you say there is, I will get professional support. I couldn't do this job, we were actually close to the last PU301 14Pin +3V was not there. Do you think there was a way to solve what you would suggest if the 19V job worked after this part?

                              Results only when the Power Charger adapter is plugged in ;

                              PUB1 24 +6V_CHG_REGN : 6.0V
                              PUB1 4 ACDRV_CHRG : 25.0V

                              I have attached the pictures of PQB11 PQB12 and PQB18 and PQB19 when I turned the back side of the motherboard. When you look at the picture as you specify, I took the U-shaped base and made the measurements as you wrote below.

                              1 8
                              2 7
                              3 6
                              4 5

                              PQB11

                              1.19.5V
                              2.19.5V
                              3.19.5V
                              4.25.0V
                              5.19.5V
                              6.19.5V
                              7.19.5V
                              8.19.5V

                              PQB12

                              1.19.5V
                              2.19.5V
                              3.19.5V
                              4.25.0V
                              5.19.5V
                              6.19.5V
                              7.19.5V
                              8.19.5V

                              PQB18
                              1.19.5V
                              2.19.5V
                              3.19.5V
                              4.19.5V
                              5.19.5V
                              6.19.5V
                              7.19.5V
                              8.25.0V

                              PQB19
                              1.19.5V
                              2.19.5V
                              3.19.5V
                              4.25.0V
                              5.19.5V
                              6.19.5V
                              7.19.5V
                              8.19.5V

                              Comment

                              • pilgrimage
                                Member
                                • Jan 2020
                                • 15
                                • turkey

                                #16
                                In fact, if there are parts that you can tell me that there is a chance of improvement if you change these parts, I can order them too?

                                Comment

                                • mon2
                                  Badcaps Legend
                                  • Dec 2019
                                  • 14659
                                  • Canada

                                  #17
                                  You still have DCin mosfets that appear to be working ok and the boosted gate voltage of 25v is still present from the charger IC.

                                  Next, with extreme care, review the points of interest from post # 10. Before you start, review the width of your meter probes. If they are not thin or pointy enough, consider to take a piece of wire (single strand) and wrap it around the tip to create the sharp point. The wire should be rigid enough to act like a probed. It is important to get this right. It is possible that the always on regulators are now defective or that the spark has killed some other downstream parts of the logic board but is till to be determined.

                                  Confirm the voltage to ground measurements from post # 10. Black meter probe to ground (shield is ok); red meter probe with a wire tip to point of interest. For safety and good practice, remove all power and confirm you are able to probe the point to measure before applying the power adapter.

                                  Comment

                                  • pilgrimage
                                    Member
                                    • Jan 2020
                                    • 15
                                    • turkey

                                    #18
                                    I guess I didn't put it right.

                                    Since the spark, the voltages of the following parts are unfortunately no longer available. The latest results are now as follows.
                                    PUB1 24 +6V_CHG_REGN : 0V
                                    PUB1 4 ACDRV_CHRG : 0V
                                    PQB11
                                    1.0V
                                    2.0V
                                    3.0V
                                    4.0
                                    5.0
                                    6.0
                                    7.0
                                    8.0

                                    PQB12

                                    1.0V
                                    2.0V
                                    3.0V
                                    4.0V
                                    5.0V
                                    6.0V
                                    7.0V
                                    8.0V

                                    PQB18

                                    1.0V
                                    2.0V
                                    3.0V
                                    4.0V
                                    5.0V
                                    6.0V
                                    7.0V
                                    8.0V

                                    PQB19
                                    1.0V

                                    2.0V
                                    3.0V
                                    4.0V
                                    5.0V
                                    6.0V
                                    7.0V
                                    8.0V
                                    There was a spark when I was measuring PU301. I think I burned something. Now 19V's gone. Do I need to replace the following mosfets to get 19V back.

                                    PQB11,PQB12,PQB18,PQB19

                                    Comment

                                    • mon2
                                      Badcaps Legend
                                      • Dec 2019
                                      • 14659
                                      • Canada

                                      #19
                                      Your external power adapter may be dead. Often they have an internal fuse inside of the adapter and the adapter is sealed so they are throw aways.

                                      Double check by checking the DC adapter voltage starting at the connector. Measure with care as the power adapter may be ok but something else is damaged there. The DCin mosfets have 0 volts so it is pointing to the external power adapter.

                                      Click image for larger version

Name:	dcadapter.png
Views:	1149
Size:	130.9 KB
ID:	3210925

                                      Comment

                                      • pilgrimage
                                        Member
                                        • Jan 2020
                                        • 15
                                        • turkey

                                        #20
                                        I will plug the Charging Adaptor into the Motherboard's Power input. Then I will take the meter to the Volt section and measure the Adapter input of the Motherboard.

                                        The parts I'm going to measure

                                        PL101-PL102-PL103

                                        Black probe to the Motherboard Chassis and the other red probe to the PL101-PL102-PL103 terminals.

                                        Do I understand correctly, I need to see 19V at PL101-PL102-PL103.

                                        thankyou.​

                                        Comment

                                        Related Topics

                                        Collapse

                                        Working...