Galaxy tab SM-T510 tablet - no lcd voltage

Collapse
X
 
  • Time
  • Show
Clear All
new posts
  • Domin
    New Member
    • Mar 2023
    • 6
    • Poland

    #1

    Galaxy tab SM-T510 tablet - no lcd voltage

    Hi,
    I have a problem with Samsung Galaxy Tab A 10.1 2019 SM-T510 tablet.

    The problem is a complete lack of voltage on the LCD.
    Display has no backlight and no data (as if it was not connected to the device at all).
    Tablet appears to be booting up.
    Processor and memory are getting warm.
    When I plug in the charger I hear sound from the speakers.
    Device appears in the windows device manager (without any errors).


    The enable signals for switching on all sections of the LCD power supply appear only for about 200ms. Both signals come directly from CPU.

    It looks as if the CPU starts up and deliberately shuts down power to the ICs responsible for powering the LCD.

    What I did:
    > Checked that there is a connection between the power ICs and the connector on the LCD board (I ruled out a faulty display ribbon).
    > I have checked that the backlight works i.e. I have applied the required power to the backlight and it lights up.
    > Tried to determine if something else was heating up - to no avail.
    > I measured most of the capacitors to find possible short-circuits - I didn't find any completely shorted to ground.

    I have not included the schematic because I could not find it as a pdf file. The only place I found it is in the XinZhiZao software. I can provide additional schematics if needed.

    Could you guys give me some suggestions as to where to look further for the fault?

    Thank you so much for any help.
    Attached Files
  • mon2
    Badcaps Legend
    • Dec 2019
    • 14659
    • Canada

    #2
    Re: Galaxy tab SM-T510 tablet - no lcd voltage

    Do not have access to my schematic database at this time but the VCC for the lcd is via U7000?

    It is the enable on this component that is pulsing for 200ms then shut down?

    Check how the lcd is detected. Perhaps over I2C / smbus lines?

    What are their voltage readings to ground.

    If upstream logic is shutting down the lcd power then the lcd is not being detected or there is a fault upon power up of the lcd display.

    Comment

    • Domin
      New Member
      • Mar 2023
      • 6
      • Poland

      #3
      Re: Galaxy tab SM-T510 tablet - no lcd voltage

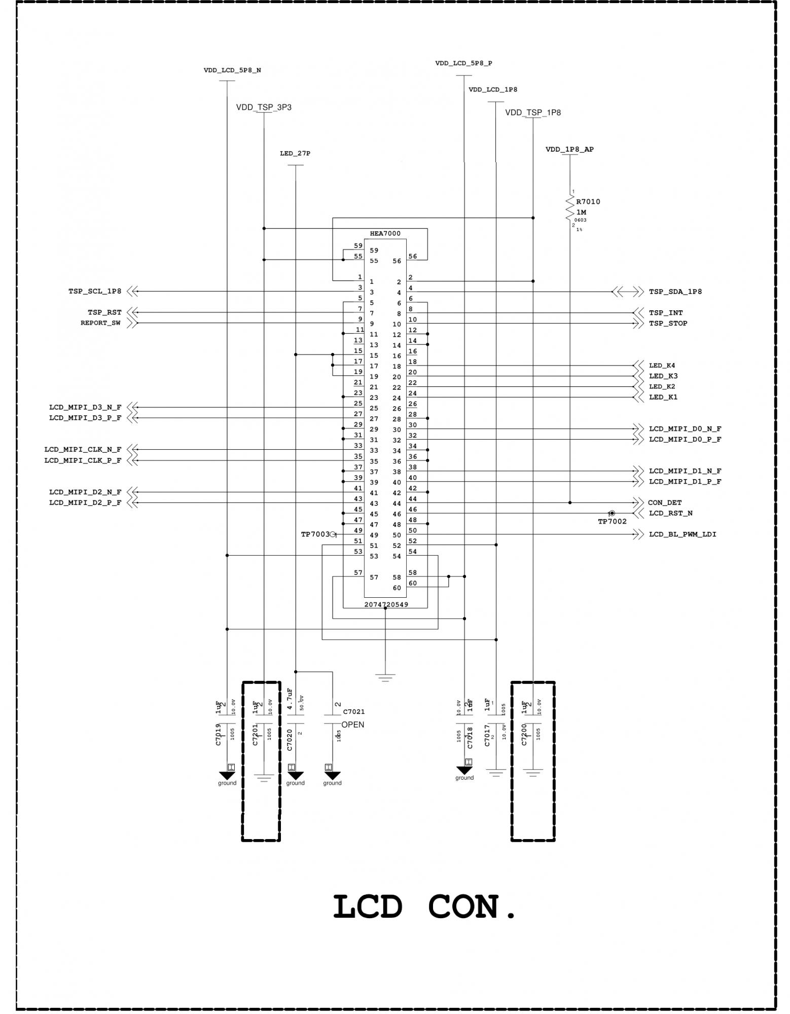
      There are two separate enable lines. One of them is responsible for turning on the U7000 responsible for +1.8V.
      The second is used to activate the U7001 chip, which generates
      VDD_LCD_5P8_P and VDD_LCD_5P8_N.

      As for the lcd detection, I see a CON_DET line with a pullup resistor.
      I checked it and it seems to work (measured on the test point next to the processor)

      There is correct communication on the lines TSP_SCL and TSP_SDA.
      They are responsible for the touch sensor. The voltage is 1.8V and you can see that there is some communication all the time.

      There is also some signal on the communication lines (MIPI) of the display. They are very difficult to measure due to the size of the elements.

      I found the datasheet of my display - TV101WUM-AS0, so I decided to attach it.
      For the display to work, you need three lines: +1.8V, +5V and -5V.

      The strange thing is that even the U7000 does not wake up - after all, it is an ordinary LDO, so it should give any voltage for a period of 200ms, and it does not.
      Attached Files

      Comment

      • mon2
        Badcaps Legend
        • Dec 2019
        • 14659
        • Canada

        #4
        Re: Galaxy tab SM-T510 tablet - no lcd voltage

        Can you confirm that each of the required voltage rails (as shown in the BOE datasheet) are present?

        For the display to work after the above, each line of the MIPI bus must be present.

        Can you remove all power -> check the MIPI lines in DIODE mode ?

        Comment

        • Domin
          New Member
          • Mar 2023
          • 6
          • Poland

          #5
          Re: Galaxy tab SM-T510 tablet - no lcd voltage

          Each of the MIPI lines has continuity to the lcd.
          The values are around 0.0012.
          I checked all the way up to the filters, so we can rule out their failure.
          As for the value relative to GND, each of them has values around 0.1100 (none below 0.1050)

          There is no signal on the LCD_MIPI_CLK bus, but the problem occurs on both signal rails. There is small voltage on them and nothing else.
          Attached Files

          Comment

          • mon2
            Badcaps Legend
            • Dec 2019
            • 14659
            • Canada

            #6
            Re: Galaxy tab SM-T510 tablet - no lcd voltage

            Mipi bus cannot function without a mipi clock.

            Comment

            • Domin
              New Member
              • Mar 2023
              • 6
              • Poland

              #7
              Re: Galaxy tab SM-T510 tablet - no lcd voltage

              Honestly I have no idea what to do here.
              This data bus goes directly to the processor and it simply does not control it. It is not shorted to VCC or GND. Resistances are fine.

              I'm just wondering if this line should actually work. According to the datasheet of the display, a HIGH signal should appear on its RESET line.
              In my case, it is constantly down, i.e. the electronics of the display are kept in a reset state all the time.
              In addition, the main PMIC has no voltage on the L5005 coil most of the time.
              Only short random pulses appear.
              As far as I know, the VDD_G3D_0P8 line is used to power the graphics.

              The processor tries to communicate with the display all the time, even though it has cut off both ENABLE signals. In addition, it keeps the RESET pin of the display low, i.e. the reset state.
              Attached Files

              Comment

              • mon2
                Badcaps Legend
                • Dec 2019
                • 14659
                • Canada

                #8
                Re: Galaxy tab SM-T510 tablet - no lcd voltage

                It is possible that the MIPI clock is off till it is ready to start to display data onto the screen.

                The parked reset may be a clue to this not operating correctly.

                For the coil you measured to be @ 0v, is the ENABLE for that rail high or low?

                I am assuming that the reset line needs to be HIGH for the display to function.

                Comment

                • Domin
                  New Member
                  • Mar 2023
                  • 6
                  • Poland

                  #9
                  Re: Galaxy tab SM-T510 tablet - no lcd voltage

                  I looked at the schematic and found the G3D_PWR_EN line and it is LOW all the time.
                  State changes to HIGH when holding down the power button.

                  If I keep the POWER button pressed, we have whole time HIGH signal and it immediately returns to 0.00V when I release it.

                  And indeed it is as you wrote
                  a HIGH state on this line activates GPU power supply.
                  Attached Files

                  Comment

                  Related Topics

                  Collapse

                  • Document Archive
                    Samsung Galaxy Book2 Pro 360 GALAXY BOOK2 PRO 360 15.6 Hybrid (2-in-1) Specification for Upgrade or Repair
                    by Document Archive
                    This specification for the Samsung Galaxy Book2 Pro 360 GALAXY BOOK2 PRO 360 15.6 Hybrid (2-in-1) can be useful for upgrading or repairing a laptop that is not working. As a community we are working through our specifications to add valuable data like the GALAXY BOOK2 PRO 360 15.6 boardview and GALAXY BOOK2 PRO 360 15.6 schematic. Our users have donated over 1 million documents which are being added to the site. This page will be updated soon with additional information. Alternatively you can request additional help from our users directly on the relevant badcaps forum. Please note that we offer...
                    09-07-2024, 06:11 AM
                  • Document Archive
                    Samsung Galaxy Book2 Pro Galaxy Book2 Pro Notebook Specification for Upgrade or Repair
                    by Document Archive
                    This specification for the Samsung Galaxy Book2 Pro Galaxy Book2 Pro Notebook can be useful for upgrading or repairing a laptop that is not working. As a community we are working through our specifications to add valuable data like the Galaxy Book2 Pro boardview and Galaxy Book2 Pro schematic. Our users have donated over 1 million documents which are being added to the site. This page will be updated soon with additional information. Alternatively you can request additional help from our users directly on the relevant badcaps forum. Please note that we offer no warranties that any specification,...
                    09-07-2024, 06:11 AM
                  • Document Archive
                    Samsung Galaxy Book2 Pro Galaxy Book2 Pro Notebook Specification for Upgrade or Repair
                    by Document Archive
                    This specification for the Samsung Galaxy Book2 Pro Galaxy Book2 Pro Notebook can be useful for upgrading or repairing a laptop that is not working. As a community we are working through our specifications to add valuable data like the Galaxy Book2 Pro boardview and Galaxy Book2 Pro schematic. Our users have donated over 1 million documents which are being added to the site. This page will be updated soon with additional information. Alternatively you can request additional help from our users directly on the relevant badcaps forum. Please note that we offer no warranties that any specification,...
                    09-07-2024, 06:11 AM
                  • Document Archive
                    Samsung Galaxy Book2 Business Galaxy Book2 Business Notebook Specification for Upgrade or Repair
                    by Document Archive
                    This specification for the Samsung Galaxy Book2 Business Galaxy Book2 Business Notebook can be useful for upgrading or repairing a laptop that is not working. As a community we are working through our specifications to add valuable data like the Galaxy Book2 Business boardview and Galaxy Book2 Business schematic. Our users have donated over 1 million documents which are being added to the site. This page will be updated soon with additional information. Alternatively you can request additional help from our users directly on the relevant badcaps forum. Please note that we offer no warranties that...
                    09-07-2024, 05:50 AM
                  • Document Archive
                    Samsung Galaxy Book2 Business Galaxy Book2 Business Notebook Specification for Upgrade or Repair
                    by Document Archive
                    This specification for the Samsung Galaxy Book2 Business Galaxy Book2 Business Notebook can be useful for upgrading or repairing a laptop that is not working. As a community we are working through our specifications to add valuable data like the Galaxy Book2 Business boardview and Galaxy Book2 Business schematic. Our users have donated over 1 million documents which are being added to the site. This page will be updated soon with additional information. Alternatively you can request additional help from our users directly on the relevant badcaps forum. Please note that we offer no warranties that...
                    09-07-2024, 05:50 AM
                  • Loading...
                  • No more items.
                  Working...