Diagnosing EAX64905001

Collapse
X
 
  • Time
  • Show
Clear All
new posts
  • dick_barton
    Badcaps Legend
    • Aug 2015
    • 6643
    • Wales

    #21
    Re: Diagnosing EAX64905001

    About the Mosfets, the original one was MDF11N65B and I've replaced it with an st 15NM65N
    The spec of the mosfet as a replacement does seem to be a very close match.

    If the original replacement was a metal back mosfet (Q101) that then blew I would be checking the bridge rectifier for damage and the components around IC101

    Look up Youtube on how to test the bridge rectifiers with your meter.
    Willing to help but I'm no expert.

    Comment

    • litec systems
      Electronics is
      • Feb 2018
      • 97
      • USA

      #22
      Re: Diagnosing EAX64905001

      Originally posted by nomoresonys
      Some of your solder joints look a little funky as well, maybe touch them up.
      ok which area looks bad?
      The Mosfet\ motherboard output?

      Comment

      • nomoresonys
        Badcaps Legend
        • Jan 2013
        • 12276
        • U.S.

        #23
        Re: Diagnosing EAX64905001

        They may be ok, I can't do it for you, the 2 links there show all manner of possible bad joints, just use your eyes and possibly finger to see if any are bad or loose.
        Last edited by nomoresonys; 07-12-2020, 09:14 AM.

        Comment

        • litec systems
          Electronics is
          • Feb 2018
          • 97
          • USA

          #24
          Re: Diagnosing EAX64905001

          Originally posted by dick_barton
          The spec of the mosfet as a replacement does seem to be a very close match.

          If the original replacement was a metal back mosfet (Q101) that then blew I would be checking the bridge rectifier for damage and the components around IC101

          Look up Youtube on how to test the bridge rectifiers with your meter.
          Ok, I'll try to test around the ic
          The bridge is ok as there's a steady above 300v
          When i testing the output voltage of the transformer (t101) there's nothing

          Anyway I'll try your suggestions during the week...

          Comment

          • litec systems
            Electronics is
            • Feb 2018
            • 97
            • USA

            #25
            Re: Diagnosing EAX64905001

            Originally posted by dick_barton
            components around IC101.
            Could you please advise me how to test the Mosfet ic? (IC101= SSC1S311 Sanken?)
            I saw on the Internet that sometimes it goes bad

            Comment

            • dick_barton
              Badcaps Legend
              • Aug 2015
              • 6643
              • Wales

              #26
              Re: Diagnosing EAX64905001

              With the power to the set removed you could use your meter set to ohms and check the resistance of each pin of the IC. Leave the black meter lead connected to pin 8
              Pin 1 = xx ohms
              Pin 2 = xx ohms
              etc
              Willing to help but I'm no expert.

              Comment

              • litec systems
                Electronics is
                • Feb 2018
                • 97
                • USA

                #27
                Re: Diagnosing EAX64905001

                Originally posted by dick_barton
                With the power to the set removed you could use your meter set to ohms and check the resistance of each pin of the IC. Leave the black meter lead connected to pin 8
                Pin 1 = xx ohms
                Pin 2 = xx ohms
                etc
                Ok so I've tried to test all the components resistance around the Mosfet & its ic
                And here's what I've found..

                These are 2 suspicious smd resistors ( both around the Mosfet ic) not sure if the Mosfet ic is bad or the resistors close to it are bad ( tested in circuit and I'm pretty afraid desoldering & resoldering them so i wond destroy them completely on that process [ but im assumes that I'll have no choice in order to find the culprit? to either desolder the IC \ these resistors,
                But I'm think that it'll be smarter to start desoldering the IC as long as you're thinking that he's the real culprit?! ]
                Anyway, here's the suspicious resistors + thier reading values

                1. Smd, r106; 0.838 K OHM (it has a writing of 221\ [ or 122? ] but looks more like 221

                2. Smd, r111; 176.2 OHM - out of 10k ohm = (it has a writing of 103)


                About the Mosfet ic results with the black probe on the ground

                Pin 1- 8.01 MEGA OHM ( with the round notch, parallel to the GND

                Pin2 - 0.994 K OHM

                ( pin 3, -NC)

                Pin 4 - when ive test it first few hours ago it showed me** 27.01 MEGA OHM, ** when I've retest& note myself the results -** it changed to " OL" - ** not sure if on the first time my meter lefts a little voltage there or IDK how it happens.. I'VE HAVEN'T PLUGGED IT IN for weeks, including today

                Pin 5- 78.9 ohms

                Pin 6- 0.838 K OHM

                Pin 7 ( vcc) keeps dropping down every time I've retest for the last few hours....
                It starts at 30.0 MEGA OHMS and keeps dropping down........

                Pin 8 ( GND )

                Thanks for your valuable time!!!! ❤

                Comment

                • dick_barton
                  Badcaps Legend
                  • Aug 2015
                  • 6643
                  • Wales

                  #28
                  Re: Diagnosing EAX64905001

                  R106 should read 220 ohms
                  R111 should read 10K but may need to be lifted to have an acurate reading.

                  The other measurement should have had the black meter lead connected to pin 8 and have readings roughly as follows.

                  Pin 1 should read around 47K since it is connected to ground via R110
                  Pin 2 should have around 1K since it is connected to ground via R105
                  Pin 5 should have around 10K since it is connected to ground via R108+R111+R113
                  Pin 6 should have around 220 ohms since it is connected to ground via R106+R113
                  Attached Files
                  Willing to help but I'm no expert.

                  Comment

                  • litec systems
                    Electronics is
                    • Feb 2018
                    • 97
                    • USA

                    #29
                    Re: Diagnosing EAX64905001

                    Originally posted by dick_barton
                    Pin 1 should read around 47K since it is connected to ground via R110
                    Pin 2 should have around 1K since it is connected to ground via R105
                    Pin 5 should have around 10K since it is connected to ground via R108+R111+R113
                    Pin 6 should have around 220 ohms since it is connected to ground via R106+R113
                    Ok so if I've got you there's a good chance that the ic is bad? if so then if ill desolder the IC I'll be able to retest these 2 resistors?

                    Or i have to desolder both?
                    And in case of accidently destroying the smd resistors, can I replaced them with standard 1/4w resistors ( with the same value + a little patch w\ shrinks + maybe low resistance piece of wires+ some hot\ silicone glue to secure them to the board?

                    Comment

                    • budm
                      Badcaps Legend
                      • Feb 2010
                      • 40746
                      • USA

                      #30
                      Re: Diagnosing EAX64905001

                      Hi dick_barton, Do you have the PDF of the schematic or the whole service manual? Thanks.
                      Never stop learning
                      Basic LCD TV and Monitor troubleshooting guides.
                      http://www.badcaps.net/forum/showthr...956#post305956

                      Voltage Regulator (LDO) testing:
                      http://www.badcaps.net/forum/showthr...999#post300999

                      Inverter testing using old CFL:
                      http://www.badcaps.net/forum/showthr...er+testing+cfl

                      Tear down pictures : Hit the ">" Show Albums and stories" on the left side
                      http://s807.photobucket.com/user/budm/library/

                      TV Factory reset codes listing:
                      http://www.badcaps.net/forum/showthread.php?t=24809

                      Comment

                      • diif
                        Badcaps Legend
                        • Feb 2014
                        • 6978
                        • England

                        #31
                        Re: Diagnosing EAX64905001

                        Here you go budm.
                        Attached Files

                        Comment

                        • budm
                          Badcaps Legend
                          • Feb 2010
                          • 40746
                          • USA

                          #32
                          Re: Diagnosing EAX64905001

                          Originally posted by diif
                          Here you go budm.
                          Thanks!
                          Never stop learning
                          Basic LCD TV and Monitor troubleshooting guides.
                          http://www.badcaps.net/forum/showthr...956#post305956

                          Voltage Regulator (LDO) testing:
                          http://www.badcaps.net/forum/showthr...999#post300999

                          Inverter testing using old CFL:
                          http://www.badcaps.net/forum/showthr...er+testing+cfl

                          Tear down pictures : Hit the ">" Show Albums and stories" on the left side
                          http://s807.photobucket.com/user/budm/library/

                          TV Factory reset codes listing:
                          http://www.badcaps.net/forum/showthread.php?t=24809

                          Comment

                          • budm
                            Badcaps Legend
                            • Feb 2010
                            • 40746
                            • USA

                            #33
                            Re: Diagnosing EAX64905001

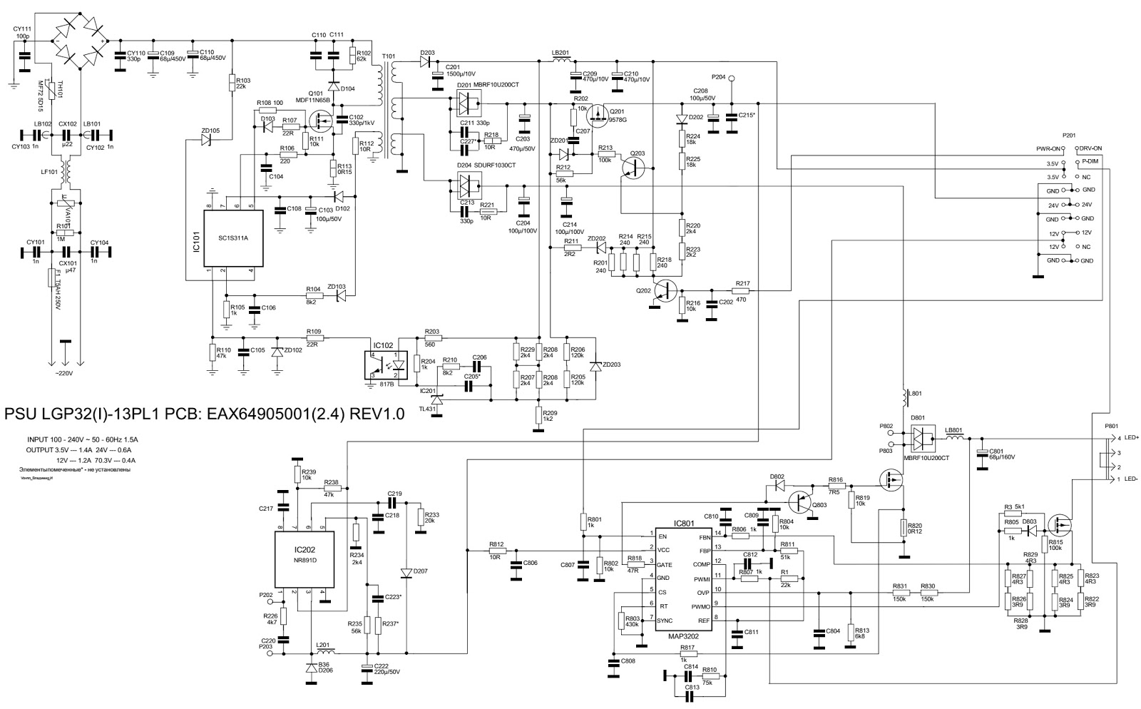
                            At this point the SMPS IC is damaged due to the fact that R106 (220 Ohms current feedback) is blown when 300V is dumped into the IC via R106.
                            How about the Gate resistors and diode between Gate drive output of the IC and Gate of the MOSFET.
                            BTW, most of the time when that 1KV snubber cap is shorted out, the MOSFET will still be OK.
                            Never stop learning
                            Basic LCD TV and Monitor troubleshooting guides.
                            http://www.badcaps.net/forum/showthr...956#post305956

                            Voltage Regulator (LDO) testing:
                            http://www.badcaps.net/forum/showthr...999#post300999

                            Inverter testing using old CFL:
                            http://www.badcaps.net/forum/showthr...er+testing+cfl

                            Tear down pictures : Hit the ">" Show Albums and stories" on the left side
                            http://s807.photobucket.com/user/budm/library/

                            TV Factory reset codes listing:
                            http://www.badcaps.net/forum/showthread.php?t=24809

                            Comment

                            • litec systems
                              Electronics is
                              • Feb 2018
                              • 97
                              • USA

                              #34
                              Re: Diagnosing EAX64905001

                              Originally posted by budm
                              How about the Gate resistors and diode between Gate drive output of the IC and Gate of the MOSFET..

                              Dear budm,
                              Thanks for your reply too! ❤
                              Is that a question? ( sorry, my English & grammar arent that great as sadly, English isn't my primary language)
                              If so, then you mean to the;
                              R107
                              R111( bad)
                              R108?
                              D103- tested on circuit with 0.148v reading AT BOTH SIDES *BUT* I've compared it with my friend TV( same model, which works perfectly) AND HE HAD THE SAME result that's why I've didn't mention it ( because it's probably because it's texted on circuit?)
                              So you think ( as my assumings?) that the Mosfet IC(101) is bad?
                              If so, can i replace it with my older lg 32 lcd ( which had a bad MB? Or maybe another trashpicked TV if I'll found soon?
                              What's important when i swapping this ic?( min max V\ AMPS rating, pinout - is that pretty universal standard? etc,)
                              And in case that these 2 resistors are gone, may i replaced them with standard 1\4 watts( or higher watts? If so how much watt is necessary?) resistors with the same resistance + shrinks + piece of wire( is that gonna pass 300v? If so, it'll be safer + better to avoid or its just little current,
                              Mostly for communication & feedback? or i have to buy new smd's?

                              In that case, and for learning purpose, my tv was connected to my UPS at that time while i was working on my PC with the TV on standby, there wasn't a storm\ rain or something, and I've checked the UPS logging, nothing was bad with the electrical input, while I've read the original mosfet pdf's it states MTBF OF 5000 hrs ( = about 5 years = about the time I've owned it)
                              So do you have a clue \ guess how \ why it died? I'm not that familiar with electronics but in this case, i think that the Mosfet itself done his life and got shorted & blew up many components with it?
                              And another, last question for this reply ( sorry for that long comment, I'm just passionate to learning & bring it back to life 😀&#128591
                              I've trashpicked an lg hifi system ( pretty new model, manufactured only 2 years ago) with no power, the Mosfet + cap blew there too
                              My question is, can i replace brown "disk" capacitor with a blue disk capacitor?
                              It's harder to get the brown ones, is the blue safe(\ better?) to use? (ill use the same rating of course)
                              Thanks sooooo much for all of your help dear members!! 🙏🙏🙏🙏🙏🙏🙏
                              Attached Files

                              Comment

                              • budm
                                Badcaps Legend
                                • Feb 2010
                                • 40746
                                • USA

                                #35
                                Re: Diagnosing EAX64905001

                                If you look ate the schematic, you will see that the Gate Resistor/Diode network (R108 (100 Ohms), R107 (22 Ohms), D103 are connected in series/parallel fashion, that it why when you test D103 you get reading in both directions. If the Gate components are tested bad that means the 300V is also dumped into the Gate drive output of the IC also.You do understand series and parallel circuit, correct?
                                You need to use the same SMPS IC, it is not standard IC.
                                That 1K snubber cap (connected in parallel with S-D of the MOSFET) failure mode is shorted circuit, it is commonly fail cap. I would replace it with 2KV rating instead, but for now you can use what you have.
                                Last edited by budm; 07-12-2020, 08:08 PM.
                                Never stop learning
                                Basic LCD TV and Monitor troubleshooting guides.
                                http://www.badcaps.net/forum/showthr...956#post305956

                                Voltage Regulator (LDO) testing:
                                http://www.badcaps.net/forum/showthr...999#post300999

                                Inverter testing using old CFL:
                                http://www.badcaps.net/forum/showthr...er+testing+cfl

                                Tear down pictures : Hit the ">" Show Albums and stories" on the left side
                                http://s807.photobucket.com/user/budm/library/

                                TV Factory reset codes listing:
                                http://www.badcaps.net/forum/showthread.php?t=24809

                                Comment

                                • dick_barton
                                  Badcaps Legend
                                  • Aug 2015
                                  • 6643
                                  • Wales

                                  #36
                                  Re: Diagnosing EAX64905001

                                  Originally posted by budm
                                  Hi dick_barton, Do you have the PDF of the schematic or the whole service manual? Thanks.
                                  Hi Budm, I see Diff has sent you a copy of the same schematic I have.
                                  Willing to help but I'm no expert.

                                  Comment

                                  • litec systems
                                    Electronics is
                                    • Feb 2018
                                    • 97
                                    • USA

                                    #37
                                    Re: Diagnosing EAX64905001

                                    Originally posted by budm
                                    You need to use the same SMPS IC, it is not standard IC.
                                    That 1K snubber cap (connected in parallel with S-D of the MOSFET) failure mode is shorted circuit, it is commonly fail cap. I would replace it with 2KV rating instead, but for now you can use what you have.
                                    Ok, so to proceed with the repair, i have to order from eBay the ic? Is there a way to know if it's genuine?

                                    If I'll replace it with 2kw cap, in case of stress \ sparks\ storms etc, it can't further damage the other components? Or its opposite = in such case it wont bother at all the 2kw cap= it wont short the mosfet again? ( till it reach 2kw)
                                    Anyway, which value u suggest to use? 101/201?
                                    And can you please answer if i can safely replace a brown disk capacitor with a blue disk capacitor? With the same value? ( it's an trashpicked LG HIFI SYSTEM)

                                    Comment

                                    • nomoresonys
                                      Badcaps Legend
                                      • Jan 2013
                                      • 12276
                                      • U.S.

                                      #38
                                      Re: Diagnosing EAX64905001

                                      Color doesn't matter as long as it has like value and as bud says, feel free to go up in voltage.

                                      Comment

                                      • dick_barton
                                        Badcaps Legend
                                        • Aug 2015
                                        • 6643
                                        • Wales

                                        #39
                                        Re: Diagnosing EAX64905001

                                        Originally posted by dick_barton
                                        R106 should read 220 ohms
                                        R111 should read 10K but may need to be lifted to have an acurate reading.

                                        The other measurement should have had the black meter lead connected to pin 8 and have readings roughly as follows.

                                        Pin 1 should read around 47K since it is connected to ground via R110
                                        Pin 2 should have around 1K since it is connected to ground via R105
                                        Pin 5 should have around 10K since it is connected to ground via R108+R111+R113
                                        Pin 6 should have around 220 ohms since it is connected to ground via R106+R113
                                        Edit
                                        The schematic I have used shown above does not match the circuit board so ignore this post. Correct schematic given by diif post #31
                                        Last edited by dick_barton; 07-13-2020, 05:41 AM.
                                        Willing to help but I'm no expert.

                                        Comment

                                        • budm
                                          Badcaps Legend
                                          • Feb 2010
                                          • 40746
                                          • USA

                                          #40
                                          Re: Diagnosing EAX64905001

                                          Originally posted by litec systems
                                          Ok, so to proceed with the repair, i have to order from eBay the ic? Is there a way to know if it's genuine?

                                          If I'll replace it with 2kw cap, in case of stress \ sparks\ storms etc, it can't further damage the other components? Or its opposite = in such case it wont bother at all the 2kw cap= it wont short the mosfet again? ( till it reach 2kw)
                                          Anyway, which value u suggest to use? 101/201?
                                          And can you please answer if i can safely replace a brown disk capacitor with a blue disk capacitor? With the same value? ( it's an trashpicked LG HIFI SYSTEM)
                                          1) The 1K breakdown rating of that snubber cap C102 (330pF) is more likely at marginal rating, that is why I suggest to go with 2K rating so the cap will less like to fail shorted circuit again.
                                          2) The cap is connected in PARALLEL with Source and Drain pin of the MOSFET, it is not the cause of shorted MOSFET, if the snubber cap is not present, the MOSFET can be damaged. I do not know if you understand what what the purpose of the snubber cap is for.
                                          3) You have to use the same capacitance value as original, the value is based on the design of the circuit. Paint color of the cap does not matter, it is the capacitor type and rating of the cap that are matter. So what was printed on the body of the old cap C102?
                                          4) Your post #34"My question is, can i replace brown "disk" capacitor with a blue disk capacitor?" Are you talking about C102 since you never give us the designator of the cap? Show us the pictures of the old cap.
                                          5) Your post #37 "Anyway, which value u suggest to use? 101/201?" Which cap are you talking about? you need to give us the desisignator of the part. Where did you get 101/201 from?
                                          6) No way you can tell what you buy from AMAZON, EBAY, ALIEXPRESS are real or not.I buy most of my stuff from Digikey and Mouser for my own use and as suppliers for the company I work for.

                                          At this point I am not sure which cap you are referring to, you need to give all the designator of the parts you have replaced so far.
                                          Last edited by budm; 07-13-2020, 06:03 PM.
                                          Never stop learning
                                          Basic LCD TV and Monitor troubleshooting guides.
                                          http://www.badcaps.net/forum/showthr...956#post305956

                                          Voltage Regulator (LDO) testing:
                                          http://www.badcaps.net/forum/showthr...999#post300999

                                          Inverter testing using old CFL:
                                          http://www.badcaps.net/forum/showthr...er+testing+cfl

                                          Tear down pictures : Hit the ">" Show Albums and stories" on the left side
                                          http://s807.photobucket.com/user/budm/library/

                                          TV Factory reset codes listing:
                                          http://www.badcaps.net/forum/showthread.php?t=24809

                                          Comment

                                          Related Topics

                                          Collapse

                                          • mostachio
                                            Looking for help diagnosing a 65" Panasonic Viera TV - TH-65DX700Z (Turns on - Clicks - Turns off)
                                            by mostachio
                                            Hi Badcaps,

                                            I've had a friend discard a TH-65DX700Z Pansonic Viera Television and I've decided to have a go at repairing it. If possible could I please get some advice in terms of diagnosing the problem so I can purchase the appropriate parts for repair whether it be components, a repair kit or a replacement board. I am happy to post pictures if required.

                                            TV Details:

                                            Model # - TH-65DX700Z

                                            Symptoms:

                                            The television turns on and displays a picture then makes a clicking sound and turns off.

                                            I haven't opened it up yet but...
                                            09-04-2024, 02:32 AM
                                          • choucroutman
                                            Need help diagnosing why my TV isn't working anymore
                                            by choucroutman
                                            Hello, my LG OLED55C8PLA TV stopped working, and here's what happened:
                                            Around noon, it stopped turning on, meaning the screen stayed off, I heard a ticking sound when I tried to power it on, and the red LED light blinked 3 times. Afterward, nothing would happen for about 1 minute, and then the same cycle would repeat. A few days later, there was no more red LED blinking, and whether I tried turning it on with the remote or the power button on the back, it wouldn’t respond. I’ve tried some "quick fixes" I found online, like unplugging the TV and pressing the power button for...
                                            08-04-2025, 03:10 AM
                                          • JJ8409
                                            Need help diagnosing the NM-D471 REV 2.0 motherboard for a LENOVO laptop.
                                            by JJ8409
                                            Hello,
                                            I need your help with an issue I'm encountering while diagnosing a NM-D471 REV 2.0 motherboard from a Lenovo laptop. The laptop won’t power on. I started by checking the power rails, including the main power line and the 3.3V and 5V rails.

                                            I do have a proper 3.3V across the line, including at the chip responsible for managing 3.3V/5V—same goes for the 5V rail. I haven’t tried to simulate a power-on yet, since the main issue still needs to be resolved.

                                            I have full access to the boardview, but I’m not sure what to check next to isolate the problem.
                                            ...
                                            06-25-2025, 08:49 AM
                                          • code share
                                            Lenovo P43s won't boot with internal battery connected – looking for help diagnosing battery issue
                                            by code share
                                            Hi everyone,

                                            I'm having an issue with my Lenovo ThinkPad P43s. The laptop does not power on when the internal battery is connected, but it works fine on AC power alone (battery disconnected). Once the battery is reconnected, the system becomes completely unresponsive — no lights, no fan spin, nothing.

                                            Here's what I've tried so far:
                                            • Power/EC reset (held power button for 60 seconds with battery and AC disconnected)
                                            • Booted successfully on AC power only with the battery disconnected
                                            • Visual inspection of the battery — no swelling, burn marks, or connector damage
                                            • Battery
                                            ...
                                            04-21-2025, 12:50 PM
                                          • Leefreeman97
                                            Diagnosing short to ground issue. pcb from an e scooter
                                            by Leefreeman97
                                            Hello, I have a pcb from an e scooter which had a faulty diode but even after removing it from circuit, it still has a short to ground on the three components circled. I have removed every cap on the board and tested one by one and the short is still there and all the caps test ok. Could this be because I haven’t put a diode back on it yet or where do I go next please?
                                            09-19-2025, 03:33 PM
                                          • Loading...
                                          • No more items.
                                          Working...