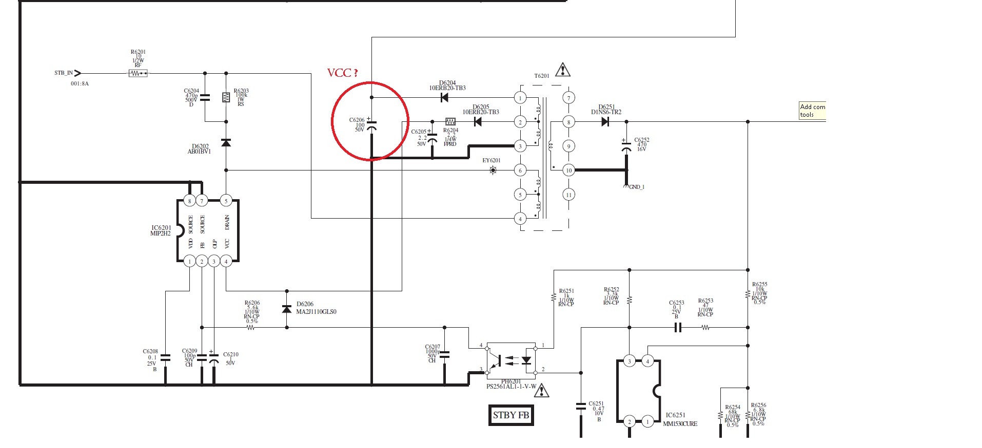
please help me to find volts PRI_VCC on C6206 sony G6 power supply
Sony 46HX900 power supply dead
Collapse
X
-
Re: Sony 46HX900 power supply dead
1) What do you use for GND test point when you are measuring Voltages on the HOT side of the circuit?
2) Did you check the Fusible resistor (10 Ohms) R6201 to make sure it is showing 10 Ohms.
3) What Voltage do you have on STB_IN?
4) What is your country AC Voltage, 120V? 230?
5) Upload the schematic of the power supply you have.Last edited by budm; 03-20-2020, 03:55 PM.Never stop learning
Basic LCD TV and Monitor troubleshooting guides.
http://www.badcaps.net/forum/showthr...956#post305956
Voltage Regulator (LDO) testing:
http://www.badcaps.net/forum/showthr...999#post300999
Inverter testing using old CFL:
http://www.badcaps.net/forum/showthr...er+testing+cfl
Tear down pictures : Hit the ">" Show Albums and stories" on the left side
http://s807.photobucket.com/user/budm/library/
TV Factory reset codes listing:
http://www.badcaps.net/forum/showthread.php?t=24809Comment
-
Re: Sony 46HX900 power supply dead
So what Voltage do you have on the VCC pin of the IC?
R6204, D6204, D 6205, C6205 are good?Never stop learning
Basic LCD TV and Monitor troubleshooting guides.
http://www.badcaps.net/forum/showthr...956#post305956
Voltage Regulator (LDO) testing:
http://www.badcaps.net/forum/showthr...999#post300999
Inverter testing using old CFL:
http://www.badcaps.net/forum/showthr...er+testing+cfl
Tear down pictures : Hit the ">" Show Albums and stories" on the left side
http://s807.photobucket.com/user/budm/library/
TV Factory reset codes listing:
http://www.badcaps.net/forum/showthread.php?t=24809Comment
-
-
-
Re: Sony 46HX900 power supply dead
Is the STBY_3.3 voltage stable?
Have you checked the following components?
D6204
D6205
D6251
C6205
C6206
C6252
R6204Last edited by dick_barton; 06-09-2020, 08:35 AM.Willing to help but I'm no expert.Comment
-
Re: Sony 46HX900 power supply dead
i have replace the ic. new and old both ic's giving same voltage
all ic (MIP2H2) giving same volts
pin1 5.8v
pin2 1.8v
pin3 0-2v 2v-0 repeating
pin4 4v
pin5 350v
Pin 7,8 0v
voltage on pin3 are varying 0-2 2-0Last edited by renee; 06-10-2020, 05:30 AM.Comment
-
Re: Sony 46HX900 power supply dead
So you are saying that you took those caps off and checked them with an esr meter??Comment
-
Re: Sony 46HX900 power supply dead
You are getting 4V on pin 4 which is the supply input for the IC. That voltage is coming from somewhere.
What point are you using as ground (negative lead of meter) reference to measure the voltages on IC6201Willing to help but I'm no expert.Comment
-
Re: Sony 46HX900 power supply dead
You are getting 4V on pin 4 which is the supply input for the IC. That voltage is coming from somewhere.
What point are you using for the ground reference (negative lead of meter) to measure the voltages on IC6201Willing to help but I'm no expert.Comment
-
Re: Sony 46HX900 power supply dead
i am using C6510 negative pointComment
Related Topics
Collapse
-
Vizio e601i-A3 - Has Sound and Display, But No Backlight - Bad Power Supply Board or Bad LED Bulbs ?by Tynan DillI was given this TV from my great uncle. He said it just wouldn't turn on one day out of nowhere, replaced the TV, and gave it to me to possibly fix and use for myself.
Upon bringing it home and plugging it up, it showed a standby light.
I powered it on and without a flashlight, the display showed the "V" but the lighting is very dim, but visible.
The screen seems to blackout and stay black, but with a flashlight I can see the display.
With my Playstation 4 connected via HDMI, and running a game I can hear sound.
Assuming...7 Photos -
by sam_sam_samI have wanting to do this project for quite sometime now and I finally found a switching power supply that will work on this desoldering gun station ZD-915 that the original switching power supply took a shit and just was not worth trying to fix it because this switching power is not quite big enough to handle the heater element and the vacuum pump
One note when I tested the switching power supply and the voltage control board I noticed that this desoldering gun heat up much faster than the original switching power supply which I was really surprised by to the point that I might buy... -
by Andreas_deHello!
i got a damaged Manson NTP-5561 (60V, 1,6A DC output) and and the main issue is that the controler IC for the LCD display has a short. The controler IC PIC18F87K90 is mounted on the back of the back of the LCD. Vss-Vdd = 3 Ohm. The 5V and 3,3V power line was killed as well, but that is not a problem. A new LDO 3,3V and 5V 7805 is already ordered.
Replacing the PIC18F87K90 is necessary but that makes no sense without having the HEX dump of the new controler.
Does anybody have such a power supply and could do a HEX dump of the Flash and EEPROM memory?
...2 Photos04-12-2025, 10:38 AM -
by sam_sam_samI have been working on this concept for quite some time now with limited success but recently I found a switching power supply that is setup for the voltage that this soldering station needs to operate at however it also needs part of the secondary circuit from the original switching power because you need several voltage rails
I once tried to get a ZD-915 desoldering station to work on a 18 volt battery power supply but unfortunately things did not go well but I did find a work around but I might try this idea again but going at a little differently more about this another time... -
by JimBanvilleThe sub developed a constant popping every couple seconds from woofer and power LED flickering with nothing but wall AC connected. Connecting an audio cable didn't change anything. It doesn't play but a second or two of audio in between the pops.
Opened it up and discovered the power supply is making a faint clicking or ticking sound.
I measured the amp's output to the woofer and it pulses up to 50mv DC to be driver. The pulses coincide with the power supply ticking/clicking.
I measured the power supply output going to the amp board and it too has this pulsing. Voltage cycles...-
Channel: Troubleshooting Audio Equipment
-
- Loading...
- No more items.
Comment