Called out of retirement to look at a Kogan KGNFHDLED40C (rebadged chinese crap with Samsung panel). Died with a loud "crack" sound and smell of escaping magic smoke.
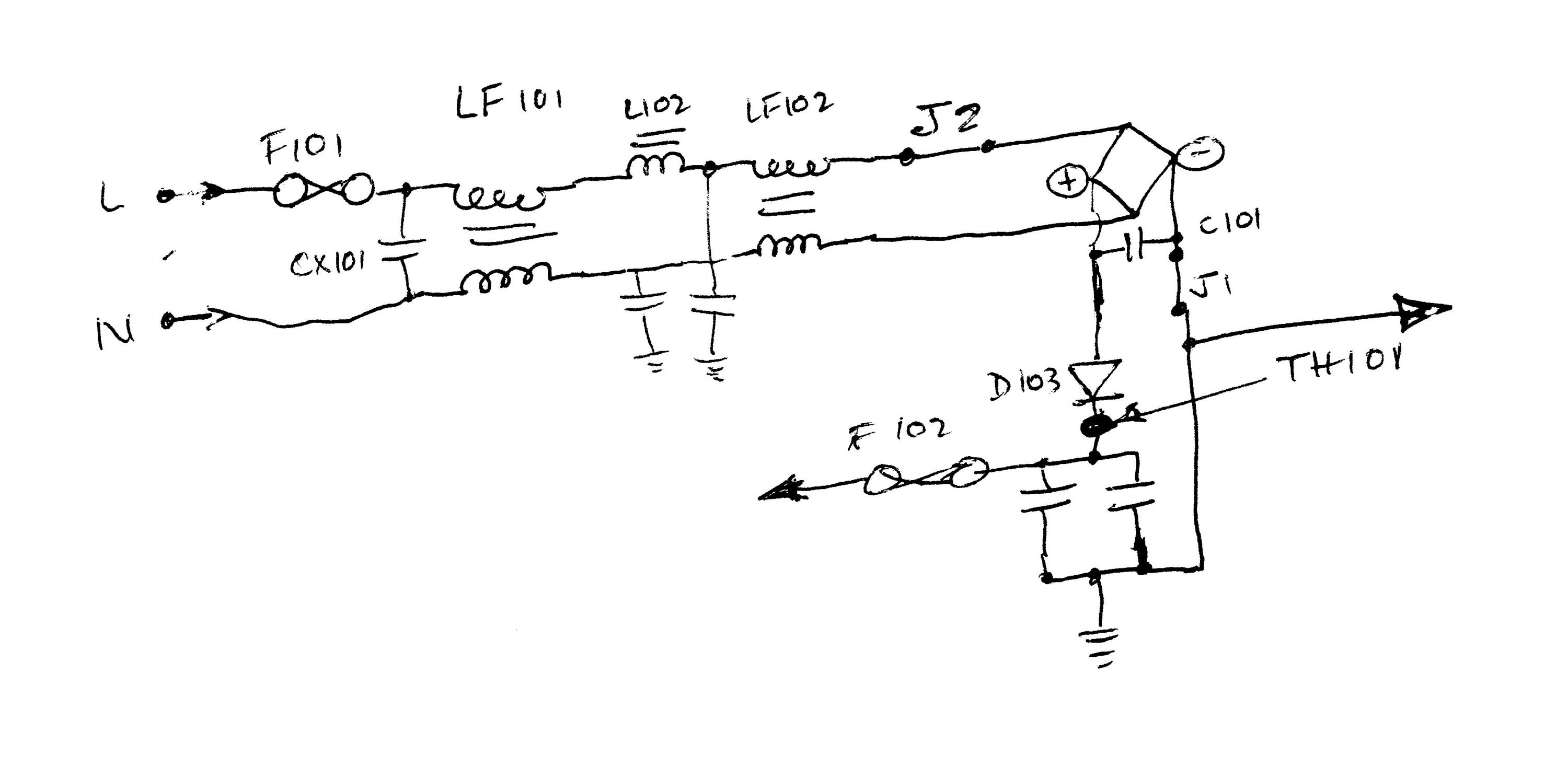
Power board shows a failed diode and a burst ceramic-body main fuse, the apparent source of the noise. Have posted in the schematics area with pic hoping someone can ID the board and maybe lead to a schematic.
Board labelled variously as "TE22 REV1.0 DX" and "39-TE22-PCA". Also one tag as ZD-95(G)F. Controller is Q0270R.
Panel FTW is Samsung LTA400HM08.
Power board shows a failed diode and a burst ceramic-body main fuse, the apparent source of the noise. Have posted in the schematics area with pic hoping someone can ID the board and maybe lead to a schematic.
Board labelled variously as "TE22 REV1.0 DX" and "39-TE22-PCA". Also one tag as ZD-95(G)F. Controller is Q0270R.
Panel FTW is Samsung LTA400HM08.
Comment