Hi. I need help from wiser guys. I am amateur in electronics and can't figure this out by myself.
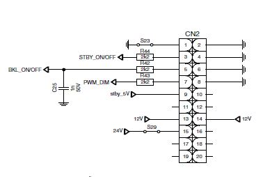
I bought faulty speakers, M-Audio AV40's. Other speaker has all the electronics in it and the other speaker is just passive one powered by the other speaker's amp. Original problem with the speakers was loud buzzing. I figured out that there is something wrong with the capacitors. I went ahead and replaced every electrolytic capacitor on the PCB. The caps are good quality and have the same values as the original ones.
After replacing the caps I started testing out the speaker. It seemed...
Comment