I have an Apex LED TV. Will not turn on...no power light or back light. It does have 12V at F1 and 12V at the Black and Red wire on the blue color board. Any ideas? Thanls
APEX model LE 1910 (LED TV)
Collapse
X
-
Re: APEX model LE 1910 (LED TV)
There appear to be two more LDOs at UT1 and UL41. What are the voltages there?
Can you tell us the markings on UT1, UL41, UD41, UL51, and the 8-pin IC near ED2?
My first approach is to verify the presence of the onboard supply voltages. So far it appears that you have found the Vcore (1.8V) and Vio (3.3V) supplies for the MSD3391DS SoC. The 5V supply is also present.
Where does connector CN7 go? I suspect one group of 4 wires goes to the switch PCB.Comment
-
Re: APEX model LE 1910 (LED TV)
UT1 is not an LT1084. Look for it near the HDMI section.
ISTM that UL1 should have 0V, 3.3V and 5V on its pins, not 1.8V.
AISI, the main board should have a 3.3V Standby voltage. This appears to be present at CN7, presumably for the switches and IR sensor.
AFAICT. the 1.8V supply is present, but not where you stated that it was. Otherwise there is some weird fault.
I believe there should also be a VDDC voltage for the HDMI section, and 2.5V for the SoC.
Can you check your measurements and the part markings?
FYI, the Sanyo DP32642 TV uses the same SoC. Although it is a different TV, its service manual has troubleshooting information and circuit diagrams that are pertinent to your Apex.
Sanyo TV with MSD3391DS SoC and circuit diagrams:
ftp://helpedia.com/pub/temp/datashee...32642-04_Z6TJ_[SM].pdfComment
-
Re: APEX model LE 1910 (LED TV)
ICs have more than 1 pin. Therefore they have more than 1 voltage.
You still haven't told us what UD41 is doing, eg what is the voltage at the pin going to the LD41 coil?
You still haven't confirmed where you measured 1.8V.Comment
-
Re: APEX model LE 1910 (LED TV)
Thanks. The 1.8V reading was confusing, but you've cleared it up now.
AISI, the +5V and +3.3V standby supplies are present, so the TV is in standby mode. When the TV is powered on, the other supplies should come up, namely 1.8V, 2.5V, 1.26V (VDDC), and a second 3.3V supply, if the Sanyo circuit is any guide. The reason that there are no input voltages on many of the regulators is that this input voltage is switched by the POWER_ON logic. ISTM that you need to find where the input voltages to UD41 and UL51 come from, probably from a MOSFET switch. Then you need to confirm whether this switch is being activated by the MSD3391DS SoC.
BTW, the URL for the Sanyo service manual was truncated by the forum software. Just drag your mouse over the entire URL, including the "[SM].pdf" that was cut off.
Edit: You should measure the voltages again after pressing Power_On.Comment
-
Re: APEX model LE 1910 (LED TV)
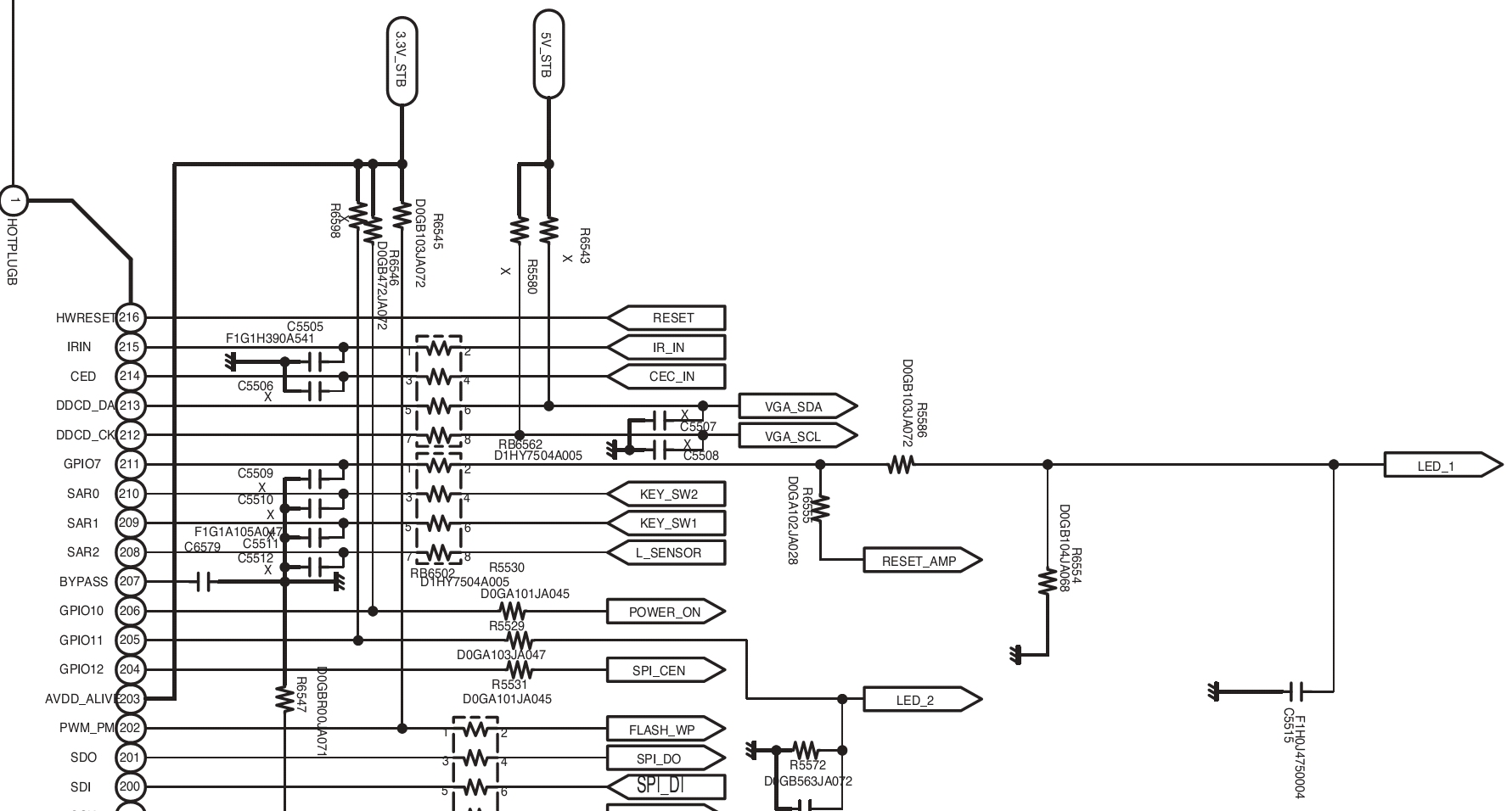
I've cropped the "Standby Micro Block" from the Sanyo manual. ISTM that the SoC may be brain-dead. I say this because it should be driving the standby LED. If this turns out to be the case (ie no response to POWER_ON at the regulators), then I would check the crystal (Y1) and the voltage on the HWReset pin (216).Comment
-
Re: APEX model LE 1910 (LED TV)
The voltage at the HWReset pin (#216) should be high. However, I suggest you avoid testing the pin itself since this area is very "busy". A slip of your probe might do serious damage. Instead I would find an appropriate test point at one of the nearby components.
Testing the Y1 crystal would require an oscilloscope with a high impedance probe, so I don't know how you would go with that. AFAICT, it's a 24MHz type so it should be cheap and easy to find.Comment
Related Topics
Collapse
-
This specification for the HP ProBook 640 G1 Base Model Notebook can be useful for upgrading or repairing a laptop that is not working. As a community we are working through our specifications to add valuable data like the 640 G1 Base Model boardview and 640 G1 Base Model schematic. Our users have donated over 1 million documents which are being added to the site. This page will be updated soon with additional information. Alternatively you can request additional help from our users directly on the relevant badcaps forum. Please note that we offer no warranties that any specification, datasheet,...09-06-2024, 05:27 AM
-
This specification for the HP EliteBook 840 G2 Base Model Notebook can be useful for upgrading or repairing a laptop that is not working. As a community we are working through our specifications to add valuable data like the 840 G2 Base Model boardview and 840 G2 Base Model schematic. Our users have donated over 1 million documents which are being added to the site. This page will be updated soon with additional information. Alternatively you can request additional help from our users directly on the relevant badcaps forum. Please note that we offer no warranties that any specification, datasheet,...09-06-2024, 05:27 AM
-
This specification for the HP ZBook 14 G2 Base Model Notebook can be useful for upgrading or repairing a laptop that is not working. As a community we are working through our specifications to add valuable data like the 14 G2 Base Model boardview and 14 G2 Base Model schematic. Our users have donated over 1 million documents which are being added to the site. This page will be updated soon with additional information. Alternatively you can request additional help from our users directly on the relevant badcaps forum. Please note that we offer no warranties that any specification, datasheet, or...09-06-2024, 05:27 AM
-
This specification for the HP ZBook 15u G2 Base Model Notebook can be useful for upgrading or repairing a laptop that is not working. As a community we are working through our specifications to add valuable data like the 15u G2 Base Model boardview and 15u G2 Base Model schematic. Our users have donated over 1 million documents which are being added to the site. This page will be updated soon with additional information. Alternatively you can request additional help from our users directly on the relevant badcaps forum. Please note that we offer no warranties that any specification, datasheet,...09-06-2024, 05:27 AM
-
by edugimenoHi!!
Yesterday I was installing a new Wifi thermostat for my domestic gas water heater model Vaillant 242/2-3, and accidentlly one wire from mains touched one wire from the thermostat output contacts. This shut off the heater so I finished installing the thermostat and then went out to check the heater
I found one fuse blown (T2 250V). Replaced it with another equivalent fuse and it blew right away. I measured L-N in mains input and I sometimes got 4K but sometimes, not sure why, I got 100 Ohm...
At a certain point, moving stuff around, I put all wires back in place and... - Loading...
- No more items.
Comment