Re: Panasonic Viera TC-P50G10 7 Blinking Red
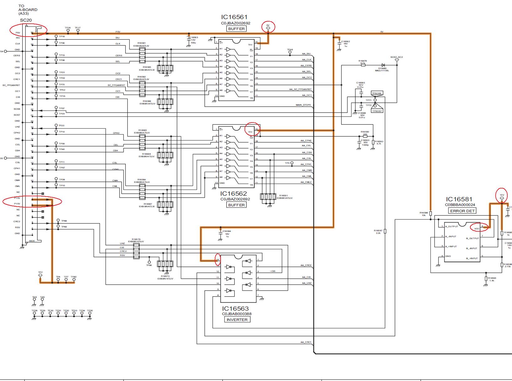
Not necessarily, 5 blink 5v SOS so check the P5V lines. With the SC board disconnected from everything , measure resistance SC20 pin 35 (or TP16,17) to gnd.
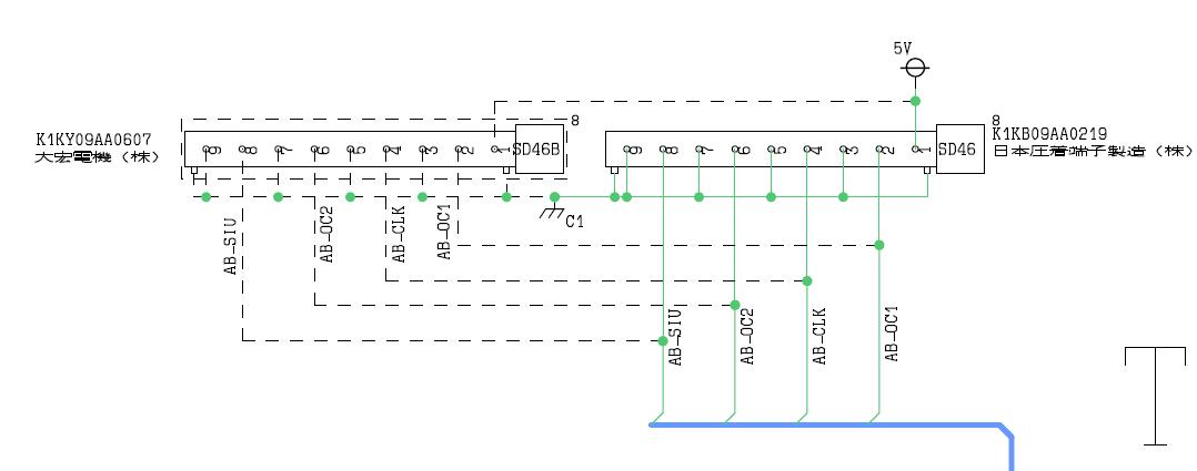
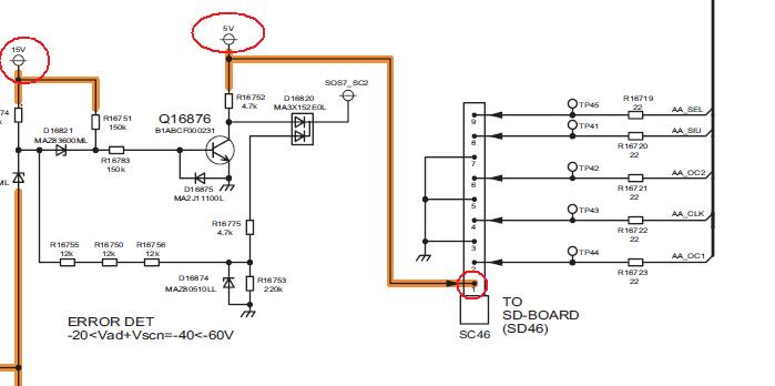
Measure SC20 Pin35 to SC46 pin 1, I'm curious to see if the 5V fed from the A board also feeds the 5V at the SD board as well.
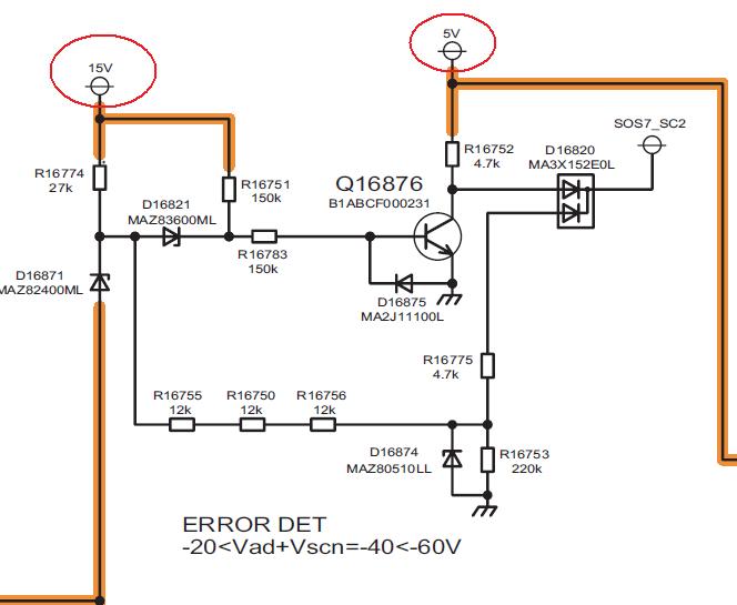
You mentioned a low resistance on the 15V line is that still the case?
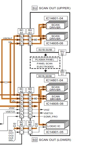
Have you resistance checked the SD/SU boards yet just in case they're bad as well?
If you're testing the SC with the buffers connected, If it was me I'd test wit SC50 jumpered and buffers isolated until you sort the SC out assuming you want to keep fault finding.
Not necessarily, 5 blink 5v SOS so check the P5V lines. With the SC board disconnected from everything , measure resistance SC20 pin 35 (or TP16,17) to gnd.
Measure SC20 Pin35 to SC46 pin 1, I'm curious to see if the 5V fed from the A board also feeds the 5V at the SD board as well.
You mentioned a low resistance on the 15V line is that still the case?
Have you resistance checked the SD/SU boards yet just in case they're bad as well?
If you're testing the SC with the buffers connected, If it was me I'd test wit SC50 jumpered and buffers isolated until you sort the SC out assuming you want to keep fault finding.
Comment