*Possible Purchase Magnovox 32mf338/27 Turns on for a second

Collapse
X
 
  • Time
  • Show
Clear All
new posts
  • XtraTN
    Senior Member
    • Mar 2012
    • 81
    • Usa

    #1

    *Possible Purchase Magnovox 32mf338/27 Turns on for a second

    Theres a non-working Magnavox 32mf338/27 LCD TV. Anybody know anything about this set? Can't seem to find a service manual online..

    The problem is that the owner says it would turn on, go to the magnavox screen, and then turns off. The owner is selling it for 50$, would it be worth it?

    Does it sound like a bad cap problem?
  • Mr Bill
    Badcaps Veteran
    • Nov 2011
    • 648
    • USA

    #2
    Re: *Possible Purchase Magnovox 32mf338/27 Turns on for a second

    Here is the service manual. From looking at ebay and shop jimmy this tvs power supply is a self-oscillating power supply. It has a very similar power supply that are in emerson's and sylvania's. The usual culprit in my experience has been a bad diode but it could be other things too. If you can get him to go lower would be a plus but condition counts too.
    Attached Files

    if you find these attachements useful please consider making a small donation to the site

    Comment

    • XtraTN
      Senior Member
      • Mar 2012
      • 81
      • Usa

      #3
      Re: *Possible Purchase Magnovox 32mf338/27 Turns on for a second

      Sounds like maybe it has a common problem with the power supply? I'm picking it up tomorrow.

      Comment

      • XtraTN
        Senior Member
        • Mar 2012
        • 81
        • Usa

        #4
        Re: *Possible Purchase Magnovox 32mf338/27 Turns on for a second

        Okay, So I just got the TV. I plug in the TV and the Green LED would start blinking a number of times and then the TV automactically turns on and the screen with the words "Digital Television" starts flashing like struggling to stay on. Theres a strange buzzing sound coming from the back and I get a funky smell coming off of the TV (part of it smells like burning).

        I removed the board and theres a burn spot on the back of the corner near one of the CCFL connectors. So I disconnect that connector and try turning on the TV again. I get the same exact problem as is nothing as changed when I disconnected it so I think it might be part of the problem. I'm not sure if that burn spot was done from a repair from the previous owner or it was caused by a short because there doesn't seem to be anything there that would cause that spot to get that hot. And it also burned a spot on the back of the panel. The trace might of been damaged so I might have to wire that blue cap to where ever its suppose to go.

        The buzzing sound I get is coming from the transformer on the main board. But I think theres also another buzzing whistling sound coming from one of the inverters on the power board.

        For now I'm just checking diodes, and capacitors to see if there good. Any suggestions on what the problem is?
        Attached Files

        if you find these attachements useful please consider making a small donation to the site

        Last edited by XtraTN; 07-28-2012, 10:28 AM.

        Comment

        • Mr Bill
          Badcaps Veteran
          • Nov 2011
          • 648
          • USA

          #5
          Re: *Possible Purchase Magnovox 32mf338/27 Turns on for a second

          If it turns on for second and shows the "digital television" on the screen chances are the diodes and caps are ok. I think the caps on this board are general purpose anyways. I do remember seeing a post a while back saying that if one of the inverter transformers was out of range the tv would shut off instead of a traditional 2 seconds to black. Since you have a big burnt spot at one of the transformers thats where my bet is going to be placed.

          Start by checking your inverter transformers with your meter in the ohm setting. You can check it right at the connector where the bulbs plug in. They should all be in the 7.5Mohm range. Post your results.

          I have almost the exact same board. My board number is BA8AF0F01032. It's one model number higher than yours. It was pulled from an emerson LC320EM9.

          Also btw, what panel is in your tv incase you have to goto plan B

          Comment

          • XtraTN
            Senior Member
            • Mar 2012
            • 81
            • Usa

            #6
            Re: *Possible Purchase Magnovox 32mf338/27 Turns on for a second

            Just wondering how do I measure the transformer to see if its good (Which probe goes where)? Just a note but the burn mark is actually next to the transformer, not actually directly under it, which i find weird. Its actually under the blue ceramic capacitor pin.

            Heres my panel number:
            Attached Files

            if you find these attachements useful please consider making a small donation to the site

            Comment

            • Mr Bill
              Badcaps Veteran
              • Nov 2011
              • 648
              • USA

              #7
              Re: *Possible Purchase Magnovox 32mf338/27 Turns on for a second

              The connector has 2 pins within its housing, it doesn't matter which one has a red/black probe. If the transformers check out ok, see if you can clean the black spot on the board with some isopropyl alcohol. It could be just a cold solder joint that is arcing.

              Comment

              • XtraTN
                Senior Member
                • Mar 2012
                • 81
                • Usa

                #8
                Re: *Possible Purchase Magnovox 32mf338/27 Turns on for a second

                Ohh, the highest range for my ohm meter is up to 2M. but I'm getting a "1" reading when i measure them all.

                Comment

                • Mr Bill
                  Badcaps Veteran
                  • Nov 2011
                  • 648
                  • USA

                  #9
                  Re: *Possible Purchase Magnovox 32mf338/27 Turns on for a second

                  I checked the ballast cap with my meter and it's reading 1.052 Mohm. See if your is getting close to the same. The panel in your tv is the same that goes with the power supply i have.

                  Comment

                  • XtraTN
                    Senior Member
                    • Mar 2012
                    • 81
                    • Usa

                    #10
                    Re: *Possible Purchase Magnovox 32mf338/27 Turns on for a second

                    Did you measure out of circuit? I'm getting an infinite reading on any of those caps in circuit.

                    Comment

                    • Mr Bill
                      Badcaps Veteran
                      • Nov 2011
                      • 648
                      • USA

                      #11
                      Re: *Possible Purchase Magnovox 32mf338/27 Turns on for a second

                      It was measured in circuit.

                      Comment

                      • XtraTN
                        Senior Member
                        • Mar 2012
                        • 81
                        • Usa

                        #12
                        Re: *Possible Purchase Magnovox 32mf338/27 Turns on for a second

                        I desoldered the cap and measured it out of circuit and it still gives me an infinte reading.

                        Comment

                        • Mr Bill
                          Badcaps Veteran
                          • Nov 2011
                          • 648
                          • USA

                          #13
                          Re: *Possible Purchase Magnovox 32mf338/27 Turns on for a second

                          i checked the ballast cap again and now i'm getting over 3 Mohm which is higher than your meter will read. Is there any damage to the transformer or cap since you smelled something burning?

                          Comment

                          • XtraTN
                            Senior Member
                            • Mar 2012
                            • 81
                            • Usa

                            #14
                            Re: *Possible Purchase Magnovox 32mf338/27 Turns on for a second

                            Doesn't seem to be any physical damage. Heres a photo again of the spot after I cleaned it.

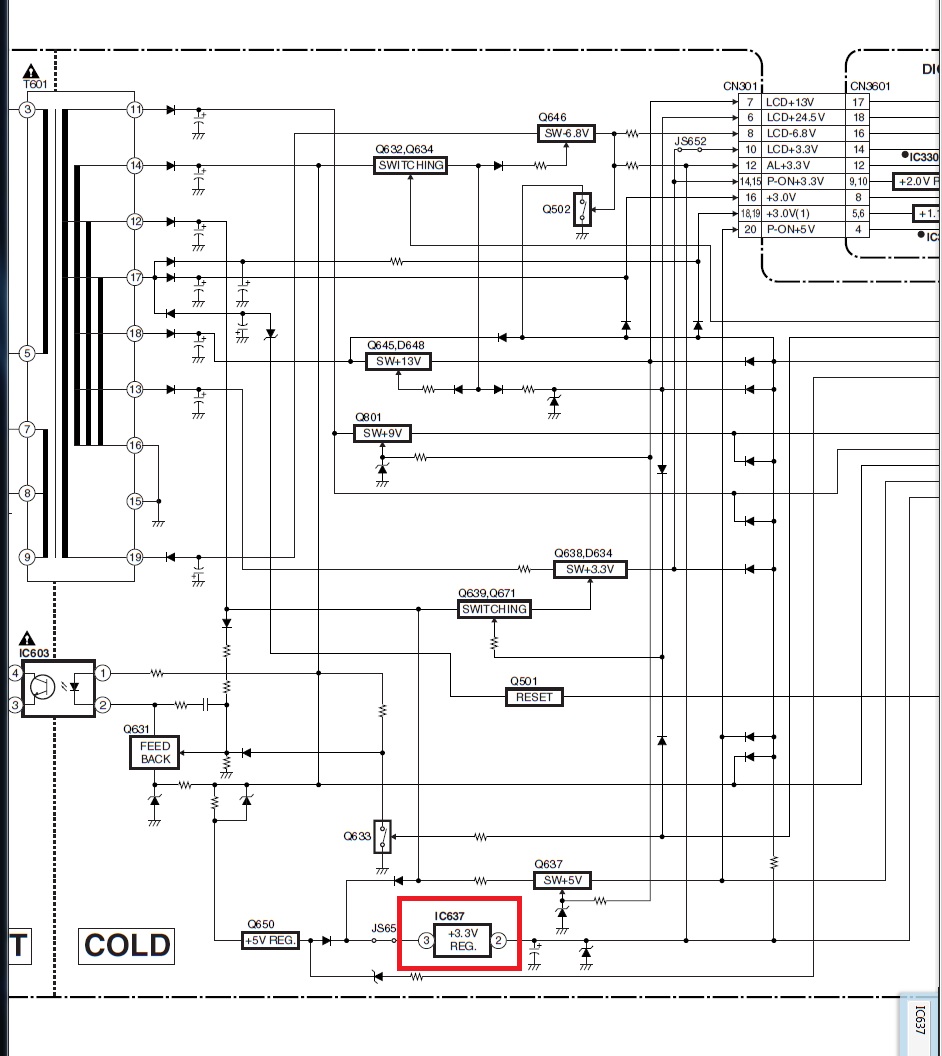
                            As for the buzzing sound im hearing from the transformer. I unplugged the TV but the buzzing sound is still there for about 15 seconds. The Service manual said is there is a "buzz sound heard in vicinity of power circuit." I should check all the diodes that are near the transformer. And also IC637, I think is a voltage regulator?

                            All the diodes seem to be good, so I'm gonna measure the capacitors that seem to be in series with each diode.
                            Attached Files

                            if you find these attachements useful please consider making a small donation to the site

                            Comment

                            • XtraTN
                              Senior Member
                              • Mar 2012
                              • 81
                              • Usa

                              #15
                              Re: *Possible Purchase Magnovox 32mf338/27 Turns on for a second

                              Well, all the diodes and caps checked out good, so I'm guessing IC637 might be the cause for the buzzing. How would I test this componenT?
                              Attached Files

                              if you find these attachements useful please consider making a small donation to the site

                              Comment

                              • Mr Bill
                                Badcaps Veteran
                                • Nov 2011
                                • 648
                                • USA

                                #16
                                Re: *Possible Purchase Magnovox 32mf338/27 Turns on for a second

                                That is a LDO voltage regulator. The usual method it to see if its give 5v IN and something like 1.8, 2.5, 3.3 volt out. Its an adjustable regulator or it would have a -xx after the 1117. (xx being 18, 25, 33).

                                Comment

                                • XtraTN
                                  Senior Member
                                  • Mar 2012
                                  • 81
                                  • Usa

                                  #17
                                  Re: *Possible Purchase Magnovox 32mf338/27 Turns on for a second

                                  On the Block Diagram it says +3.3V so does that means it outputs 3.3V? I don't understand how to read much of block diagrams yet.

                                  Should I put all the boards back together and measure the voltages of each pin of the LDO? I don't want to further damage something.

                                  Also just wondering, What do all the other labels on the LDO mean after "LD1117V"?
                                  Attached Files

                                  if you find these attachements useful please consider making a small donation to the site

                                  Last edited by XtraTN; 07-28-2012, 04:18 PM.

                                  Comment

                                  • Mr Bill
                                    Badcaps Veteran
                                    • Nov 2011
                                    • 648
                                    • USA

                                    #18
                                    Re: *Possible Purchase Magnovox 32mf338/27 Turns on for a second

                                    Originally posted by XtraTN
                                    On the Block Diagram it says +3.3V so does that means it outputs 3.3V? I don't understand how to read much of block diagrams yet.
                                    It'll have 5v In and 3.3v OUT.

                                    Should I put all the boards back together and measure the voltages of each pin of the LDO? I don't want to further damage something.
                                    Thats the usual method for checking a voltage regulator.

                                    Also just wondering, What do all the other labels on the LDO mean after "LD1117V"?
                                    I think they are manufacturing codes, dates, ect.

                                    Comment

                                    • XtraTN
                                      Senior Member
                                      • Mar 2012
                                      • 81
                                      • Usa

                                      #19
                                      Re: *Possible Purchase Magnovox 32mf338/27 Turns on for a second

                                      Good news, the TV is able to turn on. I guess that burnning caused a bad solder joint which caused no connectivity to that last inverter. I cleaned and resoldered the joint and the TV stays on now.

                                      Another Problem:
                                      I think there might be another problem though. The input voltage I measured for the LDO was at 6.26V. Output voltage was exactly 3.30V. Will the high input voltage be the cause of why the TV completely skips going on standby when it is plugged in and gets the blinking green LED (defect code maybe?)

                                      EDIT:
                                      Well, when I plug the TV in now it goes to standby with Red LED but I still get the blinking green lights when I turn on the TV, Maybe its normal? I'm guessing theres bad solder joints all over the board. The buzzing noises on the power supply have gone away (maybe not completely but its not as obvious now) I'm gonna try to find and resolder some bad joints and see if it fixes the problem.
                                      Last edited by XtraTN; 07-28-2012, 04:57 PM.

                                      Comment

                                      • Mr Bill
                                        Badcaps Veteran
                                        • Nov 2011
                                        • 648
                                        • USA

                                        #20
                                        Re: *Possible Purchase Magnovox 32mf338/27 Turns on for a second

                                        What is the voltage on the 3rd pin of the regulator. If the tv power plug is pulled while the tv was on when power returns to the tv it will go to the last state of operation.

                                        What exactly is it doing now when you power it on. I just want to make sure i understand things correctly.

                                        Comment

                                        Related Topics

                                        Collapse

                                        • Stephen
                                          MacBook Pro 14" M1 Pro Turns on functions then turns off when I plug in USB C cable
                                          by Stephen
                                          MacBook Pro 14" M1 Pro Turns on functions then turns off when I plug in USB C cable to reset the computer. I disconnect the battery fully and then reconnect it and it won't turn back on. After letting it sit for a day I plug the battery back up, and the MagSafe 3 cable and it powers on and stays ons, once I plug in a USB C cable into the port closes to the MagSafe port it turns off and the Amber light turns off and won't turn on. No water damage, nothing, I want to do a DFU restore to wipe the computer since the customer stated they did an update and ever since it just decided to not work...
                                          03-15-2024, 09:37 AM
                                        • www
                                          LG L192WS-BN backlight turns off after 1 second
                                          by www
                                          I am testing an old LG L192WS-BN monitor I have that gives an image, but has a backlight issue. When you turn it on the backlight turns on 1 second and it turns off, turns on again, 1 second and it turns off and stays off. Using a flashlight I can see there's still an image.

                                          I replaced a bulged cap on the main board, but made no difference. I also got another exact same model monitor that has a broken ccfl (the connector got ripped from the panel and the main screen connector is also broken so I can't use this panel to test), tried using the main board from this one, same issue....
                                          03-24-2024, 05:26 PM
                                        • zklgfs
                                          Anker SoundCore 2 Bluetooth Speaker Turns Off After a Few Seconds (Possibly Firmware Issue?)
                                          by zklgfs
                                          Hi,

                                          I have an Anker SoundCore 2 (A3105) that I saved from the trash (well, I guess there's a reason why it was supposed to go into the trash...). The problem is that it always turns off after a few seconds (sometimes it stays on a bit longer, between 30 and 60 seconds, but it still turns off). The power light turns on and the bluetooth light starts blinking, but both abruptly turn off again. The "turn off sound" is still played after the lights turn off. Sometimes, it also loops the on-off cycle several times without me pressing any buttons. If I connect an AUX cable, music...
                                          08-11-2025, 02:14 PM
                                        • andrhouseolly
                                          Dell Precision 5510, AAM00 LA-C361P Rev:2.0 turns on, no image.
                                          by andrhouseolly
                                          Hi.
                                          I kindly ask you to help me solve the problem.
                                          Dell Precision 5510, motherboard AAM00 LA-C361P Rev:2.0
                                          The board turns on, there is no image.
                                          Read more. When the power supply is connected, the front panel indicators light up briefly.
                                          When you press the power button, the button indicator lights up. The board works
                                          there is no image, there is no matrix initialization, there is no image on HDMI.
                                          When turned on, the fans do not spin, but when they warm up they start spinning.
                                          When you turn off the button, the fans spin up to full speed for a short...
                                          05-11-2024, 03:14 PM
                                        • Egidio85
                                          Samsung UE55F8000SZ Turns on and off immediately
                                          by Egidio85
                                          good morning, I have a samsung UE55F8000SZ tv that turns on, shows the logo and turns off after 1-2 seconds.
                                          This defect happens continuously, hearing the classic click of the relay every time.

                                          Power supply board BN44-00636B

                                          disconnecting the mains and lamps from the power board always causes the same problem.
                                          Is it normal that without anything connected this power supply turns on and off cyclically?
                                          any suggestions on what to check?

                                          thanks in advance
                                          03-11-2025, 12:45 PM
                                        • Loading...
                                        • No more items.
                                        Working...