Philips 42PFL5432D/37

Collapse
X
 
  • Time
  • Show
Clear All
new posts
  • retiredcaps
    Badcaps Legend
    • Apr 2010
    • 9271

    #181
    Re: Philips 42PFL5432D/37

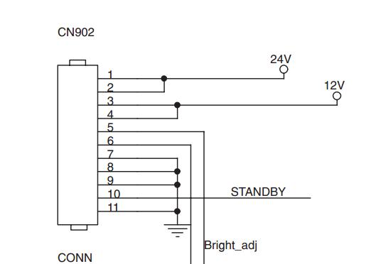
    1) Okay, on CN902 (power board), there is one red wire and a lot of white. Make red wire pin 1 and number the rest in order. It looks like pins 3 and 4 are 12V.

    2) Again, with the TV working, measure all the DC voltages (multimeter set on 20V DC). For the 24V pins, you will need to set it to 200V DC otherwise you will get a "1" on the left hand side. For the other voltages, set it to 20V DC.

    3) Measure them again when the TV picture goes out.
    Attached Files
    Last edited by retiredcaps; 02-12-2012, 12:39 AM. Reason: found schematic for CN902
    --- begin sig file ---

    If you are new to this forum, we can help a lot more if you please post clear focused pictures (max resolution 2000x2000 and 2MB) of your boards using the manage attachments button so they are hosted here. Information and picture clarity compositions should look like this post.

    We respectfully ask that you make some time and effort to read some of the guides available for basic troubleshooting. After you have read through them, then ask clarification questions or report your findings.

    Please do not post inline and offsite as they slow down the loading of pages.

    --- end sig file ---

    Comment

    • retiredcaps
      Badcaps Legend
      • Apr 2010
      • 9271

      #182
      Re: Philips 42PFL5432D/37

      1) Okay, I'm off to bed soon, but if the CN902 connector shows a missing 12V when the TV goes off, then the prime suspect is that green Lelon cap still remaining.

      2) I snipped out the schematic that shows the board. C955 is the new Panasonic cap. C934 is the 47uF 25V cap just before the 12V test point.

      3) The little caps like C934 usually never bloat when they are bad or going bad. If this cap is bad, the 12V disappears and so does the voltage on the t-con. That is why I had you confirm VIN=12.00 when TV is working and VIN=0.45 when picture disappears in post #178.

      4) If you don't have a 47uF 25V spare, you can use 47uF 50V instead. If you have to order, get this

      http://search.digikey.com/us/en/prod...2923-ND/762833

      5) So if I'm correct, the t-con is fine under heat and it is C934 that dies under hot conditions. This is opposite of what I originally thought, but once I saw the schematic I think this scenario is more likely given the Lelon cap. It will be proven once you do test #1.
      Attached Files
      Last edited by retiredcaps; 02-12-2012, 12:05 AM.
      --- begin sig file ---

      If you are new to this forum, we can help a lot more if you please post clear focused pictures (max resolution 2000x2000 and 2MB) of your boards using the manage attachments button so they are hosted here. Information and picture clarity compositions should look like this post.

      We respectfully ask that you make some time and effort to read some of the guides available for basic troubleshooting. After you have read through them, then ask clarification questions or report your findings.

      Please do not post inline and offsite as they slow down the loading of pages.

      --- end sig file ---

      Comment

      • retiredcaps
        Badcaps Legend
        • Apr 2010
        • 9271

        #183
        Re: Philips 42PFL5432D/37

        6) I see another Lelon cap C958 (another 47uF 25V). You might as well replace that as well and whatever else is still an original cap.

        7) If changing these two Lelon cap's doesn't help, there is more to troubleshoot.
        Last edited by retiredcaps; 02-12-2012, 12:27 AM.
        --- begin sig file ---

        If you are new to this forum, we can help a lot more if you please post clear focused pictures (max resolution 2000x2000 and 2MB) of your boards using the manage attachments button so they are hosted here. Information and picture clarity compositions should look like this post.

        We respectfully ask that you make some time and effort to read some of the guides available for basic troubleshooting. After you have read through them, then ask clarification questions or report your findings.

        Please do not post inline and offsite as they slow down the loading of pages.

        --- end sig file ---

        Comment

        • tom66
          EVs Rule
          • Apr 2011
          • 32560
          • UK

          #184
          Re: Philips 42PFL5432D/37

          Originally posted by PoteauPets
          Just found this post in my local area. Wondering if this would be fixable or if I could use it for parts to fix mine. What do you guys think? I just sent her a message to see what her bottom dollar is. Here is her actual picture and description.

          ‎42' Phillips Flat Screen w/Ambulight for sale. Also comes with the remote.
          It has a black strip down the side of the screen other than that it works fine. My son uses it to play the 360 & watch movies on. Make me an offer.
          This is sometimes repairable, but sometimes not. It is a fault with the actual LCD screen. Still, it may be good for parts and the repair isn't too difficult. You have to disassemble the LCD panel and apply pressure to one of the faulty ribbons, then find a way of permanently applying that pressure for when it is assembled. Some people have had luck with sticky bumpers. It's a very common problem on some Sony and Samsung sets too, but often affects one half of the screen. It is not always repairable, sometimes the ribbon has gone too far.
          Please do not PM me with questions! Questions via PM will not be answered. Post on the forums instead!
          For service manual, schematic, boardview (board view), datasheet, cad - use our search.

          Comment

          • PoteauPets
            Senior Member
            • Jan 2012
            • 65

            #185
            Re: Philips 42PFL5432D/37

            Testing in progress:
            With tv powered off this morning: (just for a starting ref)
            1=0
            2=12.10
            3=0
            4=12.1
            5=.4
            6=0
            7=0
            8=0
            9=0
            10=0

            With tv turned on:
            1=0
            2=12.31
            3=12.3
            4=21.4
            5=21.1
            6=24.4
            7=24.4
            8=24.4
            9=21.6
            10=24.4

            When tv lost picture
            1=0
            2=12.06
            3=12.1
            4=.4
            5=0
            6=0
            7=0
            8=0
            9=0
            10=0

            BTW, I have one 47uf35v cap here. Part # P11232-ND
            I have other caps, but not in the 47.
            Last edited by PoteauPets; 02-12-2012, 12:08 PM. Reason: Add info

            Comment

            • retiredcaps
              Badcaps Legend
              • Apr 2010
              • 9271

              #186
              Re: Philips 42PFL5432D/37

              Originally posted by PoteauPets
              Testing in progress:
              With tv powered off this morning: (just for a starting ref)
              1=0
              2=12.10
              3=0
              4=12.1
              5=.4
              6=0
              7=0
              8=0
              9=0
              10=0
              Is this CN902? I count 11 pins on CN902. This is the connector by the green Lelon cap. It has one red and 10 white.
              --- begin sig file ---

              If you are new to this forum, we can help a lot more if you please post clear focused pictures (max resolution 2000x2000 and 2MB) of your boards using the manage attachments button so they are hosted here. Information and picture clarity compositions should look like this post.

              We respectfully ask that you make some time and effort to read some of the guides available for basic troubleshooting. After you have read through them, then ask clarification questions or report your findings.

              Please do not post inline and offsite as they slow down the loading of pages.

              --- end sig file ---

              Comment

              • PoteauPets
                Senior Member
                • Jan 2012
                • 65

                #187
                Re: Philips 42PFL5432D/37

                Originally posted by retiredcaps
                Is this CN902? I count 11 pins on CN902. This is the connector by the green Lelon cap. It has one red and 10 white.
                Yes, that is CN902, if you put one tester on the red, and then the other on each of the white ones, you get 10 tests. At least that is what I come up with, unless I'm doing it wrong.

                Comment

                • retiredcaps
                  Badcaps Legend
                  • Apr 2010
                  • 9271

                  #188
                  Re: Philips 42PFL5432D/37

                  Originally posted by PoteauPets
                  Yes, that is CN902, if you put one tester on the red, and then the other on each of the white ones, you get 10 tests. At least that is what I come up with, unless I'm doing it wrong.
                  Put your black probe on a ground screw and leave it there. Red is pin 1, the other white are pins 2-11. You should get 11 results.
                  --- begin sig file ---

                  If you are new to this forum, we can help a lot more if you please post clear focused pictures (max resolution 2000x2000 and 2MB) of your boards using the manage attachments button so they are hosted here. Information and picture clarity compositions should look like this post.

                  We respectfully ask that you make some time and effort to read some of the guides available for basic troubleshooting. After you have read through them, then ask clarification questions or report your findings.

                  Please do not post inline and offsite as they slow down the loading of pages.

                  --- end sig file ---

                  Comment

                  • PoteauPets
                    Senior Member
                    • Jan 2012
                    • 65

                    #189
                    Re: Philips 42PFL5432D/37

                    Okay, I am driving from OK to IN, my mother has had a stroke. I will get back on this as soon as I return. Thank you so much for all your help.

                    Comment

                    • Abbeyjack
                      New Member
                      • Feb 2012
                      • 9
                      • USA

                      #190
                      Re: Philips 42PFL5432D/37

                      I recently came across this website after my Philips TV had the same symptoms( same model as well). I am overwhelmed with the content of this post. It has been great reading these posts. From my learnings here I have managed to diagnose my issue and i ordered my caps (should be here Monday). Having zero experience with anything like this, I went to the Radio Shack and bought my soldering supplies. I managed to remove all bad caps and am anxiously awaiting the new ones. Thanks to everyone who contributed to this and I am looking forward to many more posts!

                      Aaron

                      Comment

                      • Lobo
                        Senior Member
                        • May 2010
                        • 59

                        #191
                        Re: Philips 42PFL5432D/37

                        Funny how this TV keeps popping up on the internet with the same problems over and over. I have the exact same one and now I am having the "no picture/no sound" problem. The light on the front stays on and the backlights come on. I've replaced the caps on the PSU, and mainboard. Still nothing.

                        There's not much more I can add to the troubleshooting here that hasn't already been said (10 pages and counting) although I can note one thing...This TV runs extremely hot. Compared to every other LCD that I've come in contact with, this thing blazes.

                        T-con board maybe?

                        Comment

                        • retiredcaps
                          Badcaps Legend
                          • Apr 2010
                          • 9271

                          #192
                          Re: Philips 42PFL5432D/37

                          Originally posted by Lobo
                          This TV runs extremely hot.
                          I came to that conclusion a while back when caps on the logic board are bloating. Normally the caps on the logic board don't undergo the same stress as those on the power board.

                          T-con board maybe?
                          1) Check the fuse on the t-con. A good fuse should measure less than 1.0 ohms.

                          2) If the fuse is good, see if you get 12V DC voltage.

                          3) Do you have a source hooked up to the TV? If you have no sound, that could be an indication the problem is on the main board.
                          Last edited by retiredcaps; 03-02-2012, 12:43 AM.
                          --- begin sig file ---

                          If you are new to this forum, we can help a lot more if you please post clear focused pictures (max resolution 2000x2000 and 2MB) of your boards using the manage attachments button so they are hosted here. Information and picture clarity compositions should look like this post.

                          We respectfully ask that you make some time and effort to read some of the guides available for basic troubleshooting. After you have read through them, then ask clarification questions or report your findings.

                          Please do not post inline and offsite as they slow down the loading of pages.

                          --- end sig file ---

                          Comment

                          • budm
                            Badcaps Legend
                            • Feb 2010
                            • 40746
                            • USA

                            #193
                            Re: Philips 42PFL5432D/37

                            The VCC feeding the T-CON board is fed through a switched transistor (this is very common set up used in the TV and monitor t-con power supply section), so when the TV is off, the CPU will send the command to turn off the backlights inveter, T-con board, tuner section, and anything that does not need power to be on to save power.
                            By the way those three caps on the main board were for the switching power supply and the connector next to it are the connector for the T-CON, large IC is for the Class D audio amp section, you can see the speaker cables (RED and BLACK) on the two connectors close to the IC.
                            When T-CON has no VCC, you can see the screen glow in the dark if you look in the darkened room because the backlights are still on, some time it is hard to see the glow because some LCD has very high contrast so the screen is very dark when the LCD is off.
                            I suspect she is loosing the VCC for the T-CON or the T-CON is dying.
                            http://s807.photobucket.com/albums/y...m/LCD%20panel/
                            Never stop learning
                            Basic LCD TV and Monitor troubleshooting guides.
                            http://www.badcaps.net/forum/showthr...956#post305956

                            Voltage Regulator (LDO) testing:
                            http://www.badcaps.net/forum/showthr...999#post300999

                            Inverter testing using old CFL:
                            http://www.badcaps.net/forum/showthr...er+testing+cfl

                            Tear down pictures : Hit the ">" Show Albums and stories" on the left side
                            http://s807.photobucket.com/user/budm/library/

                            TV Factory reset codes listing:
                            http://www.badcaps.net/forum/showthread.php?t=24809

                            Comment

                            • retiredcaps
                              Badcaps Legend
                              • Apr 2010
                              • 9271

                              #194
                              Re: Philips 42PFL5432D/37

                              Originally posted by budm
                              I suspect she is loosing the VCC for the T-CON or the T-CON is dying.
                              If you are refering to PoteauPets, her TV has had multiple problems.

                              1) Obviously bad Capxon caps on the main board.
                              2) The 24V DC disappearing on the inverter boards due to bad Capxon caps (not bloated).
                              3) Overheating causing the picture to disappear. If a fan is pointed at the back of TV, then it works greats.

                              Right now, we are left with the two options you mentioned above.

                              1) There are still some Lelon caps that need replacing on the power board that are part of the 12V rail.
                              2) I did mention the chimney affect back in post #109 and how that might be causing the t-con to fail.

                              https://www.badcaps.net/forum/showpo...&postcount=109

                              I'm sure she (and the regular members here) will welcome any suggestions that you might have.
                              --- begin sig file ---

                              If you are new to this forum, we can help a lot more if you please post clear focused pictures (max resolution 2000x2000 and 2MB) of your boards using the manage attachments button so they are hosted here. Information and picture clarity compositions should look like this post.

                              We respectfully ask that you make some time and effort to read some of the guides available for basic troubleshooting. After you have read through them, then ask clarification questions or report your findings.

                              Please do not post inline and offsite as they slow down the loading of pages.

                              --- end sig file ---

                              Comment

                              • budm
                                Badcaps Legend
                                • Feb 2010
                                • 40746
                                • USA

                                #195
                                Re: Philips 42PFL5432D/37

                                The last symptom I see it being mention is that the backlights and sound stay on but not pictures on the screen, so I would suggest to verify if she is loosing the vcc to the T-CON board or not, if the 12v is still there on the T-CON fuse, then I would use cold spray on the T-CON to see if the pictures will come back on.
                                Never stop learning
                                Basic LCD TV and Monitor troubleshooting guides.
                                http://www.badcaps.net/forum/showthr...956#post305956

                                Voltage Regulator (LDO) testing:
                                http://www.badcaps.net/forum/showthr...999#post300999

                                Inverter testing using old CFL:
                                http://www.badcaps.net/forum/showthr...er+testing+cfl

                                Tear down pictures : Hit the ">" Show Albums and stories" on the left side
                                http://s807.photobucket.com/user/budm/library/

                                TV Factory reset codes listing:
                                http://www.badcaps.net/forum/showthread.php?t=24809

                                Comment

                                • budm
                                  Badcaps Legend
                                  • Feb 2010
                                  • 40746
                                  • USA

                                  #196
                                  Re: Philips 42PFL5432D/37

                                  This post is real exciting to find out the outcome.
                                  Never stop learning
                                  Basic LCD TV and Monitor troubleshooting guides.
                                  http://www.badcaps.net/forum/showthr...956#post305956

                                  Voltage Regulator (LDO) testing:
                                  http://www.badcaps.net/forum/showthr...999#post300999

                                  Inverter testing using old CFL:
                                  http://www.badcaps.net/forum/showthr...er+testing+cfl

                                  Tear down pictures : Hit the ">" Show Albums and stories" on the left side
                                  http://s807.photobucket.com/user/budm/library/

                                  TV Factory reset codes listing:
                                  http://www.badcaps.net/forum/showthread.php?t=24809

                                  Comment

                                  • Lobo
                                    Senior Member
                                    • May 2010
                                    • 59

                                    #197
                                    Re: Philips 42PFL5432D/37

                                    Originally posted by budm
                                    This post is real exciting to find out the outcome.
                                    Yes it is!

                                    Who knows, maybe those crappy capxons would have lasted longer if that PSU wasn't kickin' out so much heat. If we do manage to get these tv's fixed, do you think it would be possible to wire in a fan or two? I've got plenty of old PC fans laying around.

                                    Anyway, when I have time this weekend I'm going to have a closer look at all the boards. And since I assumed it was only the Capxons that were bad, I'll probably be looking to replace all of the other caps just to rule those out. Caps are cheap and I could always use the practice with soldering anyway.

                                    Comment

                                    • Scenic
                                      o.O
                                      • Sep 2007
                                      • 2642
                                      • Germany

                                      #198
                                      Re: Philips 42PFL5432D/37

                                      Originally posted by Lobo
                                      If we do manage to get these tv's fixed, do you think it would be possible to wire in a fan or two? I've got plenty of old PC fans laying around.
                                      I did something like that on a Samsung 40" LCD. Found a switched 12V (actually 13V) output of the PSU, fed that into an adjustable voltage regulator which runs a 80mm fan on the back of the TV, blowing straight down onto the PSU.
                                      Temps have dropped dramatically (from burnt fingers down to handwarm), even though the fan just runs at about 3.5V (starts up on its own at 2.8V + a bit of headroom)

                                      The back of the TV looks a bit ugly / hackjob-ish but hey.. that's not what you're supposed to look at

                                      Comment

                                      • Lobo
                                        Senior Member
                                        • May 2010
                                        • 59

                                        #199
                                        Re: Philips 42PFL5432D/37

                                        That's exactly what I was thinking. Like cutting a hole right in the back of the TV and mounting a fan directly over the power supply. Just to try to prevent any further hardware from failing.

                                        I had some time to take a closer look at the T-con board and I see an SMD with what appears to be some slight burning on the PCB beneath it. I can't tell what it is (maybe a diode) there are no identifying marks on it. On the PCB right next to it is "C69".

                                        My camera really sucks, if I can get a decent pic of it I'll post it. Hopefully someone will know what it is.

                                        Comment

                                        • Lobo
                                          Senior Member
                                          • May 2010
                                          • 59

                                          #200
                                          Re: Philips 42PFL5432D/37

                                          Okay, I don't think it's a diode. I'm no expert here. And I hope the pics aren't too big. My camera doesn't really have a macro setting, so I did the best I could...
                                          Attached Files

                                          Comment

                                          Related Topics

                                          Collapse

                                          • alro7779
                                            Philips 32PFL4901/F8 BA4GF0F0102 2 Not getting standby led
                                            by alro7779
                                            Hello, guys!

                                            The same 32" Philips TV I was having video issues, but now I don't have standby led at all. Someone here shared with me the schematic of the power supply, and checking the voltages, I see right after the resistor R604 I'm getting 1.6 v which is too low for enabling the Gate of the Q601 mosfet (the diagram says 4.2). On the R614 resistor I'm getting 181 V in and 117 V out, then through R603 I'm getting the same 117 V in and 59.9 V out, finally getting the latter voltage in the R604 BUT getting just 1.6 V out, which is the voltage that goes on to the Gate of the Q601...
                                            09-14-2025, 12:25 AM
                                          • G33RT
                                            Philips 8200 series 65PUS8204/12 stuck at Philips Logo
                                            by G33RT
                                            Philips 8200 series 65PUS8204/12 stuck at Philips Logo, it does not reboot it just stays on the logo.

                                            It does power up when pressing the power button.

                                            I already try the power button while plugin the plug with no result.
                                            Also put the latest firmware autorun-TPM191E_R.001.004.100.000.upg on a MBR/FAT32 USB stick at USB port2 with no result either.

                                            Could this be an PSU or eMMC issue ?
                                            07-19-2025, 03:43 AM
                                          • Ifixstuff9
                                            Philips 42PFL5432D/37 power supply issue no 12v
                                            by Ifixstuff9
                                            I have a Philips TV that shows no signs of life when plugged in - no standby LED, no response to buttons, no noises, nothing. This model is well known for having bad caps, so I started by replacing a few of them (3x 35v 1500uf and 1x 2200uf 16v). I don't know the history of the TV but it looks like someone's been at it before because some of the solder joints looked really bad, so I re soldered them as well.

                                            After swapping the caps I still got no signs of life so I started checking voltages, and found that the board is supplying 24v but not 12v. Here's what I measured on the connector...
                                            05-02-2021, 09:29 PM
                                          • double_DD
                                            Philips curling iron - is this a common AC cable?
                                            by double_DD
                                            Hi all,

                                            Wife has 2 Philips hair curling irons half defective - after learning how they're supposed to work and testing them, it turned out that both have defective power cables, and both on the same place; broken wires due to wire bending.
                                            As they were both relatively easy to disassemble, and cables are plugged not soldered (as they can rotate in the handle), I was sure it would be easy to find replacements. But - NO! I'm unable to find anything similar on ebay or Aliexpress.

                                            Not sure if this is something Philips proprietary, or a standard, but the cable plug...
                                            08-18-2025, 10:04 AM
                                          • janos6662000
                                            Philips 47PFS7509/12 LCD TV problem
                                            by janos6662000
                                            Hi

                                            I have here a Philips 47PFS7509/12 LCD TV which came to me with a weird problem : without signal i could access menu, make a factory reset, access menus, etc.
                                            When i applied cable signal to check image, i had normal picture, but TV was restarting.
                                            I downloaded original firmware and applied the update, but the problem remained.
                                            From a colleague i received a "factory package software" which is a lot bigger.
                                            I made another firmware update, but still did not solve the problem.
                                            Somewhere on the way the error got worse, because at the moment the...
                                            08-12-2025, 12:54 PM
                                          • Loading...
                                          • No more items.
                                          Working...