Crown XLS 802 120v to 240v Conversion

Collapse
X
 
  • Time
  • Show
Clear All
new posts
  • max1636
    Senior Member
    • Dec 2013
    • 80
    • Australia

    #1

    Crown XLS 802 120v to 240v Conversion

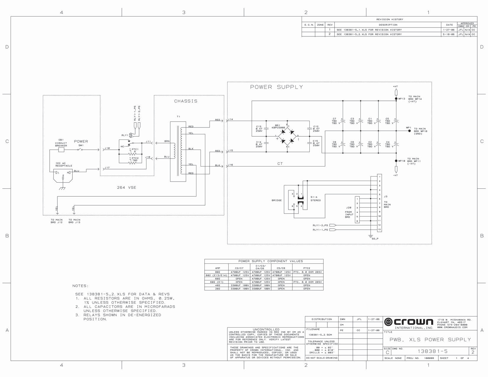
    I've got the chance to get a Crown XLS 802 really cheap but don't want to use a step down transformer because they are often cheaply made and are annoying to move around.

    I've read online of a few times where people have converted them to work on 240v with a few mods and it works just fine. It seems to involve removing a jumper and adding some resistors.

    This is a schematic of the power supply of an XLS 802, anybody got any idea how I would go about it?

  • domas
    News Hater
    • May 2013
    • 323
    • Denmark

    #2
    Re: Crown XLS 802 120v to 240v Conversion

    Comment

    • max1636
      Senior Member
      • Dec 2013
      • 80
      • Australia

      #3
      Re: Crown XLS 802 120v to 240v Conversion

      Thanks for that, didn't expect to get a response so quickly.
      Could you explain the image a little? I can see the component there is a bridge rectifier but I can't see the jumper on my diagram that you have on yours.

      Is your diagram also from a Crown amplifier?

      Comment

      • max1636
        Senior Member
        • Dec 2013
        • 80
        • Australia

        #4
        Re: Crown XLS 802 120v to 240v Conversion



        Would this really be all that required to convert the amp? No other mods like adding resistors?

        Comment

        • domas
          News Hater
          • May 2013
          • 323
          • Denmark

          #5
          Re: Crown XLS 802 120v to 240v Conversion

          nope, i made the same mistake myself while looking at the pictures. if you look carefully enough, you can see that in my picture there is a connection going to the trace where + and - of the big caps connect (DC side), but it is going from AC side not DC side

          you marked a jumper/break on dc side

          according to your diagram, connecting j15 and j16 would work as voltage doubler, so you probably have to separate those. IIRC you do not have to add any resistors and it can go from any of the 2 cables/traces from ac side

          Hope this is easy to understand. I do not take any responsibility for any damage oyu make though. I am not a professional here

          try posting some pictures of the p/s, somebody might spot the jumper/trace

          Comment

          • domas
            News Hater
            • May 2013
            • 323
            • Denmark

            #6
            Re: Crown XLS 802 120v to 240v Conversion

            or it seems like you just have to disconnect j16 (CT wire) from T1

            please wait for some more answers

            Comment

            • budm
              Badcaps Legend
              • Feb 2010
              • 40746
              • USA

              #7
              Re: Crown XLS 802 120v to 240v Conversion

              Stop!, the diagram shows the rectifier (Full wave rectifier BI-POLAR (+/- out with ref to Ground-center tap of the transformer) power supply) on the secondary side of the power transformer, not the input side. This is linear power supply with transformer winding made for 120VAC input ONLY, it is not SMPS power supply, do not mod the output side of the transformer!
              Please study the circuit before blowing up your amp.
              Attached Files
              Last edited by budm; 02-10-2014, 10:50 AM.
              Never stop learning
              Basic LCD TV and Monitor troubleshooting guides.
              http://www.badcaps.net/forum/showthr...956#post305956

              Voltage Regulator (LDO) testing:
              http://www.badcaps.net/forum/showthr...999#post300999

              Inverter testing using old CFL:
              http://www.badcaps.net/forum/showthr...er+testing+cfl

              Tear down pictures : Hit the ">" Show Albums and stories" on the left side
              http://s807.photobucket.com/user/budm/library/

              TV Factory reset codes listing:
              http://www.badcaps.net/forum/showthread.php?t=24809

              Comment

              • budm
                Badcaps Legend
                • Feb 2010
                • 40746
                • USA

                #8
                Re: Crown XLS 802 120v to 240v Conversion

                "I've read online of a few times where people have converted them to work on 240v with a few mods and it works just fine. It seems to involve removing a jumper and adding some resistors." I really want to see that mod.
                Never stop learning
                Basic LCD TV and Monitor troubleshooting guides.
                http://www.badcaps.net/forum/showthr...956#post305956

                Voltage Regulator (LDO) testing:
                http://www.badcaps.net/forum/showthr...999#post300999

                Inverter testing using old CFL:
                http://www.badcaps.net/forum/showthr...er+testing+cfl

                Tear down pictures : Hit the ">" Show Albums and stories" on the left side
                http://s807.photobucket.com/user/budm/library/

                TV Factory reset codes listing:
                http://www.badcaps.net/forum/showthread.php?t=24809

                Comment

                • domas
                  News Hater
                  • May 2013
                  • 323
                  • Denmark

                  #9
                  Re: Crown XLS 802 120v to 240v Conversion

                  omfg how the f...

                  how can anyone possibly

                  how the f.. i did not notice.

                  kill me please

                  how the heck can anyone think of an smps with a mains voltage going directly to primary winding

                  i wasn't even sleepy while i was posting this

                  Comment

                  • momaka
                    master hoarder
                    • May 2008
                    • 12175
                    • Bulgaria

                    #10
                    Re: Crown XLS 802 120v to 240v Conversion

                    Originally posted by budm
                    This is linear power supply with transformer winding made for 120VAC input ONLY, it is not SMPS power supply
                    +1
                    If transformer doesn't have a second tap for 240 VAC or 2x 120 VAC primaries, then you can't really do anything except change the transformer for a 240 V one.

                    Running a 120 VAC transformer on 240 VAC may "work", but you will be over-driving the transformer's primary quite hard. Most of the time, this will result in primary side meltdown. I do NOT recommend anyone do this.

                    Comment

                    • budm
                      Badcaps Legend
                      • Feb 2010
                      • 40746
                      • USA

                      #11
                      Re: Crown XLS 802 120v to 240v Conversion

                      Double the input voltage = double the output voltage, something will blow up big time.
                      Never stop learning
                      Basic LCD TV and Monitor troubleshooting guides.
                      http://www.badcaps.net/forum/showthr...956#post305956

                      Voltage Regulator (LDO) testing:
                      http://www.badcaps.net/forum/showthr...999#post300999

                      Inverter testing using old CFL:
                      http://www.badcaps.net/forum/showthr...er+testing+cfl

                      Tear down pictures : Hit the ">" Show Albums and stories" on the left side
                      http://s807.photobucket.com/user/budm/library/

                      TV Factory reset codes listing:
                      http://www.badcaps.net/forum/showthread.php?t=24809

                      Comment

                      • max1636
                        Senior Member
                        • Dec 2013
                        • 80
                        • Australia

                        #12
                        Re: Crown XLS 802 120v to 240v Conversion

                        Sounds like it's more trouble than it's worth, Thanks for the help guys.

                        Comment

                        Related Topics

                        Collapse

                        Working...