Modify output voltage of a Dell power brick

Collapse
X
 
  • Time
  • Show
Clear All
new posts
  • RCKadath
    Member
    • Jun 2013
    • 16
    • Canada

    #1

    Modify output voltage of a Dell power brick

    Hi,

    I'd like to modify the voltage of a spare 65W Dell power brick that I have to around 17V (instead of the nominal 19.5V unloaded).

    I think that I identified the SMPS controller but it's only a partial part number on the marking. If someone could help me get the full part number and/or datasheet I could handle the rest.

    The chip is a SO-8 and the marking is 103AIW on the first line and EK713 on the 2nd.

    I still tried a few things without the datasheet. I found a 15 k resistor between Vout and a 2.5V pin on the IC. That looked like part of the voltage feedback divider so I replaced it with a pot. That didn't work. I also tried the same thing with a 75k resistor that I found between Vout and a ~2.25V pin. Didn't work either.

    Thanks for any pointers!
  • budm
    Badcaps Legend
    • Feb 2010
    • 40746
    • USA

    #2
    Re: Modify output voltage of a Dell power brick

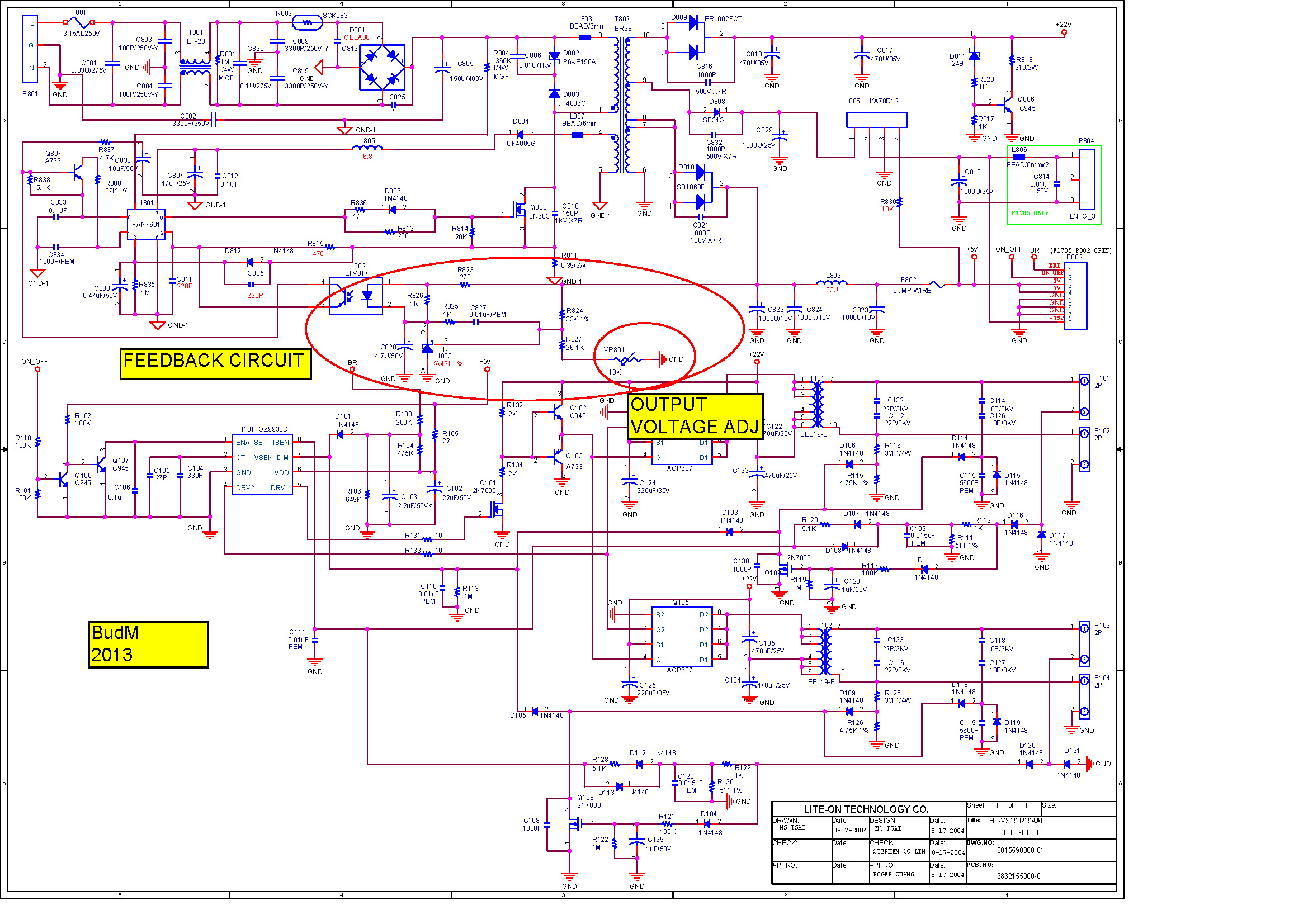
    Pictures of the board? You may be able to change the value of the feedback resistor network around the Optoisolator and the Vref Diode (such as TL431).
    http://www.alldatasheet.com/datashee.../TSM103AI.html
    Last edited by budm; 08-13-2013, 01:47 PM.
    Never stop learning
    Basic LCD TV and Monitor troubleshooting guides.
    http://www.badcaps.net/forum/showthr...956#post305956

    Voltage Regulator (LDO) testing:
    http://www.badcaps.net/forum/showthr...999#post300999

    Inverter testing using old CFL:
    http://www.badcaps.net/forum/showthr...er+testing+cfl

    Tear down pictures : Hit the ">" Show Albums and stories" on the left side
    http://s807.photobucket.com/user/budm/library/

    TV Factory reset codes listing:
    http://www.badcaps.net/forum/showthread.php?t=24809

    Comment

    • RCKadath
      Member
      • Jun 2013
      • 16
      • Canada

      #3
      Re: Modify output voltage of a Dell power brick

      Here's the picture. Sorry that's the best I could do with my point and shoot.
      Attached Files

      Comment

      • rogfanther
        Badcaps Veteran
        • Jul 2006
        • 458
        • Brazil

        #4
        Re: Modify output voltage of a Dell power brick

        Post a picture of the other side also, please

        Comment

        • budm
          Badcaps Legend
          • Feb 2010
          • 40746
          • USA

          #5
          Re: Modify output voltage of a Dell power brick

          That is good picture, but take another section of the board also so I can see how the traces are connected, and yes, top side also needed.
          The Opto and the ref diode will be in the DC output section of the board.
          This is an example of typical power supply.
          Attached Files
          Last edited by budm; 08-14-2013, 10:14 AM.
          Never stop learning
          Basic LCD TV and Monitor troubleshooting guides.
          http://www.badcaps.net/forum/showthr...956#post305956

          Voltage Regulator (LDO) testing:
          http://www.badcaps.net/forum/showthr...999#post300999

          Inverter testing using old CFL:
          http://www.badcaps.net/forum/showthr...er+testing+cfl

          Tear down pictures : Hit the ">" Show Albums and stories" on the left side
          http://s807.photobucket.com/user/budm/library/

          TV Factory reset codes listing:
          http://www.badcaps.net/forum/showthread.php?t=24809

          Comment

          • RCKadath
            Member
            • Jun 2013
            • 16
            • Canada

            #6
            Re: Modify output voltage of a Dell power brick

            Thanks budm for the diagram. Here are two more pictures that should help.

            I just thought about something. I had to replace the DC jack for a smaller one. The cord going to the DC jack has 3 conductors, coax style. I left the center conductor unconnected as it didn't have any voltage on it when probing. Now I just realized that there is the word "sense" silk screened on the PCB next to where that wire connects. Could it be a voltage sense feedback that I need to short to the positive connection on the DC jack? I don't think so though, is appears to be for communication between the power brick and laptop...
            Attached Files

            Comment

            • tom66
              EVs Rule
              • Apr 2011
              • 32560
              • UK

              #7
              Re: Modify output voltage of a Dell power brick

              The SENSE pin is so the laptop can tell the charger is a genuine one, and what output power it is rated to. Dell sold 65W, 90W and I think 130W, so the SENSE, connected to a small chip, tells the laptop what power and rating the adapter is.
              Please do not PM me with questions! Questions via PM will not be answered. Post on the forums instead!
              For service manual, schematic, boardview (board view), datasheet, cad - use our search.

              Comment

              • budm
                Badcaps Legend
                • Feb 2010
                • 40746
                • USA

                #8
                Re: Modify output voltage of a Dell power brick

                See what the P/N of that IC3 is.
                Attached Files
                Never stop learning
                Basic LCD TV and Monitor troubleshooting guides.
                http://www.badcaps.net/forum/showthr...956#post305956

                Voltage Regulator (LDO) testing:
                http://www.badcaps.net/forum/showthr...999#post300999

                Inverter testing using old CFL:
                http://www.badcaps.net/forum/showthr...er+testing+cfl

                Tear down pictures : Hit the ">" Show Albums and stories" on the left side
                http://s807.photobucket.com/user/budm/library/

                TV Factory reset codes listing:
                http://www.badcaps.net/forum/showthread.php?t=24809

                Comment

                • RCKadath
                  Member
                  • Jun 2013
                  • 16
                  • Canada

                  #9
                  Re: Modify output voltage of a Dell power brick

                  Originally posted by budm
                  See what the P/N of that IC3 is.
                  It's a TO92 package

                  DALLAS
                  2501
                  0714D3
                  +058AA

                  Thanks for the explanation on the sense signal.

                  Comment

                  • budm
                    Badcaps Legend
                    • Feb 2010
                    • 40746
                    • USA

                    #10
                    Re: Modify output voltage of a Dell power brick

                    OK that is the IC Dallas 2501 is the 1-wire memory chip for the telling the laptop what kind of power supply it is being fed with.
                    I have to locate that feedback network on the board.
                    Attached Files
                    Last edited by budm; 08-14-2013, 02:11 PM.
                    Never stop learning
                    Basic LCD TV and Monitor troubleshooting guides.
                    http://www.badcaps.net/forum/showthr...956#post305956

                    Voltage Regulator (LDO) testing:
                    http://www.badcaps.net/forum/showthr...999#post300999

                    Inverter testing using old CFL:
                    http://www.badcaps.net/forum/showthr...er+testing+cfl

                    Tear down pictures : Hit the ">" Show Albums and stories" on the left side
                    http://s807.photobucket.com/user/budm/library/

                    TV Factory reset codes listing:
                    http://www.badcaps.net/forum/showthread.php?t=24809

                    Comment

                    • RCKadath
                      Member
                      • Jun 2013
                      • 16
                      • Canada

                      #11
                      Re: Modify output voltage of a Dell power brick

                      I probed the board and identified any point directly connected to Vout, in case that helps out. I'm guessing that the voltage divider will be connected to one of these points.

                      The p/n of IC32 is very hard to read. I think it's LA1 and there's a symbol on the left of it that looks like a backward N.
                      Attached Files
                      Last edited by RCKadath; 08-14-2013, 03:48 PM. Reason: Added IC32 comment.

                      Comment

                      • budm
                        Badcaps Legend
                        • Feb 2010
                        • 40746
                        • USA

                        #12
                        Re: Modify output voltage of a Dell power brick

                        Can you read the P/N of that Dual Opto isolator?
                        Never stop learning
                        Basic LCD TV and Monitor troubleshooting guides.
                        http://www.badcaps.net/forum/showthr...956#post305956

                        Voltage Regulator (LDO) testing:
                        http://www.badcaps.net/forum/showthr...999#post300999

                        Inverter testing using old CFL:
                        http://www.badcaps.net/forum/showthr...er+testing+cfl

                        Tear down pictures : Hit the ">" Show Albums and stories" on the left side
                        http://s807.photobucket.com/user/budm/library/

                        TV Factory reset codes listing:
                        http://www.badcaps.net/forum/showthread.php?t=24809

                        Comment

                        • RCKadath
                          Member
                          • Jun 2013
                          • 16
                          • Canada

                          #13
                          Re: Modify output voltage of a Dell power brick

                          You mean the 4-pin thru-hole parts on the top side?

                          NEC
                          2561
                          LK641

                          Both are the same.

                          Thanks for trying to figure this out with me, it's much appreciated!

                          Comment

                          • budm
                            Badcaps Legend
                            • Feb 2010
                            • 40746
                            • USA

                            #14
                            Re: Modify output voltage of a Dell power brick

                            OK here is the spec sheet. We just have to find how the LED inside the Opto is being driven, it has to be connected to circuit some where which I cannot really easily see from the pictures, it will be real easy once we figure out the connection.
                            By the way what is the model of this DELL power supply? I have lots of Dell power supply around, I am willing to open it up.
                            Attached Files
                            Last edited by budm; 08-14-2013, 05:28 PM.
                            Never stop learning
                            Basic LCD TV and Monitor troubleshooting guides.
                            http://www.badcaps.net/forum/showthr...956#post305956

                            Voltage Regulator (LDO) testing:
                            http://www.badcaps.net/forum/showthr...999#post300999

                            Inverter testing using old CFL:
                            http://www.badcaps.net/forum/showthr...er+testing+cfl

                            Tear down pictures : Hit the ">" Show Albums and stories" on the left side
                            http://s807.photobucket.com/user/budm/library/

                            TV Factory reset codes listing:
                            http://www.badcaps.net/forum/showthread.php?t=24809

                            Comment

                            • RCKadath
                              Member
                              • Jun 2013
                              • 16
                              • Canada

                              #15
                              Re: Modify output voltage of a Dell power brick

                              Attached is the result of some more probing.

                              Here's what's written on the outside:

                              65W AC ADAPTER
                              Model HA65NS1-00 Rev : A01
                              Output 19.5 V, 3.34 A
                              PA-12 Family

                              Thanks for the offer to open yours up but I'm more than willing to simply probe mine with your instructions.
                              Attached Files

                              Comment

                              • RCKadath
                                Member
                                • Jun 2013
                                • 16
                                • Canada

                                #16
                                Re: Modify output voltage of a Dell power brick

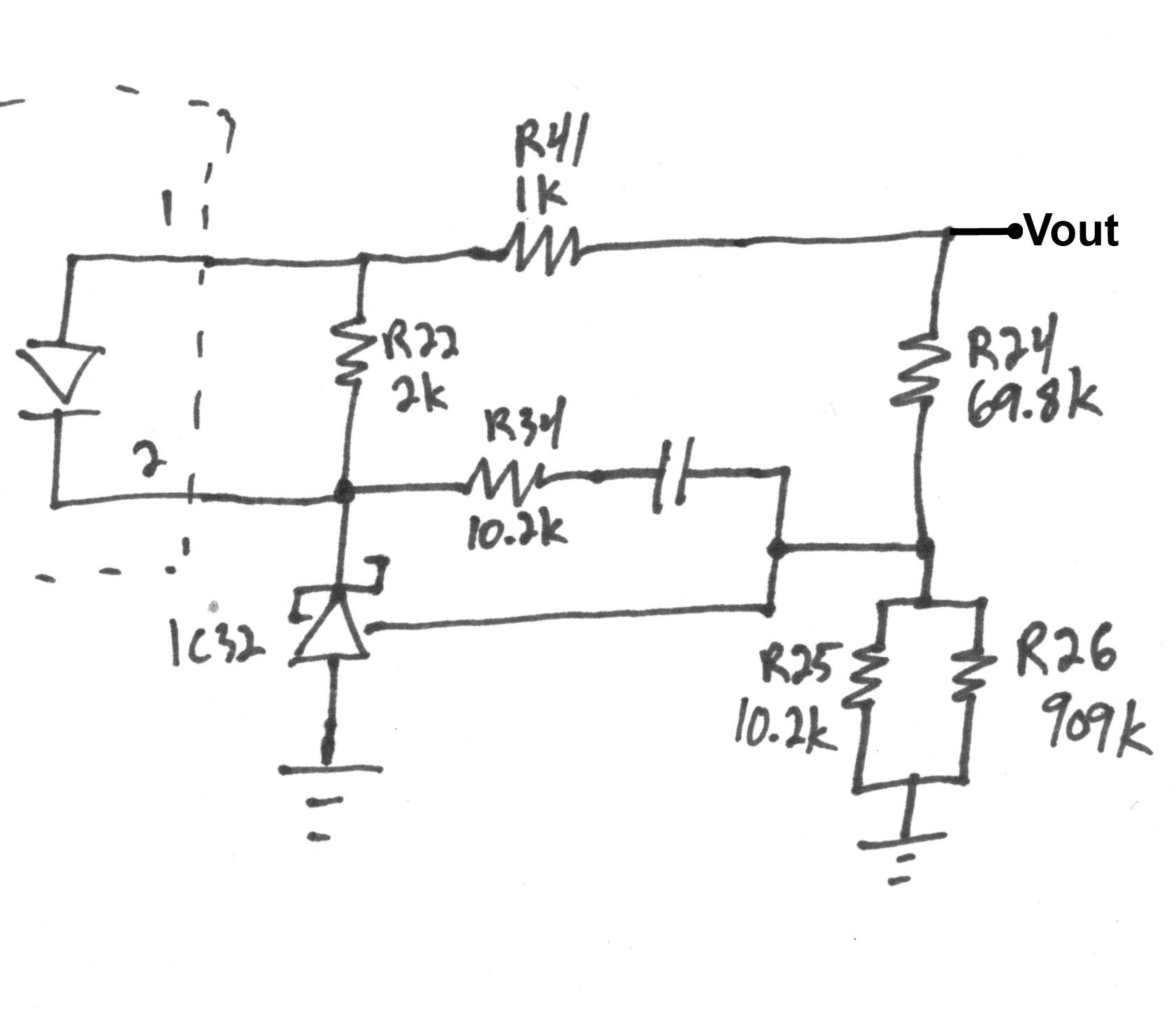
                                Ok, here's some partial reverse engineering of some of the traces. I concentrated on one optocoupler to start with.

                                I drew it to ressemble the "typical" circuit posted earlier. I think that I have everything I need. I'll try to tweak R25 and R26.
                                Attached Files
                                Last edited by RCKadath; 08-15-2013, 01:22 PM. Reason: Added Vout

                                Comment

                                • tom66
                                  EVs Rule
                                  • Apr 2011
                                  • 32560
                                  • UK

                                  #17
                                  Re: Modify output voltage of a Dell power brick

                                  I think that decreasing the 69.8k resistor will decrease the output voltage.
                                  Please do not PM me with questions! Questions via PM will not be answered. Post on the forums instead!
                                  For service manual, schematic, boardview (board view), datasheet, cad - use our search.

                                  Comment

                                  • RCKadath
                                    Member
                                    • Jun 2013
                                    • 16
                                    • Canada

                                    #18
                                    Re: Modify output voltage of a Dell power brick

                                    Bingo! Tweaking R25 and R26 did the trick! Now I just need to replace the pot I used for testing with a fixed resistor. Or maybe leave the pot there to create an adjustable power supply.

                                    Any idea what voltage range I could expect?

                                    Thanks everyone for your help on this, especially budm!

                                    Now that I found this nice forum I could maybe try to fix an old massive 13.8V, 270W supply that I got. It's even got the schematics inside of it so I'm sure I could fix it with you guys help.

                                    Comment

                                    • budm
                                      Badcaps Legend
                                      • Feb 2010
                                      • 40746
                                      • USA

                                      #19
                                      Re: Modify output voltage of a Dell power brick

                                      Well I am glad you are able to trace out the diagram, looks just as I expect it to be.
                                      Good to see that it does what you need, just be careful not to let that connection of the 68K go open then it will not have feedback to keep the voltage down.
                                      Never stop learning
                                      Basic LCD TV and Monitor troubleshooting guides.
                                      http://www.badcaps.net/forum/showthr...956#post305956

                                      Voltage Regulator (LDO) testing:
                                      http://www.badcaps.net/forum/showthr...999#post300999

                                      Inverter testing using old CFL:
                                      http://www.badcaps.net/forum/showthr...er+testing+cfl

                                      Tear down pictures : Hit the ">" Show Albums and stories" on the left side
                                      http://s807.photobucket.com/user/budm/library/

                                      TV Factory reset codes listing:
                                      http://www.badcaps.net/forum/showthread.php?t=24809

                                      Comment

                                      • RCKadath
                                        Member
                                        • Jun 2013
                                        • 16
                                        • Canada

                                        #20
                                        Re: Modify output voltage of a Dell power brick

                                        Well if anyone is still following this thread, the success was short lived. I reassembled the brick and it actually worked to power my battery charger (my intended application) and charge one battery yesterday. Today I tried to plug it into another charger and it only worked for a few seconds. After that the voltage started slowly decreasing and goes to near 0 within maybe 5-10 seconds. I disassembled it again and everything seems intact but yet not working.

                                        Comment

                                        Related Topics

                                        Collapse

                                        • electron_jj
                                          Panasonic TH-L42D25A checking the PSU output voltage
                                          by electron_jj
                                          Hi Everyone, I am new to this forum. I have a Panasonic LED TV which doesnt turn on and is blinking 4 times repeatedly when I turn on the switch. The TV does not respond to the remote control so I had to turn on using the physical switch on the side of the TV. When I turn on the switch the 4 x blinking starts and repeat itself until I turn off the TV. There is a black screen. I turned off the light in the room to check the panel and I think there is no backlight as far as I can tell.

                                          I have been inspecting and testing the capacitors and diodes in the power supply board to try to...
                                          08-29-2021, 08:13 AM
                                        • Vampy_1110
                                          Modifying output voltage of an Old Dell laptop charger
                                          by Vampy_1110
                                          I'm trying to turn this old dell laptop psu into a variable power supply (5-19.5) as i have already modified a few power supplies before and now i want to do the same with this but it's a bit complicated
                                          The pic below has an op-amp ic (Z103WA) that does the CC/CV adjustments and a double diode 3 pin ic at the far right
                                          As you can see there's no TL431 or Switching ic self-regulations that i can tweak easily.
                                          Any help would be appreciated

                                          ​...
                                          02-12-2024, 03:17 PM
                                        • sergiosergio
                                          Dell DPS 1200MB-1A increase voltage output
                                          by sergiosergio
                                          Hello everyone!
                                          I have this power source and I turned it ON connecting the pins with an Ohm resistor. The output is about 12V and I need to overcome the voltage protection and obtain between 13.8V and 14V.
                                          If someone could tell me how it can be done I would really appreciate.
                                          Thank you in advance!
                                          I am attaching pictures of PSU....
                                          11-12-2022, 09:59 AM
                                        • sam_sam_sam
                                          How to modify a switching power supply that has voltage/current adjustable but powering it from a battery pack
                                          by sam_sam_sam
                                          I have been pondering this question for a while but now I have see if this doable but I need to answer this question once and for all

                                          I would like to know how to safely do this undertaking my first thought is to solder wires to the main filtering capacitors and see
                                          what voltage I am getting and seeing if I can build a battery pack with voltage or not and if

                                          I can find a BMS balancing protection board at this voltage level and weather or not do I have use more than one BMS balancing protection board...
                                          05-11-2025, 05:22 PM
                                        • David Miteff
                                          NM-D521 rev. 2.0 output voltage on CPU coils seemingly low
                                          by David Miteff
                                          Hello, guys!
                                          As the title says - the board is NM-D521, on the input of the CPU coils I read 1.2-1.3V, which should be normal, but on the output I read around 0.6-0.8V. The laptop bootloops with no picture.
                                          As of right now I don't have a thermal camera, so I can't confirm a shorted or partially shorted CPU chip. Do you have any other suggestions as of why the output voltage might drop like that?...
                                          12-30-2024, 07:02 AM
                                        • Loading...
                                        • No more items.
                                        Working...