Microsoft Surface Pro 5 1796 - No Power

Collapse
X
 
  • Time
  • Show
Clear All
new posts
  • j64x86
    Member
    • Dec 2022
    • 12
    • South Africa

    #1

    Microsoft Surface Pro 5 1796 - No Power

    Hey There,

    Trying to troubleshoot a SP 5 1796 (M1007506-015), most of the caps around the CPU area are shorted.
    When tracing from the DC in the first shorts I could find is near the USB & DP connectors.
    Tested with diode mode, red to ground.

    Two bad caps, marked in red on the attached picture, I currently don't have a bench PSU to attempt power injection, any best guesses as to which of the two could be the culprit?


    Attached Files
  • mon2
    Badcaps Legend
    • Dec 2019
    • 14662
    • Canada

    #2
    Re: Microsoft Surface Pro 5 1796 - No Power

    Link or post a schematic for the logic board.

    Cpu power rails are low voltage rails. Respectively, they will also be low resistance rails.

    With no power, measure the resistance of these rails and post their exact resistance readings.

    With power, check the voltage to ground of each large coil. Each coil is an inductor and is linked to a local switching power supply.

    Comment

    • j64x86
      Member
      • Dec 2022
      • 12
      • South Africa

      #3
      Re: Microsoft Surface Pro 5 1796 - No Power

      Unfortunately I don't have schematics, really wish I did, couldn't find them without some sort of paywall.

      I measured the voltage with the 15v DC connected with and without the battery, it appears that the battery does receive some voltage.

      Attached Files

      Comment

      • mon2
        Badcaps Legend
        • Dec 2019
        • 14662
        • Canada

        #4
        Re: Microsoft Surface Pro 5 1796 - No Power

        See attached.
        Attached Files
        Last edited by mon2; 12-24-2022, 09:51 AM.

        Comment

        • mon2
          Badcaps Legend
          • Dec 2019
          • 14662
          • Canada

          #5
          Re: Microsoft Surface Pro 5 1796 - No Power

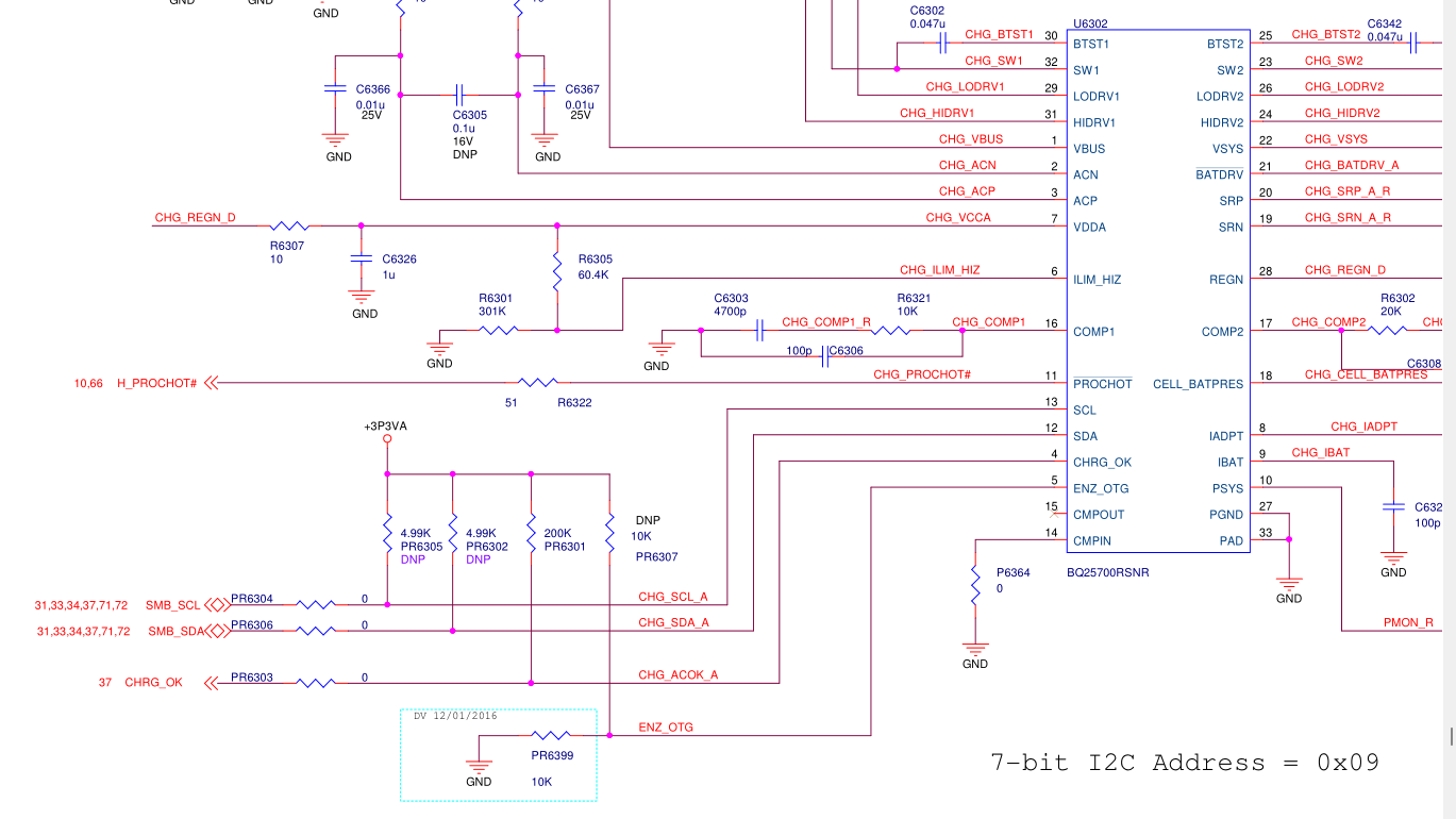
          Start with measuring the voltage to ground of:

          a) charger IC U6302 -> pin #28 REGN

          b) +VSYS

          Comment

          • j64x86
            Member
            • Dec 2022
            • 12
            • South Africa

            #6
            Re: Microsoft Surface Pro 5 1796 - No Power

            Thank you so much for the power rail info.

            on IC U6302
            pin #28 REGN = 5.98 V
            pin #22 VSYS = 8.8 V

            Comment

            • mon2
              Badcaps Legend
              • Dec 2019
              • 14662
              • Canada

              #7
              Re: Microsoft Surface Pro 5 1796 - No Power

              Personally have not worked on one of these but the rails look to be ok.

              See attached for the power up sequence. In the end, step # 24 is the critical one and this voltage should not be 0 volts. That is, this is an active LOW signal (denoted with the # suffix) so if this rail is 0 volts = logic low, the target is in RESET mode. Respectively, if all is well, this output should be a logic '1' = ~3 volts.

              Can you confirm it? It if is indeed ~0 volts, then each step from #1 onwards must be reviewed as shown in this chart to locate the fault.

              What is the voltage to ground of the attached and gate @ U2202 ?
              Attached Files
              Last edited by mon2; 12-24-2022, 11:29 AM.

              Comment

              • j64x86
                Member
                • Dec 2022
                • 12
                • South Africa

                #8
                Re: Microsoft Surface Pro 5 1796 - No Power

                It's my first time attempting board level repair on something as advanced as this.

                Good news, step 24 is reading 0 Volts, so I have the opportunity to troubleshoot Steps 1-23

                Attached Files

                Comment

                • mon2
                  Badcaps Legend
                  • Dec 2019
                  • 14662
                  • Canada

                  #9
                  Re: Microsoft Surface Pro 5 1796 - No Power

                  Yes, proceed with the chart in order and you should locate your fault. Continue to update your review. At this time, the conditions have not been met to release this reset line to be a logic '1'. Have to do some toilet repair for my mother. Yuch. Will check back later.

                  Comment

                  • j64x86
                    Member
                    • Dec 2022
                    • 12
                    • South Africa

                    #10
                    Re: Microsoft Surface Pro 5 1796 - No Power

                    Good luck with the plumbing!

                    Had a go at testing voltage on the various component. Couldn't perform step 6 as the group of components is not present on my board, the other point is under the processor. Step 7&8 are both 0 volts, Step 7 has a # so assuming it should have positive voltage.

                    Now I'm not sure if the answer to the riddle is in Step 6?

                    Step 1: 3.299V
                    Step 2 3.3V
                    Step 3. 3.291 V
                    Step 4: 8.8v
                    Step 5: Skip
                    Step 6: PCH_DPWROK / Declare deep power good to PCH (can't locate on board)
                    Step 7: 0 Volts!
                    Step 8: 0 volts


                    Step 6


                    It's getting late this side, happy festivities!
                    Attached Files

                    Comment

                    • j64x86
                      Member
                      • Dec 2022
                      • 12
                      • South Africa

                      #11
                      Re: Microsoft Surface Pro 5 1796 - No Power

                      Interesting observation, when pressing the power button the smaller portion of the CPU instantly heats up for a moment....

                      Not sure what this means but it's a new data point.

                      Attached Files

                      Comment

                      • reformatt
                        Badcaps Legend
                        • Feb 2020
                        • 1495
                        • Australia

                        #12
                        Re: Microsoft Surface Pro 5 1796 - No Power

                        That's the PCH ;-(. Check the PCH power rail (usually +1.05V) resistance to ground. Usually thats at least 100 ohms or more.

                        Comment

                        • j64x86
                          Member
                          • Dec 2022
                          • 12
                          • South Africa

                          #13
                          Re: Microsoft Surface Pro 5 1796 - No Power

                          Originally posted by reformatt
                          That's the PCH ;-(. Check the PCH power rail (usually +1.05V) resistance to ground. Usually thats at least 100 ohms or more.
                          I tested this +1VSB to ground and it's 0 ohms...





                          The caps connected to this fuse U4703 are also shorting to ground, not sure if this is the behavior of the fuse or not (pn AP2553FDC).. U4703 seems to be related to the display port so might be OK to ignore,





                          I know the the 3.3v rail does have power as I get 3.3V from the SAM, not sure where it's shorting


                          In other news... I noticed a 2.2uH inductor gets hot. (related to the charge circuit)
                          Attached Files

                          Comment

                          • j64x86
                            Member
                            • Dec 2022
                            • 12
                            • South Africa

                            #14
                            Re: Microsoft Surface Pro 5 1796 - No Power

                            Re-testing a bunch of things..

                            If I measure VSYS on R6319 I get 0.737 V is this a little low?
                            Attached Files

                            Comment

                            • mon2
                              Badcaps Legend
                              • Dec 2019
                              • 14662
                              • Canada

                              #15
                              Re: Microsoft Surface Pro 5 1796 - No Power

                              If pch is heating up and it's power rail is showing the low resistance to ground (ie. 0 ohms for this case), then pch is shorted. CPU is dead.

                              Comment

                              • j64x86
                                Member
                                • Dec 2022
                                • 12
                                • South Africa

                                #16
                                Re: Microsoft Surface Pro 5 1796 - No Power

                                Originally posted by mon2
                                If pch is heating up and it's power rail is showing the low resistance to ground (ie. 0 ohms for this case), then pch is shorted. CPU is dead.
                                That did cross my mind... oh well it was fun investigating.
                                When I have more time I will see if I can figure out what shorted pch (besides the CPU)

                                Thanks for all the help, this forum has solid members!

                                Comment

                                • ReeceyBurger123
                                  Never Give Up !
                                  • May 2014
                                  • 7325
                                  • Britain

                                  #17
                                  Re: Microsoft Surface Pro 5 1796 - No Power

                                  Inject voltage see what gets warm. I’ve had a bad MLCC in the mix of the cpu caps on the pro 5 ��
                                  Please Do Not PM My Page Asking For Help Badcaps Is The Place For Advise, Page Linked For Business Reasons Only. Anyone Doing So Will Be Banned Instantly !

                                  https://www.facebook.com/Telford-Tel...7894576335359/

                                  Comment

                                  • reformatt
                                    Badcaps Legend
                                    • Feb 2020
                                    • 1495
                                    • Australia

                                    #18
                                    Re: Microsoft Surface Pro 5 1796 - No Power

                                    For future reference, 1st troubleshooting step is to measure each coils resistance to ground. This would have shown you the short on the 1V line. Voltage injection/thermal camera is then used to pinpoint the short which in this case is your PCH. Alternative is to use some alcohol on the PCH and inject 1V and see if it evaporates quickly. Logic suggests that your PCH doesn't get warm if there was something else on the rail that was shorted.

                                    Comment

                                    • j64x86
                                      Member
                                      • Dec 2022
                                      • 12
                                      • South Africa

                                      #19
                                      Re: Microsoft Surface Pro 5 1796 - No Power

                                      Originally posted by ReeceyBurger123
                                      Inject voltage see what gets warm. I've had a bad MLCC in the mix of the cpu caps on the pro 5 ��

                                      I took a chance and injected onto VSYS rail and this FET (CSD87334Q3D) heated up, after removal short to ground on VSYS is resolved.




                                      Now VSYS powers the VCORE rail... not sure if the PCH is toast as a result of the failed FET or if it somehow was protected.

                                      VCORE is open, probably because VSYS is awol
                                      Attached Files

                                      Comment

                                      • j64x86
                                        Member
                                        • Dec 2022
                                        • 12
                                        • South Africa

                                        #20
                                        Re: Microsoft Surface Pro 5 1796 - No Power

                                        Originally posted by reformatt
                                        For future reference, 1st troubleshooting step is to measure each coils resistance to ground. This would have shown you the short on the 1V line. Voltage injection/thermal camera is then used to pinpoint the short which in this case is your PCH. Alternative is to use some alcohol on the PCH and inject 1V and see if it evaporates quickly. Logic suggests that your PCH doesn't get warm if there was something else on the rail that was shorted.
                                        Great general advice, I'm still learning and I've learnt soo much about S0-5 states, power rails, logic etc.

                                        I reckon a decent microscope, bench supply and thermal camera will go a long way in diagnosing shorts

                                        Comment

                                        Related Topics

                                        Collapse

                                        • PantherDave
                                          Microsoft Surface Pro (5th gen) model 1796 - no power
                                          by PantherDave
                                          Hi all!

                                          I'm trying to troubleshoot a Microsoft Surface Pro (5th gen) model 1796 that won't power on. Motherboard model is M1007506-015. My priority is retrieving data, but the SSD is integrated so it looks like if I can't repair it it'll need to go to a data recovery company. I've done a little basic board repair before, but nothing this advanced until now. So please forgive my ignorance in advance. 😅

                                          I found the boardview for this laptop in the forums here, and am able to open it on my PC with FlexBV.
                                          https://www.badcaps.net/forum/troubl...-hardware-devi...
                                          05-29-2024, 02:01 PM
                                        • Document Archive
                                          Microsoft Surface Laptop Surface Laptop 4 Notebook 4 Specification for Upgrade or Repair
                                          by Document Archive
                                          This specification for the Microsoft Surface Laptop Surface Laptop 4 Notebook can be useful for upgrading or repairing a laptop that is not working. As a community we are working through our specifications to add valuable data like the Surface Laptop 4 boardview and Surface Laptop 4 schematic. Our users have donated over 1 million documents which are being added to the site. This page will be updated soon with additional information. Alternatively you can request additional help from our users directly on the relevant badcaps forum. Please note that we offer no warranties that any specification,...
                                          09-07-2024, 04:30 AM
                                        • Document Archive
                                          Microsoft Surface Laptop Surface Laptop 4 Notebook 4 Specification for Upgrade or Repair
                                          by Document Archive
                                          This specification for the Microsoft Surface Laptop Surface Laptop 4 Notebook can be useful for upgrading or repairing a laptop that is not working. As a community we are working through our specifications to add valuable data like the Surface Laptop 4 boardview and Surface Laptop 4 schematic. Our users have donated over 1 million documents which are being added to the site. This page will be updated soon with additional information. Alternatively you can request additional help from our users directly on the relevant badcaps forum. Please note that we offer no warranties that any specification,...
                                          09-07-2024, 01:30 AM
                                        • Document Archive
                                          Microsoft Surface Laptop Surface Laptop 4 Notebook 4 Specification for Upgrade or Repair
                                          by Document Archive
                                          This specification for the Microsoft Surface Laptop Surface Laptop 4 Notebook can be useful for upgrading or repairing a laptop that is not working. As a community we are working through our specifications to add valuable data like the Surface Laptop 4 boardview and Surface Laptop 4 schematic. Our users have donated over 1 million documents which are being added to the site. This page will be updated soon with additional information. Alternatively you can request additional help from our users directly on the relevant badcaps forum. Please note that we offer no warranties that any specification,...
                                          09-07-2024, 01:30 AM
                                        • Document Archive
                                          Microsoft Surface Laptop Surface Laptop 4 Notebook 4 Specification for Upgrade or Repair
                                          by Document Archive
                                          This specification for the Microsoft Surface Laptop Surface Laptop 4 Notebook can be useful for upgrading or repairing a laptop that is not working. As a community we are working through our specifications to add valuable data like the Surface Laptop 4 boardview and Surface Laptop 4 schematic. Our users have donated over 1 million documents which are being added to the site. This page will be updated soon with additional information. Alternatively you can request additional help from our users directly on the relevant badcaps forum. Please note that we offer no warranties that any specification,...
                                          09-07-2024, 01:30 AM
                                        • Loading...
                                        • No more items.
                                        Working...