HP ZBook 17 G3, doesn't work

Collapse
X
 
  • Time
  • Show
Clear All
new posts
  • salim.thebadboy
    Senior Member
    • Aug 2016
    • 51
    • belguim

    #1

    HP ZBook 17 G3, doesn't work

    I Have a zbook G3 dead APW70 LA-C391P Rev 1C , It doesn't work with the AC adapter plugged AT ALL, it doesn't charge the battery either.
    when i boot the charger i have light from charger connector but no reaction when i power it on, i tried to test it with another charged battery but the same issue, no reaction at all .
  • salim.thebadboy
    Senior Member
    • Aug 2016
    • 51
    • belguim

    #2
    Re: HP ZBook 17 G3, doesn't work

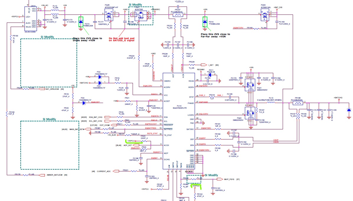
    The controller is a TI bq24780s, SIO is nuvoton npce586ha0mx
    https://cdn.badcaps-static.com/pdfs/...db6a5abfe2.pdf

    More testing i did and reverse engineering to find the components and some oddities, did a table with AC, BAT and BAT+AC:

    AC Only:
    As i stated in the previous post: internal rail is at 19V:
    ACN 19.9
    ACP 19.9
    CMSRS 19.8
    ACDRV: 24.6V
    ACOK: 0 V
    ACDEC 2.7V
    BATDRV: 3.7V
    VCC: 19,26V
    BATT(battery terminals): 3,7V
    PHASE: 3,8 V
    SDA 0
    SCL 0
    BATPRES_: 0v

    Battery only:
    ACN 10.4
    ACP 10.4
    CMSRS 0
    ACDRV: 0V
    ACOK: 0 V
    ACDEC 0V
    BATSRC 11
    BATDRV: 0V
    VCC: 10.5V
    BATT(battery terminals): 11
    PHASE: 11 V
    SDA 0
    SCL 0
    BATPRES_: 0v

    Batt+AC:
    ACN 19.9
    ACP 19.9
    CMSRS 19.8
    ACDRV: 24.6V
    ACOK: 0 V
    ACDEC 2.7V
    BATDRV: 10.7V
    BATSRC 5.9
    VCC: 19,3V
    BATT(battery terminals): 11V
    PHASE: 11 V
    SDA 0
    SCL 0
    Last edited by salim.thebadboy; 02-19-2021, 05:25 AM.

    Comment

    • mcplslg123
      Badcaps Legend
      • Jun 2015
      • 7262
      • india

      #3
      Re: HP ZBook 17 G3, doesn't work

      Seems like 3V LDO is missing. Check and confirm.

      Comment

      • salim.thebadboy
        Senior Member
        • Aug 2016
        • 51
        • belguim

        #4
        Re: HP ZBook 17 G3, doesn't work

        Thank for reply,
        TPS51225

        VREG3 3V

        Comment

        • mcplslg123
          Badcaps Legend
          • Jun 2015
          • 7262
          • india

          #5
          Re: HP ZBook 17 G3, doesn't work

          Then you need to findout why ACOK is 0V as well as SDA/SCL pins are 0V. Does the SIO getting power?? Is PSL involved as sio is Nuvoton??

          Comment

          • salim.thebadboy
            Senior Member
            • Aug 2016
            • 51
            • belguim

            #6
            Re: HP ZBook 17 G3, doesn't work

            i am following the ACOK , i found that 3VPCU is 0V , 3VPCU is coming from where?
            Attached Files

            Comment

            • salim.thebadboy
              Senior Member
              • Aug 2016
              • 51
              • belguim

              #7
              Re: HP ZBook 17 G3, doesn't work

              Originally posted by mcplslg123
              Then you need to findout why ACOK is 0V as well as SDA/SCL pins are 0V. Does the SIO getting power?? Is PSL involved as sio is Nuvoton??
              Nuvoton

              Comment

              • mcplslg123
                Badcaps Legend
                • Jun 2015
                • 7262
                • india

                #8
                Re: HP ZBook 17 G3, doesn't work

                You have not mentioned the mb part number so i dont know which schematic you are referring to. Post the link to schematic. 3VPCU-you need to look at 3/5V regulator.

                Comment

                Related Topics

                Collapse

                Working...