Lenovo ideapad 5 windows 11 update disable charging circuit?

Collapse
X
 
  • Time
  • Show
Clear All
new posts
  • mon2
    Badcaps Legend
    • Dec 2019
    • 14631
    • Canada

    #21
    Try some of the ideas here:

    https://forums.lenovo.com/t5/Lenovo-...er/m-p/5150879

    Comment

    • bogart219
      Badcaps Veteran
      • May 2009
      • 200
      • usa

      #22
      Yeah Mom2, I tried those suggestions and nothing worked. I'll just have to keep reading and plugging away and hope I come across someone who maybe had a very similar laptop with the same problem. I do want to thank you for taking the time to trying help me. I see you help many people on this board. Your a real stand up guy! Thanks again! If I ever find the problem I'll be sure to post back here.
      Anyone else who has any suggestions, please chime in!

      Comment

      • mon2
        Badcaps Legend
        • Dec 2019
        • 14631
        • Canada

        #23
        Do you have this aux charge port like this video?

        https://www.youtube.com/watch?v=ZhC4...ythingReviewed

        Comment

        • bogart219
          Badcaps Veteran
          • May 2009
          • 200
          • usa

          #24
          Yeah, I seen that video, I don't have that jack unfortunately .

          Comment

          • bogart219
            Badcaps Veteran
            • May 2009
            • 200
            • usa

            #25
            Whats weird is with the usb-c tester plugged in with the battery hooked up,the tester says 20 volts, yet I can't find 20 volts anywhere on that motherboard. I can't even find a schematic that I can purchase. Last but not least I have two dead laptop batteries that I'm trying to figure out if there is a way to charge them outside the laptop. Another strange thing is when i hook my usb-c up to the power adapter it doesn't come on until I plug it in to the lappy, is this seem right?

            Comment

            • mon2
              Badcaps Legend
              • Dec 2019
              • 14631
              • Canada

              #26
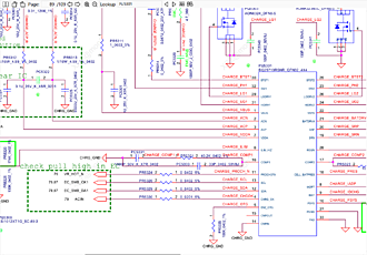
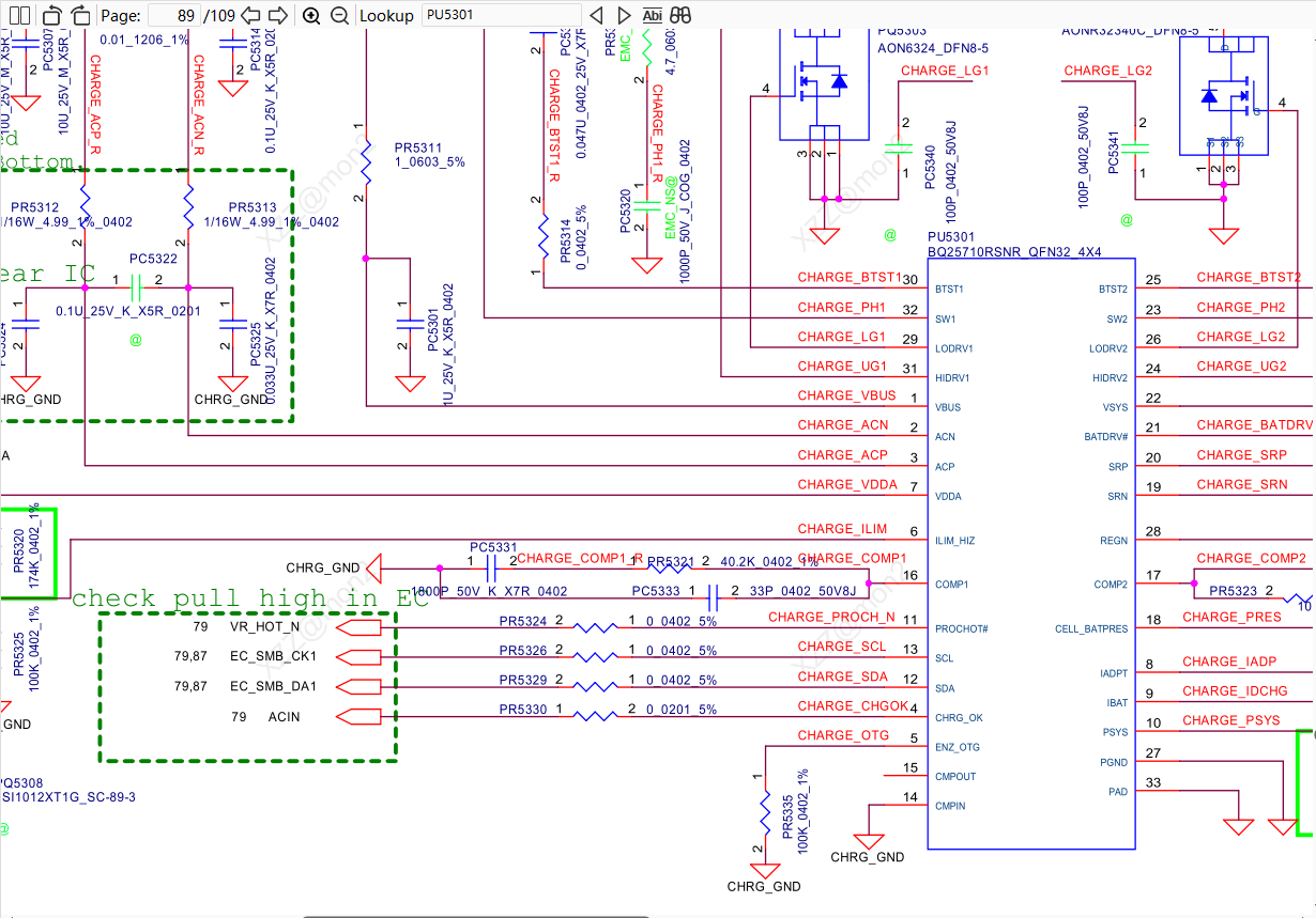
              Other websites are linking the 'S570-IAL' schematic to this model. Is your BQ24710 charger with the silk screened PU5301 on the PCB? I do see this schematic in my database (locked to my sub). We should be able to use it to continue the review.

              I think we should focus on the mosfets between the PD controller and the charger IC.

              Remove all power. Locate the DCin mosfet @ PQ8304.


              Click image for larger version

Name:	charge1.png
Views:	289
Size:	246.2 KB
ID:	3633940

              Click image for larger version

Name:	charge2.png
Views:	277
Size:	231.7 KB
ID:	3633941

              Click image for larger version

Name:	charger3.png
Views:	269
Size:	72.2 KB
ID:	3633942

              Click image for larger version

Name:	charger4.png
Views:	268
Size:	71.0 KB
ID:	3633943

              Click image for larger version

Name:	charger5.png
Views:	268
Size:	78.1 KB
ID:	3633944

              Comment

              • mon2
                Badcaps Legend
                • Dec 2019
                • 14631
                • Canada

                #27
                < continued >

                Measure the DCin mosfet using resistance mode. Meter in resistance mode.

                Measure:

                source (1-2-3) & drain (5-6-7-8)
                source (1-2-3) & gate (4)
                gate (4) & drain (5-6-7-8)

                Post each measurement. Each should be hundreds of k ohms or higher else could be defective.

                Review also the next DCin mosfet @ PQ8301. This pair is for one of the USB-C ports.

                The other USB-C port is linked to mosfets @ PQ8302 & PQ8303. Working in the same way. When BOTH mosfets from the port are enabled, the logic board will receive the power adapter voltage. The mosfets are enabled using the gate pin and are this voltage is being driven by the PD controller @ UU201.

                Confirm that your board is like the schematic shared above.

                Comment

                • m1ch43lzm
                  Badcaps Veteran
                  • Mar 2019
                  • 756
                  • Peru

                  #28
                  The issue could be that the PD controller is not switching the MOSFET that goes from the type-c port to the system, as you say that the meter goes to 20v

                  EDIT: mon2 beat me to the reply, the following may still be informative content
                  Also measure voltages at those MOSFETs, when charger is plugged in (be very careful, especially when measuring the gate pins, you need a very sharp probe on your multimeter)

                  In some of Sorin's videos (YT: Electronics Repair School) he noticed that 2 MOSFETs related to the PD controller get hot, to the point of desoldering themselves from the board, he bypasses one of those with a wire "the dodgy way", as he calls it
                  Not sure if there's a proper fix for that issue, as it's not always a good idea to bridge random components

                  These 2 videos show the issue/repair
                  https://youtu.be/55oGJArv2oo?si=XR51fYqLzXcnhan0

                  In the second video he bypasses only one MOSFET, leaving one usb-c port dedicated for charging only
                  https://youtu.be/7K6XsZkWzJo?si=Ag-JjHessBcXUVis

                  May be a similar issue with your laptop, we would need more pictures of the board to try to locate the affected components, try to find the same components as those videos, may be near the TPS65994 IC (if that's the PD controller you have on your board)

                  Hope someone more experienced with this issue can help

                  Last but not least I have two dead laptop batteries that I'm trying to figure out if there is a way to charge them outside the laptop.
                  Do you have a variable bench power supply? You can use it if you set the voltage and current limit according to the battery specs
                  The current limit you could set to around 1.5amps, voltage to 4.2v per cell
                  Example: if your battery is 3-cells (label says 10.8-11.1v), set your power supply to 12.6v
                  For a 2 cell battery (label: around 7.2v-7.4), set to 8.4v
                  Then hook up your bench PSU to the appropriate + and - terminals of the battery

                  Another strange thing is when i hook my usb-c up to the power adapter it doesn't come on until I plug it in to the lappy, is this seem right?
                  It's by design, the usb-c ports remain powered off until you connect something to them
                  If you connect the usb-c tester to the laptop (powered on, assuming you still have some battery % left), the meter shouldn't power on unless you connect a device to the other end (ex: a phone, a USB-C flash drive, a type-c to regular USB adapter, anything)
                  If the meter powers on from your laptop without having something plugged in to the other end, then the board is wrongly detecting that something is attached

                  Same goes for the charger, it should output no voltage until you connect it to a device, then it starts at 5v then negotiates up to 20v, so in theory you can plug your laptop charger to your phone, and the phone would charge normally without blowing up, at least on an original charger
                  On a fake/counterfeit USB-C charger, anything can happen...

                  Comment

                  • bogart219
                    Badcaps Veteran
                    • May 2009
                    • 200
                    • usa

                    #29
                    Mom2, I found PQ8304 with board view but I believe its on the underside of the board, correct? I will have to remove the motherboard from the case right?

                    Comment

                    • bogart219
                      Badcaps Veteran
                      • May 2009
                      • 200
                      • usa

                      #30
                      M1CH, I have a bench power supply but the problem is the connector on the battery. Any suggestions on how to connect to this plug? I was trying to find one on line but no luck.

                      Click image for larger version

Name:	batt plug.png
Views:	133
Size:	335.4 KB
ID:	3634044

                      Comment

                      • m1ch43lzm
                        Badcaps Veteran
                        • Mar 2019
                        • 756
                        • Peru

                        #31
                        bogart219 You can stick 30 AWG solid wire inside the holes on the battery plug, only need to connect the red and black wires, the other 4 wires leave alone
                        I also couldn't find a matching connector online

                        Mom2, I found PQ8304 with board view but I believe its on the underside of the board, correct? I will have to remove the motherboard from the case right?

                        Yes, they're on the otherside of the board, you have to remove the board to check
                        Lenovo also places warranty stickers on the screws, if your laptop is still under warranty i suggest sending it for repairs, backup your data first
                        If out of warranty, proceed

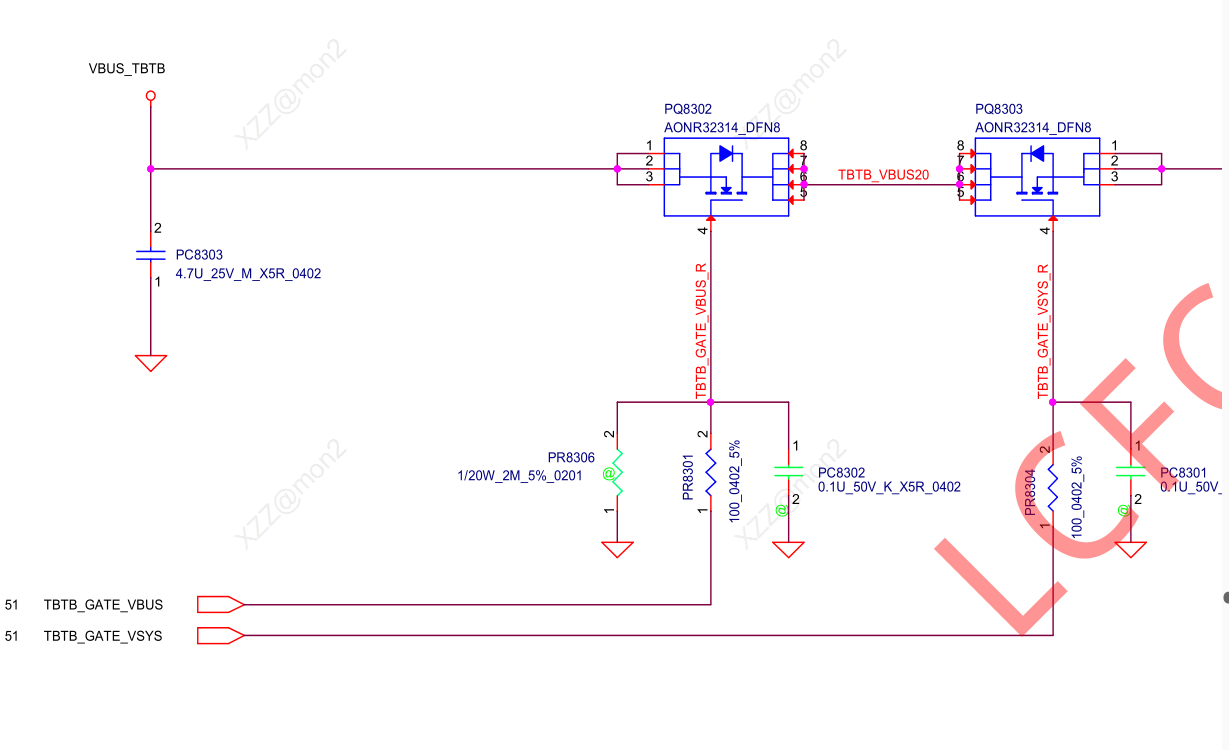
                        I suggest to measure resistance to GND at PL8301, PL8302, that's the charger input after the mosfets PQ8302->PQ8303 or PQ8304->PQ8301
                        Also measure voltage at that point with charger plugged in (i marked it on the attached picture), you should have 20v there
                        Click image for larger version  Name:	check here.png Views:	0 Size:	163.1 KB ID:	3634330

                        If there's no voltage, likely the issue is related to PQ8302->PQ8303 not turning on if using the port labeled JUC2 nearest to the hinge, and PQ8304->PQ8301 if using the port JUC1 next to the HDMI port, or the PD controller UU201

                        Plug in charger to JUC2, then measure gate voltage of PQ8302 (there's a convenient spot at PR8301 closest to PQ8302), should be more than 20v (around 25-26 i guess), if gate voltage is not enough, the MOSFET doesn't close fully
                        Click image for larger version  Name:	gate1.png Views:	0 Size:	179.5 KB ID:	3634331

                        Same with the gate of PQ8303, measure voltage at PC8301/PR8301 (careful not to short the probe to the fuse at the left)

                        Click image for larger version  Name:	gate2.png Views:	0 Size:	142.9 KB ID:	3634332

                        Comment

                        • bogart219
                          Badcaps Veteran
                          • May 2009
                          • 200
                          • usa

                          #32
                          Morning fellows.

                          PQ8304
                          source (1-2-3) & drain (5-6-7-8) = .9ohms
                          source (1-2-3) & gate (4) = .2 ohms
                          gate (4) & drain (5-6-7-8)= .9 ohms My board looks like the schematic shared above.

                          I have watched those videos by Sorin, I like how he talks.
                          resistance to ground = both at 46 ohms.
                          0 volts on both of them.
                          PL8301
                          PL8302

                          Gate voltage at PQ8302 = 5.27 volts Don't see PR8301 on my board.
                          Gate voltage atnPQ8303 = 5.27 volts

                          Charging those batteries seemed to work by sticking a thin wire into the plug. thanks for that tip.

                          Pd controller chip is a TPS65994

                          Now its like that song by Chicago, "Where do we go from here ". Click image for larger version

Name:	IMG_6908.jpg
Views:	136
Size:	512.8 KB
ID:	3634640 Click image for larger version

Name:	IMG_6910.jpg
Views:	114
Size:	649.8 KB
ID:	3634641 Click image for larger version

Name:	IMG_6907.jpg
Views:	114
Size:	859.6 KB
ID:	3634642 Click image for larger version

Name:	20250511_080147.jpg
Views:	115
Size:	3.10 MB
ID:	3634643

                          Comment

                          • m1ch43lzm
                            Badcaps Veteran
                            • Mar 2019
                            • 756
                            • Peru

                            #33
                            It seems PQ8304 is shorted, please do the same resistance measurements (S-D, S-G, G-D) at PQ8301, PQ8302, PQ8303

                            MOSFET part number is SM3313NSQA, lets find a suitable replacement available on digi-key/mouser

                            Comment

                            • bogart219
                              Badcaps Veteran
                              • May 2009
                              • 200
                              • usa

                              #34
                              PQ8301 s to d =.8 s to g = o/l g to d = .2
                              PQ8304, PQ8302 & PQ8304 all s to d = o/l , g to s =.2, all g to d = o/l o/l = no reading at all.
                              This is doing a revision and measuring again using my Fluke and reinserting my test leads. I believe this accurate.


                              Question: With the battery unplugged and the power adapter plugged in, the usb-c tester only shows 5 volts. So are you saying that there is a chip on that board ( the TPS65994?), that is going to send a signal back through that usb-c charging port, back to the power adapter to tell it to send 20 volts through now? I mean this laptop should run with just the charger plugged in by its self correct? Ie, I don't understand why I can't find any 20 volts anywhere, confusing.


                              On a side note:
                              Hmm, I was able to charge up the replacement battery I got with my benchtop power supply, at 12.6 volts, it started out pulling 3.5 amps then afte ran hour or so dropped t .2 amps. My original battery that came with the laptop and that I barely ever used, is pulling no current.
                              starting out mu replacement battery read about 10 volts. the original only reads .2 volts. Not sure how to proceed with that now.

                              Comment

                              • mon2
                                Badcaps Legend
                                • Dec 2019
                                • 14631
                                • Canada

                                #35
                                The original battery most likely has locked the BMS module, for safety reasons. Best to replace it.

                                Comment

                                • bogart219
                                  Badcaps Veteran
                                  • May 2009
                                  • 200
                                  • usa

                                  #36
                                  Originally posted by mon2
                                  The original battery most likely has locked the BMS module, for safety reasons. Best to replace it.
                                  This battery is only a couple yeras old and hardly ever used. What would cause the BMS to lock up? thanks.

                                  Comment

                                  • mon2
                                    Badcaps Legend
                                    • Dec 2019
                                    • 14631
                                    • Canada

                                    #37
                                    When a battery is deeply discharged, a Battery Management System (BMS) may initiate a "lock" or protection mode to prevent further damage. This lock effectively shuts off the battery, and users may need to take specific steps to restore it to normal operation.
                                    Understanding the BMS Lock:
                                    • Protection:
                                      BMSs are designed to prevent overcharging, over-discharging, and other faults that could damage the battery.
                                    • Deep Discharge:
                                      When a battery is discharged below a certain voltage threshold, the BMS may trigger a protection mode, essentially "locking" the battery.
                                    • Zero Voltage:
                                      With lead-acid batteries, you might still have some voltage on the terminals even if damaged, but with a BMS, the battery will shut down and show zero volts.

                                    How to Recover a Battery from BMS Lock:
                                    • Trickle Charger:
                                      One of the most reliable methods is to use a trickle charger to gradually increase the battery's voltage, says FORM Charge.

                                    Comment

                                    • bogart219
                                      Badcaps Veteran
                                      • May 2009
                                      • 200
                                      • usa

                                      #38
                                      Originally posted by mon2
                                      When a battery is deeply discharged, a Battery Management System (BMS) may initiate a "lock" or protection mode to prevent further damage. This lock effectively shuts off the battery, and users may need to take specific steps to restore it to normal operation.
                                      Understanding the BMS Lock:
                                      • Protection:
                                        BMSs are designed to prevent overcharging, over-discharging, and other faults that could damage the battery.
                                      • Deep Discharge:
                                        When a battery is discharged below a certain voltage threshold, the BMS may trigger a protection mode, essentially "locking" the battery.
                                      • Zero Voltage:
                                        With lead-acid batteries, you might still have some voltage on the terminals even if damaged, but with a BMS, the battery will shut down and show zero volts.

                                      How to Recover a Battery from BMS Lock:
                                      • Trickle Charger:
                                        One of the most reliable methods is to use a trickle charger to gradually increase the battery's voltage, says FORM Charge.
                                      Thanks for the tip!

                                      Comment

                                      • bogart219
                                        Badcaps Veteran
                                        • May 2009
                                        • 200
                                        • usa

                                        #39
                                        Originally posted by m1ch43lzm
                                        It seems PQ8304 is shorted, please do the same resistance measurements (S-D, S-G, G-D) at PQ8301, PQ8302, PQ8303

                                        MOSFET part number is SM3313NSQA, lets find a suitable replacement available on digi-key/mouser
                                        I can't find those mosfets on Mouser or digikey, do you have any other place in mind? Thanks!

                                        Comment

                                        • mon2
                                          Badcaps Legend
                                          • Dec 2019
                                          • 14631
                                          • Canada

                                          #40
                                          AON7318 Alpha & Omega Semiconductor Inc. | Discrete Semiconductor Products | DigiKey
                                          * change the country and currency to suit the USD

                                          Comment

                                          Related Topics

                                          Collapse

                                          • Document Archive
                                            Lenovo IdeaPad IdeaPad 3 15IGL05 Notebook 3 Specification for Upgrade or Repair
                                            by Document Archive
                                            This specification for the Lenovo IdeaPad IdeaPad 3 15IGL05 Notebook can be useful for upgrading or repairing a laptop that is not working. As a community we are working through our specifications to add valuable data like the IdeaPad 3 15IGL05 boardview and IdeaPad 3 15IGL05 schematic. Our users have donated over 1 million documents which are being added to the site. This page will be updated soon with additional information. Alternatively you can request additional help from our users directly on the relevant badcaps forum. Please note that we offer no warranties that any specification, datasheet,...
                                            09-07-2024, 05:20 AM
                                          • Document Archive
                                            Lenovo IdeaPad IdeaPad 3 17ITL6 Notebook 3 Specification for Upgrade or Repair
                                            by Document Archive
                                            This specification for the Lenovo IdeaPad IdeaPad 3 17ITL6 Notebook can be useful for upgrading or repairing a laptop that is not working. As a community we are working through our specifications to add valuable data like the IdeaPad 3 17ITL6 boardview and IdeaPad 3 17ITL6 schematic. Our users have donated over 1 million documents which are being added to the site. This page will be updated soon with additional information. Alternatively you can request additional help from our users directly on the relevant badcaps forum. Please note that we offer no warranties that any specification, datasheet,...
                                            09-07-2024, 05:20 AM
                                          • Document Archive
                                            Lenovo IdeaPad IdeaPad Gaming 3 15IHU6 Ultrabook 3 Specification for Upgrade or Repair
                                            by Document Archive
                                            This specification for the Lenovo IdeaPad IdeaPad Gaming 3 15IHU6 Ultrabook can be useful for upgrading or repairing a laptop that is not working. As a community we are working through our specifications to add valuable data like the IdeaPad Gaming 3 15IHU6 boardview and IdeaPad Gaming 3 15IHU6 schematic. Our users have donated over 1 million documents which are being added to the site. This page will be updated soon with additional information. Alternatively you can request additional help from our users directly on the relevant badcaps forum. Please note that we offer no warranties that any...
                                            09-07-2024, 05:20 AM
                                          • Document Archive
                                            Lenovo IdeaPad IdeaPad 3 17ITL6 Notebook 3 Specification for Upgrade or Repair
                                            by Document Archive
                                            This specification for the Lenovo IdeaPad IdeaPad 3 17ITL6 Notebook can be useful for upgrading or repairing a laptop that is not working. As a community we are working through our specifications to add valuable data like the IdeaPad 3 17ITL6 boardview and IdeaPad 3 17ITL6 schematic. Our users have donated over 1 million documents which are being added to the site. This page will be updated soon with additional information. Alternatively you can request additional help from our users directly on the relevant badcaps forum. Please note that we offer no warranties that any specification, datasheet,...
                                            09-07-2024, 05:00 AM
                                          • Document Archive
                                            Lenovo IdeaPad IdeaPad 3 14ITL6 Notebook 3 Specification for Upgrade or Repair
                                            by Document Archive
                                            This specification for the Lenovo IdeaPad IdeaPad 3 14ITL6 Notebook can be useful for upgrading or repairing a laptop that is not working. As a community we are working through our specifications to add valuable data like the IdeaPad 3 14ITL6 boardview and IdeaPad 3 14ITL6 schematic. Our users have donated over 1 million documents which are being added to the site. This page will be updated soon with additional information. Alternatively you can request additional help from our users directly on the relevant badcaps forum. Please note that we offer no warranties that any specification, datasheet,...
                                            09-07-2024, 05:00 AM
                                          • Loading...
                                          • No more items.
                                          Working...