[help] 820-01958 dead: 20v not switching

Collapse
X
 
  • Time
  • Show
Clear All
new posts
  • phantomEVO
    Badcaps Veteran
    • Mar 2013
    • 509
    • USA

    #21
    I've check also about u7800 ldo..


    LDO_CORE 1,49
    PP0V8_SLPS2R 0v
    PP3V_G3H 0v
    PP1V2_AWAKE 0v
    PMU_LDO3_OUT 1,79v
    PP1V1_SLPS2R 0v
    PP3V3_G3H 2.4v
    PP1V8_SLPS2R 0v
    LDO_RTC 1.67​

    Comment

    • phantomEVO
      Badcaps Veteran
      • Mar 2013
      • 509
      • USA

      #22
      i think that the power supply for pm is PP3V3_G3H_PMU_VDDMAIN


      how can i pretend to have ldos if PP3V3_G3H_PMU_VDDMAIN is 2,4v????

      so i think that before pp3v3 i should have PPBUS_G3H

      but PPBUS_G3H is 12,28v!!

      and like i read here

      https://repair.wiki/w/MacBook_Air_A2...w_at_5V_repair

      PPBUS_G3H is created by the Intersil/Renesas ISL9240 (U7000)

      If you are getting 5 V on PPDCIN_G3H, the ISL9240 is likely the cause of the problem

      i have already check the current sensors....

      so i think i should change u7000 what do you think?|
      Last edited by phantomEVO; 12-19-2024, 02:41 AM.

      Comment

      • mon2
        Badcaps Legend
        • Dec 2019
        • 14713
        • Canada

        #23
        No. You are confusing ppbus_g3h with PP3V3_G3h.

        Post #5 has a valid voltage for the initial value of ppbus_g3h.

        (Back to my beauty sleep)

        Comment

        • phantomEVO
          Badcaps Veteran
          • Mar 2013
          • 509
          • USA

          #24
          mon, ppbus_g3h is 12,28 ! i should have 12,6!

          ps goodnight
          Last edited by phantomEVO; 12-19-2024, 02:50 AM.

          Comment

          • mon2
            Badcaps Legend
            • Dec 2019
            • 14713
            • Canada

            #25
            Test the voltage to ground of the smbus scl and sda lines used by the ISL9240.

            Test the same on the battery connector.

            Comment

            • phantomEVO
              Badcaps Veteran
              • Mar 2013
              • 509
              • USA

              #26
              on r5240 0v
              on r5241 0v

              0,v
              SMBUS_3V3_BATT_SCL
              SMBUS_3V3_BATT_SDA

              measured on d6950

              Last edited by phantomEVO; 12-19-2024, 07:50 AM.

              Comment

              • mon2
                Badcaps Legend
                • Dec 2019
                • 14713
                • Canada

                #27
                Remove all power. Measure the resistance to ground of:

                SMBUS_3V3_BATT_SCL
                SMBUS_3V3_BATT_SDA

                Comment

                • phantomEVO
                  Badcaps Veteran
                  • Mar 2013
                  • 509
                  • USA

                  #28
                  30k both

                  pardon: on

                  SMBUS_3V3_BATT_SCL
                  SMBUS_3V3_BATT_SDA


                  I HAVE 2,4V (for me strange, because i soon as i connect usb power, i find only 0,98 that increase slow until 2,4)
                  Last edited by phantomEVO; 12-19-2024, 08:52 AM.

                  Comment

                  • phantomEVO
                    Badcaps Veteran
                    • Mar 2013
                    • 509
                    • USA

                    #29
                    is it possible that all problems are generated from PP3V3_G3H LOW ???!??!?! (2,6V INSTEAD OF 3,3?)

                    Comment

                    • mon2
                      Badcaps Legend
                      • Dec 2019
                      • 14713
                      • Canada

                      #30
                      What is the voltage to ground of PP3V3_TBT_X_S0?

                      Comment

                      • phantomEVO
                        Badcaps Veteran
                        • Mar 2013
                        • 509
                        • USA

                        #31
                        0v

                        Comment

                        • mon2
                          Badcaps Legend
                          • Dec 2019
                          • 14713
                          • Canada

                          #32
                          What is the voltage to ground of PP3V3_TBT_X_SX?

                          Test with external power adapter on each USB C port.

                          Comment

                          • phantomEVO
                            Badcaps Veteran
                            • Mar 2013
                            • 509
                            • USA

                            #33
                            i've discovered something (i think ) interesting

                            if i connect the usb port corresponding to u3200, i have this

                            https://www.dropbox.com/scl/fi/jpbth...=cffslxna&dl=0


                            you see? half of u3100 become hotter and a quarter of u 3200 flash...

                            this trange thing doesn't happen if i connect the cable to u3100

                            PP3V3_TBT_X_SX 0v
                            Last edited by phantomEVO; 12-19-2024, 10:18 AM.

                            Comment

                            • mon2
                              Badcaps Legend
                              • Dec 2019
                              • 14713
                              • Canada

                              #34
                              I don't see the issue in the posted video. Confirm if you have the power rail (post #32) using one of the USB-C ports. This is important as the CD321x create this LDO rail.

                              Comment

                              • phantomEVO
                                Badcaps Veteran
                                • Mar 2013
                                • 509
                                • USA

                                #35
                                try to rewatch the video...at minute 0.05 you can see what i say...


                                PP3V3_TBT_X_SX​ not presente like i said before

                                Comment

                                • mon2
                                  Badcaps Legend
                                  • Dec 2019
                                  • 14713
                                  • Canada

                                  #36
                                  1) Are you testing the above power rail with each USB-C port?

                                  2) With no power to the board - What is the resistance to ground of PP3V3_TBT_X_SX? Also test in diode mode. Red meter probe to ground. Black meter lead to PP3V3_TBT_X_SX​. What is the measurement?

                                  3) This case goes back to the CD3215 20V article. Need to be sure each LDO rail is functional.


                                  https://logi.wiki/index.php/CD3215_Bootup_Sequence
                                  * follow this power sequence and post details of what is failing

                                  Comment

                                  • phantomEVO
                                    Badcaps Veteran
                                    • Mar 2013
                                    • 509
                                    • USA

                                    #37
                                    1,47k
                                    0,440

                                    i have no shorts around those chips
                                    Last edited by phantomEVO; 12-19-2024, 10:49 AM.

                                    Comment

                                    • mon2
                                      Badcaps Legend
                                      • Dec 2019
                                      • 14713
                                      • Canada

                                      #38
                                      Similar logic flow in debugging.

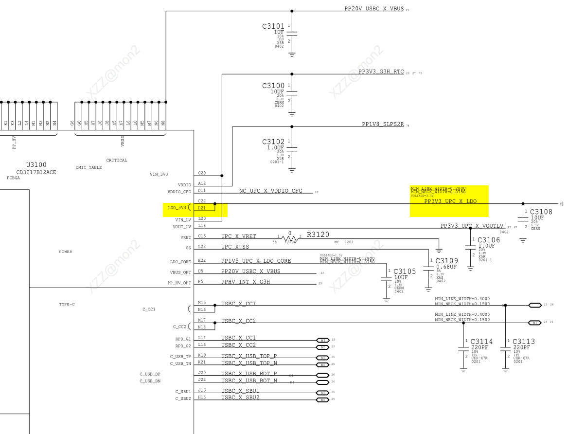
                                      Search for 'LDO_3V3' and this should land onto the CD3217 balls that create this rail. Be sure to test each USB-C connector to test each ACE controller.

                                      Click image for larger version

Name:	LDO_rails.png
Views:	105
Size:	138.6 KB
ID:	3531905

                                      Comment

                                      • phantomEVO
                                        Badcaps Veteran
                                        • Mar 2013
                                        • 509
                                        • USA

                                        #39
                                        on u3200

                                        PP3V3_G3H_RTC 3,3v
                                        PP3V3_UPC_X_LDO 3,3v
                                        PP1V5_UPC_X_LDO_CORE 1,5v

                                        on u3100 all are 0v

                                        Comment

                                        • phantomEVO
                                          Badcaps Veteran
                                          • Mar 2013
                                          • 509
                                          • USA

                                          #40
                                          same diode mode values on all lines...

                                          Comment

                                          Related Topics

                                          Collapse

                                          • sam_sam_sam
                                            Desoldering gun station modified to use a 18 volt @ 20 amp switching power supply
                                            by sam_sam_sam
                                            I have wanting to do this project for quite sometime now and I finally found a switching power supply that will work on this desoldering gun station ZD-915 that the original switching power supply took a shit and just was not worth trying to fix it because this switching power is not quite big enough to handle the heater element and the vacuum pump

                                            One note when I tested the switching power supply and the voltage control board I noticed that this desoldering gun heat up much faster than the original switching power supply which I was really surprised by to the point that I might buy...
                                            03-31-2024, 02:12 PM
                                          • sam_sam_sam
                                            Modification to a ZD-987 desoldering/soldering station using a external switching power supply
                                            by sam_sam_sam
                                            I have been working on this concept for quite some time now with limited success but recently I found a switching power supply that is setup for the voltage that this soldering station needs to operate at however it also needs part of the secondary circuit from the original switching power because you need several voltage rails

                                            I once tried to get a ZD-915 desoldering station to work on a 18 volt battery power supply but unfortunately things did not go well but I did find a work around but I might try this idea again but going at a little differently more about this another time...
                                            07-01-2024, 06:34 AM
                                          • sam_sam_sam
                                            Mitsubishi CNC switching power supply board dead / relay board bad diode failure
                                            by sam_sam_sam
                                            I was working on this CNC machine today found no keyboard functioning no control relay powering on
                                            The screen powered on and was giving an operation error but the manual was not very clear about what the error exactly was but with a little bit of troubleshooting and finding out that the control relays not powering on and no keyboard functions we narrowed down to this one switching power supply which of course does not have any indicator LED light they are on the keyboard interface/relay controller board

                                            Found shorted diodes on main controller relays there are 3 of them that...
                                            01-07-2023, 05:43 PM
                                          • double_DD
                                            How can I be sure that my EC chip is dead?
                                            by double_DD
                                            Hi all,

                                            As the title suggests, how can I be sure that my EC chip is really dead?

                                            I've recently gotten into this hobby of laptop repairs, and have successfully brought back to life a couple with some easy fixes, mostly shorted caps.

                                            Now I'm working on HP Probook 455 G8, that had some "devil" run around on 3V line, burning a bunch of stuff. Luckily I have a dead 455G7 (for spare parts) so I managed to fix it (swapped burned parts) to a point that it will charge (both on barrel jack and usb-c), but it doesn't want to turn on. There is a 3V3 on a keyboard...
                                            03-12-2025, 07:47 AM
                                          • sam_sam_sam
                                            Panasonic switching power supply daughter board has two 27uf @ 50 volt capacitors which I do not keep in stock
                                            by sam_sam_sam
                                            I did not have any 27uf @ 50 volt capacitors but one nice thing is that it has enough room for two capacitors in parallel a 22uf and a 4.7uf @ 50 volts 22 plus 4.7 equals 26.7uf which so very close to 27uf I will show some pictures of it sometime tomorrow

                                            This is one of the shit est boards I seen in a very long time and it was the daughter board the traces just lifting off the board I had to use the capacitor leads to repair the the traces and the main board is not any better because I had to repair several traces for the daughter board to the main board

                                            After all of...
                                            07-13-2024, 08:14 PM
                                          • Loading...
                                          • No more items.
                                          Working...