Hello, I received to repair this Huawei laptop (model in the title).
The laptop will charge the battery fine throught the USB C port, but it wont turn on. The charging led will blink fast and repeatedly when trying to turn it on.
I've attached photos of the board. (the wires are for briging the power button, I did not inject voltage)
Upon visual inspection, a couple of ICs were blown. Along the 5V line leading to one of the USB A ports. They wasnt fully shorted but just a couple of ohms to ground.
I replaced the blown IC on the board (the one circled in red, close up photo attached), and just disconnected the I/O board were the other blown IC was.
This did not fixed the issue though.
Main power lines are all up. 3.3, 5, and 12 volts present.
Trying to search for any other short or blown ICs I've noticed a couple of things:
Where does the third pin of that transistor / mosfet lead to? directly to the CPU? I could not find it.
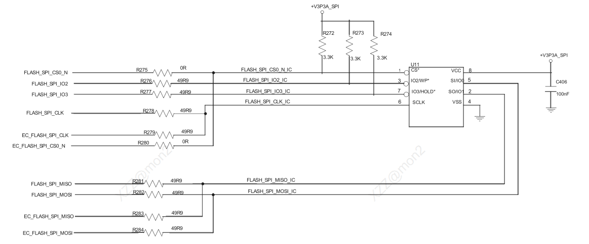
I've found schematics for this board from this thread. But I don't thing they're the right schematics.
For example: The pin out of the bios / flash chip does not correspond to the one in the schematics.
The laptop will charge the battery fine throught the USB C port, but it wont turn on. The charging led will blink fast and repeatedly when trying to turn it on.
I've attached photos of the board. (the wires are for briging the power button, I did not inject voltage)
Upon visual inspection, a couple of ICs were blown. Along the 5V line leading to one of the USB A ports. They wasnt fully shorted but just a couple of ohms to ground.
I replaced the blown IC on the board (the one circled in red, close up photo attached), and just disconnected the I/O board were the other blown IC was.
This did not fixed the issue though.
Main power lines are all up. 3.3, 5, and 12 volts present.
Trying to search for any other short or blown ICs I've noticed a couple of things:
- Without the battery connected, the charging led will just stay stuck on. It won't blink fast and repeatedly like when battery is connected, if I try to turn it on. And yeah, the input power on the USB C will just fluctuate when trying to turn it on, but then fall back to nothing. It wont boot loop by itself. When battery is connected instead, input power for charging is steady and regular.
- One of the CPU coils (the one circled in purple) reads 1.2 ohms to ground, while all the others read 2.3 ohms to ground. I've no idea if it's normal or if the chipset could be fried.
- The Winbond flash bios chip has no VCC, even when trying to turn it on, it gets 3.3V for a split second but then goes away. I've followed the VCC pin to a small SOT-23 form factor smd (photo attached), which I gueees is a tranistor or mosfet? I could not find the datasheet through its markings. It has 3 pins: one pin goes to the vcc bios, one has 3.3V from the power line, and the third pin I guess is the control pin of the transistor. I've checked this third pin, and yup, it goes high for a fraction of a second when trying to turn on the laptop, and then goes back low.
- CPU doesn't feel warm. I do not have a thermal camera yet.
Where does the third pin of that transistor / mosfet lead to? directly to the CPU? I could not find it.
I've found schematics for this board from this thread. But I don't thing they're the right schematics.
For example: The pin out of the bios / flash chip does not correspond to the one in the schematics.

Comment