Re: Benq G2255 doesn't power on - amber power light when plugged in
Ok, here is the first tests.
Dumah, you are going to see what I get on pin 1 and 16 in the photos.
For Will:
Lights come on nice and solid, no flickering no tint, just white light top and bottom.
First I show you my setup, so you can admire
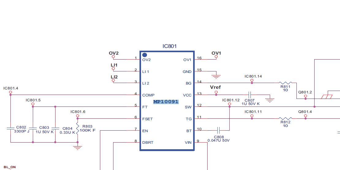
Next are the photos for pin 1, then pin 2, 3 and 16 respectively. 1, 2 and 16 look smooth, but pin 3 is pretty spiky. I took 2 photos of pin 3 so you could see the amplitude, especially on photo 2.
So what next, do I next, do I flip the board and do the tests, or is there something wrong with pin 3?
Tks a million!
Ok, here is the first tests.
Dumah, you are going to see what I get on pin 1 and 16 in the photos.
For Will:
Lights come on nice and solid, no flickering no tint, just white light top and bottom.
First I show you my setup, so you can admire

Next are the photos for pin 1, then pin 2, 3 and 16 respectively. 1, 2 and 16 look smooth, but pin 3 is pretty spiky. I took 2 photos of pin 3 so you could see the amplitude, especially on photo 2.
So what next, do I next, do I flip the board and do the tests, or is there something wrong with pin 3?
Tks a million!
Comment