LCD 31MU97Z displays random lines randomly

Collapse
X
 
  • Time
  • Show
Clear All
new posts
  • Vspeed
    Senior Member
    • May 2022
    • 53
    • Portugal

    #1

    LCD 31MU97Z displays random lines randomly

    I have this monitor which had the known issue with the corrupted flash. That is solved, now, after some time it started to cut the image from time to time and just display grayish random vertical lines. After some minutes the image usually comes back, until it does the same again.

    I took it apart and the only think that I noticed was ZD1 protection diode on the TCON board reaching 90ºC when it's showing this erratic behavior. I measured the voltage on the fuse right beside it, and is measuring 15.3V (under load). Without the TCON board connected, the connector measures 18.3V.
    The diode has 6U written on it. Do you think the diode is misbehaving or is the voltage somehow not stable?
    Attached Files
    Last edited by Vspeed; 01-22-2023, 02:36 PM.
  • lotas
    Badcaps Legend
    • Jan 2016
    • 4754
    • Russia

    #2
    Re: LCD 31MU97Z displays random lines randomly

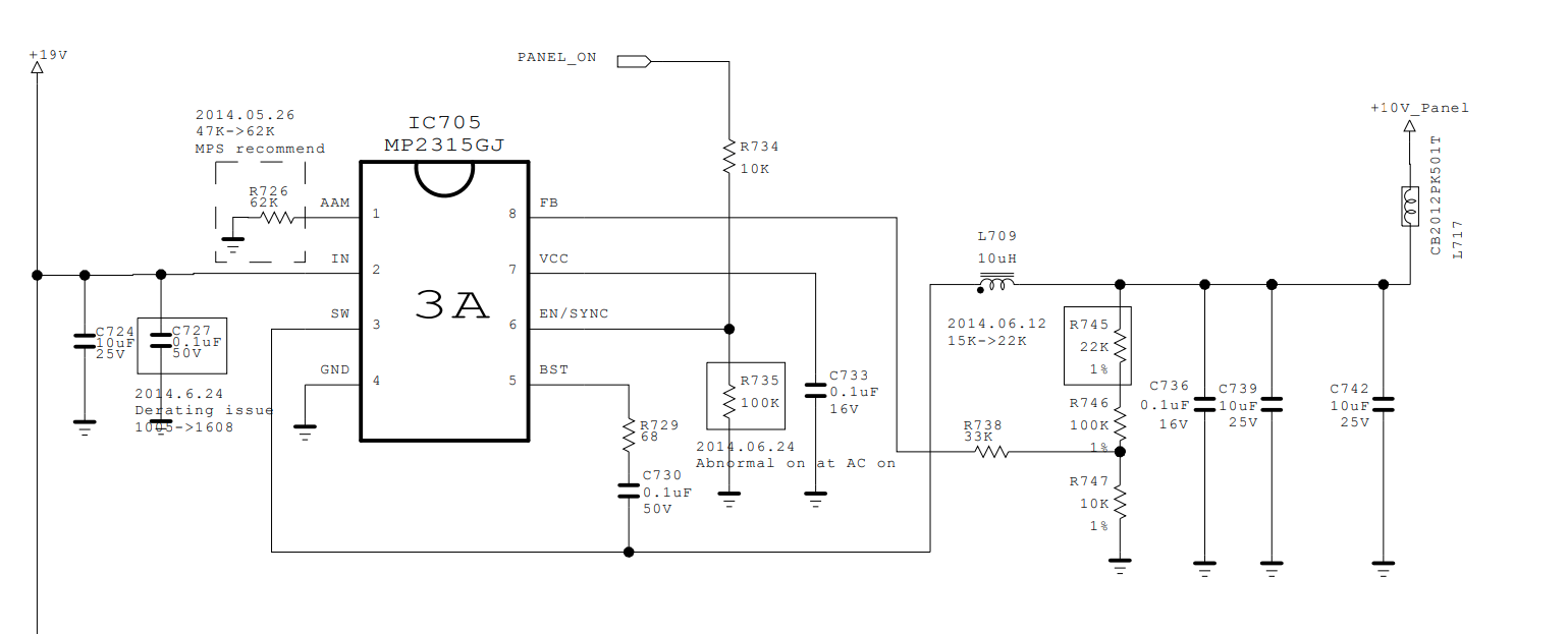
    "6U" (SD12) is a 12 volt suppressor, you have a very high power supply to the panel, it should be 10 volts.
    Attached Files

    Comment

    • Vspeed
      Senior Member
      • May 2022
      • 53
      • Portugal

      #3
      Re: LCD 31MU97Z displays random lines randomly

      Could MP2315GJ be shorted or defective?
      I need to try and check it.

      Comment

      • lotas
        Badcaps Legend
        • Jan 2016
        • 4754
        • Russia

        #4
        Re: LCD 31MU97Z displays random lines randomly

        Yes, it could break through the input with the output (internal Mosfet), check the setting divider for the output voltage is R745, R746, R747 and the recommended resistor R726 at 62kOm.
        Attached Files

        Comment

        • Vspeed
          Senior Member
          • May 2022
          • 53
          • Portugal

          #5
          Re: LCD 31MU97Z displays random lines randomly

          All the resistors match the schematic. Also, IN and SW are not shorted, they read 0.567V in diode mode (black probe IN, red probe SW). The same between these and ground (red probe on ground)
          I took measurements for other MP2315GJ around and they read more or less the same values...

          Comment

          • lotas
            Badcaps Legend
            • Jan 2016
            • 4754
            • Russia

            #6
            Re: LCD 31MU97Z displays random lines randomly

            Replace with a new MP2315GJ, the input and output voltage must not be the same.

            Comment

            • Vspeed
              Senior Member
              • May 2022
              • 53
              • Portugal

              #7
              Re: LCD 31MU97Z displays random lines randomly

              Found the issue. R746 was detached from the board on one of the legs. screen working fine again.
              Thank you.

              Comment

              • lotas
                Badcaps Legend
                • Jan 2016
                • 4754
                • Russia

                #8
                Re: LCD 31MU97Z displays random lines randomly

                Originally posted by Vspeed
                Found the issue. R746 was detached from the board on one of the legs. screen working fine again.
                Thank you.
                Yes, it is these resistors (R745, R746, R747) that set the output voltage to 10v, congratulations.

                Comment

                Related Topics

                Collapse

                • howardc64
                  TCL 55S425 few horizontal lines, potential failure on both side of panel/buffer board
                  by howardc64
                  All left and right refers to looking from rear of TV (or looking from front with TV upside down)
                  • TV came with vertical bars and no image. Found faulty TVS on left buffer board. Also replaced T-Con (may have damaged the original while hot air removing components, board has slight warp) and have full image but few horizontal lines on the screen. Some of the lines appears to be 2 pixel tall while others are 1 pixel tall.
                  • Disconnecting left and right buffer board potentially reveals problems on both sides with different signals (unless this T-Con require jumper like Samsung FB_TRDY1&3) Fault
                  ...
                  07-24-2025, 05:17 PM
                • asussucks
                  Asus vivobook pro 14x - N7400PC - ram issues, will randomly freeze and displays signs of the ram being disconnected/bad
                  by asussucks
                  Hi there,
                  this is my first post so bear with me

                  my device is no longer in warranty. I am comfortable with doing minimal operations on the device. it has no data I formatted it thinking it's a software bug at first, but no it's something else.

                  What I tried: running it with disabled dGPU, running it with an external screen, resetting everything, using Linux on it instead of windows, reinstalling BIOS, using a different SSD, running it without internet, keeping it plugged to a wall, using a desktop cooler on the CPU, praying to god, contacting the CEO'S office...
                  08-31-2025, 09:16 AM
                • Sharx112
                  ASUS VA27EHE randomly unstable
                  by Sharx112
                  Hello community. I've got an ASUS VA27EHE with a Panda LC270lf1l01 panel that started to behave strangely. A bit of intro:
                  If you power on the monitor without any inputs it turns on, displays the ASUS logo, shows no signal and goes into standby normally. When you plug it via HDMI sometimes and more recently, most of the times, it distorts the bios logo with horizontal lines, then when loading into windows 50-50 the windows emblem also is in horizontal lines. And after the system loads it almost always works properly, lol. On some rare occasions a part in the top of the monitor is being distorted...
                  03-26-2025, 03:42 AM
                • asr
                  Finding replacement diode iPad Pro 3rd gen A1701
                  by asr
                  Hello, I am looking for help to replace a damaged diode. The tristar was replaced and a diode was damaged in the process. I have a picture of the diode but dont have an exact donor. I mostly have macbooks for donors and only a few ipad and iphone boards. Diode part number: DSF01S30SCAP
                  Im not sure where to find the ipad board number. Anybody have an idea where else this diode is used on other boards? Thanks....
                  07-09-2024, 06:24 PM
                • EvazX
                  ASUS ROG G513QY – RX 6800M powered but not detected intermittently + random crashes (Motherboard: 6050A3254002-MB-Axx)
                  by EvazX
                  Hello everyone,

                  I am working on an ASUS ROG G513QY laptop with RX 6800M dGPU.
                  Originally, this laptop was completely non-functional. I replaced the motherboard (part number 6050A3254002-MB-Axx), and with the replacement board it started working fine.

                  For a long time, the dGPU worked perfectly stable. I played several hundred hours on very demanding games such as Cyberpunk 2077 without any crashes, instability, or detection issues. Performance was excellent and there were no warning signs of failure.

                  However, after some time, the replacement motherboard...
                  08-25-2025, 06:09 PM
                • Loading...
                • No more items.
                Working...