Help with 2002 Ford Ranger blower motor

Collapse
X
 
  • Time
  • Show
Clear All
new posts
  • SluggerB
    Badcaps Veteran
    • Aug 2020
    • 747
    • US

    #1

    Help with 2002 Ford Ranger blower motor

    So I picked up this little truck, and the blower motor does not work correctly. There are 4 settings, Low, Med-Low,Med-High, and Max. The issue is Low, Med-Low, and Med-High ALL act like Low. Max works like Max.

    So research tells me it is the resistor block for the blower motor. So I change that. Still works the exact same. More research tells me the plug going into the Resistor block often gets corroded and faulty, so I change that. Still works the exact same. More research says sometime the switch in the cab goes faulty. I replace that. STILL WORKS THE SAME.

    From what I understand from the schematic, on Low, the switch just goes to ground, and the current goes through all 3 resistors on the resistor block, providing max resistance and lowest fan speed. When you select Medium Low, the current goes to the Med Low wire going into the resistor block, and then through 2 of the resistors, and the fan goes faster. Med Hi send the current to the Med Hi terminal on the resistor blow, which only ha 1 resistor in front of it, and you get even faster fan. Max bypasses the resistor altogether and you just get max power to the fan.

    But for some completely unknown reason, Low, Med Lo, and Med Hi ALL act like low. Max works like Max, since that bypasses the resistor block.

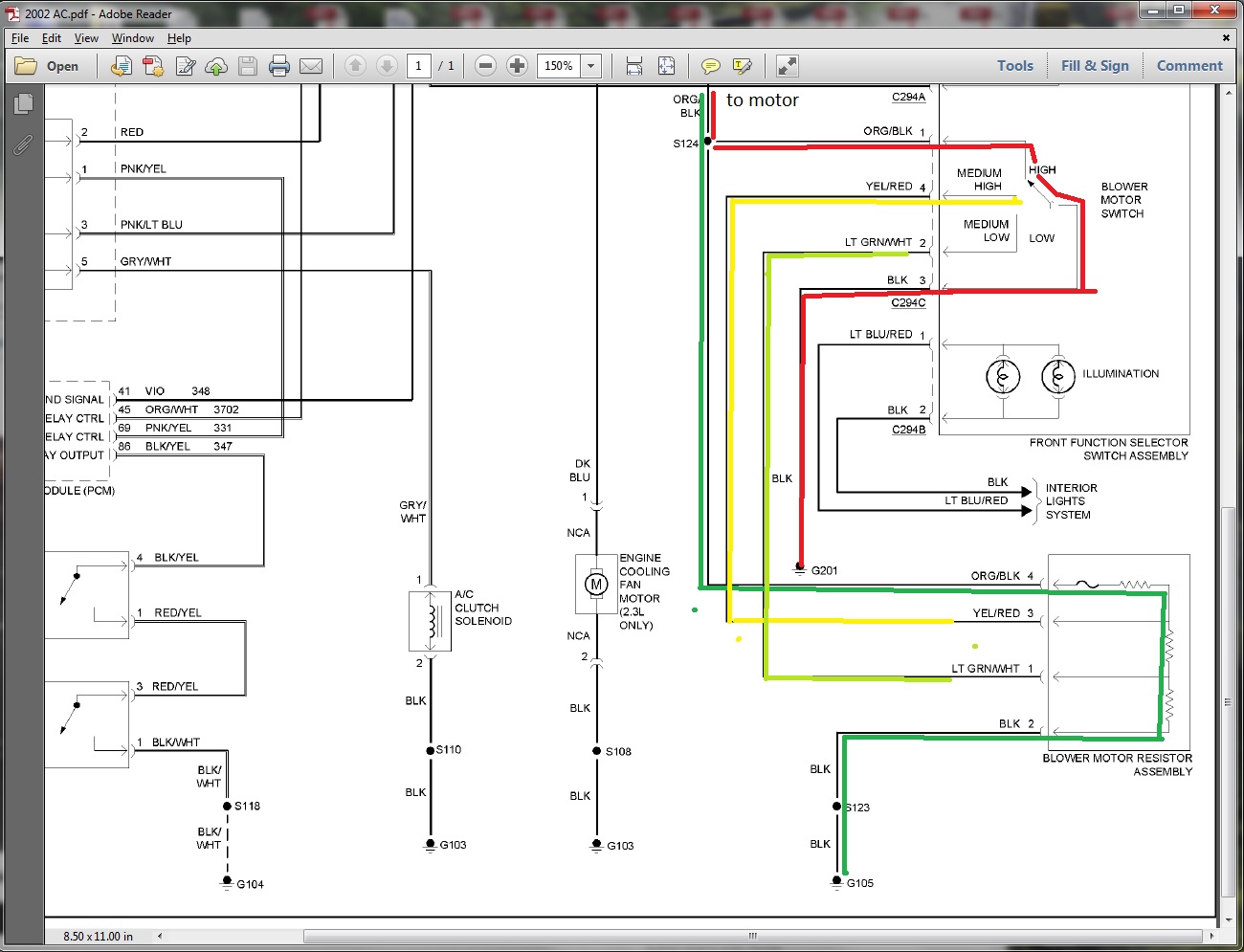
    Here is the schematic
    https://file.io/YCa0gpeJGjP7


    Someone in a Ranger forum said this:

    When key is on and Mode/Vent switch is in any position except OFF, the blower motor gets 12volts

    The resistor block is always Grounded by its black wire(G105), but thru 3 resistors, which would be Low speed
    If the speed knob in the dash was set to med. low then resistor block has a NEW ground path and only thru 2 resistors, so higher fan speed than Low, NEW ground path uses G201 in the cab
    Med. high changes to NEW ground path thru 1 resistor, so even higher speed, also use G201

    High speed by-passes the resistor block entirely, no resistors, it's a direct ground for blower motor, via G201

    So if low, med. low, and med. high all seem to be the same speed, then med. low and med. high wires, or switch contacts, are not giving a NEW ground path in resistor block
    But I have no idea what to do with that. Even with everything replaced, Lo, Med Lo, and Med Hi are ALL grounding to G105.

    Any ideas what I should test next? From the wires I can see, I don't see anything cut, spliced, or tampered with to cause a short to the G105 ground. And I have replaced the resistor, plug, and switch.
  • R_J
    Badcaps Legend
    • Jun 2012
    • 9628
    • Canada

    #2
    Re: Help with 2002 Ford Ranger blower motor

    If max speed works, then there is a path to ground (for the motor) via the blower motor switch. if it operates on low there is a path to ground via the blower motor resistor ass'y, (bypassing the switch completely) so that leaves no connections between switch medH and medL and the resistor ass'y. So likely no connections on the yellow/red or the LT grn/wht wires
    Red trace is the path to ground via the switch, Green is the path to ground via the res. ass'y. For Medium High to work there needs to be a path to ground via the switch ground (3), the switch pin4 to the res. ass'y pin3
    Attached Files

    if you find these attachements useful please consider making a small donation to the site

    Last edited by R_J; 11-10-2022, 05:43 PM.

    Comment

    • SluggerB
      Badcaps Veteran
      • Aug 2020
      • 747
      • US

      #3
      Re: Help with 2002 Ford Ranger blower motor

      Originally posted by R_J
      So likely no connections on the yellow/red or the LT grn/wht wires
      Both those wires are connected to both the switch (inside the cab), and the blower motor resister plug. They are connected

      Comment

      • R_J
        Badcaps Legend
        • Jun 2012
        • 9628
        • Canada

        #4
        Re: Help with 2002 Ford Ranger blower motor

        Originally posted by SluggerB
        Both those wires are connected to both the switch (inside the cab), and the blower motor resister plug. They are connected
        Then the medium speeds must be working. With the switch in the medium high position, ground pin3 on the resistor network, does the speed change? if yes, the path is open between the resistor network and the switch, if the answer is no, then the resistor network must be bad.

        Comment

        • SluggerB
          Badcaps Veteran
          • Aug 2020
          • 747
          • US

          #5
          Re: Help with 2002 Ford Ranger blower motor

          Originally posted by R_J
          Then the medium speeds must be working.
          They are working, they are just working as Low.

          With the switch in the medium high position, ground pin3 on the resistor network, does the speed change? if yes, the path is open between the resistor network and the switch, if the answer is no, then the resistor network must be bad.
          So to do that, I would set the switch in the cab to Med-Hi, then connect the Yellow/red wire coming off the resistor block to a a piece of jumper wire and touch the other end of that jumper wire to a ground point on the car? And the fan should be blowing med hi? Or do I set it to Low, then ground out that wire and see if it switches to Med hi?


          This is how I identified a ground point: I put my meter on continuity, then connected the black wire going to the resistor block to one probe, then poked the other probe around until I heard a beep. I ended up getting a beep on some metal tube near the engine. Is that point a ground?
          Last edited by SluggerB; 11-10-2022, 06:26 PM.

          Comment

          • R_J
            Badcaps Legend
            • Jun 2012
            • 9628
            • Canada

            #6
            Re: Help with 2002 Ford Ranger blower motor

            Ground is the chassis or battery negative, I have no idea what that metal tube is. You need to read the resistance as the beep is meaningless as it can beep between 0Ω and likely 200Ω depending on the meter.
            For the test connect the ground wire to pin 3 on the resistor network or just connect a wire between pin 2 and 3 on the resistor network, this should increase the speed.
            The switch in the cab can be on any speed but High for the test
            If you connect a wire to pin2 (ground) on the resistor network, and the other end to either pin 1, medium low or pin 3, medium high, if you connect to pin 4 the fan will run at high speed.
            Last edited by R_J; 11-10-2022, 06:41 PM.

            Comment

            • SluggerB
              Badcaps Veteran
              • Aug 2020
              • 747
              • US

              #7
              Re: Help with 2002 Ford Ranger blower motor

              Originally posted by R_J
              Ground is the chassis or battery negative, I have no idea what that metal tube is. You need to read the resistance as the beep is meaningless as it can beep between 0Ω and likely 200Ω depending on the meter.
              For the test connect the ground wire to pin 3 on the resistor network or just connect a wire between pin 2 and 3 on the resistor network, this should increase the speed.
              The switch in the cab can be on any speed but High for the test
              If you connect a wire to pin2 (ground) on the resistor network, and the other end to either pin 1, medium low or pin 3, medium high, if you connect to pin 4 the fan will run at high speed.

              So on the wires going to the resistor (not the wire going to the cab control), if I connect the black wire (Wire 2) and the Yellow/Red Wire (Wire 3) I should get Med-Hi speed?

              If it does not, that would indicate the resistor block I just bought is faulty?

              Comment

              • R_J
                Badcaps Legend
                • Jun 2012
                • 9628
                • Canada

                #8
                Re: Help with 2002 Ford Ranger blower motor

                Yes, but the resistor block needs to be connected to the plug, you can't just connect the wires.

                Comment

                • SluggerB
                  Badcaps Veteran
                  • Aug 2020
                  • 747
                  • US

                  #9
                  Re: Help with 2002 Ford Ranger blower motor

                  Originally posted by R_J
                  Yes, but the resistor block needs to be connected to the plug, you can't just connect the wires.
                  The plug that plugs into the resistor? Yes that is not removed. I am using the wires that pigtail from that plug to interact with the resistor, the placement of the resistor makes it impractical to get to the terminals themselves.

                  SO again, plug connected to resistor, wires coming out of plug, connect black to yellow/red (and leave all other wires connected how they should be) should give me med high speed?

                  Comment

                  • R_J
                    Badcaps Legend
                    • Jun 2012
                    • 9628
                    • Canada

                    #10
                    Re: Help with 2002 Ford Ranger blower motor

                    Here is the blower only part of the diagram. It is easy to understand. 14 volts is supplied to one side of the motor, the other side of the motor controls the speed, if it is connected to ground, it runs full speed. if it runs through the full resistor block it runs slow. If you connect pin2 to pin1 it bypasses R3, if you connect pin2 to pin3 it bypasses R2 and R3.
                    If need, remove the resistor block from the heater it does not need to be mounted for this test.
                    Attached Files

                    if you find these attachements useful please consider making a small donation to the site

                    Last edited by R_J; 11-10-2022, 09:47 PM.

                    Comment

                    • stj
                      Great Sage 齊天大聖
                      • Dec 2009
                      • 31298
                      • Albion

                      #11
                      Re: Help with 2002 Ford Ranger blower motor

                      this is a very old problem with fucking fords - i remember it over 30 years ago!

                      the usual fix is to just throw the resistors and switch away and put a pot and a pwm motor drive board in instead.

                      Comment

                      • SluggerB
                        Badcaps Veteran
                        • Aug 2020
                        • 747
                        • US

                        #12
                        Re: Help with 2002 Ford Ranger blower motor

                        Originally posted by R_J
                        Here is the blower only part of the diagram. It is easy to understand. 14 volts is supplied to one side of the motor, the other side of the motor controls the speed, if it is connected to ground, it runs full speed. if it runs through the full resistor block it runs slow. If you connect pin2 to pin1 it bypasses R3, if you connect pin2 to pin3 it bypasses R2 and R3.
                        If need, remove the resistor block from the heater it does not need to be mounted for this test.

                        I understand the diagram and how it is supposed to work, but I don't understand why it is not working since everything has been replaced, and all the grounds seem to be in place. The only things in the circuit are power, the resistors, and 2 ground points, G105 and G201.
                        • The blower motor is getting power, so I know the fuse and relay are working, or the fan wouldn't spin
                        • I know the blower blows on MAX, so I know the G201 ground point is good, because on Max, the power just goes right to that, and it works.
                        • I know the blower blows on Low, so I know the G105 ground point is good, and I know all three resistors are in place, because on Low, the power goes through all 3 resistors and goes to G105 and blows low.

                        Med Hi and Med Lo simply take the circuit from their respective resistor terminal and bring it to G201. And we know G201 is good. So the ONLY thing that could be causing the current behavior is a break in the circuit between the Med Hi and Med Lo terminals on the resistor block, and G201, right? If I am understanding this correctly, if that connection was broken the circuit ground would be G105, which is Low, which is why Med Lo and Med Hi both act like Low

                        But literally ever connection in the circuit is brand new. New switch, new plug, new resistor block, so where could it be broken?

                        Comment

                        • SluggerB
                          Badcaps Veteran
                          • Aug 2020
                          • 747
                          • US

                          #13
                          Re: Help with 2002 Ford Ranger blower motor

                          Originally posted by stj
                          this is a very old problem with fucking fords - i remember it over 30 years ago!

                          the usual fix is to just throw the resistors and switch away and put a pot and a pwm motor drive board in instead.
                          Given the age, condition, and what I paid for the truck, in this case if I can't get it working the "fix" will be just run it on Hi all the time

                          Comment

                          • SluggerB
                            Badcaps Veteran
                            • Aug 2020
                            • 747
                            • US

                            #14
                            Re: Help with 2002 Ford Ranger blower motor

                            Originally posted by stj
                            this is a very old problem with fucking fords - i remember it over 30 years ago!

                            the usual fix is to just throw the resistors and switch away and put a pot and a pwm motor drive board in instead.
                            If I did go this route, what kind of potentiometer would I need/how would I wire it up? Might be a fun little project
                            Last edited by SluggerB; 11-11-2022, 09:47 AM.

                            Comment

                            • R_J
                              Badcaps Legend
                              • Jun 2012
                              • 9628
                              • Canada

                              #15
                              Re: Help with 2002 Ford Ranger blower motor

                              Originally posted by SluggerB
                              Med Hi and Med Lo simply take the circuit from their respective resistor terminal and bring it to G201. And we know G201 is good. So the ONLY thing that could be causing the current behavior is a break in the circuit between the Med Hi and Med Lo terminals on the resistor block, and G201, right? If I am understanding this correctly, if that connection was broken the circuit ground would be G105, which is Low, which is why Med Lo and Med Hi both act like Low

                              But literally ever connection in the circuit is brand new. New switch, new plug, new resistor block, so where could it be broken?
                              The only thing that can cause this problem is broken connections between the switch and the resistor block. NOTHING ELSE. it is the switch that shorts the appropriate resistor to ground so if you switch to medium high and the speed does not change and you replaced the switch etc, the only thing left is the wires and connections between the switch and the resistor block.
                              Last edited by R_J; 11-11-2022, 11:09 AM.

                              Comment

                              • stj
                                Great Sage 齊天大聖
                                • Dec 2009
                                • 31298
                                • Albion

                                #16
                                Re: Help with 2002 Ford Ranger blower motor

                                Originally posted by SluggerB
                                If I did go this route, what kind of potentiometer would I need/how would I wire it up? Might be a fun little project
                                you would need a 12v motor speed controller/high wattage dimmer from china,and it will have a pot,
                                but you want one that will fit inplace of the switch that has the same resistance as the kit
                                probably with a built in switch - because the module will constantly run at minimum otherwise.

                                Comment

                                • SluggerB
                                  Badcaps Veteran
                                  • Aug 2020
                                  • 747
                                  • US

                                  #17
                                  Re: Help with 2002 Ford Ranger blower motor

                                  Originally posted by R_J
                                  The only thing that can cause this problem is broken connections between the switch and the resistor block. NOTHING ELSE. it is the switch that shorts the appropriate resistor to ground so if you switch to medium high and the speed does not change and you replaced the switch etc, the only thing left is the wires and connections between the switch and the resistor block.
                                  I suspected that. I am going to try and short the wires directly at the resistor block to confirm everything from the resistor block forward works as expected.

                                  Before that point, the only thing not replaced is the plug going into the back of the switch. I am going to test for resistance between the connector and the wires under the hood, and if I get an OL or super high resistance I am just going to cut the connector off, pop on some spade connectors to the wires, and connect it directly to the switch terminals and see if that does it.

                                  When I was going through all this I did see that the resistor block plug had been replaced previously (poorly) which means the system had some problem in the past, and maybe that problem either melted/damaged those wires either in the loom somewhere or at the plug going into the switch. We'll see how it goes.

                                  Thank for the help, this is mostly just a vanity project to see if I can get it working, it's a POS old rusted out truck I just picked up to haul crap around with, but it's fun to try and fix little things like this.

                                  Comment

                                  • SluggerB
                                    Badcaps Veteran
                                    • Aug 2020
                                    • 747
                                    • US

                                    #18
                                    Re: Help with 2002 Ford Ranger blower motor

                                    Originally posted by stj
                                    you would need a 12v motor speed controller/high wattage dimmer from china,and it will have a pot,
                                    but you want one that will fit inplace of the switch that has the same resistance as the kit
                                    probably with a built in switch - because the module will constantly run at minimum otherwise.
                                    So I have a spare switch since I replaced the one that was there, which means I have a spare plastic housing that will clip into the spot the dial is. If I could shoehorn a pot in there I could re-use that housing to clip it into place.

                                    Could you link to something on Amazon that would work? Most of the ones I am seeing have 3 terminals, I expect one would be my orange/black 12v line, one would be the G201 1 ground, what would the third be?

                                    And the power to the unit is controlled by a different switch, the blow motor selector is not the power switch so no worries about it running all the time

                                    Comment

                                    • stj
                                      Great Sage 齊天大聖
                                      • Dec 2009
                                      • 31298
                                      • Albion

                                      #19
                                      Re: Help with 2002 Ford Ranger blower motor

                                      the switch on the truck may have internal illumination.

                                      Comment

                                      • stj
                                        Great Sage 齊天大聖
                                        • Dec 2009
                                        • 31298
                                        • Albion

                                        #20
                                        Re: Help with 2002 Ford Ranger blower motor

                                        https://www.aliexpress.com/item/1005004469418085.html

                                        Comment

                                        Related Topics

                                        Collapse

                                        • jinu_j
                                          Dell 2209WA - power supply - Fusible Resistor replacement
                                          by jinu_j
                                          Hi

                                          I am trying to repair an ancient Dell 2209WA Monitor which suddenly shut off with a pop sound. On investigation found that one of the fusible resistors had blown. Further investigation identified multiple components as faulty because of which the fusible resistor blew. Please refer the attached circuit diagram showing the components that were found to be damaged.

                                          1. FR950 - blown fusible resistor - 0.2 Ohm 1W
                                          2. Q950 - shorted Q950 MOSFET - 650V 10A N Channel Mosfet
                                          3. R835 - Blown Resistor - 20KOhm SMD resistor
                                          4. D930 - Shorted Schottkey Diode...
                                          05-03-2025, 10:51 PM
                                        • mikey5791
                                          Need help to replace burned resistor in 350w atx psu
                                          by mikey5791
                                          Hi to all forum members,

                                          Got this faulty 350 watt atx psu dirt cheap from a local online seller as i am keen to use it as a learning tool to repair faulty power supply.
                                          The faulty part is quite obvious from the burn area near the 16pin KA7500 BD pwm. The fuse is still intact with good continuity.

                                          Upon power on ac, there is 5vdc standby power on cathode of diode D14 and about 10vdc on cathode of diode D13.(This should be the aux power to generate the 12v and 5v rail.)
                                          Initially i replace the two burned resistors near my marked red arrow to 200 ohm resistor...
                                          12-26-2024, 04:55 AM
                                        • MidnightRoller
                                          Can a resistor lose resistance after hot air?
                                          by MidnightRoller
                                          I am curious if a 0402 resistor could go from 43 ohm to 0. In electronics class and my experience a resistor can degrade and gain resistance all the way up to not being able to conduct at all. I have never heard of a resistor decreasing in resistance and becoming 0 ohm or a dead short… that's not the direction they fail… or so I thought.

                                          I was attempting to remove a wson8 chip on an iMac motherboard and it required a lot of heat, on one side of the chip were 3 0402 resistors that were very close. I popped the chip out unintentionally out of the tweezers and sent those resistors...
                                          02-02-2022, 11:46 PM
                                        • juergenb
                                          Nescafe Aeroccino, still fails with new Motor (red flashes only once)
                                          by juergenb
                                          Hi,

                                          i am asking for some Help.
                                          I have one of these Nescafe Aeroccino (Milk Frother) things with a bad motor.
                                          The Motor didn´t start anymore and internet is full of users just swapping the motor for a Mabuchi RF-500TB-12560.
                                          So i got a few of these from Banggood.

                                          I swapped the motor and now i have a new fault condition.

                                          In a working Frother you would press the start button, it will light red and work for a few minutes.
                                          If you press longer it will light blue and just mixup the milk.

                                          With the new Motor it just starts...
                                          03-23-2021, 11:24 AM
                                        • sbt123
                                          charnwood w821 mini wood lathe motor problem
                                          by sbt123
                                          hi there,im having a look at repairing a wood lathe for my dad,(charnwood w821)the problem is when turning up the variable speed control,the motor starts to stop and start by itself,if i continue to turn up the speed it will trip the mcb in the consumer unit,there is also a slight smell of burning from the speed controll box.,Another strange symptom is the lathe can be unplugged from the mains after switching it off and the motor will spin a couple of times by itself,so far ive put a new speed controll potentiometer on and new motor brushes,ive also tested the motor windings and everything looks...
                                          10-27-2024, 03:43 AM
                                        • Loading...
                                        • No more items.
                                        Working...