DC Power Supply QW-MS605D

Collapse
X
 
  • Time
  • Show
Clear All
new posts
  • SolomonMan
    Badcaps Veteran
    • Apr 2019
    • 206
    • USA

    #1

    DC Power Supply QW-MS605D

    All,
    Cooked my Inexpensive DC Power Supply.

    It was a not thinking moment and by the time I realized what I had done...the damage was already done.

    I believe I can correct but do not have a schematic. If anyone has one of these and could take a quick couple pics of theirs I would be most greatful.

    I know I popped a 330 uF 63 Volt Capacitor (C41).

    A resistor (believed to be a 1/2 Watt) but the bands are not telling me much either...I see the first band (Green) and last band (Brown)....Its in Location (R13)

    Two other SMD Resistors (R01 & R02)....They are not super small but are thin and black...I believe the wording on them are 5R0 but I am not certain as they are pretty cooked in the middle. The R01 is between the cooling towers.

    There is also a small ceramic SMD capacitor that popped (C24).

    Thanks,
    Chris
  • budm
    Badcaps Legend
    • Feb 2010
    • 40746
    • USA

    #2
    Re: DC Power Supply QW-MS605D

    Please upload good clear pictures so we can see what we are dealing with.
    5R0 = 5 Ohms
    Never stop learning
    Basic LCD TV and Monitor troubleshooting guides.
    http://www.badcaps.net/forum/showthr...956#post305956

    Voltage Regulator (LDO) testing:
    http://www.badcaps.net/forum/showthr...999#post300999

    Inverter testing using old CFL:
    http://www.badcaps.net/forum/showthr...er+testing+cfl

    Tear down pictures : Hit the ">" Show Albums and stories" on the left side
    http://s807.photobucket.com/user/budm/library/

    TV Factory reset codes listing:
    http://www.badcaps.net/forum/showthread.php?t=24809

    Comment

    • SolomonMan
      Badcaps Veteran
      • Apr 2019
      • 206
      • USA

      #3
      Re: DC Power Supply QW-MS605D

      budm,
      Thanks for the reply.

      I have included the images of the unit and the damage.

      Basically the R13 Resistor was my first idea there was an issue but the C41 quite literally blew its steam before I pulled the plug.

      It was only the second time I had used the supply and I was testing some back lights on TV I was disassembling to dispose of the Chasis.

      Thanks again,
      Chris
      Attached Files

      Comment

      • SolomonMan
        Badcaps Veteran
        • Apr 2019
        • 206
        • USA

        #4
        Re: DC Power Supply QW-MS605D

        All,
        I have included a pic of the complete unit internals as well.

        Thanks Again,
        Chris
        Attached Files

        Comment

        • sam_sam_sam
          Badcaps Legend
          • Jul 2011
          • 6070
          • USA

          #5
          Re: DC Power Supply QW-MS605D

          Originally posted by SolomonMan
          All,
          Cooked my Inexpensive DC Power Supply.

          It was a not thinking moment and by the time I realized what I had done...the damage was already done.

          I believe I can correct but do not have a schematic. If anyone has one of these and could take a quick couple pics of theirs I would be most greatful.

          I know I popped a 330 uF 63 Volt Capacitor (C41).

          A resistor (believed to be a 1/2 Watt) but the bands are not telling me much either...I see the first band (Green) and last band (Brown)....Its in Location (R13)

          Two other SMD Resistors (R01 & R02)....They are not super small but are thin and black...I believe the wording on them are 5R0 but I am not certain as they are pretty cooked in the middle. The R01 is between the cooling towers.

          There is also a small ceramic SMD capacitor that popped (C24).

          Thanks,
          Chris
          What did you do to it

          Were you trying use it as a volt meter and had the voltage control turn on to some voltage

          Or

          Did you put more voltage on this power supply than it was suppose to have trying to use it as a volt meter

          To use this type of power supply as meter is not a very good idea you can do it but you have use caution doing this

          I have fried a bench power supply once doing this but I was able to fix it

          One other thing to NOT do with this type of power supply’s is use high current coils for valve and the like
          or high current motors can mess up this type of power supply
          Last edited by sam_sam_sam; 02-09-2020, 08:30 PM.

          Comment

          • SolomonMan
            Badcaps Veteran
            • Apr 2019
            • 206
            • USA

            #6
            Re: DC Power Supply QW-MS605D

            Originally posted by sam_sam_sam
            What did you do to it

            Were you trying use it as a volt meter and had the voltage control turn on to some voltage

            Or

            Did you put more voltage on this power supply than it was suppose to have trying to use it as a volt meter

            To use this type of power supply as meter is not a very good idea you can do it but you have use caution doing this

            I have fried a bench power supply once doing this but I was able to fix it

            One other thing to NOT do with this type of power supply's is use high current coils for valve and the like
            or high current motors can mess up this type of power supply
            sam_sam_sam,
            As I said I did something stupid...The PSU is my first and I am a novice at electronics.

            I was tearing down some old TVs (Metal frames (scrap),boards(good), throw out the cracked screens,etc). I have had ok-good success at repairing stuff.

            I had this 32 inch Onn TV that had a nice LED set in a decent encasement but the panel was cracked.

            Hoping to make a light I hooked my new PSU to it without reading the directions for it (was not able to locate it...I have since found a PDF of it) and initially could not figure why it did not light things up when set at 24 volts...I increased the voltage till about 30 volts...and the amps read fairly low and things began to light up in the LED...I took it to about 36-45 volts and the R13 Resistor started to smoke. 45 Volts was the last thing on the dial LED before I turned things off immediately. Which I thought I would have been ok on as the unit is a 60V 5A unit.

            A while later (45 minutes or so) concerned I toasted the unit I hooked it up again again but I took the PSU to 30 volts to just get it to light again. It lit again but I had my meter set for amperage (10 amps) and I crossed the leads of the PSU....At that point the C41 popped (like a locomotive) and the other damage occured (Resistors/Capacitors).

            At that point I believe I should just got my dunce cap cause I believe what I did...over amped the 5 amp meter. My meter is fine the PSU not so much.

            To Live and Learn...at a minimum I learned to read the Manual...and watch my meter closer before using.

            Thanks
            Chris

            Comment

            • SolomonMan
              Badcaps Veteran
              • Apr 2019
              • 206
              • USA

              #7
              Re: DC Power Supply QW-MS605D

              All,
              Not sure if this will help or not for a schematic drawing but on the PCB there the silk screen markings;

              PCB: QW-301DXL-KZ
              QW Designed By LYH 2015.09.17

              Thanks
              Chris

              Comment

              • R_J
                Badcaps Legend
                • Jun 2012
                • 9607
                • Canada

                #8
                Re: DC Power Supply QW-MS605D

                I have this, It should be close and should help.
                Attached Files

                Comment

                • sam_sam_sam
                  Badcaps Legend
                  • Jul 2011
                  • 6070
                  • USA

                  #9
                  Re: DC Power Supply QW-MS605D

                  You said earlier that the cap that blew was rated 60 volts DC
                  If the power supply output is 60 DC and this cap is on the output rail where it see over 60

                  That poor cap could not help it self but to blow

                  It needs to have 100 volt rated caps on the output rail

                  Comment

                  • SolomonMan
                    Badcaps Veteran
                    • Apr 2019
                    • 206
                    • USA

                    #10
                    Re: DC Power Supply QW-MS605D

                    Originally posted by sam_sam_sam
                    You said earlier that the cap that blew was rated 60 volts DC
                    If the power supply output is 60 DC and this cap is on the output rail where it see over 60

                    That poor cap could not help it self but to blow

                    It needs to have 100 volt rated caps on the output rail
                    Sam_sam_sam,
                    Thanks I was wondering about that Voltage value on that cap when I looked at R_Js schematic he sent.

                    Again Thanks for the help,
                    Chris

                    Comment

                    • sam_sam_sam
                      Badcaps Legend
                      • Jul 2011
                      • 6070
                      • USA

                      #11
                      Re: DC Power Supply QW-MS605D

                      Originally posted by SolomonMan
                      Sam_sam_sam,
                      Thanks I was wondering about that Voltage value on that cap when I looked at R_Js schematic he sent.

                      Again Thanks for the help,
                      Chris
                      If I were repairing this power supply I would replace every capacitor with a good brand name capacitors if you want have many years of service

                      When I get a device and I want to use it for a very long time I will recap it as soon as I can or if I start having problem with it

                      Comment

                      • SolomonMan
                        Badcaps Veteran
                        • Apr 2019
                        • 206
                        • USA

                        #12
                        Re: DC Power Supply QW-MS605D

                        sam_sam_sam,
                        I will probably do that as well...once I get it up and running again first.

                        But your post brings up a good question what separates good electronic parts from not so good ones...I assume brand means a lot but I do not know the brands that are better than others...suggestions?

                        Thanks
                        Chris

                        Comment

                        • momaka
                          master hoarder
                          • May 2008
                          • 12175
                          • Bulgaria

                          #13
                          Re: DC Power Supply QW-MS605D

                          Originally posted by SolomonMan
                          But your post brings up a good question what separates good electronic parts from not so good ones...I assume brand means a lot but I do not know the brands that are better than others...suggestions?
                          Good electrolytic brands? That would be only the following Japanese brands:
                          - Rubycon
                          - Nichicon
                          - Panasonic
                          - United Chemicon
                          - Sanyo / Suncon
                          - Hitachi

                          Just about everything else is many classes below the above brands, in terms of reliability. That said, the above brands do have (or had) some flaky series too, but not many. (Nichicon, for example, made a batch of defective caps for its HM, HN, and HZ series between 2001 and 2005. United Chemicon KZG and KZJ tend to be unstable over time, especially if not used / sitting on the shelf - and this applies mostly towards their 6.3V caps, as their 16V and higher caps seem to be OK. Sanyo/Suncon WG and WF also tend to be unstable when sitting not used. Rubycon MCZ and MFZ are heat-sensitive... but these are no longer produced, so no worries. And Nichicon along with Panasonic possibly, have some series that tend to leak electrolyte from the bottom.) So even the above Japanese brands aren't perfect by any means. But compared to the rest, they are much more reliable.

                          As far as the caps in this PSU go - ChangX/Chong (or whatever they're called - they got several cheapo Chinese brands with names like that or similar). All are garbage.

                          Comment

                          • SolomonMan
                            Badcaps Veteran
                            • Apr 2019
                            • 206
                            • USA

                            #14
                            Re: DC Power Supply QW-MS605D

                            Originally posted by momaka
                            Good electrolytic brands? That would be only the following Japanese brands:
                            - Rubycon
                            - Nichicon
                            - Panasonic
                            - United Chemicon
                            - Sanyo / Suncon
                            - Hitachi

                            Just about everything else is many classes below the above brands, in terms of reliability. That said, the above brands do have (or had) some flaky series too, but not many. (Nichicon, for example, made a batch of defective caps for its HM, HN, and HZ series between 2001 and 2005. United Chemicon KZG and KZJ tend to be unstable over time, especially if not used / sitting on the shelf - and this applies mostly towards their 6.3V caps, as their 16V and higher caps seem to be OK. Sanyo/Suncon WG and WF also tend to be unstable when sitting not used. Rubycon MCZ and MFZ are heat-sensitive... but these are no longer produced, so no worries. And Nichicon along with Panasonic possibly, have some series that tend to leak electrolyte from the bottom.) So even the above Japanese brands aren't perfect by any means. But compared to the rest, they are much more reliable.

                            As far as the caps in this PSU go - ChangX/Chong (or whatever they're called - they got several cheapo Chinese brands with names like that or similar). All are garbage.
                            momaka,
                            I see me purchasing my fair share of panasonic components...Its a name I have trusted for printers for almost 30 years.

                            I have a old Panasonic 1090 and Panasonic 1124 dot matrix that still work today originally used on Atari 8 bit computers with the parallel adapter and then transferred over to the IBM realm...they are used today mostly to show my kids what printers I grew up with...run them just to keep things going. I recently gave my oldest my old Panasonic kx-mb271 after my work thru out a HP LaserJet 400 MFP but it gave me plenty of years of service.

                            So where do you guys source most of your components..I know BadCaps is a good source for caps...but I did not see a 100V 330uf Cap available nor other components...I know of Digikey,Mouser, and Jameco...I have used ebay a time or two for components but seems like your waiting a lot of times forever and quality items are similar in cost to Digikey...There are no Radio Shacks (defunct) nor electronic stores anywhere near me...might be some stores in Detroit/Columbus areas but most of those electronic stores my biological dad visited when I was a kid are gone now...

                            I will dig into the schematic and the PSU maybe this weekend...we are in for a winter storm this week...

                            Thanks guys for the help,
                            Chris

                            Comment

                            • sam_sam_sam
                              Badcaps Legend
                              • Jul 2011
                              • 6070
                              • USA

                              #15
                              Re: DC Power Supply QW-MS605D

                              Here is one

                              https://www.digikey.com/product-deta...1742-ND/756258

                              Here is another one

                              https://www.digikey.com/product-deta...0783-ND/285735
                              Last edited by sam_sam_sam; 02-12-2020, 11:33 AM.

                              Comment

                              • SolomonMan
                                Badcaps Veteran
                                • Apr 2019
                                • 206
                                • USA

                                #16
                                Re: DC Power Supply QW-MS605D

                                Guys,
                                I was looking at getting the order together...

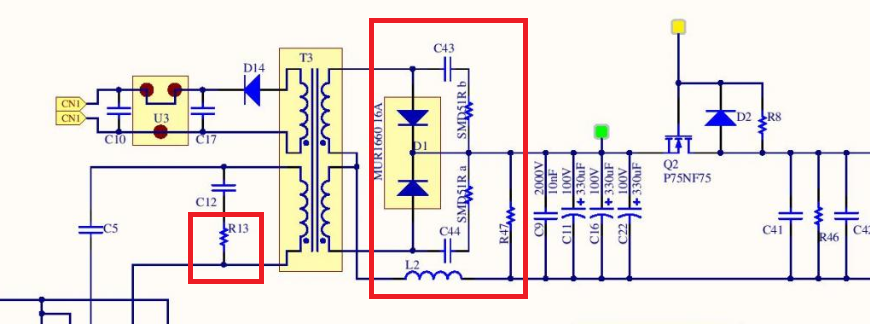
                                I have included an image breakdown where my question resides;

                                R13 is a Metal Film Resistor - 51R 3 watt (According to R_J Diagram) (Small Red Square in Image)...My resistor is fairly burnt (included image)

                                The Image given by RJ matches my DC Power Supply fairly well (R13 location included) but in his image the Area circled in red (large Square) - 2 SMD Resistors - Believed originally to be by me to be 5R0 and is my R01 and R02.

                                In the included diagram (this post) its written vertically (large red square) to be SMD51R.

                                So should I by the SMD51R 3watt if the R13 is a 51R 3watt. The MUR1660 Numbers match on the Diode (D1). My assumption from the burnt SMD components to be 5R0 is probably wrong?

                                Thanks
                                Chris
                                Attached Files

                                Comment

                                • R_J
                                  Badcaps Legend
                                  • Jun 2012
                                  • 9607
                                  • Canada

                                  #17
                                  Re: DC Power Supply QW-MS605D

                                  I suspect the smd you have (5R0) are correct 5Ω. If they were 51Ω they would likely read 510 and not have the "R" It could be the diagram is wrong or just different.
                                  R13 will likely be a 51Ω 3watt, Here is a picture I found
                                  Attached Files
                                  Last edited by R_J; 02-16-2020, 02:23 PM.

                                  Comment

                                  • SolomonMan
                                    Badcaps Veteran
                                    • Apr 2019
                                    • 206
                                    • USA

                                    #18
                                    Re: DC Power Supply QW-MS605D

                                    Originally posted by R_J
                                    I suspect the smd you have (5R0) are correct 5Ω. If they were 51Ω they would likely read 510 and not have the "R" It could be the diagram is wrong or just different.
                                    R13 will likely be a 51Ω 3watt, Here is a picture I found
                                    R_J,
                                    Would they (5R0) probably be 3 Watt?

                                    Thanks
                                    Chris

                                    Comment

                                    • R_J
                                      Badcaps Legend
                                      • Jun 2012
                                      • 9607
                                      • Canada

                                      #19
                                      Re: DC Power Supply QW-MS605D

                                      After a closer look I think they may indeed be 51R0 resistors, There is enough distance between the 5 and the R0 for another digit and I see that 51Ω is a common value, It is likely a 3 watt
                                      Looks like digikey A121269CT-ND, made by TE, 352251RFT, Thick Film size 2512 (6432 Metric)
                                      Measure them, they should be L=6.3mm X W=3.1mm
                                      Last edited by R_J; 02-16-2020, 05:29 PM.

                                      Comment

                                      • SolomonMan
                                        Badcaps Veteran
                                        • Apr 2019
                                        • 206
                                        • USA

                                        #20
                                        Re: DC Power Supply QW-MS605D

                                        Originally posted by R_J
                                        After a closer look I think they may indeed be 51R0 resistors, There is enough distance between the 5 and the R0 for another digit and I see that 51Ω is a common value, It is likely a 3 watt
                                        Looks like digikey A121269CT-ND, made by TE, 352251RFT, Thick Film size 2512 (6432 Metric)
                                        Measure them, they should be L=6.3mm X W=3.1mm
                                        I believe that is the right sizing...I grabbed a micrometer but it was hard to measure as its hard to see where the crack goes exactly together.

                                        They are a good size SMD Component and the sizing was fairly close.

                                        Thanks
                                        Chris

                                        Comment

                                        Related Topics

                                        Collapse

                                        Working...