esr or cap tester

Collapse
X
 
  • Time
  • Show
Clear All
new posts
  • RusMike
    Member
    • Aug 2009
    • 36

    #101
    Re: esr or cap tester

    Originally posted by Rippa_MD
    I received my ESR-Micro V4 today.

    I'm new to this type of device.

    I was testing a unsoldered 470uf 35V radial cap using the probes, how do I know if the cap is good? I heard a bird chirp and the E reading was .12 and C reading was 452 and according to the manual the cap is good. So this 470uf 35v cap is good right?

    What does a bad cap sound like or read when using the Micro v4.0 meter?
    I need to measure a 2200uf 16V radial cap but it's not listed in the
    http://www.prc68.com/I/Capacitors.shtml

    Or what does a good cap sound like or read when using the Micro v4.0 meter?
    The criteria is about - more than 1000uF - ESR < 0.1ohm, 100...1000uF - 0.2-0.5ohm is normal. You also can just check new caps and take a look at readings

    Comment

    • frosch11
      New Member
      • Jun 2010
      • 1

      #102
      Re: esr or cap tester

      Hi All,

      some month ago I bought the ESR-micro V4 from Mike. Wow! I love it. It is easy to use and gives reliable informations about caps.

      Last week I´ve checked the diplexer electronic of my loudspeakers. I changed some caps, because their values do not match with the schematics anymore. And now, they sound a bit better!

      Very good device.
      Thats it :-)

      Comment

      • elbtax
        Senior Member
        • Apr 2008
        • 59

        #103
        Re: esr or cap tester

        Ordered from Mike on 5-8-2010. Projected delivery to east coast, USA was 5-22 thru 5-25. Received my order on 5-27-2010. Was very pleased with Russian post shipping. I had capped a Gateway Fpd1960 prior to receiving the micro 4.0 that was displaying 2sec to black. Replaced all caps with Nichicon. I still got 2sec to black. Got the micro 4.0 and checked my supply of Nichicon caps. The 220uf, 25v caps had been in my bin for around two years. Checked esr and they had gone high. Should have been around .23 but was reading .48.. Ordered pan fm from digikey and replaced. Great joy now. Thanks to Mikes pet i now know even new caps that have been sitting around for a year + can go bad. I recommend Mikes meters, and especially for hobbyist like myself. The whole transaction with Mike was a true pleasure.
        Happy capping!!

        Comment

        • smason
          Badcaps Legend
          • Feb 2010
          • 1652
          • Canada

          #104
          Re: esr or cap tester

          Just got my ESR Micro today! Forgot it on my desk at work, so won't get to try it till tomorrow night.
          36 Monitors, 3 TVs, 4 Laptops, 1 motherboard, 1 Printer, 1 iMac, 2 hard drive docks and one IP Phone repaired so far....

          Comment

          • bp1
            Member
            • Jul 2010
            • 46

            #105
            Re: esr or cap tester

            Got my esrmicro 4 from mike today. Like everyone else the product is great.
            Took 10 days in the post - Defantly worth the wait.
            Mike replies to emails very quickly and the price is very competative.
            Highly recommend this meter for the toolbox at his great budget price.

            Kind Regards
            bp1

            Comment

            • vo_danh
              Member
              • Sep 2010
              • 10

              #106
              Re: esr or cap tester

              Im thourougly convinced by all the craze here I just put in my order at http://www.prc68.com/I/Capacitors.shtml
              for $75 it was a no brainer pre-built and with such good reviews. I can't wait to get mine.

              Comment

              • ukvince
                Learning
                • Jun 2011
                • 31

                #107
                Re: esr or cap tester

                Hi to everyone as i'm a newbie here...
                Can someone please tell me where i can order an ESR-Micro v4. The link is probably here somewhere and i have looked (i promise) but i'm tired and can't find a it .. ... so pretty please with sugar on top give me a link...

                Comment

                • PCBONEZ
                  Grumpy Old Fart
                  • Aug 2005
                  • 10661
                  • USA

                  #108
                  Re: esr or cap tester

                  Out of production.
                  http://www.radiodevices.info/zakaz_e.php
                  Mann-Made Global Warming.
                  - We should be more concerned about the Intellectual Climate.

                  -
                  Be who you are and say what you feel, because those who mind don't matter and those who matter don't mind.

                  - Dr Seuss
                  -
                  You can teach a man to fish and feed him for life, but if he can't handle sushi you must also teach him to cook.
                  -

                  Comment

                  • ukvince
                    Learning
                    • Jun 2011
                    • 31

                    #109
                    Re: esr or cap tester

                    Thanks....PCBONEZ

                    Comment

                    • RusMike
                      Member
                      • Aug 2009
                      • 36

                      #110
                      Re: esr or cap tester

                      Originally posted by ukvince
                      Can someone please tell me where i can order an ESR-Micro v4. pretty please with sugar on top give me a link...
                      Hi ukvince, I just sent email to you
                      Yes there are some problems with ver.4.0, but I didn't know you are from here.
                      For "Badcaps guys" I can find something somewhere under my workbench
                      Check your mailbox

                      Comment

                      • RusMike
                        Member
                        • Aug 2009
                        • 36

                        #111
                        Re: esr or cap tester

                        Btw all ESRmicro4.0 user can change it to "deadless". While we are testing this adding we tried to kill device with caps charged to 350V, but we couldn't! This schematic just don't allow to connect probes to unit while cap is charged
                        See picture at here: http://www.radiodevices.ru/forum/ind...c=3.msg167#new
                        ( file "protect.gif" at the bottom of page ) Soon our black pet will be able to compete with AtlasESR70

                        Comment

                        • bp1
                          Member
                          • Jul 2010
                          • 46

                          #112
                          Re: esr or cap tester

                          RusMike - Cannot seem to see the "protect.gif"

                          Comment

                          • RusMike
                            Member
                            • Aug 2009
                            • 36

                            #113
                            Re: esr or cap tester

                            put it here
                            better to load zip, as I could not insert file with its normal size
                            Attached Files
                            Last edited by RusMike; 06-19-2011, 02:45 AM.

                            Comment

                            • martyb
                              New Member
                              • Jun 2011
                              • 3

                              #114
                              Re: esr or cap tester

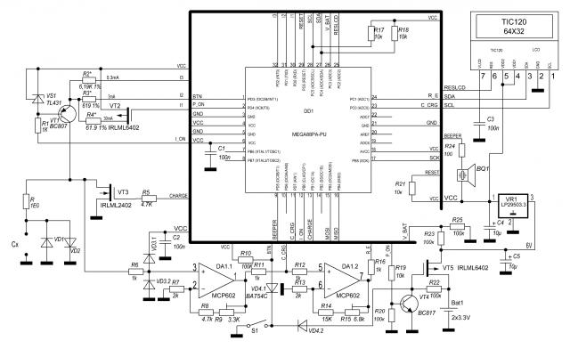
                              so is it possible to see the schematic of the russian meter or is that a closely guarded secret??????

                              Comment

                              • RusMike
                                Member
                                • Aug 2009
                                • 36

                                #115
                                Re: esr or cap tester

                                It has never been secret
                                some components values may differ from this schematic (as well microcontroller's dump) but common sense remains the same...
                                Attached Files

                                Comment

                                • twixt
                                  New Member
                                  • Sep 2011
                                  • 8
                                  • Canada

                                  #116
                                  Re: esr or cap tester

                                  Originally posted by RusMike
                                  Btw all ESRmicro4.0 user can change it to "deadless". While we are testing this adding we tried to kill device with caps charged to 350V, but we couldn't! This schematic just don't allow to connect probes to unit while cap is charged
                                  Hi, Mike. When will production of the ESRmicro4.0 be available with the "deadless" feature?

                                  I have checked your website and read about the production delays and the proposed timeframe for when new units will be available again - which should be shortly according to the latest info.

                                  Please let me know when I will be able to order and receive a "deadless" ESRmicro 4.0. Thanks.

                                  Comment

                                  • RusMike
                                    Member
                                    • Aug 2009
                                    • 36

                                    #117
                                    Re: esr or cap tester

                                    Hi Twixt,
                                    the circuit is already changed a bit. The common sense remains the same, BUT you don't need to push the button after every testing. Device defines cap is connected, then it checks for DC, if all OK (cap not charged) it switches relay connecting probes to front end of unit. Then after about 3-4 measuring cycles ( 4 sec.) it automatically disconnect probes. Prototype is working well and consumption is about 2mA. It remains THE ONLY way to kill pet - if you force relay to switch probes (say just connecting probes or so...) and AFTER THAT within 4 sec.( while probes are already connected ), connect charged cap. I have already crashed my crazy brain trying to solve this LAST problem... How to do that device looking for DC while it already turns to working mode??? I think it is just impossible... any suggestions???

                                    Comment

                                    • twixt
                                      New Member
                                      • Sep 2011
                                      • 8
                                      • Canada

                                      #118
                                      Re: esr or cap tester

                                      Originally posted by RusMike
                                      Hi Twixt,

                                      [stuff deleted in the interest of brevity]

                                      It remains THE ONLY way to kill pet - if you force relay to switch probes (say just connecting probes or so...) and AFTER THAT within 4 sec.( while probes are already connected ), connect charged cap. I have already crashed my crazy brain trying to solve this LAST problem... How to do that device looking for DC while it already turns to working mode??? I think it is just impossible... any suggestions???

                                      Hi, Mike. There are a couple of ways to bulletproof that situation:


                                      System 1

                                      1. Your original design uses less than 0.6v for the test - so the test can be performed in-circuit without causing conduction in the semiconductors in-circuit with the capacitor under test. The protection circuit must therefore be sensitive enough to detect any condition which causes the voltage to rise above the level where any semiconductors in the circuit under test can start conducting and therefore affect the test - while being robust enough to withstand the voltage produced if a charged capacitor is connected to the circuit while the pet is in its ESR or capacitor-value-sensing mode.

                                      2. Design a circuit that monitors for current through the back-to-back protection diodes on the input - which happens when you have enough voltage in the circuit under test for the diodes to conduct. If you have sufficient voltage to achieve conduction in the protection diodes - open the circuit to the pet's input and restart the cap-discharge process.

                                      You do this by adding a small resistance in series with the protection diodes. Monitor the voltage drop across this resistor. Should the resistor start producing a voltage drop - it indicates that one or the other of the protection diodes is conducting.

                                      Having a differential op-amp input across the resistor and adjusting the gain suitably, with a comparison against a Vref - where the circuit is polarity independent - will produce an op-amp output that indicates when either one of the protection diodes is conducting, but ignores any leakage current in the before-threshold-is-reached condition. (Typical polarity-independent Schmitt Trigger situation.)

                                      The output of the op-amp when current is flowing through either protection diode toggles the relay to open the connection to the pet's input and begins the capacitor-discharge cycle again.

                                      3. The existing silicon diodes used for the protection circuit must be sized to survive the current through one or the other of the protection diodes for the short time it takes for the protection circuit to disconnect the pet from the input leads. You will have to experiment to see how much dissipation will actually occur in the few-milliseconds transition timeframe - and adjust the size and ratings of your silicon protection diodes and the wattage of the current-sensing-resistor accordingly.

                                      Note: Relays react in timeframes thousands to millions of times longer than those in electronic circuits - but that relay is required in your discharge circuit in order to get sufficient current flow in discharge mode to discharge a highly-charged large-value-capacitor in a reasonable amount of time. Therefore, things that happen in the transition time between the sensing of a voltage that should not be present on the input to the pet - and the time it takes for the relay to open the circuit to the pet's input - must be accounted for.


                                      System 2

                                      Monitor the voltage across the existing back-to-back diode-pair. Look for the *presence* of a too-high voltage across the diode-pair, indicating that either diode is conducting during the measurement phase. If the voltage drop increases (indicating that either diode has been biased into conduction to the point where it is carrying substantial current) the op-amp causes the relay to break the connection to the pet and begin the cap-discharge process again.

                                      This circuit is cranky. Forward conduction voltage-drop across a silicon diode
                                      does vary with current. However, the voltage variation is very small - and the conduction-threshold-voltage varies with temperature. Production variations in batches of diodes can also affect the conduction-threshold voltage - such that the diodes will have to be matched, you need a temperature compensation circuit, and the op-amp's threshold voltages must be fine-tuned to the particular set of diodes installed in the pet. And if either diode in a diode set fails, another matched set must be installed and calibrated before the pet is safe to use again. More trouble than it's worth IMO.


                                      System 3 - Further protection for either System 1 or System 2:

                                      1. For the capacitor-discharge circuit to protect against someone putting a protected pet in-circuit with the power turned on - you can use another set of op-amp inputs as a ripple-voltage detector. Should the protection circuit detect the presence of ripple - this means the circuit under test is not powered off and the discharge function should not be performed at all. This is the very first test performed - and it protects the circuit under test from the near-short-circuit condition that occurs when a supposedly-unpowered capacitor is being discharged. This requires two relays - one which keeps the pet disconnected from the test leads until a safe condition is detected, and another which will not energize the cap-discharge-relay until the source of ripple is removed.


                                      IMO, this would be a great feature that would differentiate your unit from the Atlas ESR Plus. I suggest that this circuit be installed regardless of whether System 1 or System 2 is employed. However, System 3 is optional.

                                      And if a user is trying to check a capacitor far enough downstream of the rectifiers or switching transistors that there is insufficient ripple to cause the ripple-detector to activate - then you'll just have to admit that you can't protect against that level of stupidity.


                                      Hope this helps.

                                      Comment

                                      • RusMike
                                        Member
                                        • Aug 2009
                                        • 36

                                        #119
                                        Re: esr or cap tester

                                        twixt, THANKS for your excellent ideas!!! We will be thinking. First I will try to set supressor SMCJ5.0 instead of these diodes. May be that will be enough
                                        Although:
                                        "...you can't protect against that level of stupidity."
                                        everyone can find the way to kill device if HE REALLY WANT THAT

                                        Comment

                                        • mariushm
                                          Badcaps Legend
                                          • May 2011
                                          • 3799

                                          #120
                                          Re: esr or cap tester

                                          Mike, are the ESR Micro 3.1 available?

                                          I'm interested in one but it's now listed at 50$ - if I remember correctly it used to be about 1000 rubles or around 35$... Yes, looks like it, http://www.radiodevices.info/zakaz.php still lists it at that price.

                                          This is much closer to what I would be willing to pay for something like this, plus the shipping to Romania where I live which shouldn't be too much.

                                          Any special deals for Badcaps forum users?

                                          Comment

                                          Related Topics

                                          Collapse

                                          • Document Archive
                                            Microsoft Surface Redbank i5/8/256 Blue Notebook Specification for Upgrade or Repair
                                            by Document Archive
                                            This specification for the Microsoft Surface Redbank i5/8/256 Blue Notebook can be useful for upgrading or repairing a laptop that is not working. As a community we are working through our specifications to add valuable data like the Surface Redbank i5/8/256 Blue boardview and Surface Redbank i5/8/256 Blue schematic. Our users have donated over 1 million documents which are being added to the site. This page will be updated soon with additional information. Alternatively you can request additional help from our users directly on the relevant badcaps forum. Please note that we offer no warranties...
                                            09-07-2024, 05:50 AM
                                          • Document Archive
                                            Lenovo IdeaPad IP3 14 I7-1255U 8GB 512GB BLUE Notebook 300 Specification for Upgrade or Repair
                                            by Document Archive
                                            This specification for the Lenovo IdeaPad IP3 14 I7-1255U 8GB 512GB BLUE Notebook can be useful for upgrading or repairing a laptop that is not working. As a community we are working through our specifications to add valuable data like the IP3 14 I7-1255U 8GB 512GB BLUE boardview and IP3 14 I7-1255U 8GB 512GB BLUE schematic. Our users have donated over 1 million documents which are being added to the site. This page will be updated soon with additional information. Alternatively you can request additional help from our users directly on the relevant badcaps forum. Please note that we offer no...
                                            09-07-2024, 05:00 AM
                                          • Document Archive
                                            Lenovo IdeaPad IP3 15 R7 5825U 8GB 512GB BLUE Notebook 300 Specification for Upgrade or Repair
                                            by Document Archive
                                            This specification for the Lenovo IdeaPad IP3 15 R7 5825U 8GB 512GB BLUE Notebook can be useful for upgrading or repairing a laptop that is not working. As a community we are working through our specifications to add valuable data like the IP3 15 R7 5825U 8GB 512GB BLUE boardview and IP3 15 R7 5825U 8GB 512GB BLUE schematic. Our users have donated over 1 million documents which are being added to the site. This page will be updated soon with additional information. Alternatively you can request additional help from our users directly on the relevant badcaps forum. Please note that we offer no...
                                            09-07-2024, 05:00 AM
                                          • Document Archive
                                            Lenovo IdeaPad IP3 15 I3-1215U 4GB 128GB BLUE Notebook 300 Specification for Upgrade or Repair
                                            by Document Archive
                                            This specification for the Lenovo IdeaPad IP3 15 I3-1215U 4GB 128GB BLUE Notebook can be useful for upgrading or repairing a laptop that is not working. As a community we are working through our specifications to add valuable data like the IP3 15 I3-1215U 4GB 128GB BLUE boardview and IP3 15 I3-1215U 4GB 128GB BLUE schematic. Our users have donated over 1 million documents which are being added to the site. This page will be updated soon with additional information. Alternatively you can request additional help from our users directly on the relevant badcaps forum. Please note that we offer no...
                                            09-07-2024, 05:00 AM
                                          • Document Archive
                                            Lenovo IdeaPad IP3 15 R5 5625U 8GB 256GB BLUE Notebook 300 Specification for Upgrade or Repair
                                            by Document Archive
                                            This specification for the Lenovo IdeaPad IP3 15 R5 5625U 8GB 256GB BLUE Notebook can be useful for upgrading or repairing a laptop that is not working. As a community we are working through our specifications to add valuable data like the IP3 15 R5 5625U 8GB 256GB BLUE boardview and IP3 15 R5 5625U 8GB 256GB BLUE schematic. Our users have donated over 1 million documents which are being added to the site. This page will be updated soon with additional information. Alternatively you can request additional help from our users directly on the relevant badcaps forum. Please note that we offer no...
                                            09-07-2024, 05:00 AM
                                          • Loading...
                                          • No more items.
                                          Working...